| 72 |
| VYHLÁŠKA |
| Úradu pre normalizáciu, metrológiu a skúšobníctvo Slovenskej republiky |
| z 22. februára 2019, |
| ktorou sa ustanovujú podrobnosti o základných požiadavkách, postupoch posudzovania zhody a spôsobe označovania strelnej zbrane a streliva na civilné použitie |
| Úrad pre normalizáciu, metrológiu a skúšobníctvo Slovenskej republiky podľa § 18 zákona č. 64/2019 Z. z. o sprístupňovaní strelných zbraní a streliva na civilné použitie na trhu (ďalej len „zákon“) ustanovuje: |
|
|
| § 1 |
| Predmet úpravy |
| Táto vyhláška upravuje podrobnosti o |
| a) základných požiadavkách na rozmery strelnej zbrane na civilné použitie (ďalej len „strelná zbraň“), |
| b) homologizácii, odbere vzorky, overení označenia typu, overení zhody rozmerov hlavných častí strelnej zbrane s tabuľkami Medzinárodnej stálej komisie na skúšky ručných palných zbraní1) (ďalej len „stála komisia“), overení odolnosti materiálu pri streľbe, overení bezpečnej funkcie pri streľbe, homologizácii expanzného prístroja a akustickej zbrane, pádovej skúške, |
| c) kusovom overení, kontrole pred streľbou, skúšobnom strelive, skúšobnej streľbe, kontrole po streľbe, vyššej skúške, kusovom overení strelnej zbrane s hladkým vývrtom hlavne nabíjanej zozadu, kusovom overení strelnej zbrane, ktorá je nabíjaná čiernym prachom, |
| d) skúške typu streliva, odbere vzoriek streliva na civilné použitie (ďalej len „strelivo“) pre skúšku typu streliva, strelive s vysokým výkonom, strelive určenom pre expanznú strelnú zbraň na granule, novom strelive, kontrole a spôsobilosti referenčného streliva, menovitom tlaku, kontrole nábojov s bezolovenými brokmi, metóde merania deformácie pri heterogénnych brokoch, metóde merania tvrdosti jadra pri homogénnych brokoch, |
| e) inšpekcii, odbere vzoriek, kontrole výroby, vizuálnej kontrole, kontrole rozmerov, kontrole maximálneho tlaku, metóde merania kinetickej energie a kontrole bezpečnej funkcie streliva, |
| f) metóde merania a postupe kalibrácie, |
| g) jednotnej overovacej značke, národnej identifikačnej značke a národnej overovacej značke strelnej zbrane, streliva a tlmiča hluku výstrelu (ďalej len „tlmič“) a o ich grafickom vyobrazení. |
| § 2 |
| Základné pojmy |
| Na účely tejto vyhlášky sa rozumie |
| a) jatočnou strelnou zbraňou expanzný prístroj podľa § 4 ods. 1 písm. a) šestnásteho bodu zákona používaný na usmrtenie zvierat vniknutím smrtiaceho komponentu do mozgu zvieraťa, pričom smrtiaci komponent je súčasťou expanzného prístroja, |
| b) citlivosťou pomer medzi elektrickým nábojom a kalibračným tlakom, |
| c) kalibračnou krivkou čiara vypočítaná metódou najmenších štvorcov na základe pomeru medzi vstupným a výstupným signálom, |
| d) statickou kalibráciou kalibrácia meracieho prístroja v statickom stave pomocou referenčného snímača, |
| e) kontinuálnou kalibráciou alternatívna kalibrácia ku kalibrácii podľa písmena d), ktorá sa vykonáva pomocou referenčného snímača, |
| f) dynamickou kalibráciou fakultatívna a doplnková kalibrácia ku kalibrácii podľa písmena d) alebo e), ktorá sa vykonáva pomocou referenčného snímača. |
| § 3 |
| Základné požiadavky na rozmery strelnej zbrane a postupy posudzovania zhody |
| (1) Podrobnosti o základných požiadavkách na rozmery strelnej zbrane podľa prílohy č. 1 časti A bodu 2.2 zákona sú uvedené v prílohe č. 1. |
| (2) Homologizácia strelnej zbrane sa vykonáva podľa § 12 ods. 1 písm. a) zákona postupom uvedeným v prílohe č. 2. |
| (3) Kusové overenie sa vykonáva podľa § 12 ods. 1 písm. c) zákona postupom uvedeným v prílohe č. 3. |
| (4) Skúška typu streliva sa vykonáva podľa § 12 ods. 2 písm. a) zákona postupom uvedeným v prílohe č. 4. |
| (5) Inšpekcia sa vykonáva podľa § 12 ods. 2 písm. b) zákona postupom uvedeným v prílohe č. 5. |
| (6) Metóda merania používaná pri posudzovaní zhody strelnej zbrane a streliva je uvedená v prílohe č. 6. |
| (7) Postup kalibrácie zariadenia používaného na meranie charakteristík strelnej zbrane a streliva je uvedený v prílohe č. 7. |
| (8) Značky podľa § 14 ods. 1 zákona sú uvedené v prílohe č. 8. |
| § 4 |
| Táto vyhláška bola prijatá v súlade s právne záväzným aktom Európskej únie v oblasti technických predpisov.2) |
| § 5 |
| Účinnosť |
| Táto vyhláška nadobúda účinnosť 1. apríla 2019. |
|
|
| Pavol Pavlis v. r. |
|
|
| |
| Príloha č. 1 k vyhláške č. 72/2019 Z. z. |
| ROZMERY STRELNEJ ZBRANE |
| | A. Všeobecné rozmery | | 1 | Strelná zbraň s drážkovaným vývrtom hlavne, expanzná akustická strelná zbraň a expanzná strelná zbraň na granule určená na streľbu nábojok so stredovým zápalom | | 1.1 | Kontrolujú sa rozmery | | | 1.1.1 | nábojovej komory, a to | | | a) priemer nábojovej komory vo vzdialenosti E alebo R | PI, | | b) dĺžka nábojovej komory po priemer H2 | L3, | | c) zadný priemer hrdla nábojovej komory | H2, | | 1.1.2 | prechodového kužeľa nábojovej komory podľa časti B | L1/P2 a L2/H1, | | 1.1.3 | čela záveru podľa časti C | R (E), | | 1.1.4 | pri začiatku drážkovania, ktorými sú: | | | a) priemer základne prechodového kužeľa | G1, | | b) vrcholový uhol prechodového kužeľa | i, | | c) vzdialenosť medzi priemermi H2 a F | G, | | 1.1.5 | priemeru vodiacej časti vývrtu hlavne | | | a) v poliach | F, | | b) v drážkach | Z. | | 1.2 | Rozmery podľa bodu 1.1, okrem rozmeru podľa bodu 1.1.4 písm. b), sú rovné alebo väčšie ako rozmery uvedené v tabuľkách stálej komisie pre najmenšiu nábojovú komoru. Rozmer podľa bodu 1.1.4 písm. b) je rovný alebo menší ako rozmer uvedený v tabuľkách stálej komisie pre najmenšiu nábojovú komoru. Tieto rozmery musia byť v rozsahu tolerancií uvedených v tabuľkách stálej komisie. | | 2. | Strelná zbraň s hladkým vývrtom hlavne so stredovým zápalom určená na streľbu brokových alebo cvičných nábojov | | 2.1 | Kontrolujú sa rozmery | | | 2.1.1 | nábojovej komory, a to | | | a) priemer vstupu do nábojovej komory | D, | | b) dĺžka nábojovej komory | L, | | c) priemer hrdla nábojovej komory | H, | | 2.1.2 | zahĺbenie, ktorým je hĺbka okraja náboja podľa časti C | T, | | 2.1.3 | uhol prechodového kužeľa | α1, | | 2.1.4 | priemer vývrtu hlavne | B. | | 2.2 | Rozmery podľa bodu 2.1 musia byť v rozsahu tolerancií uvedených v tabuľkách stálej komisie. | | | 3. | Strelná zbraň určená na streľbu nábojov s okrajovým zápalom | | 3.1 | Kontrolujú sa rozmery | | | 3.1.1 | nábojovej komory, a to | | | a) priemer vo vzdialenosti R | P1, | | b) dĺžka nábojovej komory pre priemer H2 | L3, | | c) zadný priemer hrdla nábojovej komory | H2, | | d) dĺžka po začiatok dosadacieho kužeľa | L1, | | 3.1.2 | zahĺbenia, ktorým je hĺbka lôžka okraja náboja podľa časti C | R, | | 3.1.3 | priemeru vývrtu hlavne | | | a) v poliach | F, | | b) v drážkach | Z. | | 3.2 | Rozmery podľa bodu 3.1 musia byť rovné alebo väčšie ako rozmery uvedené v tabuľkách stálej komisie pre najmenšiu nábojovú komoru. | | 4. | Kontrola rozmerov priemeru vývrtu hlavne sa vykoná pri strelnej zbrani s | | a) hladkým vývrtom hlavne overovacím kalibrom odstupňovaným po 0,05 mm alebo obdobným meracím systémom; vývrt hlavne označený v desatinách milimetra umožňuje vloženie overovacieho kalibra s priemerom o 0,05 mm menším ako priemer vývrtu hlavne a neumožňuje vloženie overovacieho kalibra s priemerom väčším o 0,05 mm ako priemer vývrtu hlavne; ak je dodržaná uvedená zásada, pri určovaní priemeru vývrtu hlavne možno použiť overovací kaliber s dotykom v dvoch alebo troch bodoch vyrobený z tvrdého kovu, prepojený s mechanickým zariadením, ktoré priamo indikuje meranú hodnotu, alebo prepojený s elektronickým prevodníkom, | | b) drážkovaným vývrtom hlavne pomocou overovacieho kalibra, ktorého rozmer sa rovná najmenšiemu rozmeru príslušného kalibra. | | 5. | Kontrola rozmerov nábojovej komory a prechodového kužeľa sa vykoná | | a) pri strelnej zbrani s hladkým vývrtom hlavne najmenším a najväčším overovacím kalibrom alebo obdobným meracím systémom porovnaním s rozmermi uvedenými v tabuľkách stálej komisie pre zahĺbenie (T), | | b) kontrolou priemeru (D) kužeľovým overovacím kalibrom, ktorý môže mať vrcholový uhol prechodového kužeľa (al) odlišný od uhla určeného výrobcom, ktorých odlišnosť sa určí posuvným meradlom, | | c) kontrolou dĺžky nábojovej komory (L) a priemeru (H) valcovým overovacím kalibrom s ryskami alebo overovacím kalibrom s dotykom v dvoch alebo troch bodoch z tvrdého kovu s mechanickým alebo elektronickým odčítacím systémom alebo overovacím kalibrom, ktoré používa stlačený vzduch, | | d) pri strelnej zbrani s drážkovaným vývrtom hlavne so stredovým zápalom a pri strelnej zbrani s okrajovým zápalom overovacím kužeľovým kalibrom alebo obdobným meracím systémom, ktorého tvar zodpovedá najmenším hodnotám rozmerov nábojovej komory. | | 5.1 | Overovací kaliber podľa bodu 5 písm. a) až c) má stupnicu alebo rysky na obvode, ktoré určujú dĺžku nábojovej komory; tieto overovacie kalibre sa môžu tiež použiť na meranie priemeru v rôznych miestach nábojovej komory pre overenie stupňa kužeľovitosti a na meranie priemeru na dne nábojovej komory a sú označené kontrolným krúžkom pre kalibráciu. |
|
| B. Poloha prechodového kužeľa nábojovej komory |
| 1. Prechodový kužeľ nábojovej komory, ktorý sa má overiť, je definovaný podielmi L1/P2 a L2/H1. |
| 2. Kontrola sa vykonáva pomocou overovacieho kužeľového kalibra, ktorý zodpovedá najmenšej hodnote rozmeru nábojovej komory a jeho vzdialenosti od čela záveru. |
| 3. Rozmery prechodového kužeľa nábojovej komory sú rovné alebo väčšie, ako sú rozmery uvedené v tabuľkách stálej komisie pre najmenšiu nábojovú komoru. |
| C. Uzamykacia vôľa |
| 1. Základným rozmerom uzamykacej vôle je vzdialenosť medzi geometrickou časťou nábojovej komory, o ktorú sa opiera náboj vo svojej najprednejšej polohe, a čelom záveru alebo dnom lôžka strelnej zbrane. |
| 2. Geometrickou časťou nábojovej komory je pre |
| 2.1 bezokrajový náboj s kužeľom prechodový kužeľ nábojovej komory určený podielmi Ll/P2 a L2/Hl, |
| 2.2 bezokrajový náboj bez dosadacieho kužeľa koniec nábojovej komory určený ako L3, |
| 2.3 náboj s okrajom a náboj s okrajovým zápalom hĺbka lôžka pre okraj (zahĺbenie) R, |
| 2.4 náboj s dnom Magnum výška dna E, |
| 2.5 brokový náboj hĺbka okraja (zahĺbenie) T (D, a). |
| 3. Uzamykacia vôľa je určená vzdialenosťou medzi čelom záveru alebo medzi lôžkom (baskulou) strelnej zbrane a dnom kalibra uzamykacej vôle, ktorý má rozmery zodpovedajúce najmenšej nábojovej komore. Meranie sa vykonáva pri uzamknutom závere. Ak sa vloží do strelnej zbrane najväčší kaliber vyrobený s najväčšou uzamykacou vôľou uvedenou v bode 5, nesmie byť možné strelnú zbraň uzamknúť. |
| 4. Špeciálny postup na kontrolu uzamykacej vôle sa vyžaduje, ak |
| a) kaliber bez nákružku presahuje o hodnotu ∆L, ktorá sa rovná rozdielu najmenšej a najväčšej nábojovej komory, a |
| b) kaliber podľa písmena a) sa používa do strelnej zbrane, ktorá má výrazné rozdiely oproti písmenu a); ďalší postup výrobcu schváli autorizovaná osoba. |
| 4.1 Ak strelná zbraň zodpovedá bodu 4, uzamykacia vôľa sa kontroluje špeciálnym overovacím kalibrom. Najmenším overovacím kalibrom (∆L) je normálny overovací kaliber predĺžený o hodnotu (∆L), ktorý po vložení najmenšieho overovacieho kalibra do nábojovej komory umožní uzamknúť záver. Najväčším overovacím kalibrom (∆L) je normálny overovací kaliber predĺžený o hodnotu (∆L), ktorý po vložení najväčšieho overovacieho kalibra do nábojovej komory zohľadňuje najväčšiu uzamykaciu vôľu podľa bodu 5. Hodnota (∆L) pre príslušný kaliber zodpovedá hodnotám podľa tabuliek stálej komisie. |
| 5. Najväčšie hodnoty uzamykacej vôle po skúšobnej streľbe sú pre |
| 5.1 dlhú strelnú zbraň s drážkovaným vývrtom hlavne pre náboj so stredovým zápalom a pištoľ alebo revolver určený na streľbu nábojov s dosadacím kužeľom, ktorých dĺžka nábojnice je väčšia ako 30 mm, |
| | a) tlak plynov | Pcr max nie väčší ako 3 300 bar | | | PTmax nie väčší ako 3 800 bar | 0,15 mm, | | b) tlak plynov | Pcr max väčší ako 3 300 bar, | | | PTmax väčší ako 3 800 bar | 0,10 mm, |
|
| 5.2 pištoľ inú ako v bode 5.1 pre náboj so stredovým zápalom: |
| | a) bezokrajový náboj s kužeľom | 0,20 mm, | | b) bezokrajový náboj bez kužeľa | 0,30 mm, | | c) ostatné náboje | 0,30 mm, |
|
| 5.3 revolver iný ako v bode 5.1 pre náboj so stredovým zápalom 0,25 mm, |
| 5.4 strelnú zbraň s hladkým vývrtom hlavne pre brokový náboj so stredovým zápalom: |
| | a) samonabíjacie a opakovacie poloautomatické zbrane | 0,35 mm, | | b) strelná zbraň so sklopnou hlavňou a iné zbrane | 0,20 mm, |
|
| 5.5 strelnú zbraň pre náboj s okrajovým zápalom |
| | a) indikácia kinetickej energie namiesto tlaku | 0,20 mm, | | b) tlak plynov Pcr max alebo PTmax 1 900 bar alebo menší | 0,20 mm, | | c) tlak plynov Pcr max alebo PTmax do 2 500 bar | 0,15 mm, | | d) tlak plynov Pcr max alebo PTmax väčší ako 2 500 bar | 0,10 mm. |
|
| 5.6 Po skúšobnej streľbe pri strelnej zbrani podľa bodu 5.4 musí byť záverová vôľa medzi hlavňou a lôžkom (baskulou) 0,10 mm alebo menšia. |
| 6. Pri kalibri s problematickou uzamykacou vôľou sa podľa tabuliek stálej komisie vedľa čísla uzamykacej vôle uvedie aj alfanumerický kód |
| a) 3 pre prechodový kužeľ, |
| b) 4 pre nákružok, |
| c) 5 pre náboj s dnom Magnum E, |
| d) 6 pre ústie nábojnice. |
| |
| Príloha č. 2 k vyhláške č. 72/2019 Z. z. |
| HOMOLOGIZÁCIA |
| A. Všeobecné ustanovenia o homologizácii |
| 1. Overenie zhody rozmerov podľa prílohy č. 3 štvrtého bodu písm. d) zákona sa vykoná porovnaním rozmerov strelnej zbrane podľa prílohy č. 3 druhého bodu zákona s tabuľkami stálej komisie tak, že rozmery |
| 1.1 nábojovej komory a hlavne skúšanej strelnej zbrane musia zodpovedať rozmerom uvedeným v tabuľkách stálej komisie, |
| 1.2 konštrukcie nábojovej komory musia zodpovedať rozmerom nábojok určených výrobcom; rozmerom konštrukcie je najmä |
| | a) priemer vstupu do nábojovej komory | Pl, | | b) zadný priemer hrdla nábojovej komory | H2, | | c) dĺžka nábojovej komory | L3, | | d) hĺbka lôžka okraja nábojky (zahĺbenie) | R. |
|
| 2. Ak sa vyrába nový expanzný prístroj, rozmery podľa prílohy č. 3 štvrtého bodu písm. d) zákona sa overujú podľa výkresov výrobcu pred ich prevzatím do tabuliek stálej komisie. |
| 3. Overenie bezpečnej funkcie pri streľbe |
| 3.1 Pri overení bezpečnej funkcie pri streľbe podľa prílohy č. 3 štvrtého bodu písm. f) zákona sa vzhľadom na konštrukciu strelnej zbrane overí, či |
| a) poistka strelnej zbrane zabraňuje výstrelu pri nabíjaní, vybíjaní, manipulácii alebo nárazoch, |
| b) nabíjanie streliva do strelnej zbrane je ľahké, |
| c) streľba zo strelnej zbrane pomocou rukoväte je pohodlná, |
| d) streľba zo strelnej zbrane nie je možná, ak strelná zbraň nie je správne uzamknutá, |
| e) vytiahnutie vystrelenej nábojnice zo strelnej zbrane a odstránenie zásobníka prázdneho alebo obsahujúceho vystrelené nábojky zo strelnej zbrane je ľahké, |
| f) vytiahnutie nevystrelenej nábojky zo strelnej zbrane alebo vytiahnutie zásobníka zo strelnej zbrane, ktorý obsahuje nevystrelenú nábojku a vystrelenú nábojku, je bezpečné. |
| 3.2 Ak strelná zbraň nevyhovuje podľa bodu 3.1 z dôvodu vadného streliva, skúška sa vykoná opätovne. |
| 4. Overenie odolnosti materiálu pri streľbe |
| 4.1 Overenie odolnosti materiálu pri streľbe podľa prílohy č. 3 štvrtého bodu písm. g) zákona sa vykoná overením kvality materiálu použitého na silno namáhanej časti strelnej zbrane, ktorá je podrobená zvýšenému namáhaniu tlakom; kvalita materiálu použitého pre časť strelnej zbrane musí zodpovedať predpokladanému zaťaženiu. |
| 4.2 Pred výstrelom sa overí, či strelná zbraň nemá viditeľnú vadu kovovej časti alebo výrobnú vadu, ktorá by mohla mať vplyv na funkciu strelnej zbrane. |
| 4.3 Overenie odolnosti materiálu pri streľbe sa vykoná pri teplote prostredia od 15 °C do 25 °C |
| a) pri ručnej strelnej zbrani podľa prílohy č. 3 druhého bodu písm. a) a b) zákona streľbou piatich najsilnejších spotrebných nábojok pri nedostatku skúšobných nábojov, |
| b) pri ručnej strelnej zbrani podľa prílohy č. 3 druhého bodu písm. c) zákona streľbou piatich nábojok toho istého druhu, |
| c) pri expanznom prístroji podľa prílohy č. 3 druhého bodu písm. d) zákona streľbou desiatich skúšobných nábojok alebo pri ich nedostatku použitím každého iného prostriedku vyvolávajúceho pretlak v porovnaní s tlakom vyvíjaným najsilnejším spotrebným strelivom a najťažším upevňovacím prvkom s ohľadom na spôsob streľby predpokladanej pre tento prvok, ktorý je podľa vyhlásenia výrobcu určený pre expanzný prístroj a ktorý vytvára najväčšie namáhanie, |
| d) pri vložnej hlavni podľa prílohy č. 3 druhého bodu písm. f) zákona streľbou dvoch skúšobných nábojov, ktoré vyvíjajú tlak určený pre ich kalibre tabuľkami stálej komisie. |
| 4.4 Silno namáhaná časť strelnej zbrane podrobená zvýšenému namáhaniu tlakom okrem strelnej zbrane uvedenej v prílohe č. 3 druhom bode písm. c) zákona nemá po streľbe trhliny, vydutia, praskliny a iné vady. Pri strelnej zbrani uvedenej v prílohe č. 3 druhom bode písm. c) zákona sú prípustné deformácie a praskliny vyvolané streľbou na miestach, ktoré neovplyvnia funkčnosť strelnej zbrane a nepredstavujú nebezpečenstvo pri ich používaní. |
| 4.5 Skúška expanzného prístroja podľa prílohy č. 3 druhého bodu písm. d) zákona určeného na priemyselné účely s tĺkom a zásobníkom sa vykoná overením pri zvýšenom namáhaní tlakom a overením špeciálneho systému. |
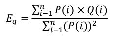
| 4.5.1 Overenie materiálu expanzného prístroja sa vykoná streľbou pri zvýšenom namáhaní tlakom za predpokladaných podmienok použitia a s použitím skúšobných nábojok, ktoré vyvinú tlak väčší o 30 % ako maximálny tlak (Pmax). Ak sa nedá vykonať overenie materiálu strelnej zbrane podľa prvej vety, tak znížením najmenšieho prídavného objemu (Va) na redukovaný skúšobný objem (VE) tak, že sa získa o 30 % väčší tlak definovaný obalovými krivkami maximálneho tlaku (Pmax) a 1,3-násobku maximálneho tlaku (Pmax) príslušného kalibra. Podrobnosti o skúšobných objemoch sú uvedené v grafe č. 1. |
| Graf č. 1 |
| 
|
| Vysvetlivky: |
| VE = redukovaný skúšobný objem pre 1,3 Pmax, |
| Vs = redukovaný skúšobný objem pre 1,15 Pmax, |
| Va = prídavný objem. |
| 4.5.1.1 Na skúšku podľa bodu 4.5.1 sa odoberie vzorka, ktorou je expanzný prístroj zo sériovej výroby alebo vzorka typu expanzného prístroja, na ktorý je podaná žiadosť o homologizáciu. Ak nie je k dispozícii vzorka, použije sa |
| a) desať skúšobných nábojok alebo pri ich nedostatku desať nábojok vybraných autorizovanou osobou z najsilnejších zo sériovej výroby, ktoré musia vyvinúť strednú hodnotu tlaku P10 (Va = 0,16 cm3) 85 % maximálneho tlaku (Pmax) alebo väčšieho určeného pre príslušný kaliber, |
| b) kovový zásobník prispôsobený príslušnému systému a dodaný výrobcom, |
| c) najťažší tĺk, ktorý má najmenšiu vôľu medzi ním a hlavňou, ako je určené pre špeciálny systém podľa výrobných výkresov, a s redukovaným prídavným objemom (VE) tak, že sa získa o 30 % väčší tlak; tento tĺk a jeho výkres dodá autorizovanej osobe výrobca expanzného prístroja, |
| d) vhodný upevňovací diel k materiálu a k špeciálnemu systému, |
| e) regulácia na najväčší výkon expanzného prístroja. |
| 4.5.2 Pri overení špeciálneho systému podľa bodu 4.5 sa vykoná kontrola celku, ak sa skúša expanzný prístroj, ktorý sa skladá z prístroja, nábojky a zásobníka zo sériovej výroby. |
| 4.5.2.1 Špeciálny systém je určený výrobcom a skladá sa z prístroja, najťažšieho sériovo vyrobeného tĺka s najmenším prídavným objemom (Va) a s najmenšou vôľou medzi tĺkom a hlavňou a z nábojok v štandardných zásobníkoch určených kalibrov označených obchodným menom a príslušnou farbou výrobcom. |
| 4.5.2.2 Skúšobná streľba sa vykoná po overení tak, že špeciálny systém má |
| a) štyri štandardné zásobníky, ktoré obsahujú tri spotrebné nábojky umiestnené za sebou, rovnakej farby a od rovnakého výrobcu, |
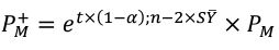
| b) najťažší tĺk s najmenšou vôľou medzi ním a hlavňou a s redukovaným prídavným objemom (VS) pre vyvinutie o 15 % väčšieho tlaku s určeným kalibrom podľa obalových kriviek Pmax a 1,15 Pmax uvedených v tabuľkách stálej komisie a grafe č.1; tĺk a jeho výkres predkladá výrobca autorizovanej osobe, |
| c) upevňovací diel vhodný pre materiál a špeciálny systém, |
| d) nastavenie najväčšieho výkonu expanzného prístroja. |
| 4.5.2.3 K záverečnému protokolu o homologizácii sa priloží zoznam použitých zariadení pri skúške. Špeciálny systém nevyhovie homologizácii, ak po overení špeciálneho systému má prerazené, natrhnuté alebo roztrhnuté dno alebo okraj nábojnice, zlomený zásobník alebo má pozdĺžnu trhlinu zásobníka, čo spôsobila skúšobná streľba. Ak je potrebné, môže výrobca predložiť špeciálny systém po úprave alebo výmene zásobníka s novými nábojkami. |
| 4.5.2.4 Ak špeciálny systém vyhovie pri homologizácii, |
| a) v návode na použitie sa uvedie, že bezpečne možno použiť len tie časti špeciálneho systému, ktoré sú s vyhovujúcim výsledkom vyskúšané, |
| b) označí sa najmenšie spotrebiteľské balenie nábojky do zásobníka obchodným menom výrobcu a označením modelu expanzného prístroja, pre ktorý je táto časť špeciálneho systému určená, |
| c) oznámi sa výrobcovi expanzného prístroja homologizácia špeciálneho systému. |
| 4.6 Pri overení podľa bodu 4.5.2 sa predloží na homologizáciu iný súbor ako zásobník alebo náboje na ich overenie v rovnakom expanznom prístroji, na ktorom sa vykoná homologizácia s vyhovujúcim výsledkom skúšky na tlak väčší o 30 %, ako je uvedené v bode 4.5.1. |
| 5. Strelná zbraň sa označí homologizačnou značkou podľa prílohy č. 8. |
| B. Homologizácia niektorých druhov strelnej zbrane |
| 1. Homologizácia expanzných prístrojov |
| 1.1 Trieda expanzného prístroja určená výstupnou rýchlosťou skúšobného valcového prvku s hmotnosťou 8 g (± 0,3 g) a priemerom 6,00 mm s ogiválnou špičkou je |
| a) expanzný prístroj triedy A, pri ktorom priemerná rýchlosť desiatich výstrelov ¯V10 nepresiahne 100 ms-1 a rýchlosť Ve jedného výstrelu je menšia ako 110 ms-1, alebo expanzný prístroj, pri ktorom priemerná rýchlosť z desiatich výstrelov ¯V10 je od 100 do 160 ms-1, rýchlosť Ve jedného výstrelu je menšia ako 176 ms-1 a stredná energia je menšia ako 420 J, |
| b) expanzný prístroj triedy B, pri ktorom priemerná rýchlosť desiatich výstrelov ¯V10 je od 100 do 160 ms-1 a energia je väčšia ako 420 J, a expanzný prístroj, pri ktorom priemerná rýchlosť desiatich výstrelov ¯V10 presiahne 160 ms-1 a rýchlosť Ve jedného výstrelu je väčšia ako 176 ms-1. |
| 1.2 Rýchlosť Ve jedného výstrelu je vypočítaná podľa štatistických pravidiel s koeficientom K2, ktorý je 2,91, a z hodnoty smerodajnej odchýlky S každej série podľa vzorca |
| Ve = ¯V10 + K2 x S |
| 1.3 Pri expanznom prístroji s meniteľným výkonom sa homologizácia vykoná pri najväčšom výkone. Ak obsahuje expanzný prístroj viacero tĺkov a hlavní, vykonajú sa merania rýchlosti s každým tĺkom a s každou hlavňou, pričom sa zohľadnia najväčšie rýchlosti a použijú sa najsilnejšie náplne všetkých nábojok podľa tabuliek stálej komisie, ktoré môžu byť vystrelené z expanzného prístroja. Meranie rýchlosti sa vykoná streľbou cez dosku s hrúbkou 1,5 mm zo zliatiny hliníka s pevnosťou v ťahu 230 MN/m2 alebo z materiálu podobných vlastností, s použitím dvoch ľahkých hradiel umiestnených 1 m od seba. Prvé hradlo je umiestnené 0,5 m od ústia expanzného prístroja. Počas desiatich po sebe idúcich výstrelov na meranie rýchlosti možno nahradiť zaseknutý alebo zablokovaný tĺk, ak sa zablokovaný tĺk nezlomí. |
| 1.4 Po určení triedy expanzného prístroja sa overí, či expanzný prístroj nevystrelí |
| a) pri pôsobení sily najmenej rovnej jeden a pol násobku hmotnosti, ktorá je väčšia ako 50 N bez ohľadu na hmotnosť expanzného prístroja okrem expanzného prístroja, ktorého spustenie sa vykoná úderom kladiva, |
| b) ak os hlavne a kolmica pracovnej plochy vytvára uhol väčší ako 15° pri expanznom prístroji triedy A, ktorého priemerná rýchlosť prekračuje 100 ms-1, alebo uhol väčší ako 7° pri expanznom prístroji triedy B. |
| 1.5 Expanzný prístroj triedy B má kryt, ktorý chráni užívateľa pred úlomkami a odrazmi a odolá prebitiu upevňovacieho prvku bez špičky s rýchlosťou voľného letu 400 ms-1. Najmenšia vzdialenosť okraja krytu je 50 mm od osi hlavne. Energia sa vypočíta s ohľadom na najväčšiu priemernú rýchlosť zistenú počas skúšok, na hmotnosť tĺku a na 8 g hmotnosť upevňovacieho prvku v prostredí a pri nastavení, ktoré vytvára najväčšie namáhanie. Expanzný prístroj nesmie vystreliť, ak má odstránený kryt. |
| 1.6 Pri expanznom prístroji je potrebné overiť, či poistky zabraňujú výstrelu pri páde a pri opretí expanzného prístroja proti stene; poistky nemôžu byť odstránené alebo znefunkčnené inak ako použitím primeraného prostriedku a ich odstránenie alebo zrušenie musí expanzný prístroj znefunkčniť. Expanzný prístroj nevystrelí do vzduchu bez použitia špeciálneho doplnku, po ktorého namontovaní sa pri výstrele uvoľní poistka. |
| 1.7 Pádová skúška |
| 1.7.1 Pádová skúška expanzného prístroja sa vykoná tak, že sa |
| a) použije nábojka príslušného kalibra, ktorá obsahuje len zápalku, |
| b) expanzný prístroj nechá spadnúť dvanásťkrát z výšky 1,50 m a trikrát z výšky 3 m; najmenej raz sa pád vykoná zvislo na ústie a na štvorcový kotlový plech, ktorý má dĺžku strany najmenej 500 mm a hrúbku 30 mm, |
| c) poloha expanzného prístroja pri páde upraví podľa konštrukcie, |
| d) po každom páde overí, či je expanzný prístroj schopný funkcie; ak je to potrebné, tak sa pred ďalším pádom nahradia poškodené časti na dosiahnutie správnej funkcie, |
| e) po každom páde overí, či nie je vizuálne viditeľný žiadny otlačok zápalníka na dne nábojky a nedôjde k odpáleniu nábojnice so zápalkou. |
| 1.7.2 Ak sa pri expanznom prístroji triedy A zistí odtlačok úderníka na zápalke, ktorý spôsobil zvislý pád na ústie, vykoná sa rovnaká doplnková skúška pádom desaťkrát po sebe z výšky 3 m, pri ktorej nesmie dôjsť k výstrelu expanzného prístroja. |
| 1.7.3 Expanzný prístroj, ktorý uvádza do pohybu jeden alebo viac prvkov, ktoré majú zostať v expanznom prístroji, a má zariadenie, ktoré umožní zastaviť tento prvok alebo tieto prvky. |
| 1.7.4 Pri expanznom prístroji určenom na vystreľovanie nábojok sa overí, či hluk výstrelu a spätný ráz sú prijateľné vzhľadom na vývoj techniky. |
| 2 Homologizácia jatočnej strelnej zbrane |
| 2.1 Pri homologizácii jatočnej strelnej zbrane sa postupuje podľa časti A a bodov 2.2 až 2.7. |
| 2.2 Pri homologizácii jatočnej strelnej zbrane sa overuje, či je |
| a) vyrobená podľa technickej dokumentácie podľa prílohy č. 2 zákona, |
| b) na nej viditeľné a trvalé označenie podľa § 7 ods. 2 písm. g) zákona. |
| 2.3 Označenie typu nesmie viesť k omylom alebo zámene s inými predmetmi, ktoré sú homologizované. |
| 2.4 Overenie odolnosti materiálu pri streľbe sa vykoná |
| a) kontrolou kvality materiálu použitého na silno namáhanej časti jatočnej strelnej zbrane, ktorá podlieha veľkému namáhaniu tlakom vzhľadom na predpokladanú úroveň tlaku, |
| b) kontrolou sily pri streľbe pri teplote prostredia od 15 °C do 25 °C tak, že |
| 1b. sa vystrelí 10 skúšobných nábojok temperovaných počas najmenej 24 hodín pri teplote 21 °C (±1) °C alebo pri ich nedostatku sa použije akýkoľvek prostriedok schopný vyvolať zväčšený tlak v porovnaní s tlakom vyvinutým najsilnejším spotrebným strelivom a smrtiaci komponent vhodný podľa podmienok streľby, ktorý je podľa vyhlásenia výrobcu určený pre jatočnú strelnú zbraň, |
| 2b. každý výstrel sa vykoná do gumovej dosky alebo do dosky z porovnateľného materiálu s najmenšou hrúbkou 100 mm a tvrdosťou 60 (± 5) Shore A, |
| 3b. po streľbe skúšobnými nábojkami možno vymeniť tlmiaci prvok alebo prvky a na expanznom prístroji sa vykoná skúška piatimi po sebe idúcimi výstrelmi doprázdna s najsilnejším spotrebným strelivom. |
| 2.4.1 Po streľbe sa overí, či |
| a) smrtiaci komponent zostal pevne spojený s expanzným prístrojom, |
| b) na nábojnici nedošlo k vytvoreniu trhliniek, okrem malých pozdĺžnych trhliniek pri ústí nábojnice, |
| c) neuniká plyn zo zamykacieho ústrojenstva; platí to aj pre expanzný prístroj nabíjaný nábojkou bez hnacej náplne. |
| 2.5 Na expanzný prístroj, pri ktorom je nábojnica vyhadzovaná alebo zničená v spaľovacej nábojovej komore, sa nevzťahuje bod 2.4.1 písm. b) a c). |
| 2.6 Overenie bezpečnej funkcie sa vykoná skúškou, pri ktorej sa uvedie do činnosti len zápalná zlož bez prachu alebo najslabšia hnacia náplň určená pre konkrétny expanzný prístroj. Je potrebné overiť, či |
| a) je možnosť streľby podmienená úplným uzavretím alebo uzamknutím expanzného prístroja na úrovni nábojovej komory, |
| b) expanzný prístroj funguje pri následných výstreloch tak, že sa znovu nabije pred každou ďalšou činnosťou, |
| c) je expanzný prístroj odolný proti náhodným výstrelom naprázdno, najmä expanzný prístroj musí odolať streľbe a tĺk musí zostať pevne spojený s expanzným prístrojom, |
| d) vyťahovanie nábojok alebo zásobníka, ktorý ešte obsahuje nábojku, možno vykonať ľahko alebo pomocou špeciálneho nástroja. |
| 2.7 Overenie bezpečnej funkcie pri pádovej skúške sa vykoná tak, že sa |
| a) použije nábojka príslušného kalibru s najslabšou spotrebnou náplňou, |
| b) expanzný prístroj nechá trikrát spadnúť z výšky 1,5 m na štvorcovú oceľovú dosku s plochou 500 mm2 a hrúbkou 30 mm; ústie musí byť smerované dolu tak, že sa pád vykoná na ústie a nedôjde k vychýleniu viac ako 15° od kolmice, |
| c) po každom páde skontroluje dno nábojnice, či nie je vizuálne viditeľná stopa úderníka na dne nábojnice a či nedošlo k výstrelu nárazom; neberie sa do úvahy výstrel expanzného prístroja, ak dopadol horizontálne. |
| 3 Homologizácia expanznej akustickej strelnej zbrane |
| 3.1 Homologizácia expanznej akustickej strelnej zbrane sa vykoná podľa časti A a bodov 3.2 až 3.4. |
| 3.2 Skúšobná streľba sa vykoná so skúšobnými nábojkami, ktorých stredná hodnota tlaku je najmenej o 30 % väčšia ako Pmax alebo jeho stredná hodnota energie je najmenej o 10 % väčšia ako najväčšia energia spotrebného streliva. Pri skúšobnej streľbe sa vystrelí |
| a) piatimi skúšobnými nábojkami z každej hlavne strelnej zbrane s jednou nábojovou komorou, |
| b) dvoma skúšobnými nábojkami z každej nábojovej komory strelnej zbrane s dvomi a viac nábojovými komorami a z každého valca revolvera. |
| 3.3 Po streľbe sa overí, či |
| a) strelná zbraň nie je viditeľne poškodená, |
| b) hlaveň nie je upchatá. |
| Overenie bezpečnej funkcie sa vykoná podľa časti A bodu 3 a kontroluje sa, či je funkcia expanznej akustickej strelnej zbrane normálna a pravidelná a či hlaveň nie je upchatá. Ak sa zistí, že je hlaveň upchatá, po jej vyčistení možno vykonať novú skúšku s dvojnásobným počtom spotrebných nábojok, pri ktorej sa nesmie zistiť vada expanznej akustickej strelnej zbrane. |
| |
| Príloha č. 3 k vyhláške č. 72/2019 Z. z. |
| KUSOVÉ OVERENIE |
| A. Všeobecné ustanovenia o kusovom overení |
| 1. Kontrola pred skúšobnou streľbou podľa prílohy č. 5 piateho bodu písm. a) zákona pozostáva z |
| a) kontroly umiestnenia údajov podľa prílohy č. 5 bodu 8.2 písm. a) zákona viditeľným a trvalým spôsobom, |
| b) vizuálnej kontroly a kontroly bezpečnej funkcie, |
| c) kontroly rozmerov podľa technickej dokumentácie predloženej výrobcom a podľa tabuliek stálej komisie, ktorej podrobnosti sú uvedené v prílohe č.1. |
| 2. Vizuálna kontrola je overenie, že na strelnej zbrani nie sú vady podľa prílohy č. 5 bodu 8.2 písm. b) až d) a f) až h) zákona. Pri vizuálnej kontrole expanznej strelnej zbrane na granule sa zohľadňuje charakteristika tejto strelnej zbrane. |
| 3. Kontrola bezpečnej funkcie je overenie správnej funkcie strelnej zbrane podľa prílohy č. 5 bodu 8.2 písm. e) zákona. |
| 4. Ak počas skúšky expanznej strelnej zbrane na granule dôjde k funkčným poruchám, overí sa jej bezpečná funkcia vystrelením piatich spotrebných nábojok s granulami zo strelnej zbrane s jednou nábojovou komorou a dvoch spotrebných nábojok s granulami z každej nábojovej komory valca revolvera. Overí sa, či je funkčnosť strelnej zbrane normálna a pravidelná a či hlaveň nie je upchatá. Ak sa zistí, že je hlaveň upchatá, tak po jej vyčistení možno vykonať novú skúšku s dvojnásobným počtom spotrebných nábojok s granulami, pri ktorej sa nesmie zistiť vada expanznej strelnej zbrane na granule. |
| Strelná zbraň, ktorej vnútorné rozmery hlavne a nábojovej komory nie sú uvedené v tabuľkách stálej komisie, je predložená autorizovanej osobe na kusové overenie, ktoré sa vykoná kontrolou rozmerov. |
| 5. Skúšobná streľba |
| 5.1 Skúšobná streľba sa vykoná na dokončenej strelnej zbrani alebo na dokončenej silno namáhanej časti strelnej zbrane. Za dokončenú strelnú zbraň sa považuje aj strelná zbraň, ktorá ešte vyžaduje povrchovú ochranu alebo rytie. Ak je strelná zbraň zmontovaná s použitím silno namáhanej časti strelnej zbrane, ktorá je kusovo overená, dokončená strelná zbraň sa kusovo overí. Pri strelnej zbrani s viacerými hlavňami sa skúša každá hlaveň; pri revolveroch sa skúša každá nábojová komora valca. |
| 5.2 Ak je dôvodné podozrenie, že niektorý skúšobný náboj je vadný, skúška sa doplní o doplňujúcu skúšobnú streľbu s väčším počtom nábojov, ako je uvedené v bode 5.3. |
| 5.3 Pri strelnej zbrani s drážkovým vývrtom hlavne sa skúška vykoná vystrelením |
| a) aspoň dvoch skúšobných nábojov zo strelnej zbrane určenej na streľbu spotrebného streliva, ktoré vyvinie strednú hodnotu maximálneho tlaku l 800 bar alebo viac, |
| b) aspoň jedného skúšobného náboja zo strelnej zbrane určenej na streľbu spotrebného streliva, ktoré vyvinie strednú hodnotu maximálneho tlaku nižšiu ako l 800 bar, |
| c) aspoň dvoch skúšobných nábojov z pištole, nezávisle od tlaku spotrebného streliva, |
| d) aspoň jedného skúšobného náboja z každej nábojovej komory revolveru a strelnej zbrane, na ktorých vývrt hlavne a nábojová komora sú oddelené, nezávisle od tlaku spotrebného streliva, |
| e) aspoň dvoch skúšobných nábojov zo strelnej zbrane, ktorej kinetická energia strely spotrebného streliva je uvedená v tabuľkách stálej komisie, |
| f) skúšobných nábojov v počte podľa písmen a) až e) z každej hlavne zo strelnej zbrane s viacerými hlavňami. |
| 6. Kontrola strelnej zbrane po skúšobnej streľbe sa vykoná na strelnej zbrani alebo silno namáhanej časti strelnej zbrane po skúšobnej streľbe. Pri kontrole strelnej zbrane po skúšobnej streľbe sa postupuje podľa bodov 3 až 5 a prílohy č. 5 bodu 8.2. |
| B. Kusové overenie niektorých druhov strelnej zbrane |
| 1. Kusové overenie strelnej zbrane s hladkým vývrtom hlavne nabíjanej zozadu |
| 1.1 Kusové overenie strelnej zbrane s hladkým vývrtom hlavne nabíjanej zozadu sa vykonáva pomocou mechanicko-elektrického snímača. |
| 1.2 Pre strelnú zbraň s hladkým vývrtom hlavne, ktorá je nabíjaná zozadu, sa vykoná |
| a) obyčajná skúška, |
| b) vyššia skúška alebo |
| c) skúška s oceľovými brokmi. |
| 1.3 Pri obyčajnej skúške pre strelné zbrane s hladkým vývrtom hlavne, z ktorých sa dá vystreliť komerčné strelivo laborované bezolovenými brokmi alebo olovenými brokmi typu A a D, sa skúška vykoná vystrelením najmenej dvoch nábojov z každej hlavne, ak je |
| a) dosiahnutá v nábojovej komore na prvom tlakomere stredná hodnota maximálneho tlaku najmenej 930 barov pre kaliber 12, 980 barov pre kaliber 16 a 1 040 barov pre kaliber 20 a |
| b) dosiahnutý v hlavni na druhom tlakomere tlak od 450 barov do 600 barov. |
| 1.4 Pri vyššej skúške strelnej zbrane s hladkým vývrtom hlavne, z ktorej sa dá vystreliť strelivo s vysokým výkonom laborované bezolovenými brokmi alebo olovenými brokmi typu A a D, sa skúška vykoná vystrelením najmenej dvoch nábojov z každej hlavne a zohľadňuje sa výsledok obyčajnej skúšky, ak je |
| a) dosiahnutá v nábojovej komore na prvom tlakomere stredná hodnota maximálneho tlaku najmenej 1 320 barov, |
| b) dosiahnutý v hlavni na druhom tlakomere tlak od 450 barov do 600 barov. |
| 1.5 Obyčajná skúška a vyššia skúška sa vykoná dvoma rovnakými nábojmi, ktoré spĺňajú podmienky v bode 1.3 pre obyčajnú skúšku a podmienky v bode 1.4 pre vyššiu skúšku. |
| 1.6 Ak dva rovnaké náboje nie sú k dispozícii, použijú sa dva náboje, ktoré spĺňajú podmienky v bode 1.3 písm. a) alebo v bode 1.4 písm. a), a jeden náboj, ktorý spĺňa podmienky v bode 1.3 písm. b) alebo v bode 1.4 písm. b). Pri obyčajnej skúške a vyššej skúške nesmie byť priemer oloveného broku väčší ako 3 mm. |
| 1.7 Skúška s oceľovými brokmi |
| 1.7.1 Pri skúške strelnej zbrane s hladkým vývrtom hlavne, z ktorej sa dá vystreliť strelivo s vysokým výkonom laborované bezolovenými brokmi typu B a C, sa vykoná skúška vystrelením troch nábojov laborovaných oceľovými brokmi s tvrdosťou HV1 v hodnote od 80 do 110 z každej hlavne. Na prvom tlakomere je tlak 1 320 barov alebo väčší a na druhom tlakomere je tlak od 450 barov do 600 barov, s najmenšou hybnosťou brokov podľa tabuľky č. 1. |
| Tabuľka č. 1 |
| | Kaliber | Najmenší priemer brokov [mm] | Najmenšia hybnosť M2,5 [Ns] | | 10/89 | 4,6 | 22,0 | | 12/70 | 4,6 | 15,0 | | 12/73 – 12/76 | 4,6 | 17,5 | | 12/89 | 4,6 | 21,5 | | 16/70 | 3,8 | 13,5 | | 20/70 | 3,8 | 12,5 | | 20/76 | 3,8 | 14,0 | | 28/70 | 3,8 | 8,5 | | 28/76 | 3,8 | 9,0 | | .410/76 | 2,8 | 4,5 |
|
| 1.7.2 Ak nie sú k dispozícii tri náboje, ktoré zodpovedajú bodu 1.7.1, možno vystreliť tri náboje, ktoré majú tlak na prvom tlakomere podľa bodu 1.7.1 a moment hybnosti podľa tabuľky č. 1, a jeden náboj, ktorý ma požadovaný tlak na druhom tlakomere podľa bodu 1.7.1, ktorý môže byť laborovaný olovenými brokmi. |
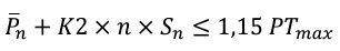
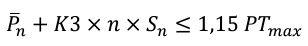
| 1.8 Skúšobné strelivo pre strelnú zbraň s hladkým vývrtom hlavne nabíjanej spredu, ktoré má vyvinúť tlak na prvom tlakomere, musí zodpovedať týmto nerovniciam: |
| | a) na prvom tlakomere | ̅𝑃 𝑛 ≥1,25 𝑃𝑚𝑎𝑥 | | ̅𝑃 𝑛 −𝐾 3𝑛 𝑆𝑛 ≥ 1,25 𝑃𝑚𝑎𝑥 | | ̅𝑃 𝑛 +𝐾 3𝑛 𝑆𝑛 ≥ 1,60 𝑃𝑚𝑎𝑥 | | b) na druhom tlakomere | ̅𝑃 𝑛 +𝐾 3𝑛 𝑆𝑛 ≥ 600 𝑏𝑎𝑟. |
|
| 1.9 Hodnoty tolerančných koeficientov sa nachádzajú v tabuľke č. 2. |
| Tabuľka č. 2 |
| | n | K1·n | K2·n | K3·n | -
6
7
8
9
10
11
12
13
14
15
16
17
18
19
20
25
30
35
40
45
50
60
70
80
90
100 | 5,75
5,07
4,64
4,36
4,14
3,98
3,85
3,75
3,66
3,59
3,52
3,46
3,41
3,37
3,33
3,30
3,15
3,06
2,99
2,94
2,90
2,86
2,81
2,77
2,73
2,71
2,68 | 4,21
3,71
3,40
3,19
3,03
2,91
2,82
2,74
2,67
2,61
2,57
2,52
2,49
2,45
2,42
2,40
2,29
2,22
2,17
2,13
2,09
2,07
2,02
1,99
1,97
1,94
1,93 | 3,41
3,01
2,76
2,58
2,45
2,36
2,28
2,21
2,16
2,11
2,07
2,03
2,00
1,97
1,95
1,93
1,83
1,78
1,73
1,70
1,67
1,65
1,61
1,58
1,56
1,54
1,53 |
|
| 1.9.1 Tolerančné koeficienty pre počet meraní n s 95 % pravdepodobnosťou pre: |
| a) K1·n 99 % prípadov, |
| b) K2·n 95 % prípadov, |
| c) K3·n 90 % prípadov. |
| 1.9.2 Stredné hodnoty tolerančných koeficientov sa lineárne interpolujú. |
| 1.10 Ak nie je vyššia skúška povinná, vykoná ju autorizovaná osoba na požiadanie výrobcu. |
| 1.11 Pri vyššej skúške sa |
| a) postupuje podľa bodov 1.4 až 1.6, |
| b) strelná zbraň označí príslušnou jednotnou overovacou značkou. |
| 2. Kusové overovanie strelnej zbrane, ktorá je nabíjaná čiernym prachom |
| 2.1 Kontrola pred skúšobnou streľbou |
| 2.1.1 Kontrola pred skúšobnou streľbou sa vykoná kontrolou |
| a) údajov podľa časti A bodu 1.1, pri ktorej sa overí, či aspoň na jednej zo silno namáhanej časti strelnej zbrane je viditeľne a trvanlivo |
| 1a. umiestnené označenie „Len čierny prach“ alebo písmená „B.P.“, ktorých význam je vysvetlený v sprievodnej dokumentácii, |
| 2a. umiestnená hodnota hmotnosti najväčšej prípustnej prachovej náplne a najväčšia hmotnosť strely zrozumiteľným spôsobom pre užívateľa, |
| b) bezpečnej funkcie podľa časti A bodu 3 a vizuálnou kontrolou podľa časti A bodu 2 dlhej strelnej zbrane, pištole a revolvera, ktoré možno podrobiť skúške bez povrchovej úpravy alebo s úpravou, dokončené so zážihovým ústrojenstvom; na kusové overenie možno predložiť hlaveň bez povrchovej úpravy s dokončenou dnovou skrutkou a tĺkom, ak sú dokončené. |
| 2.1.2 Hlaveň sa považuje za dokončenú bez povrchovej úpravy, ktorá nemôže ovplyvniť zmenu hrúbky stien hlavne alebo charakteristík materiálu hlavne spájkovaním čapov, frézovaním zárezov alebo závitov. |
| 2.1.3 Kontrola bezpečnej funkcie je overenie funkcie tĺka strelnej zbrane a pri revolveri overenie funkcie voľného otáčania valca, správneho uchytenia kohútika v prvom a druhom záreze a správnej aretácie valca. |
| 2.1.4 Pri strelnej zbrani a silno namáhanej časti strelnej zbrane, ktorá pri kontrole pred streľbou mala vadu podľa časti A bodu 2, sa postupuje podľa prílohy č. 5 bodov 8.3 a 8.4 zákona. |
| 2.2 Skúšobná streľba sa vykoná podľa časti A bodu 8 tak, že pri |
| a) nabíjaní strelnej zbrane s hladkým vývrtom hlavne strelou, ktorou je prach zasunutý do najmenej 20 mm vysokej plstenej zátky bez natlačenia, broky s priemerom od 2,5 mm do 3 mm, ktoré sa v hlavni udržia tak, že sa na ne vloží plstená zátka vysoká najmenej 10 mm; pri strelnej zbrani s drážkovaným vývrtom hlavne sa postupuje primerane tak, že pri strele sa nepoužijú broky ani plstené zátky, |
| b) skúšobnej streľbe sa vystrelia dva výstrely zo strelnej zbrane s hladkým a drážkovaným vývrtom hlavne s náplňou zloženou z prachu a strely alebo sa vystrelí najmenej jeden výstrel z revolvera z každej nábojovej komory valca po jeho odmastení; údaje o náplniach z prachu a olova sú pre rôzne kalibre uvedené v bode 2.7. |
| 2.3 Po skúšobnej streľbe sa vykoná kontrola podľa bodu 2.1.1 písm. b) strelnej zbrane alebo silno namáhanej časti strelnej zbrane. |
| 2.4 Zamietnutie po skúšobnej streľbe sa vykoná podľa prílohy č. 5 desiateho bodu a jedenásteho bodu zákona. Pri perkusnej strelnej zbrani a revolveri sa vykoná uvoľnenie pistonu alebo inej časti zápalkového mechanizmu. |
| 2.5 Skúšobné náplne |
| a) pre pištoľ s jednou alebo viacerými hlavňami, na ktorých nemožno vykonať skúšobnú streľbu podľa bodu 2.2, sa určia s prihliadnutím na dĺžku hlavne alebo hlavní, v závislosti od určenej najväčšej spotrebnej náplne pre typ strelnej zbrane; množstvo skúšobného prachu je dvojnásobkom spotrebnej náplne, |
| b) pre revolver a strelnú zbraň osobitnej konštrukcie, ktorých nábojová komora alebo nábojnica pre náplň bez zápalky neobsiahne skúšobnú náplň uvedenú v bode 2.7, sa naplnia najväčším množstvom referenčného prachu do komôr tak, že strela sa vkladá a zatláča až do úrovne ústia nábojovej komory. |
| 2.6 Strelná zbraň nabíjaná čiernym prachom má piston so zápalným kanálikom v smere prachovej nábojovej komory s najväčším priemerom zápalného kanálika 1 mm. |
| 2.7 Skúšobné náplne do strelných zbraní nabíjaných čiernym prachom sú uvedené v tabuľke č. 3. |
| Tabuľka č. 3 |
| | Kaliber | Tlaky
(informatívne) | Skúšobné náplne
(Čierny prach) | Max. spotrebné náplne
(Čierny prach) | Max. spotrebné náplne
(Náhradný čierny prach)*) | | [bar] | Prach
[g] | Broky alebo strela
[g] | Prach
[g] | Broky alebo strela
[g] | Prach
[g] | Broky alebo strela
[g] | 10 Gauge
12 Gauge
14 Gauge
16 Gauge
20 Gauge
24 Gauge
28 Gauge
32 Gauge
36 Gauge
9 mm
.31 ca. 7,9 mm
.36 ca. 9,1 mm
.41 ca. 10,4 mm
.44 ca. 11,2 mm
.45 ca. 11,5 mm
.50 ca. 12,7 mm
.54 ca. 13,8 mm
.58 ca. 14,7 mm
.69 ca. 17,5 mm | 750
800
800
850
850
1 200
1 200
1 200
1 200
1 200
1 200
1 400
1 400
1 400 | 13
12
10
9
8
6
7
8
9,5
10
13
14,5
16,5
20 | 65
60
55
40
30
13
20
27
33
35
35
35
37
50 | 6,5
5,5
5
4
3,5
2,5
3,5
5
6
6
8
9
10
12 | 36
32
25
22
17
13
20
27
33
35
35
35
37
50 | 4,9
4,1
3,8
3,0
2,6
1,9
2,6
3,8
4,5
4,5
6,0
6,8
7,5
9,0 | 36
32
25
22
17
13
20
27
33
35
35
35
37
50 |
|
| *) Náhradný čierny prach, ktorý je preskúšaný úradnou skúšobňou podľa § 12 ods. 3 zákona a môže sa použiť do strelnej zbrane nabíjanej čiernym prachom, je Pyrodex Select, Pyrodex RS, Pyrodex P, Triple Seven FFg, Triple Seven FFFg. |
| 2.7.1 Skúšobné náplne používané do strelnej zbrane nabíjanej čiernym prachom sú: |
| a) Swiss 1 do krátkych guľových strelných zbraní, |
| b) Swiss 2 do dlhých strelných zbraní, |
| c) čierne prachy s podobnými vlastnosťami. |
| 2.7.2 Ak výrobca požiada, môže byť skúška vykonaná s väčšou alebo menšou najväčšou spotrebnou náplňou podľa bodu 2.7, pričom skúšobná náplň musí byť primerane rozložená smerom nahor alebo nadol. |
| |
| Príloha č. 4 k vyhláške č. 72/2019 Z. z. |
| SKÚŠKA TYPU STRELIVA |
| 1. Pre skúšku typu streliva je séria streliva najmenej z 3 000 nábojov a typ streliva je definovaný názvom uvedeným v tabuľkách stálej komisie ako „Označenie kalibra“ alebo jeho názvom. |
| 1.1 Pri skúške typu streliva sa vyberie séria streliva s najväčším maximálnym tlakom. |
| 2. Strelivo s vysokým výkonom |
| 2.1 Pri strelive s vysokým výkonom určeným do strelnej zbrane s hladkým vývrtom hlavne sa vykoná vyššia skúška alebo skúška pre oceľové broky a skúšobné strelivo. |
| 2.2 Strelivo s vysokým výkonom sa považuje za nové strelivo a |
| a) na ktorom sa vykoná skúška typu streliva, |
| b) na ktorom sa vykoná výrobná kontrola, |
| c) na ktorom sa vykoná inšpekcia, |
| d) je uvedené v tabuľkách stálej komisie, |
| e) je označené overovacou značkou, ak spĺňa základné požiadavky a požiadavky podľa zákona a tejto vyhlášky, |
| f) na najmenšom spotrebiteľskom balení je umiestnené označenie podľa bodu 6. |
| 3. Strelivo určené pre expanznú strelnú zbraň na granule musí mať rozmery, ktoré neumožňujú jeho vloženie do expanznej akustickej strelnej zbrane. |
| 4. Nové strelivo |
| 4.1 Nové strelivo okrem streliva s vysokým výkonom, ktoré ešte nie je zaradené do tabuliek stálej komisie, nesmie získať certifikát o skúške typu streliva, ak |
| a) je ho možné nabiť a vystreliť z nábojovej komory ručnej strelnej zbrane určenej pre strelivo kalibru, ktoré už je podrobené skúške typu streliva a zaradené do tabuliek stálej komisie, ktoré má rozmery zhodné alebo podobné a maximálny prípustný tlak menší, ako je tlak nového streliva, |
| b) strelivo, ktoré získalo certifikát o skúške typu streliva a je zaradené do tabuliek stálej komisie, ktoré má rozmery zhodné alebo podobné a maximálny prípustný tlak väčší, ako je tlak nového streliva, môže byť nabité a vystrelené z nábojovej komory ručnej strelnej zbrane určenej pre toto nové strelivo, ktoré má maximálny prípustný tlak menší ako strelivo, ktoré je podrobené skúške typu streliva. |
| 4.2 Pre prebíjané strelivo a strelivo s novým kalibrom z tretích krajín je postup merania odlišný od postupu merania podľa bodu 4.1. Koeficient zvýšenia tlaku 1,07 musí byť aplikovaný na strednú hodnotu tlaku získanú počas skúšky typu streliva. Tento koeficient je aplikovateľný na náboje určené pre strelnú zbraň s dlhou drážkovanou hlavňou, pištoľ a revolver s centrálnym zápalom a okrajovým zápalom. |
| 5. Jednotná overovacia značka pre strelivo je uvedená v prílohe č. 8. |
| 6. Strelivo uvedené na trh sa zabalí do spotrebiteľského balenia, ktoré je vhodne uzavreté. Na každom spotrebiteľskom balení sa uvedú údaje: |
| a) obchodné meno alebo ochranná známka výrobcu alebo toho, kto plní strelivo už vyrobené a kto nesie zodpovednosť za to, že strelivo spĺňa základné požiadavky, |
| b) označenie podľa prílohy č. 8 a označenie podľa tabuliek stálej komisie, |
| c) identifikačné číslo série a počet nábojov v najmenšom spotrebiteľskom balení, |
| d) charakter materiálov, z ktorých sú vyrobené broky, a typ brokov. |
| e) označenie pre strelivo s vysokým výkonom, ktoré udáva, že toto strelivo nemôže byť vystrelené z iných strelných zbraní ako z tých, pri ktorých je vykonaná vyššia skúška, |
| f) nápis pre oceľové broky alebo bezolovené broky typu B a C, ktorý znie: „Nebezpečenstvo odrazu, nikdy nestrieľajte na tvrdý povrch.“, |
| g) označenie „skúšobné strelivo“ pre skúšobné strelivo, |
| h) označenie pre prebíjané strelivo pri prebíjanom strelive, |
| i) označenie kvapalnej látky alebo plynnej látky vymietnutej pri výstrele pri nábojoch, ktoré nevystreľujú pevné strely. |
| 7. Na spotrebiteľskom balení pri strelive s vysokým výkonom určenom do zbraní s hladkým vývrtom hlavne sa uvedú údaje: |
| a) označenie pre bezolovené broky typu A a D, ktoré udáva, že toto strelivo nemôže byť vystrelené z inej strelnej zbrane ako z tej, na ktorej je vykonaná vyššia skúška, |
| b) označenie pre bezolovené broky typu B a C, ktoré udáva, že toto strelivo nemôže byť vystrelené z inej strelnej zbrane ako z tej, na ktorej je vykonaná skúška oceľovými brokmi, |
| c) označenie, ak je priemer bezolovených brokov typov B a C s kalibrom 10 a 12 > 4 mm, s kalibrom 16 > 3,5 mm a s kalibrom 20 > 3,25 mm, ktoré udáva, že toto strelivo sa môže použiť len pre strelnú zbraň, na ktorej je vykonaná skúška oceľovými brokmi a ktorej hlaveň má zahrdlenie ≤ 0,5 mm. |
| 8. Meranie strednej hodnoty tlaku, priemernej rýchlosti, hodnoty hybnosti a ďalších parametrov sa vykoná podľa slovenskej technickej normy alebo inej obdobnej technickej špecifikácie. Namerané hodnoty musia štatisticky zodpovedať strednej hodnote uvedenej v tabuľkách stálej komisie alebo menšej. Maximálny tlak streliva určeného do hlavní s drážkovaným vývrtom hlavne je určený na 4 400 bar. Pri kalibroch, ktoré sú podrobené skúške typu streliva pri tlaku väčšom ako 4 400 bar, je potrebné tento tlak znížiť. |
| 8.1 Meranie tlaku nábojov a nábojok sa vykoná podľa prílohy č. 6 bodu 3 a hodnoty maximálnych prípustných tlakov sú uvedené v tabuľkách stálej komisie. |
| 8.2 Kontrola bezpečnej funkcie streliva sa vykonáva podľa prílohy č. 5 bodu 9. |
| 9. Kontrola referenčného streliva |
| 9.1 Referenčný tlak série referenčného streliva sa porovná s hodnotami získanými pomocou meracieho zariadenia výrobcu, autorizovanej osoby alebo úradnej skúšobne a umožní definovať hodnotu korekcie, ktorá sa použije pri meranom kalibri. |
| 9.2 Veľkosť korekcie je rozdiel medzi hodnotou menovitého tlaku referenčnej série a strednou hodnotou tlaku referenčnej série nameranou pomocou meracieho zariadenia výrobcu, autorizovanej osoby alebo úradnej skúšobne. Hodnota korekčného faktora nesmie byť väčšia, ako je 10 % nameranej hodnoty tlaku. |
| 9.3 Stredná hodnota tlaku po korekcii pre sériu skúšaného referenčného streliva sa získa pripočítaním alebo odpočítaním hodnoty korekcie. Pre kontrolu streliva sa použijú hodnoty tlaku po korekcii podľa bodu 9.3. |
| 9.4 Pre príslušný kaliber predloží výrobca výrobnú sériu referenčného streliva, ktorá obsahuje najmenej 5 000 ks, spolu s protokolmi o skúškach. |
| 9.5 Pri predbežných skúškach vykonaných výrobcom sa určí základný tlak a rýchlosť pri normálnych a sťažených podmienkach prostredia. Normálne podmienky prostredia sú teplota 21 °C (± l °C) a relatívna vlhkosť 60 % (± 5 %). Sťažené podmienky prostredia sú teplota 35 °C (± 1 °C) a relatívna vlhkosť 40 % (± 5 %) alebo teplota – 20 °C (± 1 °C), v ktorej sa nachádza strelivo týždeň. |
| 9.6 Po každom vystavení streliva sťaženým klimatickým podmienkam musí byť strelivo klimatizované po dobu 72 hodín pri teplote 21 °C (± 1 °C) a relatívnej vlhkosti 60 % (± 5 %). |
| 10. Menovitý tlak |
| 10.1 Na určenie menovitého tlaku sa použijú tri zo štyroch nameraných hodnôt, ktoré sú podľa smerodajnej odchýlky relatívne najsprávnejšie; na meraniach sa zúčastňujú tri úradné skúšobne a výrobca; menovitý tlak je stredná hodnota týchto troch hodnôt, ak diferencia medzi touto strednou hodnotou a niektorou z nich nepresiahne 3 %. |
| 10.2 Menovitý tlak každého kalibra je znovu skontrolovaný jednou z troch stálou komisiou určených úradných skúšobní, a to aspoň jedenkrát za tri roky a vždy, ak sa zistí rozdiel, ktorým sa potvrdí pôvodná hodnota v dovolených rozsahoch; na tieto skúšky sa použije referenčné strelivo uskladnené u výrobcu. |
| 10.3 Ak sa pri meraní podľa bodov 10.1 a 10.2 zistí väčší rozdiel, vykoná sa nová kontrolná skúška tromi úradnými skúšobňami a výrobcom. |
| 10.4 Ak sa nová stredná hodnota tlaku série referenčného streliva, zistená tromi stálou komisiou určenými úradnými skúšobňami a výrobcom, odchyľuje o viac ako 3 % od menovitého tlaku, nepovažujú sa tieto náboje za referenčné strelivo. |
| 11. Kontrola nábojov s bezolovenými brokmi |
| 11.1 Bezolovené broky sú typu |
| a) A – bezolovené broky vyrobené z homogénneho materiálu s tvrdosťou ≤ 40 HV1, |
| b) B – bezolovené broky vyrobené z homogénneho materiálu s priemernou tvrdosťou > 40 a ≤ 110 HV1 (≤ 125 HV1 je individuálna hodnota); do tohto typu patria aj bezolovené broky použité prvýkrát a oceľové broky, |
| c) C – bezolovené broky vyrobené z heterogénnych materiálov, ktorých stupeň deformácie je ≤ 45 %; náboje nesmú obsahovať heterogénne broky, ktorých stupeň deformácie je menší ako stupeň deformácie olovených brokov s rovnakým priemerom, |
| d) D – bezolovené broky vyrobené z heterogénnych materiálov so stupňom deformácie > 45 %. |
| 11.2 Náboje, ktoré obsahujú bezolovené broky typu B a C, sa laborujú brokmi, ktoré sú vybavené priamou a dostatočne odolnou ochranou ktorá odolá streľbe pri teplote od 20 °C do 50 °C, na zabránenie akémukoľvek treniu medzi brokmi a stenou hlavne. |
| 11.3 Ak bezolovené broky nemožno klasifikovať ako homogénne alebo heterogénne a na základe charakterizačných skúšok ich nemožno zaradiť do typu podľa bodu 11.1, môže autorizovaná osoba požiadať výrobcu o vykonanie ďalšej skúšky na určenie špecifických vlastností brokových nábojov. Metódy merania tvrdosti a deformácie brokových nábojov sú uvedené v prílohe č. 6. |
| 11.4 Vlastnosti streliva |
| 11.4.1 Pri spotrebnom strelive do strelnej zbrane, ktorá podlieha obyčajnej skúške, je |
| a) náboj laborovaný brokmi typu A a D s I < 73 mm a Pmax = 740 bar pre kaliber 12, Pmax = 780 pre kaliber 16 alebo Pmax = 830 bar pre kaliber 20 a menší a overí sa rovnako ako celoolovené brokové náboje, |
| b) náboj laborovaný brokmi typu B a C s l < 73 mm a Pmax = 740 bar pre kaliber 12, Pmax = 780 bar pre kaliber 16 alebo Pmax = 830 bar pre kaliber 20 a menší a overí sa priemer brokov, rýchlosť a hybnosť. |
| 12.4.2 Hodnoty veličín podľa bodu 12.4.1 písm. b) sú uvedené v tabuľke č. 4. |
| Tabuľka č. 4 |
| | Kaliber | Priemer brokov [mm] | Najväčšia rýchlosť V2,5 [m/s] | Najväčšia hybnosť M2,5 [Ns] | | 12 | 3,25 + 2 % max | 425 | 12,0 | | 16 | 3,00 + 2 % max | 390 | 9,5 | | 20 | 3,00 + 2 % max | 410 | 9,3 |
|
| 11.4.2 Strelivo s vysokým výkonom do strelnej zbrane, ktorá podlieha vyššej skúške, je brokový náboj laborovaný brokmi typu A a D, ktorý má |
| a) I ≥ 73 mm, |
| b) l < 73 mm a P > 740 bar pre kaliber 12, P > 780 bar pre kaliber 16 alebo P > 830 bar pre kaliber 20 a menší, a ktoré zároveň spĺňa podmienku pre Pmax = 1 050 bar; pre náboje s touto veľkosťou kalibra platí, že sa overujú ako celoolovené brokové náboje. |
| 11.4.3 Strelivo s vysokým výkonom do strelnej zbrane, ktorá podlieha skúške s oceľovými brokmi, je brokový náboj laborovaný brokmi typu B a C, ktorý má |
| a) I ≥ 73 mm, |
| b) l < 73 mm a P > 740 bar pre kaliber 12, P > 780 bar pre kaliber 16 alebo P > 830 bar pre kaliber 20 a menší alebo ak jedna z veličín je väčšia ako hodnota podľa tabuľky č. 3 a zodpovedá hodnotám podľa tabuľky č. 5 a hodnote Pmax = 1 050 bar; tieto náboje sa použijú len pri strelnej zbrani určenej na streľbu oceľovými brokmi. |
| Tabuľka č. 5 |
| | Kaliber | Priemer brokov [mm] | Najväčšia rýchlosť V2,5 [m/s] | Zahrdlenie ako funkcia závislá od priemeru brokov | | 10/89 | 440 | 19,0 | Pri priemere brokov ˃ 4 mm zahrdlenie ≤ 0,5 | | 12/70 | 430 | 13,5 | Pri priemere brokov ˃ 4 mm zahrdlenie ≤ 0,5 | | 12/73 | 430 | 15,0 | | 12/76 | 430 | 15,0 | | 12/89 | 430 | 19,0 | | 16/70 | 420 | 12,0 | Pri priemere brokov ˃ 3,5 mm zahrdlenie ≤ 0,5 | | 20/70 | 410 | 11,0 | Pri priemere brokov ˃ 3,25 mm zahrdlenie ≤ 0,5 | | 20/76 | 430 | 12,0 | | 28/70 | 400 | 7,0 | Pri priemere brokov ˃ 3 mm zahrdlenie ≤ 0,5 | | 28/76 | 430 | 8,5 | | .410/76 | 430 | 4,2 | Pri priemere brokov ˃ 2,5 mm zahrdlenie ≤ 0,5 |
|
| 11.5 Bezolovené broky môžu byť heterogénne ako zlúčenina kovového prachu a spojiva a preverené deformačnou skúškou alebo homogénne broky ako kovové alebo zo zliatiny a preverené Vickersovou skúškou tvrdosti jadra.3) |
| |
| Príloha č. 5 k vyhláške č. 72/2019 Z. z. |
| INŠPEKCIA |
| 1. Vzorky streliva sa odoberú náhodne a predložia sa na inšpekciu podľa určenia autorizovanej osoby podľa tabuľky č. 6. |
| Tabuľka č. 6 |
| | Počet ks na kontrolu | Počet ks v sérii | | do 35 000 | od 35 001
do 150 000 | od 150 001
do 500 000 | od 500 001
do 1 500 000 | | rozmerov a vizuálnu kontrolu | 125 | 200 | 500 | 315 | | tlakov, rýchlosti a hybnosti | 20 | 30 | 30 | 50 | | funkcie | 20 | 32 | 32 | 50 |
|
| 2. Kontrola výroby |
| 2.1 Ak je výsledok skúšky typu streliva vyhovujúci, vykoná sa kontrola výroby autorizovanou osobou z dôvodu overenia zhody streliva s typom opísaným v certifikáte o skúške typu streliva. |
| 2.2 Počet kusov streliva z overenej série typu streliva predloženého na kontrolu výroby nesmie prekročiť |
| a) 500 000 ks pre strelivo so stredovým zápalom, |
| b) 1 500 000 ks pre strelivo s okrajovým zápalom. |
| 2.3 Počet nábojok do vstreľovacieho expanzného prístroja a jatočnej strelnej zbrane na kontrolu tlaku je 12 ks zo streliva s najväčším výkonom pre každý doplnkový objem. |
| 2.4 Počet kusov streliva na kontrolu výroby môže autorizovaná osoba upraviť, ak má výrobca zavedený systém kvality. Návrh plánu výrobných kontrol výrobca predloží autorizovanej osobe. Po overení plánu výrobných kontrol autorizovanou osobou sa môže povoliť výrobná kontrola počas výroby, ak sú splnené ustanovené bezpečnostné požiadavky. |
| 3. Vizuálna kontrola |
| 3.1 Na odobratých vzorkách streliva sa kontroluje |
| a) označenie podľa § 7 ods. 2 písm. h) prvého bodu a tretieho bodu, písm. i) a j) zákona a prílohy č. 4 bodu 4.1, |
| b) počet prípustných vád označenia podľa § 7 ods. 2 písm. h) prvého bodu a druhého bodu zákona a podľa prílohy č. 4 bodov 6 a 7, ktorými sú dve vady pre sériu do 35 000, tri vady pre sériu od 35 001 do 150 000, päť vád pre sériu od 150 001 do 500 000, osem vád pre sériu od 500 001 do 1 500 000 z počtu kusov na kontrolu podľa tabuľky č. 6, |
| c) či označenie podľa § 7 ods. 2 písm. i) druhého bodu a písm. j) zákona, prílohy č. 4 bodov 3 a 4.1 je bez vád. |
| 3.2 Počet prípustných pozdĺžnych trhlín na ústi 3 mm alebo kratších na nábojnici pred streľbou je pre sériu do 35 000 dva, pre sériu od 35 001 do 150 000 tri, pre sériu od 150 001 do 500 000 päť, pre sériu od 500 001 do 1 500 000 osem z počtu kusov na kontrolu podľa tabuľky č. 6. |
| 3.3 Na strelive nie sú prípustné: |
| a) chybný kaliber, |
| b) pozdĺžne trhliny dlhšie ako 3 mm, |
| c) všetky ostatné pozdĺžne alebo priečne trhliny, |
| d) prasknuté dno nábojnice. |
| 3.4 V najmenšom spotrebiteľskom balení odobratých vzoriek sa kontroluje |
| a) počet prípustných vád označenia podľa prílohy č. 4 bodu 6 písm. a) až c) a h), ktorými sú dve vady pre sériu do 35 000, tri vady pre sériu od 35 001 do 150 000, päť vád pre sériu od 150 001 do 500 000, osem vád pre sériu od 500 001 do 1 500 000 z počtu kusov na kontrolu podľa tabuľky č. 6, |
| b) označenie streliva podľa prílohy č. 4 bodov 5 a 6 písm. e), g) a i) je bez vád, |
| c) že sa náboje rôznych typov nenachádzajú v najmenšom spotrebiteľskom balení. |
| 3.5 Ak dôjde k prekročeniu prípustných vád podľa bodov 3.1 a 3.4, séria sa vráti na kontrolu a opätovne sa povolí jej predloženie k neskoršiemu dátumu. |
| 4. Kontrola rozmerov |
| 4.1 Pri kontrole rozmerov sa overí zhoda dôležitých rozmerov z hľadiska bezpečnosti a rozmerov, ktoré definujú typ streliva. Pri strelive do expanznej akustickej strelnej zbrane sa meria celková dĺžka (L3) po výstrele aj na nábojkách na určenie tlaku plynov alebo energie. |
| 4.2 Odobraté vzorky streliva musia byť v súlade s predpísanými medznými rozmermi z hľadiska ich bezpečnosti. |
| 4.3 Medzné rozmery predpísané pre definíciu typu streliva sú kontrolované dĺžkovým meradlom, pričom sa berú do úvahy najmenšie rozmery komôr. Všetky odobraté vzorky streliva sa musia hladko vkladať do dĺžkového meradla. |
| 4.4 Overuje sa, či zápalka nevyčnieva nad rovinu dna nábojnice. |
| 4.5 Ak sa zistí chyba, séria sa vráti na kontrolu a povolí sa jej opätovné predloženie. |
| 5. Kontrola maximálneho tlaku |
| 5.1 Odber vzoriek sa vykoná podľa bodov 2 a 3. |
| 5.2 Podmienky prostredia pre vykonávanie skúšok sú: |
| a) teplota 21 °C (± 10 °C), |
| b) relatívna vlhkosť 60 % (± 5 %). |
| 5.3 Skúška typu streliva sa vykoná pri strelive, ktoré je 24 hodín v podmienkach prostredia podľa bodu 6.2. Výrobná kontrola sa pri strelive vykoná v normálnych podmienkach prostredia. Ak vznikne spor, sú smerodajné hodnoty získané streľbou streliva v podmienkach prostredia podľa bodu 6.2. |
| 5.4 Hodnota tlaku nesmie prekročiť hodnotu uvedenú v tabuľkách stálej komisie. Ak sú pochybnosti a vypočítaná hodnota maximálneho tlaku neprekračuje 1,25 Pmax, vykoná sa dodatočná skúška s dvojnásobným počtom nábojov. Stredná hodnota výsledkov skúšky podľa bodov 6.2 a 6.3 a dodatočnej skúšky zodpovedá hodnotám uvedeným v tabuľkách stálej komisie. Strelivo, ktorého stredná hodnota výsledkov skúšky podľa bodov 6.2 a 6.3 a dodatočnej skúšky nezodpovedá hodnotám uvedeným v tabuľkách stálej komisie, sa nesmie uviesť na trh, ak nie je považované za strelivo s vysokým výkonom podľa prílohy č. 4 bodu 2. |
| 5.5 Ak nie je pri vstreľovacích a jatočných nábojkách splnená niektorá z požiadaviek, vykoná sa dodatočná skúška s dvanástimi nábojkami. |
| 6. Meranie kinetickej energie musí po štatistickom vyhodnotení výsledkov vyhovovať tabuľkám stálej komisie. Pri meraní sa použije inštalácia so svetelnou obrazovkou, ktorej elektronický záznamový prístroj, ktorý meria s presnosťou najmenej 10 μs, pričom meraná vzdialenosť je najmenej 1 m. Prvá optická bariéra je umiestnená vo vzdialenosti 0,50 m od ústia hlavne. Ak nie sú postupy dodržané, je potrebné uviesť spôsob, akým sú výsledky merania získané. |
| 7. Kontrola bezpečnej funkcie |
| 7.1 Pri skúške typu streliva a pri inšpekcii sa kontrola bezpečnej funkcie vykoná pomocou etalónovej hlavne alebo strelnej zbrane, kde sú rozmery nábojovej komory v súlade s rozmermi ustanovenými tabuľkami stálej komisie. Pri kontrole bezpečnej funkcie nábojov pre strelnú zbraň s hladkým vývrtom hlavne sa použije strelná zbraň, ktorá má najväčšie rozmery nábojovej komory a uzamykacej vôle. |
| 7.2 Pri výrobnej kontrole sa vykoná kontrola bezpečnej funkcie strelnou zbraňou s vhodnými rozmermi, ktorá je kusovo overená autorizovanou osobou, ktorej rozmery tejto strelnej zbrane sa zaznamenajú. Pri kontrole bezpečnej funkcie nábojov pre strelnú zbraň s hladkým vývrtom hlavne sa použije strelná zbraň, ktorá má najväčšie rozmery nábojovej komory a uzamykacej vôle. |
| 7.3 Pri skúške typu streliva, inšpekcii alebo výrobnej kontrole sa pri nábojkách pre expanznú akustickú strelnú zbraň použije tlakomerná hlaveň. |
| 7.4 Odoberanie vzoriek sa vykoná podľa bodov 2 a 3. |
| 7.5 Kritickou chybou je |
| a) únik plynov smerom dozadu k záveru, |
| b) uviaznutie strely alebo jej zlomkov v hlavni, |
| c) pretrhnutie nábojnice, ktorá ostane čiastočne alebo úplne v hlavni, |
| d) vytiahnutie plášťa nábojnice z kovania, |
| e) prasknutie kovania, |
| f) pri nábojkách pre expanznú akustickú strelnú zbraň výmet fragmentov alebo častíc nábojnice, prachu, výplne, ktoré prerazia list papiera formátu A2 s hmotnosťou od 100 g/m2 do 115 g/m2 a hrúbkou 0,12 mm (± 0,02 mm) upevnený na podstavci, ktorý je umiestnený vo vzdialenosti 1,50 m od ústia tlakomernej hlavne. |
| 7.6 Ak séria streliva nie je vhodná, vráti sa na revíziu a povolí sa jej predloženie k neskoršiemu dátumu. |
| |
| Príloha č. 6 k vyhláške č. 72/2019 Z. z. |
| METÓDY MERANIA |
| 1. Metóda merania deformácie pri heterogénnych brokoch |
| 1.1 Na broku sa vykoná skúška jeho rozdrvením tak, že sa naň spustí kovová guľka z ocele s hmotnosťou 500 g (± 1 g) z výšky 500 mm (± 2 mm), čo je vzdialenosť medzi základňou guľky a základňou kovového tĺka nad brokom. |
| 1.2 Zariadenie tvorí kovový podstavec, na ktorom je uložený brok, šibenička na uchytenie 500 g guľky, cylindrický kovový tĺk a mechanizmus na magnetické uvoľnenie guľky; tvrdosť guľky, podstavca a tĺka je 60 HRC (± 5 HRC). |
| 1.3 Priemer broku sa zmeria pred skúškou a po nej a deformácia sa vypočíta percentuálne podľa zmeny priemeru: |
| 
|
| 1.4 Meranie sa vykoná na 1 ks broku, pričom sa z každej šarže skúša vzorka 10 ks brokov, zmeria sa deformácia a zaznamená sa vzhľad broku po rozdrvení, prítomnosť trhlín a fragmentácia. |
| 1.5 Po meraní sa vypočíta aritmetický priemer z deformácie 10 ks brokov a porovná sa s aritmetickým priemerom olovených a oceľových brokov rovnakého priemeru. |
| 1.6 Klasifikáciu brokov možno určiť v závislosti od deformácie na |
| a) Typ C s deformáciou ≤ 45 %, |
| b) Typ D s deformáciou > 45 %. |
| 2. Metóda merania tvrdosti jadra pri homogénnych brokoch |
| 2.1 Meranie tvrdosti jadra sa vykoná v jadre broku, ktorý je opracovaný tak, že sa na vykonanie skúšky získa pologuľa s hladkým a rovným povrchom, pričom sa z každej šarže skúša vzorka 10 ks brokov a skúšanie sa vykoná jednotlivo. |
| 2.2 Tvrdosť sa meria Vickersovou skúškou tvrdosti jadra so skúšobnou záťažou F určenou na 9,807 N. |
| 2.3 Po meraní sa vypočíta aritmetický priemer tvrdosti (HV 1) zo vzorky 10 ks brokov, pričom musí byť HV 1 ≤ 110 so žiadnou individuálnou hodnotou HV 1 >125. |
| 2.4 Klasifikáciu brokov možno určiť v závislosti od priemernej nameranej hodnoty na |
| a) Typ A: HV 1 ≤ 40, |
| b) Typ B: HV 1 > 40. |
| 3. Metódy merania tlaku plynov |
| 3.1 Základná metóda merania tlaku plynov |
| 3.1.1 Pre základnú metódu merania tlaku plynov sa kontroluje, či |
| a) mechanicko-elektrický snímač s čelným tesnením je umiestnený v montážnom otvore podľa obrázku č. 8, |
| b) náboj s okrajovým zápalom má nábojnicu navŕtanú alebo vyfrézovanú v priestore prachovej náplne okrem kalibrov uvedených v tabuľkách stálej komisie. |
| 3.1.2 Pre náboj na priemyselné použitie uvedený v tabuľkách stálej komisie sa tlak plynov meria pri ústí nábojnice bez jej vŕtania alebo frézovania. |
| 3.1.3 Hodnoty PTmax uvedené v tabuľkách stálej komisie sa vzťahujú na základnú metódu. |
| 3.1.4 Použitie ďalších metód, najmä metódy s tangenciálnym alebo konformálnym snímačom bez vŕtania nábojnice, je prípustné, ak korelácia so základnou metódou je známa a zvládnutá. Definovanie korelácie vykonáva autorizovaná osoba. Pri rozpore sa postupuje podľa základnej metódy merania tlaku plynov. |
| 3.2 Meranie tlaku pre náboje so stredovým zápalom určené do strelnej zbrane s hladkým vývrtom hlavne |
| 3.2.1 Vnútorné rozmery hlavne a nábojovej komory zodpovedajú najmenším rozmerom, ktoré sú schválené a uvedené v tabuľkách stálej komisie: |
| a) dFC = 2,5 mm + 0,1 mm, |
| b) h = 2,5 mm + 0,25 mm, |
| c) dFD (vývrt) = 3,0 mm + 0,1 mm. |
| 3.2.2 Prípustné sú tolerancie pre |
| a) priemer vývrtu hlavne B + 0,10 mm, |
| b) priemer zahĺbenia G + 0,05 mm, |
| c) priemery nábojovej komory D a H + 0,05 mm, |
| d) hĺbku zahĺbenia T + 0,05 mm, |
| e) dĺžku nábojovej komory L + 2,00 mm, |
| f) uhol pripojovacieho kužeľa α 1 = 10°30’÷ -30’, |
| g) uzamykaciu vôľu tak, že nesmie presiahnuť 0,10 mm, |
| h) dĺžku tlakomernej hlavne: Lc = 700 mm (± 10 mm) (valcová hlaveň bez zahrdlenia). |
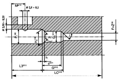
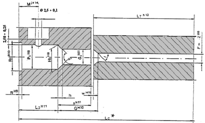
| 3.2.3 Vzdialenosť medzi osami meracích vývrtov hlavne a čelom záveru je uvedená na obrázku č. 1 s parametrami: |
| a) 25 mm ≤ M1 ≤ 30 mm pri kalibroch 24 a väčších, |
| b) M1 = 17 mm + 1 mm pri kalibroch menších ako 24, |
| c) M1 = 12,5 mm – 0,5 mm pri kalibroch 32-50,7, 410-50,7, 8 mm a 9 mm, |
| d) M2 = 162 mm (± 0,5 mm). |
| Obrázok č. 1 |
| 
|
| 3.2.4 Ak sa vyžaduje meranie tlaku vo vzdialenosti M2 od čela uzáveru, tak sa uskutočňuje nepriamo. Na tento účel sa zaznamenáva prechod zadnej časti upchávky naprieč časťou nachádzajúcou sa vo vzdialenosti M2 od čela záveru a meria sa tlak, ktorý je v určenom momente vo vzdialenosti M1 od čela záveru. Zaznamenanie prechodu zadnej časti upchávky sa uskutočňuje mechanicko-elektrickým snímačom alebo iným vhodným snímačom, fotodiódou umiestenou za kremenným oknom. |
| 3.3 Meranie tlaku pre náboje so stredovým zápalom určené do strelnej zbrane s drážkovaným vývrtom hlavne |
| 3.3.1 Vnútorné rozmery hlavne a nábojovej komory zodpovedajú najmenším rozmerom, ktoré sú schválené a uvedené v tabuľkách stálej komisie: |
| a) dFC: 2,5 mm + 0,1 mm, |
| b) h: 2,5 mm + 0,25 mm, |
| c) dFD (vývrt): 2,0 mm + 0,1 mm. |
| 3.3.2 Miesto odberu M uvedené v tabuľkách stálej komisie |
| 3.3.2.1 Miesto odberu M je umiestnené vo vzdialenosti 25 mm od čela záveru, ak je dĺžka nábojnice väčšia ako 40 mm a 17,5 mm od čela záveru, ak je dĺžka nábojnice od 30 mm do 40 mm vrátane hraničných hodnôt. |
| 3.3.2.2 Ak je dĺžka nábojnice kratšia ako 30 mm, meranie tlaku sa vykoná medzi 7,5 mm a 3/4 dĺžky nábojnice. Miesto odberu M sa určí individuálne pre každý kaliber uvedený v tabuľkách stálej komisie. |
| 3.3.3 Prípustné sú tolerancie pre |
| | a) priemer medzi poľami drážok F | +0,02 mm, | | b) priemer na spodnej časti drážok Z | +0,03 mm, | | c) priemery P1 a G1 | +0,03 mm, | | d) priemery P2 a H2 | +0,02 mm, | | e) dĺžku nábojovej komory | L3 +0,1 mm, | | f) náklon i | -5/60 i (pre i ≥12’), -1’ (pre i < 12’), | | g) miesto merania M | ±0,1 mm, | | h) uzamykacia vôľa nesmie presiahnuť 0,10 mm. |
|
| 3.3.4 Prípustné sú dĺžky tlakomerných hlavní pre náboje |
| | a) s okrajovým zápalom | Lc = 600 mm (± 10 mm), | | b) s nákružkom | Lc = 600 mm (± 10 mm), | | c) s dnom Magnum | Lc = 650 mm (± 10 mm), | | d) do pištole a revolveru | Lc = 150 mm (± 10 mm). |
|
| 3.4 Meranie tlaku pre náboje s brokmi |
| 3.4.1 Vnútorné rozmery hlavne a nábojovej komory zodpovedajú najmenším rozmerom schváleným a ustanoveným tabuľkami stálej komisie |
| a) dFC: 2,5 mm + 0,1 mm, |
| b) h: 2,5 mm + 0,25 mm, |
| c) dFD (vývrt): 2,0 mm + 0,1 mm. |
| 3.4.2 Hlaveň s tĺkom na meranie tlaku pre náboje s brokmi a ďalšie hodnoty sú uvedené na obrázku č. 2 a v tabuľke č. 7. |
| Obrázok č. 2 |
| 
|
| Tabuľka č. 7 |
| | Poradie | Kaliber | M/Tol. | js 14 | Lc/Tol. | h 13 | | 1. | 35 GR | 8,50 | 62 | | 2. | 35 R GR | 8,50 | 62 | | 3. | 8 mm GR | 7,00 | 62 | | 4. | 380 GR/9 mm R GR | 8,50 | 62 | | 5. | 44 mag. GR | 8,50 | 62 | | 6. | 45 L GR | 8,50 | 62 | | 7. | 6,3/16 N.C. GR | 7,00 | 62 |
|
| Vysvetlivky: |
| M = miesto odberu tlaku. |
| Lc = celková dĺžka tlakomernej hlavne. |
| 3.5 Meranie tlaku pre náboje na priemyselné účely |
| a) Vnútorné rozmery hlavne a nábojovej komory zodpovedajú najmenším rozmerom schváleným a ustanoveným tabuľkami stálej komisie dFC: 3,0 mm + 0,1 mm, |
| b) h: 2,75 mm + 0,25 mm. |
| 3.5.1 Tlak plynov sa sníma v tlakomernej hlavni s tĺkom na dne nábojnice bez vŕtania alebo frézovania nábojnice pre |
| a) kaliber: 16 mm (F7), |
| b) dĺžka: 200 mm (± 1 mm) (od konca nábojovej komory), |
| c) miesto odberu tlaku plynov: 1,5 mm (od konca nábojovej komory), |
| d) tĺk: |
| 1d. priemer: 16 mm (h7), |
| 2d. hmotnosť: Mp = 80 g (± 1 g), |
| 3d. materiál: mosadz (od 58 % do 70 % medi – Cu) alebo stredne tvrdá oceľ (R = 55 až 65 dekanewton/mm²), |
| 4d. prídavný objem: Va = 0,04 cm3 až 0,80 cm3, |
| 5d. dĺžka: úmerná hmotnosti, |
| e) nábojová komora tlakomernej hlavne, ktorej rozmery sú uvedené v tabuľkách stálej komisie. |
| 3.5.2 Prípustné sú tolerancie pre |
| a) priemery P1 a H2 + 0,03 mm |
| b) priemer R1 + 0,05 mm |
| c) zahĺbenie R + 0,05 mm |
| d) dĺžku nábojovej komory L3 + 0,10 mm. |
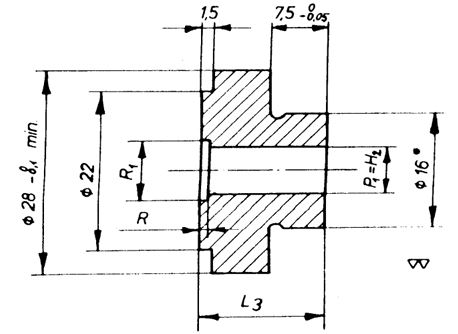
| 3.5.3 Tlakomerná hlaveň s tĺkom a nosič nábojky sú uvedené na obrázku č. 3 a v tabuľke č. 8. |
| Obrázok č. 3 |
| 
|
| Materiál: č. 1.7225 (42 Cr Mo 4) alebo ekvivalentný (R = 1 000 MPa) |
| Skúšobná hlaveň s tĺkom |
| Obrázok č. 3a |
| 
|
| Vysvetlivky: |
| Nosič náboja |
| | Materiál | č. 1.7707 (30 Cr Mo V9),
č. 1.6580 (30 Cr Ni Mo 8) alebo
ekvivalentný (R = 1 300 MPa). |
|
| Tabuľka č. 8 |
| | Kaliber | 5,6/16 | 6,3/10 | 6,3/12 | 6,3/14 | 6,3/16 | 6,8/11 | 6,8/18 | 9/17 | 10 x 18 | | L3 | 16,33 | 11,0 | 13,0 | 15,0 | 17,0 | 12,0 | 19,0 | 18,5 | 19,0 | | P1=H2 | Ø 5,76 | Ø 6,35 | Ø 6,35 | Ø 6,35 | Ø 6,35 | Ø 6,90 | Ø 6,90 | Ø 9,60 | Ø10,05 | | R1 | Ø 7,30 | Ø 7,70 | Ø 7,70 | Ø 7,70 | Ø 7,70 | Ø 8,55 | Ø 8,55 | Ø11,20 | Ø10,95 | | R | 1,10 | 1,25 | 1,25 | 1,25 | 1,25 | 1,45 | 1,45 | 1,30 | 1,15 |
|
| Vysvetlivky: Priemer Ø sa prispôsobí pri umiestnení v hlavni. |
| 3.5.4 Tlakomerná hlaveň s tĺkom a tĺk sú uvedené na obrázku č. 4 a v tabuľke č. 9. |
| Obrázok č. 4 |
| 
|
| Tabuľka č. 9 |
| | Va [cm3] | T [mm] | | 0,04 | 0,25+0,01 | | 0,08 | 0,50+0,01 | | 0,16 | 1,00+0,02 | | 0,25 | 1,56+0,02 | | 0,40 | 2,50+0,05 | | 0,60 | 3,70+0,05 | | 0,80 | 5,00+0,05 | | Σ = 1,10 | 6,88+0,05 |
|
| 3.5.5 Poloha štrbiny kríža na tĺku k osi meracieho kanálika snímača je zobrazená na obrázku č. 5. |
| Obrázok č. 5 |
| 
|
| Vysvetlivky: Poloha krížového vybrania (rez B-B) a poloha úderníka (pohľad A-A). Poloha vybrania v tvare kríža na tĺku musí byť v osi kanála snímača. Pri nábojkách s okrajovým zápalom musí dôjsť k iniciácii na dne nábojky. |
| 3.6 Meranie tlaku pre akustické nábojky |
| 3.6.1 Vnútorné rozmery hlavne a nábojovej komory strelnej zbrane zodpovedajú najmenším rozmerom schváleným a ustanoveným tabuľkami stálej komisie: |
| a) dFC: 2,5 mm + 0,1 mm, |
| b) h: 2,50 mm + 0,25 mm, |
| c) dFD (vývrt): 2,0 mm + 0,1 mm. |
| 3.6.2 Tlakomerná hlaveň pre nábojky do akustických revolverov a špecifické hodnoty sú uvedené na obrázku č. 6 a v tabuľke č. 10. |
| Obrázok č. 6 |
| 
|
| Tabuľka č. 10 |
| 
|
| Vysvetlivky: |
| M = miesto odberu tlaku, |
| Lc = celková dĺžka tlakomernej hlavne, |
| LT = dĺžka vodiacej časti hlavne, |
| * = informatívny údaj. |
| 3.6.3 Tlakomerná hlaveň pre akustické nábojky do pištolí a špecifické hodnoty sú uvedené na obrázku č. 7. |
| Obrázok č. 7 |
| 
|
| Tabuľka č. 11 |
| | Poradie | Kaliber | M/Tol. | ˃ js 14 | Lc/Tol. | ˃ h 13 | | 1. | 10 TK | 8,50 | 62 | | 2. | 10 × 31 | 10,50 | 150 | | 3. | 22 Long Blanc | 7,00 | 60 | | 4. | 315 blanc | 7,00 | 60 | | 5. | 8 mm blanc | 7,00 | 60 | | 6. | 35 blanc | 8,50 | 62 | | 7. | 35 R blanc | 8,50 | 62 | | 8. | 9 mm PA blanc | 8,50 | 62 | | 9. | 57 TK | 25,00 | 150 |
|
| Vysvetlivky: |
| M = miesto odberu tlaku. |
| Lc= celková dĺžka tlakomernej hlavne. |
| 3.7 Meranie tlaku pre nábojky s nábojnicou určené pre priemyselný expanzný prístroj |
| 3.7.1 Meranie tlaku sa vykonáva v tlakomernej hlavni s tĺkom s mechanicko-elektrickým snímačom za splnenia podmienok: |
| a) rozsah merania: do 7 000 bar, |
| b) miesto odberu tlaku: Ø ≤ 6 mm, |
| c) vzorkovacia frekvencia: ≥ l00 kHz, |
| d) linearita: ≤ l % (konečnej hodnoty), |
| e) elektronický filter: ~ 20 kHz (- 3 dB), Besselova charakteristika n = 2 (12 dB/oktáva). |
| 3.7.2 Maximálny tlak plynu P je násobkom účinného spaľovacieho objemom V a špecifického objemu výmetnej náplne a |
| 𝑃 =𝑎×𝑉𝑏 |
| 3.7.3 Účinný spaľovací objem V sa vypočíta podľa vzorca: |
| 𝑉 =𝑉ℎ+ +𝑉𝑎 |
| kde Va je prídavný objem medzi nábojovou komorou a tĺkom, |
| Vh+ je redukovaný voľný spaľovací objem nábojovej komory a vypočíta sa podľa vzorca: |
| 𝑉ℎ+ = 𝑉ℎ +𝛼×𝑀𝑐 |
| kde Mc je hmotnosť výmetnej náplne a zápalkovej zlože, |
| je špecifický objem výmetnej náplne.
|
| 3.7.4 Voľný spaľovací objem nábojovej komory Vh sa vypočíta podľa vzorca: |
| 𝑉ℎ = 𝑉𝐸𝑇 −𝑉𝑚 |
| kde Vm je objem materiálu nábojnice, bez zápalky pri nábojkách s okrajovým zápalom, so zápalkou pri nábojkách so stredovým zápalom, |
| VET je objem najväčšej nábojovej komory určený tabuľkami stálej komisie. |
| 
|
| 3.7.4.1 Voľný spaľovací objem sa zisťuje meraním objemu kvapaliny, ak možno bez povrchového napätia, ktorá vyplní nábojnicu po streľbe zuhoľnateľnými zvyškami prachu. |
| 3.7.5 Zo vzorca pre spaľovanie: 𝑝 = 𝑎 x (𝑉ℎ+ +𝑉𝑎)𝑏, vyjadreného v tvare ln𝑎 + 𝑏×ln(𝑉ℎ+ +𝑉𝑎), ak je daná nábojka pre daný objem 𝑉ℎ+, vyplýva lineárny vzťah medzi prídavným objemom 𝑉𝑎 a tlakom plynov P. |
| 3.7.6 S ohľadom na meranie tlakov plynov P v tlakomernej hlavni s rôznymi prídavnými objemami a s rovnakým počtom nábojok pre každý prídavný objem, kde n je celkové množstvo nábojok, možno vypočítať koeficienty b a ln a lineárnej regresie podľa vzorca: |
| 
|
| 3.7.7 Koeficient lineárnej regresie sa vypočíta podľa vzorca: |
| 
|
| 3.7.8 Koeficient r spĺňa, že r2 ≥ 0,95. Smerodajná odchýlka regresnej priamky sa vypočíta podľa vzorca: |
| 
|
| 3.7.9 Smerodajná odchýlka určenej strednej hodnoty ln (= ) v závislosti od ln V(= X) sa vypočíta podľa vzorca: |
| 
|
| 3.7.10 Vzťah medzi tlakom PM a prídavným objemom Va je definovaný funkciou: |
| ln𝑃𝑀=ln 𝑎 + 𝑏 × ln (𝑉ℎ++𝑉𝑎) |
| to znamená exponenciálnu funkciu |
| 𝑃𝑀=𝑎 × (𝑉ℎ++ 𝑉𝑎)𝑏 |
| kde horná medza jednostranného konfidenčného intervalu je pre strednú hodnotu PM v závislosti od Va definovaná pri celkovom počte n vzoriek lineárnou funkciou: |
| 
|
| kde pre konfidenčnú úroveň 100 (l – α) % alebo tiež exponenciálnou funkciou: |
| 
|
| kde 𝑡 x (1 − 𝛼);(𝑛 − 2) je definované funkciou t, ktorú možno vyhľadať v tabuľke č. 12: |
| Tabuľka č. 12 |
| γ
n−2 | to, 95, γ | γ
n−2 | to, 95, γ | γ
n−2 | to, 95, γ | | 10 | 1,81 | 20 | 1,73 | 30 | 1,70 | | 12 | 1,78 | 22 | 1,72 | 40 | 1,68 | | 14 | 1,76 | 24 | 1,71 | 50 | 1,68 | | 16 | 1,75 | 26 | 1,71 | 60 | 1,67 | | 18 | 1,73 | 28 | 1,70 | 70 | 1,677 |
|
| kde 95 % je pravdepodobnosť, |
| y je stupeň voľnosti, |
| n je počet meraní. |
| 3.7.11 Týmto spôsobom vypočítaný tlak plynov PM+ sa pre každý prídavný objem Va považuje za maximálny tlak plynov. |
| 3.7.12 Merania tlakov sa vykonajú s rovnakým počtom nábojok, aspoň s piatimi pri každom z týchto prídavných objemov Va: 0,08 - 0,16 - 0,25 - 0,40 a 0,80 cm3 pri nábojkách s okrajovým zápalom; pri nábojkách so stredným zápalom sa objem Va = 0,80 cm3 nahradí objemom Va = 1,10 cm3. |
| 3.7.13 Pri nábojkách s okrajovým zápalom musí byť maximálny tlak plynov PM+ vypočítaný s prídavnými objemami Va = 0,16 cm3 a 0,8 cm3 pomocou regresie. |
| 3.7.14 Pri nábojkách so stredovým zápalom musí byť maximálny tlak plynov PM+ vypočítaný s prídavným objemom Va = 0,4 cm3 pomocou regresie. |
| 3.7.15 Konfidenčná úroveň 100. (l – α) je určená na 95 %. |
| 3.7.16 Najväčší tlak z maximálnych tlakov plynov PM (Va) sa považuje pre každý z uvedených prídavných objemov za maximálny prípustný tlak plynov Pmax (Va) pre príslušný typ nábojky. |
| 3.8 Meranie tlaku pre náboje s okrajovým zápalom |
| 3.8.1 Meranie tlaku plynov mechanicko-elektrickým snímačom možno len pri kalibroch, ktoré sú |
| a) dFC: 2,0 mm + 0,1 mm, |
| b) h: 2,0 mm (± 0,1 mm), |
| c) dFD (frézovanie): 2,0 mm + 0,1 mm, |
| d) hĺbka frézovania: 0,15 mm. |
| 3.8.2 Pre vnútorné rozmery tlakomerných hlavní sú prípustné tolerancie pre |
| a) náboje s okrajovým zápalom do strelnej zbrane s hladkým vývrtom hlavne |
| | F=Z | L3 | P1 | P2 | H2 | G1 | i | | +0,03 | +0,10 | +0,05 | +0,05 | +0,05 | +0,03 | −5/60 i (max −1°) |
|
| b) náboje s okrajovým zápalom do strelnej zbrane s drážkovaným vývrtom hlavne |
| | F | Z | L3 | P1 | H2 | R | R1 | i | | +0,02 | +0,02 | +0,10 | +0,03 | +0,02 | +0,03 | +0,05 | ±0°20' |
|
| 3.8.3 Prípustná hodnota uzamykacej vôle nesmie presiahnuť 0,10 mm, dĺžka tlakomernej hlavne je Lc = 600 mm (± 10 mm) a miesto odberu tlaku M je určené jednotlivo pre každý kaliber v súlade s tabuľkami stálej komisie. |
| 3.9 Meranie tlaku plynov pri skúšobnej streľbe |
| 3.9.1 Meranie tlaku plynov sa vykoná horizontálne umiestnenou tlakomernou hlavňou. |
| 3.9.2 Skúšobný náboj treba uložiť vertikálne na výsypnú doštičku, pričom dno náboja smeruje nadol. |
| 3.9.3 Z výsypnej doštičky sa odoberie jeden náboj tak, že je strelný prach na strane zápalky a vloží sa do nábojovej komory tlakomernej hlavne, ktorá sa pomaly nakláňa do požadovanej polohy, strelný prach zostane na strane zápalky a otvor vyvŕtaný v nábojnici je sústredný a súosový s prechodovým kanálikom tlakomernej hlavne. |
| 3.9.4 Po každej novej montáži snímača tlaku a pred každou sériou meraní tlaku sa vystrelí aspoň jeden zahrievací výstrel. Pri porovnávacích skúškach sa do knihy záznamov o meraniach v časti poznámky zapíše hodnota tlaku zaznamenaná pri zahrievacom výstrele. |
| 3.9.5 Po každej sérii meraní treba tlakový snímač vymontovať a skontrolovať jeho technický stav. Pred každým novým meraním treba preveriť, či sú splnené bezpečnostné opatrenia. |
| 3.10 Tlakomerný blok a zapaľovací mechanizmus |
| 3.10.1 Nový tlakomerný blok alebo nová tlakomerná hlaveň musí mať nábojovú komoru tlakomernej hlavne, do ktorej sa zmestí celý náboj. |
| 3.10.2 Zapaľovací mechanizmus musí zaručiť silný, regulárny a účinný výstrel. |
| 3.10.3 Tvrdosť hrotu úderníka musí byť najmenej 50 HRC a jeho výstupok má dĺžku od 0,9 do 1,5 mm. |
| 3.10.4 Úderník dodáva dostatok energie, ak jeho hemisférický hrot s priemerom od 1,8 mm do 2,2 mm prenikne do valcovitého medeného crusheru s rozmermi 5 x 7 mm a tvrdosťou HV od 5 do 50 najmenej do hĺbky 0,50 mm. Pri tejto skúške je potrebný valcovitý medený crusher vložiť do prázdnej oceľovej nábojnice, ktorá sa vloží do zodpovedajúcej nábojovej komory tlakomernej hlavne. |
| 3.11 Snímač tlaku a príslušenstvo |
| 3.11.1 Povoleným snímačom tlaku sú všetky typy mechanicko-elektrických snímačov tlaku s čelným tesnením umiestnené v odberovom mieste, ak spĺňajú podmienky: |
| a) najmenšia citlivosť 1,0 pC/bar, |
| b) rozsah merania je od 0 do 1,2-násobku rozsahu očakávaného tlaku, |
| c) kalibračný rozsah je od 100 bar do 1,2-násobku rozsahu očakávaného maximálneho tlaku plynov, |
| d) vlastná frekvencia ≥ 100 kHz, |
| e) odchýlka od linearity v celom rozsahu merania ≤ ±1% konečnej hodnoty, |
| f) citlivosť musí byť zvolená ako funkcia očakávaného maximálneho tlaku. |
| 3.12 Ochrana povrchu prenosu tlaku |
| 3.12.1 Na zamedzenie alebo zníženie prestupu tepla na membránu snímača a na povrch prenosu tlaku je potrebné použiť tepelno-izolačný materiál podľa pokynov výrobcu snímača. Mechanická ochrana podľa pokynov výrobcu je povinná a merací kanálik musí zostať bez mastnoty. |
| 3.13 Zosilňovač náboja |
| 3.13.1 Zosilňovač náboja musí spĺňať podmienky: |
| a) šírku prenosového pásma (–3 dB): ≥ 100 kHz, |
| b) odchýlku od linearity ≤ 0,1 % konečnej hodnoty, |
| c) odchýlka ≤ 0,05 pC/s pri 25 °C (± 1 °C) a ˂ 60 % HR. |
| 3.14 Elektrický filter |
| 3.14.1 Používa sa dolnopriepustný filter druhého radu (–12 dB/oktáva), Bessel alebo Butterworth s medzným kmitočtom 20/22 kHz (–3 dB), ktorý možno zabudovať do zosilňovača náboja, vhodného indikátora alebo softwaru. Vhodným indikátorom je zapisovač rýchlych dejov s číselnou indikáciou maximálneho jednotlivého tlaku (Pi) a grafická prezentácia priebehu tlaku: |
| a) šírka prenosového pásma (–3 dB): ≥ 100 kHz, |
| b) vzorkovacia frekvencia: ≥ 200 kHz, |
| c) rozlíšenie: ≥ 12 bit, |
| d) doba záznamu: > 4 ms. |
| 3.15 Tlakomerné hlavne |
| 3.15.1 Požiadavky kladené na tlakomerné hlavne sú, že |
| a) tlakomerné hlavne musia mať rozmery a miesto odberu tlaku v súlade s rozmermi tlakomerných hlavní podľa tabuliek stálej komisie, |
| b) kontrolu rozmerov tlakomerných hlavní treba vykonávať s takými meracími zariadeniami, ktoré zaručia ich súlad, |
| c) vývrt hlavne pre snímač tlaku musí byť umiestnený v mieste merania tak, ako je ustanovené touto vyhláškou pre daný kaliber; na dosiahnutie najväčšej presnosti a opakovateľnosti výsledkov merania, je potrebné tento vývrt hlavne urobiť s najväčšou pozornosťou, pričom rozmery a tolerancie vývrtu určuje výrobca mechanicko-elektrických snímačov. |
| 3.15.2 Základná schéma umiestnenia tlakomerného snímača je znázornená na obrázku č. 8: |
| Obrázok č. 8 |
| 
|
| Vysvetlivky: |
| dFC = priemer meracieho kanálika tlakomernej hlavne, |
| h = dĺžka meracieho kanálika tlakomernej hlavne, |
| dFD = priemer vývrtu alebo frézovania nábojnice. |
| 3.16 Príprava snímača tlaku a nábojov |
| 3.16.1 Montáž a použitie snímačov sa uskutočňuje podľa pokynov výrobcu. Používaný snímač určený na meranie tlaku je kalibrovaný.4) Na tento účel možno využiť interný výmenný systém kalibračných etalónov stálej komisie, alebo ich možno dať overiť na iných kalibračných zariadeniach v akreditovanom5) kalibračnom laboratóriu.6) Rovnako sa postupuje aj pri ostatných zariadeniach. |
| 3.16.2 Overí sa |
| a) montáž upínacieho článku podľa pokynov výrobcu, |
| b) či je konektor medzi snímačom tlaku a pripojovacím káblom čistý, bez mastnoty a suchý a |
| c) či zvolená citlivosť (pC/bar alebo pC/MPa) zodpovedá očakávanému rozsahu tlaku. |
| 3.16.3 Vývrt mechanicko-elektrického snímača musí byť na mieste merania pre daný kaliber. S cieľom dosiahnuť najväčšiu presnosť a opakovateľnosť výsledkov merania, treba vývrt urobiť mimoriadne pozorne. Rozmery a tolerancie vývrtu určuje výrobca mechanicko-elektrických snímačov. |
| 3.16.4 Ak je to určené, musia byť všetky náboje z rovnakej série pred streľbou navŕtané alebo vyfrézované. S použitím vhodného zariadenia sa treba presvedčiť, že navŕtaný otvor alebo frézovanie v nábojnici sa nachádza v určenej a koncentrickej vzdialenosti vzhľadom na kanálik odberu tlaku v tlakomernej hlavni. Na zabránenie úniku plynov sa po vŕtaní overí, či nábojnica nie je zdeformovaná a vo vyvŕtanom otvore sa nenachádzajú kovové piliny. Na zabránenie straty strelného prachu alebo úniku plynov, treba otvor vyvŕtaný v nábojnici utesniť špeciálnou polyimidovou lepiacou páskou odolnou voči teplu alebo vysokovákuovým tukom. Ak je predpísané vŕtanie, |
| a) rýchlosť sa musí merať bez vŕtania nábojnice a s rovnakou tlakomernou hlavňou, aká sa použije pri meraní tlaku, |
| b) utesnenie nábojnice sa vykoná tak, že rozdiel medzi priemernými rýchlosťami meranými na sériách rovnakej veľkosti s vŕtanou a nevŕtanou nábojnicou je 1,5 % alebo menší pre rýchlosti do 500 m/s a 1 % alebo menší pre väčšie rýchlosti. |
| 3.16.5 Sú prípustné aj iné metódy na optimalizáciu utesnenia nábojnice, ak je korelácia s opísanou metódou známa a zvládnutá. Pri rozpore sa postupuje podľa základnej metódy merania tlaku plynov. |
| 4. Meranie rýchlosti strely a kinetickej energie strely |
| 4.1 Meranie rýchlosti strely |
| 4.1.1 Spolu s meraním tlaku plynov sa meria rýchlosť vo vzdialenosti 2,5 m (± 5 cm) od ústia hlavne. |
| 4.1.2 Pri svetelných prekážkach je dĺžka základne najmenej 0,5 m a meracím bodom je stred základne. |
| 4.1.3 Celková neistota alebo chyba merania rýchlosti je ≤ 0,5 %. |
| 4.1.4 Hodnoty sa použijú pre výpočet kinetickej energie a hybnosti. |
| 4.1.5 Pri meraní rýchlosti nábojov do strelnej zbrane s hladkým vývrtom hlavne sa odporúča používať filter 2,5 kHz alebo 5,0 kHz pre spracovanie vstupných a koncových signálov. |
| 4.2 Meranie kinetickej energie strely |
| 4.2.1 Meranie kinetickej energie strely namiesto merania tlaku plynov sa vykonáva, ak |
| a) objem spaľovacej nábojovej komory je natoľko malý, že by umiestnenie tlakomera mohlo pozmeniť prirodzený vývoj tlaku, |
| b) zlož tvorí tiež výmetnú náplň, nárast tlaku je v tomto prípade rýchly a výsledný tlak meraný klasickými postupmi nie je významný, |
| c) je meranie tlaku náboja s nevsadeným projektilom, |
| d) nie je k dispozícii vhodný tlakomer pre meranie tlaku pri novom alebo málo používanom náboji. |
| 4.2.2 V tabuľkách stálej komisie sú tieto typy nábojov rozoznateľné podľa označenia ich energie na ústí vyjadrenej v jouloch namiesto vyznačenia maximálneho tlaku. |
| 4.2.3 Meranie kinetickej energie strely sa vypočíta podľa vzorca: |
| 4.2.4 Rýchlosť strely sa vypočíta meraním času, ktorý uplynie medzi tým, čo strela prejde dvoma bodmi svojej dráhy. |
| 4.2.5 Pri nábojoch s pevnou strelou sú rozmery skúšobných hlavní totožné s rozmermi tlakomerných hlavní. |
| 4.2.5.1 Dĺžka a stúpanie závitov týchto hlavní musia spĺňať hodnoty, ktoré sú ustanovené tabuľkami stálej komisie. |
| 4.2.5.2 Pri meraní kinetickej energie nábojníc s okrajovým zápalom sú rozmery etalónovej skúšobnej hlavne: |
| a) dĺžka hlavne LC je 200 mm (± 2 mm), |
| b) F: ± 0,02 mm, |
| c) Z: ± 0,03 mm, |
| d) stúpanie závitov u je 450 mm, |
| e) šírka závitov b je 1,25 mm (± 0,10 mm), |
| f) počet drážok N je 6. |
| 4.2.6 Pri nábojoch bez pevnej strely je hlaveň na meranie kinetickej energie slepého náboja uvedená na obrázku č. 9. |
| Obrázok č. 9: |
| 
|
| Vysvetlivky: |
| L3 = dĺžka nábojovej komory v H2, |
| LT = dĺžka hlavne s priemerom vývrtu hlavne F = Z, |
| Lc = dĺžka hlavne (L3 + LT). |
| 4.2.7 Náboje používané pri meraní kinetickej energie sú uvedené na obrázku č. 10. |
| Obrázok č. 10 |
| 
|
| Vysvetlivky: |
| materiál |
| oceľ (R = 550 MPa až 650 MPa) |
| mosadz (58 % až 70 % Cu) |
| hmotnosť = 4,0 g (± 0,04 g) |
| Dĺžka projektilu je uvedená ako orientačný údaj. Určuje sa vzhľadom na hmotnosť projektilu. |
| 4.2.8 Vyhodnotenie výsledkov merania kinetickej energie strely |
| 4.2.8.1 Pre olovené náboje so stredovým zápalom a pre strelnú zbraň s hladkým vývrtom hlavne platí, že |
| a) stredná hodnota tlaku spotrebného náboja musí byť rovná povolenej hodnote PTmax alebo menšia a nedosahuje žiadne hodnoty tlaku spotrebných nábojov väčšie o 15 % od hodnoty PTmax, ak horná hodnota limitu tolerancie v 95 % neprekračuje 1,15 PTmax so štatistickou istotou 95 %, platí nerovnosť: |
| 
|
| b) stredná hodnota tlaku skúšobného náboja musí byť najmenej o 25 % väčšia, ako je maximálny povolený tlak pre spotrebný náboj a platí nerovnosť, že v 90 % nie je spodná hodnota limitu tolerancie menšia ako 1,15 PTmax, s istotou 95 %: |
| 
|
| 1b. tlak skúšobného náboja nesmie prekročiť hodnotu tlaku určenú nerovnosťou: |
| 
|
| 4.2.8.2 Pre náboje so stredovým zápalom a strelnú zbraň s drážkovaným vývrtom hlavne |
| a) stredná hodnota tlaku spotrebného náboja musí byť rovná povolenej hodnote PTmax alebo menšia. Okrem toho, povinnosť nedosahovať žiadne hodnoty tlaku spotrebných nábojov väčšie o 15 % od hodnoty PTmax je dodržaná, ak horná hodnota limitu tolerancie v 99 % neprekročí 1,15 PTmax so štatistickou istotou 95 %, platí nerovnosť: |
| 
|
| b) stredná hodnota tlaku skúšobného náboja do pištolí a revolverov musí byť najmenej o 30 % väčšia, ako je maximálny povolený tlak pre spotrebný náboj, |
| c) stredná hodnota tlaku skúšobného náboja pre náboje do strelnej zbrane s drážkovaným vývrtom dlhej hlavne musí byť najmenej o 25 % väčšia ako je maximálny povolený tlak pre spotrebný náboj. |
| 4.2.8.2.1 Kinetická energia skúšobného streliva do strelnej zbrane s drážkovaným vývrtom dlhej hlavne musí byť rovná hodnote kinetickej energie uvedené v tabuľkách stálej komisie alebo väčšia. |
| 4.2.8.2.2 V 90 % nie je spodná hodnota limitu tolerancie menšia ako 1,15 PTmax so štatistickou istotou 95 %, preto platí nerovnosť: |
| 
|
| a) Tlak skúšobného náboja nemôže prekročiť hodnotu tlaku určenú nerovnosťou pre: |
| | 1a. pištoľ a revolver: |  | | 2a. dlhú strelnú zbraň s drážkovanou hlavňou: |  |
|
| 4.2.8.3 Pre náboje s okrajovým zápalom |
| a) stredná hodnota tlaku spotrebného náboja musí byť rovná povolenej hodnote PTmax alebo menšia. Okrem toho, požiadavka nedosahovať žiadne hodnoty tlaku spotrebných nábojov väčšie o 15 % od hodnoty PTmax je dodržaná, ak horná hodnota limitu tolerancie v 95% neprekračuje 1,15 PTmax so štatistickou istotou 95 %, platí nerovnosť: |
| 
|
| b) stredná hodnota tlaku skúšobného náboja musí byť najmenej o 30 % väčšia, ako je maximálny povolený tlak pre spotrebný náboj. Musí platiť nerovnosť, že v 90 % nie je spodná hodnota limitu tolerancie menšia ako 1,15 PTmax, s istotou 95 %: |
| 
|
| 1b. tlak skúšobného náboja nemôže prekročiť hodnotu tlaku určenú nerovnosťou: |
| 
|
| 4.2.8.4 Pre akustické náboje a náboje s brokmi |
| a) stredná hodnota tlaku spotrebného náboja musí byť rovná povolenej hodnote PTmax alebo menšia pre daný náboj. Tlak spotrebných nábojov nie je väčší o 15 % od hodnoty PTmax vtedy, ak horná hodnota limitu tolerancie v 90 % neprekračuje 1,15 PTmax so štatistickou istotou 95 %, platí nerovnosť: |
| 
|
| b) stredná hodnota tlaku skúšobného náboja musí byť najmenej o 30 % väčšia ako je maximálny povolený tlak pre spotrebný náboj. V 90% nesmie byť spodná hodnota limitu tolerancie menšia ako 1,15 PTmax, s istotou 95%, musí platiť nerovnosť: |
| 
|
| 1b. tlak skúšobného náboja nemôže prekročiť hodnotu tlaku určenú nerovnosťou: |
| 
|
| 4.2.8.5 Pre náboje pri ktorých sa vyžaduje meranie kinetickej energie namiesto merania tlaku plynov |
| a) stredná kinetická energia spotrebného náboja musí byť rovná povolenej hodnote Emax alebo menšia. Požiadavka nedosahovať jednotlivé hodnoty kinetickej energie spotrebných nábojov väčšie ako 1,07 Emax s uvedenou istotou je dodržaná, ak platí nerovnosť: |
| 
|
| b) stredná kinetická energia skúšobného náboja musí byť najmenej o 10 % väčšia ako najväčšia povolená stredná kinetická energia spotrebného náboja. Hodnota kinetickej energie náboja nemôže byť menšia ako 1,07 Emax s uvedenou istotou. Táto povinnosť je dodržaná, ak platí nerovnosť: |
| 
|
| 1b. tlak skúšobného náboja nemôže prekročiť hodnotu tlaku určenú nerovnosťou: |
| 
|
| 5. Zaznamenanie výsledkov merania |
| 5.1 Kniha záznamov o meraniach obsahuje najmenej |
| a) názov a adresu skúšobného laboratória, |
| b) meno, priezvisko alebo obchodné meno výrobcu, |
| c) poradové číslo záznamu o meraní, |
| d) dátum merania, |
| e) meno a priezvisko technika, |
| f) meno, priezvisko a podpis zodpovednej osoby, |
| g) technické charakteristiky náboja, |
| h) meteorologické podmienky: teplota, vlhkosť, |
| i) technické charakteristiky meracieho zariadenia, |
| j) jednotlivé tlaky a rýchlosti, |
| k) priemerné hodnoty a typové odchýlky tlaku plynov a rýchlostí, |
| l) štatistické vyhodnotenie meraní, |
| m) poznámky o anomáliách v podmienkach alebo vo výsledkoch meraní. |
| |
| Príloha č. 7 k vyhláške č. 72/2019 Z. z. |
| POSTUP KALIBRÁCIE |
| 1. Kalibrácia mechanicko-elektrických snímačov |
| 1.1 Kalibráciou sa určia základné merateľné vlastnosti mechanicko-elektrického snímača, ktorými sú najmä citlivosť mechanicko-elektrického snímača v celom meracom rozsahu, odchýlky od linearity, opakovateľnosť meraní a určenie ich zmeny počas životnosti mechanicko-elektrického snímača. |
| 1.1.1 O mechanicko-elektrickom snímači relatívneho tlaku sa vedú pravidelné záznamy najmä o počte vystrelených nábojov, maximálnom zaznamenanom tlaku nábojov a možnej poruchy. |
| 1.1.2 Kalibrácia mechanicko-elektrického snímača sa vykonáva |
| a) najmenej po každých 200 výstreloch počas prvých 600 výstrelov a neskôr po každých 500 výstreloch; frekvenciu kalibrácie treba prispôsobiť úrovni požadovanej neistoty, |
| b) ak sa zistí odchýlka väčšia ako 4 % pri stredných hodnotách získaných pri skúškach realizovaných za súčasného použitia viacerých mechanicko-elektrických snímačov rovnakého typu, |
| c) ak sa zistia iné odchýlky ako v písmene a) a b) alebo vady v priebehu streľby, ktorými je |
| 1c. rozptyl merania, |
| 2c. chýbajúce zobrazenie hodnôt, |
| 3c. únik plynov. |
| 1.2 Predbežný postup kalibrácie mechanicko-elektrických snímačov |
| 1.2.1 Na zistenie hodnoty prírastku nábojového zosilňovača sa pred každým kalibračným cyklom vykoná kalibrácia elektrických veličín za použitia referenčného zdroja napätia a referenčnej kapacity. Pred inštaláciou sa musí odmerať izolačný odpor snímača a káblov s použitím elektromeru (AVO meter). |
| 1.2.2 Ak je izolačný odpor Ri |
| a) ≥ 1 × 1012 Ω, možno vykonať kalibráciu snímača, |
| b) < 1 × 1012 Ω, konektor sa očistí freónom alebo éterom alebo sa snímač temperuje na teplotu ≥ 80 ºC; následne sa Ri opätovne skontroluje a ak napriek tomu je izolačný odpor menší ako 1 × 1012 Ω, tak je snímač nepoužiteľný. |
| 1.2.3 Na kalibračnom zariadení sa použijú tesnenia a adaptéry, ktoré odporúča a dodáva výrobca snímača. Je potrebné zamedziť vzniku vzduchových bublín v hydraulickom systéme kalibračného zariadenia, pričom je potrebné vyčistiť hydraulický systém a ubezpečiť sa, že olej je viditeľný v puzdre snímača. |
| 1.2.4 Pred kalibráciou sa mechanicko-elektrický snímač s pomocou kalibračného zariadenia nastaví na maximálny tlak očakávaný pri skúškach. |
| 2. Statická kalibrácia |
| 2.1 Pre statickú kalibráciu sú charakteristiky meracieho reťazca |
| a) referenčný tlak ± 0,01 % max, |
| b) kalibrovaný nábojový zosilňovač |
| 1b. linearita ≤ 0,1 % z koncovej hodnoty, |
| 2b. odchýlka ≤ 0,05 pC/s pri 25 °C (± 1 °C) a < 60 % RH, |
| 3b. chyba ≤ 0,5 % a |
| c) zariadenie na zber a vyhodnotenie dát ± 0,1 % max, |
| d) celková neistota merania ≤ ± 1 %. |
| 2.2 Kalibrácia mechanicko-elektrického snímača sa vykoná |
| a) využitím najmenej 100 bar pre tlak do 2 000 bar a najmenej 500 bar pre tlak, väčší ako 2000 bar, |
| b) do 1,1-násobku väčšieho tlaku ako je tlak skúšaného streliva, ktorý je uvedený v tabuľkách stálej komisie, |
| c) meraním tlaku najmenej v piatich bodoch z celkového počtu siedmych najmenej nameraných bodov. |
| 2.3 Meranie sa vykoná najmenej trikrát na každom meranom bode tak, že možno určiť strednú hodnotu výstupného náboja. |
| 2.4 Počas jedného cyklu sa vytvorí päť tlakových stavov v nadväznosti na zväčšujúce sa hodnoty tlaku, s návratom na atmosférický tlak medzi každým meracím bodom. |
| 2.5 Každé napätie, ktoré zodpovedá zostatkovému tlaku a prírastkom tlaku sa zaznamenáva z dôvodu určenia kalibračnej krivky, odchýlky od linearity, opakovateľnosti počas kalibrácie a citlivosti každého kalibrovaného snímača. |
| 2.6 Pre každý bod merania a kanál merania sa určí elektrický náboj Q ako rozdiel funkcie napätia V1 pri zaťažení a zvyškového napätia V0 odčítaného, keď hodnota tlaku je nula a zosilnenia nábojového zosilňovača G definovaného na začiatku kalibrácie, takto: |
| 𝑄 = (𝑉1 − 𝑉0) x 𝐺 |
| 3. Kontinuálna kalibrácia |
| 3.1 Tlak stúpa kontinuálne až na vopred určený maximálny tlak a následne je znížený na nulovú hodnotu atmosférického tlaku. Kontinuálne stúpanie tlaku sa generuje automaticky pomocou motora alebo ručne pomocou závitového tlakového generátora. Elektrický náboj generovaný referenčným snímačom sa priebežne zaznamená a tlak referenčného snímača sa vypočítava. Výsledný tlak je známy v každom bode kalibračnej krivky. |
| 3.2 Podľa kontinuálneho merania elektrického náboja kalibrovaného snímača a s použitím známeho tlaku získaného referenčným snímačom sa vypočíta citlivosť kalibrovaného snímača. |
| 3.3 Pre kontinuálnu kalibráciu sú charakteristiky meracieho reťazca |
| a) generátor kontinuálneho tlaku, pričom rozsah tlaku sa nachádza v skúšobnom rozsahu snímača, ktoré má hodnotu + 10 %, |
| b) referenčný snímač s certifikátom vydaným akreditovaným kalibračným laboratóriom, |
| 1b. rozsah tlaku prispôsobený maximálnemu rozsahu snímača v skúšobnom rozsahu, |
| 2b. linearita ≤ 0,3 % FSO, |
| 3b. vlastná frekvencia ≥ 1 kHz, |
| c) 2 ks nábojových zosilňovačov alebo kompletný merací reťazec s certifikátom vydaným akreditovaným kalibračným laboratóriom, |
| d) výstupné signály z referenčného snímača a kalibrovaného snímača sú zvyčajne privádzané a upravované v presných nábojových zosilňovačoch s parametrami |
| 1d. horná pásmová priepustnosť off/vypnuté, časová konštanta = dlhá, τ > 100 000 s, |
| 2d. dolná pásmová priepustnosť off/vypnuté, |
| 3d. rozsah kalibrovaný rozsah + cca 10 %, |
| 4d. citlivosť referenčného snímača, ktorá je uvedená v certifikáte vydanom akreditovaným kalibračným laboratóriom, |
| 5d. nominálna citlivosť skúšaného snímača je uvedená v technickej dokumentácii kalibrovaného snímača, |
| 6d. odchýlka ≤ 0,05 pC/s pri 25 °C (± 1 °C) a < 60 % RH. |
| e) systém pre zber a vyhodnocovanie dát pre analógové výstupné signály z nábojových zosilňovačov, ktoré sú zaznamenané systémom na zber a vyhodnocovanie dát. Celková neistota systému musí byť ≤ ± 0,1 %. |
| 3.4 Merací reťazec pre kalibráciu je zobrazený na obrázku č. 11. |
| Obrázok č. 11 |
| 
|
| 3.5 Kontinuálna kalibrácia mechanicko-elektrických snímačov tlakov a prístrojové vybavenie |
| 3.5.1 prístrojové vybavenie pre kontinuálnu kalibráciu mechanicko-elektrických snímačov pozostáva z tlakového zvažovacieho cyklu, ktorý musí mať polovičný sínus alebo generovaný profil. Generovaný profil musí nepretržite konštantne rásť. |
| 3.5.2 Vlastnosti tlakového zvažovacieho cyklu sú |
| a) približne 15 s do maximálneho tlaku, |
| b) najmenej dva predkalibračné cykly, |
| c) jeden kalibračný cykly. |
| 3.5.3 Presný mechanicko-elektrický referenčný snímač je kalibrovaný v akreditovanom kalibračnom laboratóriu. |
| 3.5.4 Nábojové zosilňovače a zariadenia na spracovanie signálu sú kalibrované v akreditovanom kalibračnom laboratóriu. Systém môže byť kalibrovaný pomocou generátora náboja s certifikátom vydaným akreditovaným kalibračným laboratóriom. |
| 3.5.5 Zber nameraných dát sa uskutočňuje analógovo - digitálnym prevodníkom so zodpovedajúcimi technickými parametrami. |
| 3.5.6 Spracovanie a vyhodnotenie nameraných dát pozostáva z |
| a) filtrovania a kvantifikácie nameraných dát, |
| b) výpočtu kalibračných parametrov, |
| c) kontroly výsledkov kalibrácie vo vzťahu k technickým špecifikáciám uvedeným v technickej dokumentácii kalibrovaného snímača, |
| d) zadokumentovania citlivosti a linearity pre daný kalibrovaný rozsah. |
| 4. Dynamická kalibrácia |
| 4.1 Dynamický tlak sa generuje pomocou meracej jednotky, do ktorej je zapojený referenčný snímač a kalibrovaný snímač. |
| 4.2 Elektrický náboj, tvorený referenčným snímačom sa permanentne zaznamenáva. A následne sa z tohto záznamu vypočíta tlak. Týmto spôsobom sa dá odčítať tlak v každom bode krivky. Podľa vypočítaného maximálneho tlaku, ktorý vyvoláva referenčný snímač sa určí citlivosť kalibrovaného snímača. |
| 4.3 Pre dynamickú kalibráciu platia charakteristiky meracieho reťazca |
| 4.3.1 generátor dynamického tlaku, pri ktorom rozsah tlaku je adekvátny najväčšej hodnote snímača v meracom rozsahu + 10 %, |
| 4.3.2 referenčný snímač s certifikátom vydaným akreditovaným kalibračným laboratóriom, pri ktorom |
| a) rozsah tlaku je adekvátny najväčšej hodnote snímača v skúšobnom rozsahu, |
| b) linearita ≤ 0,3 % FSO, |
| c) vlastná frekvencia ≥ 150 kHz. |
| 4.3.3 2 ks nábojových zosilňovačov alebo kompletný merací reťazec vždy s certifikátom vydaným akreditovaným kalibračným laboratóriom. |
| 4.4 Výstupné signály z referenčného snímača a kalibrovaného snímača sú privádzané a upravované v presných nábojových zosilňovačoch s najmenšími parametrami |
| a) horná pásmová priepustnosť: off/vypnuté, |
| b) dolná pásmová priepustnosť: off/vypnuté, |
| c) rozsah: kalibrovaný rozsah + cca 10 %, |
| d) citlivosť referenčného snímača je uvedená v certifikáte vydanom akreditovaným kalibračným laboratóriom, |
| e) citlivosť skúšaného snímača: nominálna citlivosť uvedená v technickej dokumentácii kalibrovaného snímača, |
| f) odchýlka ≤ 0,05 pC/s pri 25 °C (± 1 °C) a < 60 % RH. |
| 4.5 Systém pre zber a vyhodnocovanie dát pre analógové výstupné signály z nábojových zosilňovačov, ktoré sú zaznamenané systémom na zber a vyhodnocovanie dát. Celková neistota systému musí byť ≤ ± 0,1 %. |
| 4.6 Schematický diagram meracieho reťazca podľa bodu 3.4 platí aj pre dynamickú kalibráciu. |
| 5. Určenie citlivosti |
| 5.1 Citlivosť sa určí |
| a) lineárnou regresiou alebo algoritmom pásma tolerancie; v grafe č. 2 je znázornený výpočet citlivosti a linearity mechanicko-elektrického snímača |
| Graf č. 1 |
| 
|
| b) individuálna citlivosť sa vypočíta |
| 
|
| kde |
| Ei - citlivosť v definovanom bode i [pC/bar] |
| Pi - tlak v definovanom bode i [bar] |
| Qi - náboj v definovanom bode i [pC] |
| 5.2 Strednú citlivosť možno určiť |
| a) algoritmom pásma tolerancie, |
| b) lineárnou regresiou. |
| 5.3 Pre algoritmus pásma tolerancie sa citlivosť vypočíta ako stredná priamka tolerančného pásma medzi dvoma priamkami ohraničujúcimi všetky namerané body, pričom tieto priamky sú v najmenšej vzdialenosti a medzi nimi sa nachádza priamka prechádzajúca začiatkom súradníc. Gradient (tan α) tejto priamky je vyjadrením citlivosti určený vzťahom. |
| 
|
| kde |
| Qe – stredný najväčší náboj [pC] |
| PFS – nominálny tlak [bar] |
| Eq – stredná citlivosť [pC/bar] |
| 5.4 Lineárna regresia sa vypočíta: |
| 
|
| kde |
| Eq – stredná citlivosť [pC/bar], |
| P(i) – tlak v definovanom bode i [bar], |
| Q(i) – náboj v definovanom bode i [pC], |
| n – počet bodov. |
| 6. Určenie linearity |
| 6.1 Základom pre výpočet algoritmu pásma tolerancie je vzdialenosť medzi dvomi vonkajšími priamkami (2 × ΔQ) vyjadrený vzorcom |
| 
|
| 6.2 Výpočet linearity lineárnej regresie je vyjadrený vzorcom |
| L =∆𝑄𝑚𝑎𝑥 / 𝑄𝐹𝑆 x 100 % L = linearita (%) |
| ∆𝑄𝑚𝑎𝑥 = 𝑄(𝑖) −𝐸𝑞 ×𝑃(𝑖) používa sa maximálna hodnota |
| 𝑄 ̅𝐹𝑆 = 𝐸𝑞 ×𝑃𝐹𝑆 |
| PFS = menovitý tlak [bar] |
| 7. Odchýlka merania |
| 7.1 Odchýlka merania pri kalibrácii je odchýlka merania |
| a) väčšia ako 2 %, ktorá sa vyskytuje počas merania pri rovnakom tlaku, |
| b) linearity 1 % alebo menšia pri mechanicko-elektrickom snímači; mechanicko-elektrický snímač, ktorý má väčšiu odchýlku merania je nepoužiteľný, |
| c) snímača nameraná počas kalibrácie. |
| 7.2 Ak mechanicko-elektrický snímač vykazuje odchýlky uvedené v bode 7.1 je nepoužiteľný. Pred vyradením mechanicko-elektrického snímača z činnosti sa skúška opakuje najmenej dvakrát po vyčistení a vysušení mechanicko-elektrického snímača pri teplote 65 ºC. Následne sa vykoná kontrola meracieho systému z dôvodu overenia, že merací systém je stále v požadovanom rozsahu presnosti. Mechanicko-elektrický snímač sa vyradí z činnosti, ak opätovne vykazuje chyby. |
| 8. Neistota merania |
| 8.1 Zariadenia meracieho reťazca, okrem tlakomerných hlavní sa musia pravidelne podrobiť kalibrácii s cieľom udržať celkovú neistotu merania pod 3 %, čo je dôležité najmä pre meranie maximálnej hodnoty tlaku. |
| 8.2 Snímač, tlakomerná hlaveň, zariadenie pre zber a spracovanie dát, operačný postup, obslužný personál, sú zdrojom chýb merania. |
| 9. Vstupný kalibračný signál |
| 9.1 Zariadenie používané na meranie výstupu mechanicko-elektrických snímačov sa kalibruje privedením napätia na známy kondenzátor, ktorý vygeneruje referenčný elektrický náboj. Referenčný elektrický náboj zodpovedá známej úrovni tlaku. |
| 9.2 Zariadenie meracieho reťazca musí byť kalibrované, ak sa aktualizuje software alebo ak sa zmení systém na zber dát. |
| 9.3 Na získanie presných výsledkov merania sa uskutoční kalibrácia zariadení meracieho reťazca vrátane filtra (Bessel alebo Butterworth). |
| 9.4 Merací reťazec musí mať známy signál napätia, ktorý treba aplikovať na tento merací reťazec, pričom čas trvania signálu je od 1 ms do 10 ms. Veľkosť náboja zodpovedá signálu, ktorý musí byť zmeraný v čase nárastu signálu, kedy sa nezohľadňuje prekmit spôsobený filtrom pre hodnoty od 0,2 ms do 1 ms. |
| 9.5 Zobrazená hodnota Pmax, musí byť rovnaká s aplikovanou kalibračnou hodnotou. Použije sa rovnaký merací reťazec a merací software ako pri normálnom meraní. |
| 9.6 Absolútna hodnota odchýlky medzi vstupným signálom a výstupnou hodnotou signálu meracieho reťazca je najviac ≤ 0,5 %. |
| 9.7 Podmienky pre presnú kalibráciu sú graficky znázornené v grafoch č. 3 až 5. |
| Graf. č. 2 štvorcový signál |
| 
|
| Vysvetlivky: |
| tr – čas rastu signálu od 0 % do 100 % v čase 0,2 ms do 1 ms |
| tmax – čas pri ktorom sa dosiahne najväčší signál (100%) v čase 1 ms do 10 ms |
| tpok – čas, pri ktorom signál klesá zo 100 % po 0 % |
| τ – čas, pri ktorom signál dosahuje hodnoty od 0 % po 63 % v čase od 0,02 ms do 0,1 ms |
| Graf č. 3 skokový signál |
| 
|
| Graf č. 4 sínusový signál |
| 
|
| |
| Príloha č. 8 k vyhláške č. 72/2019 Z. z. |
| OVEROVACIE ZNAČKY A NÁRODNÉ OVEROVACIE ZNAČKY STRELNEJ ZBRANE A STRELIVA |
| .png)
|
| Poznámky pod čiarou |
| 1) Dohovor o vzájomnom uznávaní skúšobných značiek ručných palných zbraní (vyhláška ministra zahraničných vecí č. 70/1975 Zb.). |
| 2) Smernica Európskeho parlamentu a Rady (EÚ) 2015/1535 z 9. septembra 2015, ktorou sa stanovuje postup pri poskytovaní informácií v oblasti technických predpisov a pravidiel vzťahujúcich sa na služby informačnej spoločnosti (Ú. v. EÚ L 241, 17. 9. 2015). |
| 3) STN EN ISO 6507-1 Kovové materiály. Vickersova skúška tvrdosti. Časť 1: Skúšobná metóda (ISO 6507-1). |