| 348 |
| NARIADENIE VLÁDY |
| Slovenskej republiky |
| z 2. júna 2004, |
| ktorým sa ustanovujú analytické metódy na kontrolu zloženia kozmetických výrobkov |
| Vláda Slovenskej republiky podľa § 2 ods. 1 písm. h) zákona č. 19/2002 Z. z., ktorým sa ustanovujú podmienky vydávania aproximačných nariadení vlády Slovenskej republiky nariaďuje: |
|
|
| § 1 |
| Toto nariadenie vlády ustanovuje zoznam analytických metód a podrobnosti o analytických metódach na kontrolu zloženia kozmetických výrobkov na účely výkonu štátneho zdravotného dozoru.1) |
| § 2 |
| (1) Zoznam analytických metód na kontrolu zloženia kozmetických výrobkov je uvedený v prílohe č. 1. |
| (2) Podrobnosti o analytických metódach na kontrolu zloženia kozmetických výrobkov sú uvedené v prílohe č. 2. |
| § 3 |
| Týmto nariadením vlády sa preberajú právne akty Európskych spoločenstiev a Európskej únie uvedené v prílohe č. 3. |
|
|
| § 4 |
| Toto nariadenie vlády nadobúda účinnosť 15. júna 2004. |
|
|
| v z. Pál Csáky v. r. |
|
|
| Príloha č. 1 k nariadeniu vlády č. 348/2004 Z. z. |
| ZOZNAM ANALYTICKÝCH METÓD NA KONTROLU ZLOŽENIA KOZMETICKÝCH VÝROBKOV |
| 1. Odber vzoriek, |
| 2. Laboratórna príprava skúšobných vzoriek, |
| 3. Dôkaz a stanovenie voľného hydroxidu sodného a hydroxidu draselného, |
| 4. Dôkaz a stanovenie kyseliny šťaveľovej a jej alkalických solí vo výrobkoch na starostlivosť o vlasy, |
| 5. Stanovenie chloroformu v zubných pastách, |
| 6. Stanovenie zinku, |
| 7. Dôkaz a stanovenie kyseliny 4-hydroxybenzénsulfónovej, |
| 8. Dôkaz oxidačných činidiel a stanovenie peroxidu vodíka vo výrobkoch vlasovej kozmetiky, |
| 9. Dôkaz a semikvantitatívne stanovenie určitých oxidačných farbív vo farbách na vlasy, |
| 10. Dôkaz a stanovenie dusitanov, |
| 11. Dôkaz a stanovenie voľného formaldehydu, |
| 12. Stanovenie rezorcinolu v šampónoch a vlasových lotionoch, |
| 13. Stanovenie metanolu v pomere k etanolu alebo propán-2-olu, |
| 14. Stanovenie dichlórmetánu a 1,1,1-trichlóretánu, |
| 15. Dôkaz a stanovenie chinolín-8-olu a bis(8-hydroxychinolínium)-sulfátu, |
| 16. Stanovenie amoniaku, |
| 17. Dôkaz a stanovenie nitrometánu, |
| 18. Dôkaz a stanovenie kyseliny merkaptooctovej vo výrobkoch na onduláciu vlasov, na narovnávanie vlasov a na depiláciu, |
| 19. Dôkaz a stanovenie hexachlorofénu (INN), |
| 20. Stanovenie tosylchlóramidu sodného (INN), |
| 21. Stanovenie celkového obsahu fluóru v zubných pastách, |
| 22. Dôkaz a stanovenie organoortuťnatých zlúčenín, |
| 23. Stanovenie sulfidov alkalických kovov a kovov alkalických zemín, |
| 24. Dôkaz a stanovenie (2,3-dihydroxypropyl)-4-aminobenzoátu, |
| 25. Stanovenie chlórbutanolu (INN), |
| 26. Dôkaz a stanovenie chinínu, |
| 27. Dôkaz a stanovenie anorganických siričitanov a hydrogensiričitanov, |
| 28. Dôkaz a stanovenie chlorečnanov alkalických kovov, |
| 29. Dôkaz a stanovenie jodičnanu sodného, |
| 30. Dôkaz a stanovenie dusičnanu strieborného, |
| 31. Dôkaz a stanovenie sulfidu seleničitého v šampónoch proti lupinám, |
| 32. Stanovenie rozpustného bária a rozpustného stroncia v pigmentoch vo forme solí alebo komplexov, |
| 33. Dôkaz a stanovenie benzylalkoholu, |
| 34. Dôkaz zirkónia a stanovenie zirkónia, hliníka a chlóru v neaerosólových antiperspirantoch, |
| 35. Dôkaz a stanovenie hexamidínu, dibrómhexamidínu, dibrómpropamidínu a chlórhexidínu, |
| 36. Dôkaz a stanovenie kyseliny benzoovej, kyseliny 4-hydroxybenzoovej, kyseliny sorbovej, kyseliny salicylovej a kyseliny propiónovej, |
| 37. Dôkaz a stanovenie hydrochinónu, monometyléteru hydrochinónu, monoetyléteru hydrochinónu a monobenzyléteru hydrochinónu, |
| 38. Dôkaz a stanovenie 2-fenoxyetanolu, 1-fenoxypropán-2-olu, metyl-, etyl-, propyl-, butyl- a benzyl- 4-hydroxybenzoátu. |
| Príloha č. 2 |
| k nariadeniu vlády č. 348/2004 Z. z. |
| PODROBNOSTI O ANALYTICKÝCH METÓDACH NA KONTROLU ZLOŽENIA KOZMETICKÝCH VÝROBKOV |
| 1. ODBER VZORIEK |
| (Podľa smernice Komisie 80/1335/EHS z 22. decembra 1980) |
| 1. ROZSAH A OBLASŤ POUŽITIA |
| Ustanovuje postup na odber vzoriek kozmetických výrobkov na účel ich analýzy v rôznych laboratóriách. |
| 2. DEFINÍCIE |
| 2.1. Základná vzorka – jednotkové množstvo odobraté z výrobnej dávky, určené na predaj. |
| 2.2. Celková vzorka – súhrn všetkých základných vzoriek odobratých z jednej výrobnej dávky. |
| 2.3. Laboratórna vzorka – reprezentatívna časť celkovej vzorky určená na analýzu v laboratóriách. |
| 2.4. Skúšobná vzorka – reprezentatívna časť laboratórnej vzorky potrebná na jednu analýzu. |
| 2.5. Obal – predmet, v ktorom je výrobok zabalený a s ktorým je v priamom kontakte. |
| 3. POSTUP ODBERU VZORIEK |
| 3.1. Vzorky kozmetických výrobkov sa odoberajú v ich pôvodných spotrebiteľských obaloch a do laboratórií sa dopravujú v neporušenom stave. |
| 3.2. Ak sa kozmetické výrobky uvádzajú do obehu vo veľkospotrebiteľskom balení alebo v inom obale, ako je pôvodné balenie od výrobcu, vzorka sa odoberie vhodne zvoleným vzorkovačom po predchádzajúcom premiešaní obsahu v obale. Ak obsah nemožno premiešať, vzorka sa odoberie vrstveným (stratifikovaným) odberom. |
| 3.3. Počet základných vzoriek potrebných na prípravu laboratórnej vzorky závisí od analytickej metódy a od počtu analýz, ktoré je potrebné vykonať. |
| 4. IDENTIFIKÁCIA VZORKY |
| 4.1. Vzorky sa pri odbere zapečatia a označia štítkom pripevneným tak, aby obal nebolo možné otvoriť, štítok vymeniť alebo odstrániť bez porušenia pečate. Ak nemožno štítok pripevniť na obal, číslo protokolu o odbere vzorky sa vyznačí na obal. |
| 4.2. Každá odobratá základná vzorka musí byť označená týmito údajmi: |
| 4.2.1. Názov kozmetického výrobku |
| 4.2.2. Dátum, čas a miesto odberu vzorky |
| 4.2.3. Meno a priezvisko osoby, ktorá odobrala vzorku |
| 4.2.4. Názov orgánu dozoru |
| 4.3. Protokol o odbere vzorky musí obsahovať |
| 4.3.1. Názov a špecifikáciu výrobku alebo suroviny |
| 4.3.2. Názov a adresu výrobcu, spracovateľa, dovozcu, distribútora alebo predávajúceho |
| 4.3.3. Údaj o veľkosti vzorkovanej dávky, jej objem alebo hmotnosť |
| 4.3.4. Označenie výrobnej dávky |
| 4.3.5. Dátum minimálnej trvanlivosti |
| 4.3.6. Miesto, dátum a čas odberu vzorky |
| 4.3.7. Spôsob odberu vzorky, údaje o postupe odberu vzorky s dôrazom na odchýlky od predpísaného štandardného alebo dohodnutého postupu |
| 4.3.8. Počet, objem alebo hmotnosť odobratých vzoriek na laboratórne skúšanie |
| 4.3.9. Meno, priezvisko a podpis osoby, ktorá odobrala vzorku |
| 4.3.10. Miesto doručenia vzorky, ak je to potrebné. |
| 5. USKLADNENIE VZORIEK |
| 5.1. Základné vzorky sa musia uskladniť v súlade s pokynmi výrobcu uvedenými na etikete, ak sú tam uvedené. |
| 5.2. Ak nie sú určené iné podmienky, laboratórne vzorky sa uskladnia v tme pri teplote od 10 do 25 oC. |
| 5.3. Základné vzorky nesmú byť otvorené pred začiatkom analýzy. |
| 2. LABORATÓRNA PRÍPRAVA SKÚŠOBNÝCH VZORIEK |
| (Podľa smernice Komisie 80/1335/EHS z 22. decembra 1980) |
| 1. VŠEOBECNE |
| 1.1. Ak je to možné, analyzuje sa každá základná vzorka. Ak je základná vzorka príliš malá, použije sa minimálny počet základných vzoriek. Pred odobratím skúšobnej vzorky sa základné vzorky najskôr spolu dôkladne zmiešajú. |
| 1.2. Obal sa otvorí v atmosfére inertného plynu, ak je to tak určené v analytickej metóde a čo najrýchlejšie sa odoberie požadovaný počet skúšobných vzoriek. Analýza sa vykoná v čo najkratšom čase. Ak sa vzorka ďalej uchováva, obal sa znova zapečatí v atmosfére inertného plynu. |
| 1.3. Kozmetické výrobky môžu byť vyrobené v kvapalnom, tuhom alebo polotuhom stave. Ak sú pôvodne homogénne výrobky oddelené vo viacerých fázach, pred odberom skúšobnej vzorky sa znova zhomogenizujú. |
| 1.4. Ak je kozmetický výrobok predávaný osobitným spôsobom, v dôsledku čoho sa nemôže postupovať v súlade s touto skúšobnou metódou a ak neboli prijaté žiadne ustanovenia o príslušných vhodných skúšobných metódach, môže byť použitý vlastný postup za predpokladu, že bude sformulovaný do písomnej podoby ako súčasť protokolu o skúške. |
| 2. KVAPALINY |
| 2.1. Môžu sa vyskytovať ako olejové, alkoholové a vodné roztoky, toaletné vody, lotiony alebo mlieka a môžu byť balené vo fľaštičkách, fľašiach, ampuliach alebo tubách. |
| 2.2. Odber skúšobnej vzorky |
| 2.2.1. Obal sa pred otvorením intenzívne pretrepe. |
| 2.2.2. Obal sa otvorí. |
| 2.2.3. Na vizuálne posúdenie vzorky sa odleje niekoľko mililitrov kvapaliny do skúmavky. |
| 2.2.4. Odoberú sa požadované skúšobné vzorky. |
| 2.2.5. Obal sa znova dôkladne uzavrie. |
| 3. POLOTUHÉ LÁTKY |
| 3.1. Môžu sa vyskytovať ako pasty, krémy, tuhé emulzie a gély a môžu byť balené v tubách, fľašiach alebo téglikoch. |
| 3.2. Odber skúšobnej vzorky |
| 3.2.1. Z obalov s úzkym hrdlom sa vytlačí aspoň jeden centimeter výrobku a až potom sa vytlačí skúšobná vzorka a obal sa ihneď znova uzavrie. |
| 3.2.2. Z obalov so širokým hrdlom sa zľahka rovnomerne odstráni povrchová vrstva výrobku a po odbere skúšobnej vzorky sa obal ihneď uzavrie. |
| 4. TUHÉ LÁTKY |
| 4.1. Môžu sa vyskytovať ako sypké a kompaktné púdre, tyčinky a môžu byť balené v rôznych obaloch. |
| 4.2. Odber skúšobnej vzorky |
| 4.2.1. Obal sypkého púdru sa pred otvorením intenzívne pretrepe a následne sa odoberie skúšobná vzorka. |
| 4.2.2. Z kompaktného púdru alebo z tyčinky sa rovnomerným zoškrabaním odstráni povrchová vrstva a spod nej sa odoberie skúšobná vzorka. |
| 5. VÝROBKY V OBALOCH POD TLAKOM |
| 5.1. Výrobkami v obaloch pod tlakom sú aerosólové rozprašovače podľa osobitného predpisu.1) |
| 5.2. Odber skúšobnej vzorky |
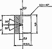
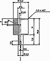
| Po intenzívnom pretrepaní sa reprezentatívne množstvo obsahu aerosólového rozprašovača prenesie pomocou vhodnej spojovacej súčiastky (obrázok č. 1; v špecifických prípadoch môže analytická metóda vyžadovať použitie iných spojovacích súčiastok) do plastom potiahnutej sklenenej fľaše (obrázok č. 4), vybavenej aerosólovým ventilom bez ponornej trubice. Počas prenosu sa fľaša drží ventilom smerom nadol. Takýto spôsob prenosu zabezpečí, aby bol obsah jasne viditeľný a zodpovedajúci jednému zo štyroch nasledujúcich prípadov: |
| 5.2.1. Aerosólový výrobok vo forme homogénneho roztoku vhodného priamo na analýzu. |
| 5.2.2. Aerosólový výrobok pozostávajúci z dvoch kvapalných fáz. Po oddelení spodnej fázy do druhej fľaše na prenášanie vzoriek môže byť analyzovaná každá fáza osobitne. V tomto prípade sa prvá fľaša na prenášanie vzoriek drží ventilom smerom nadol. Vtedy je zvyčajne spodná vrstva vodná a neobsahuje hnací plyn (napr. pri sústave bután/voda). |
| 5.2.3. Aerosólový výrobok obsahujúci prášok v suspenzii. Kvapalná fáza sa analyzuje po odstránení prášku. |
| 5.2.4. Výrobok v podobe peny alebo krému. Najprv sa do fľaše na prenášanie vzoriek presne naváži 5 až 10 g 2–metoxyetanolu. Táto látka potláča tvorbu peny počas odplyňovania, na základe čoho je možné odstrániť hnací plyn bez straty kvapalnej zložky. |
| 5.3. Príslušenstvo |
| Spojka je spojovacia súčiastka (obrázok č. 1) vyrobená z duralu alebo z mosadze, skonštruovaná tak, aby prostredníctvom polyetylénového adaptéra vyhovovala rozdielnym systémom ventilov. Podľa uvedeného príkladu môžu byť použité aj iné typy spojovacích súčiastok (obrázky č. 2 a 3). |
| Vzorkovnica je fľaša na prenášanie vzoriek (obrázok č. 4) vyrobená z bieleho skla, z vonkajšej strany potiahnutá ochrannou vrstvou priehľadného plastu, s objemom 50 ml až 100 ml, vybavená aerosólovým ventilom bez ponornej trubice. |
| 5.4. Postup |
| Z fľaše na prenášanie vzoriek sa vytlačí vzduch. Na tento účel sa do fľaše cez spojovaciu súčiastku zavedie asi 10 ml difluórdichlórmetánu alebo butánu (v závislosti od toho, aký aerosólový výrobok sa bude analyzovať). Ďalej sa vykoná odplynenie až do odstránenia kvapalnej fázy, pričom vzorkovnica sa drží ventilom čo najvyššie. Spojovacia súčiastka sa odpojí. Fľaša na prenášanie vzoriek sa odváži (a v gramoch). Aerosólový rozprašovač, z ktorého sa bude odoberať vzorka, sa intenzívne pretrepe. Na ventil obalu aerosólovej vzorky (ventilom smerom nahor) sa pripojí spojovacia súčiastka, na ktorú sa nasadí fľaša na prenášanie vzoriek (hrdlom smerom nadol) a stlačí sa. Fľaša na prenášanie vzoriek sa naplní približne do dvoch tretín. Ak sa v dôsledku vyrovnania tlaku prečerpávanie predčasne preruší, obnoví sa ochladením fľaše na prenášanie vzoriek. Spojovacia súčiastka sa odpojí, naplnená fľaša sa odváži (b v gramoch) a určí sa hmotnosť prenesenej aerosólovej vzorky m1 (m1 = b – a). |
| Takto získaná vzorka môže byť použitá |
| – na bežnú chemickú analýzu, |
| – na analýzu prchavých zložiek plynovou chromatografiou. |
| 5.4.1. Chemická analýza |
| Fľaša na prenášanie vzoriek sa pridrží ventilom smerom nahor. Odplyní sa. Ak odplyňovacia operácia spôsobí penenie, použije sa fľaša na prenášanie vzoriek, do ktorej sa injekčnou striekačkou cez spojovaciu súčiastku vopred prenieslo 5 g až 10 g 2-metoxyetanolu. Dokončí sa odstránenie prchavých súčastí bez strát, pretrepávaním vo vodnom kúpeli udržiavanom pri 40 oC. Spojovacia súčiastka sa odpojí a fľaša na prenášanie vzoriek sa znova odváži (c v gramoch), aby sa určila hmotnosť zvyšku m2 (m2 = c – a), pričom pri výpočte hmotnosti zvyšku sa odčíta hmotnosť použitého 2–metoxyetanolu. Fľaša na prenášanie vzoriek sa otvorí odstránením ventilu. Celý zvyšok sa rozpustí v známom množstve vhodného rozpúšťadla a s alikvotnou časťou sa uskutoční požadované stanovenie. |
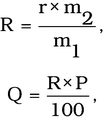
| Vzorce na výpočet: |
| .png)
|
| kde |
| m1 je hmotnosť aerosólu preneseného do fľaše na prenášanie vzoriek, |
| m2 je hmotnosť zvyšku po zahriatí na 40 oC, |
| r je percentuálny podiel danej zložky v m2 (stanovený podľa príslušnej metódy), |
| R je percentuálny podiel danej zložky v aerosóle (v takej podobe, ako bol prijatý), |
| Q je celková hmotnosť danej zložky v aerosólovom rozprašovači, |
| P je čistá hmotnosť pôvodného aerosólového rozprašovača (základná vzorka). |
| 5.4.2. Analýza prchavých zložiek plynovou chromatografiou |
| 5.4.2.1. Princíp |
| Pomocou striekačky na plynovú chromatografiu sa z fľaše na prenášanie vzoriek odoberie potrebné množstvo vzorky. Potom sa obsah striekačky nastrekne do plynového chromatografu. |
| 5.4.2.2. Príslušenstvo |
| Injekčná striekačka na plynovú chromatografiu, série A2 na „presné dávkovanie vzoriek“, s objemom 25 ml alebo 50 ml (obrázok č. 5) alebo ekvivalent. Táto striekačka je na ihlovom konci vybavená posuvným ventilom. Striekačka sa pripája k vzorkovnici pomocou spojovacej súčiastky na fľaši a polyetylénovej hadičky (dĺžka 8 mm, vnútorný priemer 2,5 mm) na striekačke. |
| 5.4.2.3. Postup |
| Po odobratí príslušného množstva aerosólového výrobku do fľaše sa podľa 5.4.2.2 pripojí k prečerpávacej fľaši kužeľový koniec striekačky. Ventil sa otvorí a naberie sa potrebné množstvo kvapaliny. Niekoľkonásobným posúvaním piestu sa odstránia bublinky plynu (ak je to potrebné a striekačka sa ochladí). Keď striekačka obsahuje potrebné množstvo kvapaliny bez bubliniek, ventil sa uzavrie a striekačka sa odpojí od fľaše na prenášanie vzoriek. Nasadí sa ihla, striekačka sa vsunie do dávkovacieho ventilu plynového chromatografu, ventil sa otvorí a vzorka sa nastrekne. |
| 5.4.2.4. Vnútorný štandard – ak sa vyžaduje vnútorný štandard, zavedie sa do fľaše na prenášanie vzoriek (obyčajnou sklenenou striekačkou s použitím spojovacej súčiastky). |
| Obrázok č. 1: Spojka P1 |
| .png)
|
| Obrázok č. 2: Spojka M2 na prenos medzi vnútorným a vonkajším ventilom |
| .png)
|
| Obrázok č. 3: Spojka M1 na prenos medzi vnútornými ventilmi |
| .png)
|
| Obrázok č. 4: Vzorkovnica s objemom 50 až 100 ml |
| .png)
|
| Obrázok č. 5: Tlaková injekčná striekačka na plyn |
| .png)
|
| 3. DÔKAZ A STANOVENIE VOĽNÉHO HYDROXIDU SODNÉHO A HYDROXIDU DRASELNÉHO |
| (Podľa smernice Komisie 80/1335/EHS z 22. decembra 1980) |
| 1. ROZSAH A OBLASŤ POUŽITIA |
| Táto metóda určuje postup na dôkaz voľného hydroxidu sodného a/alebo hydroxidu draselného v kozmetických výrobkoch, ktoré ho obsahujú vo významnom množstve, a na stanovenie voľného hydroxidu sodného a/alebo draselného vo výrobkoch na narovnávanie vlasov a vo výrobkoch na odstraňovanie prínechtovej kože. |
| 2. DEFINÍCIA |
| Obsah voľného hydroxidu sodného a hydroxidu draselného je definovaný objemom štandardnej kyseliny potrebnej na neutralizáciu výrobku, za určených podmienok. Výsledné množstvo sa vyjadrí ako hmotnostné percento voľného hydroxidu sodného. |
| 3. PRINCÍP |
| Vzorka sa rozpustí alebo rozdisperguje vo vode a titruje sa štandardnou kyselinou. Súčasne s pridávaním kyseliny sa zaznamenáva hodnota pH. Pre jednoduchý roztok hydroxidu sodného alebo draselného je koncový bod titrácie jednoznačne bodom maximálnej zmeny zaznamenávanej hodnoty pH. |
| Jednoduchá titračná krivka môže byť skreslená prítomnosťou |
| a) amoniaku alebo iných slabých organických zásad, ktoré majú samy osebe pomerne plochú titračnú krivku. Amoniak sa odstráni odparením za zníženého tlaku pri laboratórnej teplote, |
| b) soli slabých kyselín, ktoré môžu spôsobiť, že titračná krivka má niekoľko inflexných bodov. V takýchto prípadoch zodpovedá neutralizácii hydroxidového aniónu, pochádzajúceho z voľného hydroxidu sodného alebo draselného, len prvá časť krivky až do prvého inflexného bodu. |
| Alternatívny postup pre titráciu v alkohole je uvedený pre prípad, keď je pozorovaná nadmerná interferencia soľami slabých anorganických kyselín. Existuje teoretická možnosť, že by mohli byť prítomné iné rozpustné silné zásady, napr. hydroxid lítny alebo hydroxidy kvartérnych amóniových solí, ktoré by mohli spôsobiť vysoké pH. Prítomnosť takýchto typov zásad v kozmetických výrobkoch je veľmi nepravdepodobná. |
| 4. DÔKAZ |
| 4.1. Činidlá |
| 4.1.1. Štandardný alkalický tlmivý roztok, pH 9,18 pri 25 oC – 0,05 M roztok dekahydrátu tetraboritanu sodného |
| 4.2. Prístroje a pomôcky |
| 4.2.1. Bežné laboratórne sklo |
| 4.2.2. pH-meter |
| 4.2.3. Sklenená membránová elektróda |
| 4.2.4. Štandardná kalomelová referenčná elektróda |
| 4.3. Postup |
| pH-meter s elektródami sa kalibruje s použitím štandardného tlmivého roztoku. Pripraví sa 10 % roztok vo vode alebo vodná disperzia výrobku, určeného na analýzu a prefiltruje sa. Odmeria sa pH. Ak je pH 12 alebo viac, musí sa uskutočniť kvantitatívne stanovenie. |
| 5. STANOVENIE |
| 5.1. Titrácia vo vodnom prostredí |
| 5.1.1. Činidlo |
| 5.1.1.1. Štandardná 0,1 N kyselina chlorovodíková |
| 5.1.2. Prístroje a pomôcky |
| 5.1.2.1. Bežné laboratórne sklo |
| 5.1.2.2. pH-meter, pokiaľ možno so zapisovačom |
| 5.1.2.3. Sklenená membránová elektróda |
| 5.1.2.4. Štandardná kalomelová referenčná elektróda |
| 5.1.3. Postup |
| Do 150 ml kadičky sa presne naváži skúšobná vzorka v rozmedzí 0,5 až 1 g. Ak je prítomný amoniak, pridá sa niekoľko varných kamienkov, kadička sa umiestni do vákuového exsikátora, evakuuje sa pomocou vodnej vývevy dovtedy, kým nie je detekovateľný zápach amoniaku (asi 3 hodiny). Pridá sa 100 ml vody, odparok sa rozpustí alebo rozdisperguje a titruje 0,1 N roztokom kyseliny chlorovodíkovej (5.1.1.1.) pri súčasnom zaznamenávaní zmeny hodnoty pH (5.1.2.2.). |
| 5.1.4. Výpočet |
| Na titračných krivkách sa určia inflexné body. Ak sa prvý z inflexných bodov nachádza pri pH nižšom ako 7, vzorka neobsahuje hydroxid sodný alebo draselný. Ak sú na krivke dva alebo viac inflexných bodov, iba prvý z nich je relevantný. Zapíše sa spotreba titračného činidla po prvý inflexný bod, |
| kde |
| V je objem titračného činidla v ml, |
| M je hmotnosť skúšobnej vzorky v g. |
| Obsah hydroxidu sodného a/alebo draselného vo vzorke vyjadrený v hmotnostných percentách hydroxidu sodného sa vypočíta podľa vzorca |
| .png)
|
| Môže nastať situácia, keď napriek náznaku prítomnosti určitého množstva hydroxidu sodného a/alebo draselného titračná krivka neposkytuje jednoznačný inflexný bod. V takom prípade sa stanovenie zopakuje v izopropylalkohole. |
| 5.2. Titrácia v izopropylalkohole |
| 5.2.1. Činidlá |
| 5.2.1.1. Izopropylalkohol (propán-2-ol) |
| 5.2.1.2. Štandardný 1 N vodný roztok kyseliny chlorovodíkovej |
| 5.2.1.3. 0,1 N roztok kyseliny chlorovodíkovej v izopropylalkohole pripravený tesne pred použitím zriedením 1 N vodného roztoku kyseliny chlorovodíkovej s izopropylalkoholom. |
| 5.2.2. Prístroje a pomôcky |
| 5.2.2.1. Bežné laboratórne sklo |
| 5.2.2.2. pH-meter, pokiaľ možno so zapisovačom |
| 5.2.2.3. Sklenená membránová elektróda |
| 5.2.2.4. Štandardná kalomelová referenčná elektróda |
| 5.2.3. Postup |
| Do 150 ml kadičky sa presne naváži skúšobná vzorka v rozsahu 0,5 až 1 g. Ak je prítomný amoniak, pridá sa niekoľko varných kamienkov, kadička sa umiestni do vákuového exsikátora, evakuuje sa pomocou vodnej vývevy dovtedy, kým zápach amoniaku nie je detekovateľný (asi 3 hodiny). Pridá sa 100 ml izopropylalkoholu, odparok sa rozpustí alebo rozdisperguje a titruje sa 0,1 N kyselinou chlorovodíkovou v izopropylalkohole (5.2.1.3.) pri súčasnom zaznamenávaní zmeny pH (5.1.2.2.). |
| 5.2.4. Výpočet |
| Podľa 5.1.4. Prvý inflexný bod je pri pH okolo 9. |
| 5.3. Opakovateľnosť2) |
| Pri obsahu asi 5 % (hmot.) hydroxidu sodného alebo draselného vyjadreného ako hydroxid sodný nesmie rozdiel medzi výsledkami dvoch paralelne uskutočnených stanovení na tej istej vzorke presiahnuť v absolútnej hodnote 0,25 %. |
| 4. DÔKAZ A STANOVENIE KYSELINY ŠŤAVEĽOVEJ A JEJ ALKALICKÝCH SOLÍ VO VÝROBKOCH NA STAROSTLIVOSŤ O VLASY |
| (Podľa smernice Komisie 80/1335/EHS z 22. decembra 1980) |
| 1. ROZSAH A OBLASŤ POUŽITIA |
| alej opísaná metóda je vhodná na stanovenie a dôkaz kyseliny šťaveľovej a jej alkalických solí vo výrobkoch určených na starostlivosť o vlasy. Môže byť použitá pri bezfarebných vodných/alkoholických roztokoch a lotionoch, ktoré obsahujú približne 5 % kyseliny šťaveľovej alebo ekvivalentné množstvo alkalických šťaveľanov. |
| 2. DEFINÍCIA |
| Obsah kyseliny šťaveľovej a/alebo jej alkalických solí stanovený touto metódou sa vyjadrí ako hmotnostné percento voľnej kyseliny šťaveľovej vo vzorke. |
| 3. PRINCÍP |
| Po odstránení všetkých prítomných aniónových povrchovo aktívnych látok hydrochloridom p-toluidínu sa kyselina šťaveľová a/alebo šťaveľany vyzrážajú ako šťaveľan vápenatý, potom sa roztok prefiltruje. Zrazenina sa rozpustí v kyseline sírovej a titruje sa manganistanom draselným. |
| 4. ČINIDLÁ |
| Všetky činidlá musia byť analyticky čisté. |
| 4.1. 5 % (hmot.) roztok octanu amónneho |
| 4.2. 10 % (hmot.) roztok chloridu vápenatého |
| 4.3. 95 % (obj.) etanol |
| 4.4. Chlorid uhličitý |
| 4.5. Dietyléter |
| 4.6. 6,8 % (hmot.) roztok dihydrochloridu p-toluidínu |
| 4.7. 0,1 N roztok manganistanu draselného |
| 4.8. 20 % (hmot.) kyselina sírová |
| 4.9. 10 % (hmot.) kyselina chlorovodíková |
| 4.10. Trihydrát octanu sodného |
| 4.11. Ľadová kyselina octová |
| 4.12. Kyselina sírová (1:1) |
| 4.13. Nasýtený roztok hydroxidu bárnatého |
| 5. PRÍSTROJE A POMÔCKY |
| 5.1. Oddeľovacie lieviky, 500 ml |
| 5.2. Kadičky, 50 ml a 600 ml |
| 5.3. Sklenené filtračné tégliky, G-4 |
| 5.4. Odmerné valce, 25 ml a 100 ml |
| 5.5. Pipety, 10 ml |
| 5.6. Odsávacie banky, 500 ml |
| 5.7. Vodná výveva |
| 5.8. Teplomer, delený od 0 do 100 oC |
| 5.9. Magnetické miešadlo s vyhrievacím telesom |
| 5.10. Magnetické miešadielka potiahnuté teflónom |
| 5.11. Byreta, 25 ml |
| 5.12. Kužeľovité banky, 250 ml |
| 6. POSTUP |
| 6.1. Do 50 ml kadičky sa naváži približne 6 až 7 g vzorky, pH sa upraví zriedenou kyselinou chlorovodíkovou (4.9.) na 3 a spláchne sa 100 ml destilovanej vody do oddeľovacieho lievika. Jeden po druhom sa pridá 25 ml etanolu (4.3.), 25 ml roztoku dihydrochloridu p–toluidínu (4.6.) a 25 až 30 ml chloridu uhličitého (4.4.) a zmes sa intenzívne pretrepe. |
| 6.2. Po oddelení fáz sa odpustí dolná organická fáza, extrakcia sa zopakuje s použitím činidiel uvedených v 6.1. a organická fáza sa znova odpustí. |
| 6.3. Vodný roztok sa zmyje do 600 ml kadičky a stále prítomný zvyšok chloridu uhličitého sa odstráni prevarením roztoku. |
| 6.4. Pridá sa 50 ml roztoku octanu amónneho (4.1.), roztok sa zahreje do varu (5.9.) a za miešania sa do roztoku vo vare pridá 10 ml horúceho roztoku chloridu vápenatého (4.2.). Zrazenina sa nechá usadiť. |
| 6.5. Pridaním niekoľkých kvapiek roztoku chloridu vápenatého (4.2.) sa overí, či je vyzrážanie úplné, nechá sa ochladiť na laboratórnu teplotu a potom sa za miešania (5.10.) pridá 200 ml etanolu (4.3.) a nechá sa stáť 30 minút. |
| 6.6. Prefiltruje sa cez sklenený filtračný téglik (5.3.), zrazenina sa prenesie malým množstvom horúcej vody (50 až 60 oC) na filter téglika a premyje sa studenou vodou. |
| 6.7. Zrazenina sa päťkrát premyje malým množstvom etanolu (4.3.), potom päťkrát malým množstvom dietyléteru (4.5.), rozpustí v 50 ml horúcej kyseliny sírovej (4.8.) presatím kyseliny cez filter téglika za zníženého tlaku. |
| 6.8. Roztok sa kvantitatívne prenesie do kužeľovitej banky (5.11.) a titruje sa roztokom manganistanu draselného (4.7.), kým sa nesfarbí na bledoružovo. |
| 7. VÝPOČET |
| Obsah vzorky vyjadrený ako hmotnostné percentá kyseliny šťaveľovej sa vypočíta podľa vzorca |
| .png)
|
| kde |
| A je spotreba 0,1 N roztoku manganistanu draselného (6.8.), |
| E je množstvo skúšobnej vzorky v gramoch (6.1.), |
| 4,50179 je prepočítavací faktor pre kyselinu šťaveľovú. |
| 8. OPAKOVATEĽNOSŤ2) |
| Pri obsahu asi 5 % kyseliny šťaveľovej nesmie rozdiel medzi výsledkami dvoch paralelne uskutočnených stanovení na tej istej vzorke presiahnuť v absolútnej hodnote 0,15 %. |
| 9. DÔKAZ |
| 9.1. Princíp |
| Kyselina šťaveľová a/alebo šťaveľany sa vyzrážajú ako šťaveľan vápenatý a rozpustí sa v kyseline sírovej. Do roztoku sa pridá malé množstvo manganistanu draselného, ktorý sa odfarbuje a spôsobuje vznik oxidu uhličitého. Keď sa vznikajúci oxid uhličitý prepúšťa cez roztok hydroxidu bárnatého, vzniká biela zrazenina (mliečny zákal) uhličitanu bárnatého. |
| 9.2. Postup |
| 9.2.1. Skúšobná vzorka určená na analýzu sa spracuje podľa 6.1. až 6.3. Tým sa odstránia akékoľvek prítomné detergenty. |
| 9.2.2. K približne 10 ml roztoku získaného podľa 9.2.1. sa pridá za špičku špachtle octanu sodného (4.10.) a roztok sa okyslí niekoľkými kvapkami ľadovej kyseliny otcovej (4.11.). |
| 9.2.3. Pridá sa 10 % roztok chloridu vápenatého (4.2.) a prefiltruje sa. Šťaveľan vápenatý sa rozpustí v 2 ml kyseliny sírovej (1:1) (4.12.). |
| 9.2.4. Roztok sa prenesie do skúmavky a po kvapkách sa pridá asi 0,5 ml 0,1 M roztoku manganistanu draselného (4.7.). Ak sú prítomné šťaveľany, roztok sa odfarbuje najskôr pomaly a potom rýchlo. |
| 9.2.5. Ihneď po pridaní manganistanu draselného sa skúmavka uzavrie vhodnou zátkou so sklenenou trubičkou, obsah sa mierne zahreje a vznikajúci oxid uhličitý sa zachytí do nasýteného roztoku hydroxidu bárnatého (4.13.). Objavenie sa mliečneho zákalu uhličitanu bárnatého do 3 až 5 minút je dôkazom prítomnosti kyseliny šťaveľovej. |
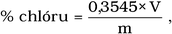
| 5. STANOVENIE CHLOROFORMU V ZUBNÝCH PASTÁCH |
| (Podľa smernice Komisie 80/1335/EHS z 22. decembra 1980) |
| 1. ROZSAH A OBLASŤ POUŽITIA |
| Táto metóda sa používa na stanovenie chloroformu v zubných pastách plynovou chromatografiou. Táto metóda je vhodná na stanovenie chloroformu s úrovňami obsahu 5 % a menej. |
| 2. DEFINÍCIA |
| Obsah chloroformu stanovený touto metódou sa vyjadrí v hmotnostných percentách výrobku. |
| 3. PRINCÍP |
| Zubná pasta sa suspenduje v zmesi dimetylformamid/metanol, do ktorej sa pridá známe množstvo acetonitrilu ako vnútorného štandardu. Po odstredení na centrifúge sa časť kvapalnej fázy podrobí plynovej chromatografii a vypočíta sa obsah chloroformu. |
| 4. ČINIDLÁ |
| Všetky činidlá musia byť analyticky čisté. |
| 4.1. Porapak Q, Chromosorb 101 alebo ekvivalent, 80 až 100 mesh |
| 4.2. Acetonitril |
| 4.3. Chloroform |
| 4.4. Dimetylformamid |
| 4.5. Metanol |
| 4.6. Roztok vnútorného štandardu |
| Do 50 ml odmernej banky sa napipetuje 5 ml dimetylformamidu (4.4.) a pridá sa asi 300 mg (M v miligramoch) acetonitrilu. Doplní sa po značku dimetylformamidom a premieša sa. |
| 4.7. Roztok na stanovenie relatívneho odozvového faktora |
| Do 10 ml odmernej banky sa napipetuje presne 5 ml roztoku vnútorného štandardu (4.6.) a pridá sa asi 300 mg (M1 v miligramoch) chloroformu. Doplní sa po značku dimetylformamidom a premieša sa. |
| 5. PRÍSTROJE A POMÔCKY |
| 5.1. Analytické váhy |
| 5.2. Plynový chromatograf s plameňovo-ionizačným detektorom |
| 5.3. Mikrostriekačky, 5 až 10 µl, delené po 0,1 µl |
| 5.4. Nedelené pipety, 1, 4 a 5 ml |
| 5.5. Odmerné banky, 10 a 50 ml |
| 5.6. Skúmavky, 20 ml so skrutkovacími uzávermi, Sovirel France č. 20 alebo ekvivalent. Skrutkovací uzáver má vnútornú tesniacu platničku pokrytú z jednej strany teflónom. |
| 5.7. Centrifúga |
| 6. POSTUP |
| 6.1. Vhodné podmienky na plynovú chromatografiu |
| 6.1.1. Materiál kolóny sklo |
| | Dĺžka | 150 cm | | Vnútorný priemer | 4 mm | | Vonkajší priemer | 6 mm | |
| 6.1.2. Kolóna |
| Naplní sa pomocou vibrátora Porapakom Q, Chromosorbom 101 alebo ekvivalentom, 80 až 100 mesh (4.1.), ktorý sa upraví kyselinou. |
| 6.1.3. Citlivosť plameňovo-ionizačného detektora sa nastaví tak, aby po nastreknutí 3 µl roztoku (4.7.) siahala výška píku acetonitrilu asi do 3/4 maximálnej výchylky. |
| 6.1.4. Plyny |
| Nosný plyn – dusík, prietoková rýchlosť 65 ml/min. |
| Pomocný plyn – vodík, vzduch alebo kyslík |
| Prietok plynov do detektora sa nastaví tak, že prietok vzduchu alebo kyslíka je 5 až 10-krát väčší ako prietok vodíka. |
| 6.1.5. Teplota |
| | Dávkovací ventil | 210 oC | | Detektor | 210 oC | | Kolónová pec | 175 oC | |
| 6.1.6. Rýchlosť zapisovača približne 100 cm za hodinu. |
| 6.2. Príprava vzorky |
| Na analýzu sa použije neporušená uzatvorená tuba, odstráni sa jedna tretina obsahu, tuba sa uzavrie, obsah sa starostlivo premieša a potom sa odoberie skúšobná vzorka. |
| 6.3. Stanovenie |
| 6.3.1. Do skúmavky so skrutkovacím uzáverom (5.6.) sa s presnosťou na 10 mg naváži 6 až 7 g (Mo gramoch) zubnej pasty pripravenej podľa (6.2.) a pridajú sa tri malé sklenené guľôčky. |
| 6.3.2. Do skúmavky sa napipetuje presne 5 ml roztoku vnútorného štandardu (4.6.), 4 ml dimetylformamidu (4.4.) a 1 ml metanolu (4.5.). Skúmavka sa uzavrie a premieša sa. |
| 6.3.3. Pretrepáva sa pol hodiny na mechanickej trepačke. Uzavretá skúmavka sa odstreďuje 15 minút na centrifúge pri takej rýchlosti, ktorá spôsobí úplnú separáciu fáz. |
| Poznámka: Niekedy sa môže stať, že kvapalná fáza aj po odstredení na centrifúge ostáva stále zakalená. Určité zlepšenie sa dosiahne pridaním 1 až 2 g chloridu sodného do kvapalnej fázy a novým odstredením po usadení. |
| 6.3.4. Za podmienok podľa 6.1. sa nastreknú 3 µl roztoku (6.3.3.). Táto operácia sa zopakuje. Za opísaných podmienok môžu byť návodom tieto retenčné časy: |
| | metanol | približne 1 minúta, | | acetonitril | približne 2,5 minúty, | | chloroform | približne 6 minút, | | dimetylformamid | > 15 minút. | |
| 6.3.5. Stanovenie relatívneho odozvového faktora |
| Na stanovenie tohto faktora sa nastreknú 3 µl roztoku (4.7.). Táto operácia sa zopakuje. Relatívny odozvový faktor sa stanovuje denne. |
| 7. VÝPOČTY |
| 7.1. Výpočet relatívnej odozvy |
| 7.1.1. Zmeria sa výška a šírka v polovičnej výške pre píky acetonitrilu a chloroformu a vypočíta sa plocha oboch píkov podľa vzorca výška x šírka v polovičnej výške. |
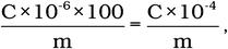
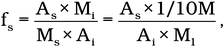
| 7.1.2. Stanoví sa plocha píkov acetonitrilu a chloroformu v chromatogramoch získaných v súlade s časťou (6.3.5.) a relatívna odozva fs sa vypočíta podľa vzorca |
| .png)
|
| kde |
| fs je relatívny odozvový faktor pre chloroform, |
| As je plocha píku chloroformu (6.3.5.), |
| Ai je plocha píku acetonitrilu (6.3.5.), |
| Ms je množstvo chloroformu v mg na 10 ml roztoku podľa 6.3.5. (M1), |
| Mi je množstvo acetonitrilu v mg na 10 ml roztoku podľa 6.3.5. (1/10M). |
| Z odčítaných hodnôt sa vypočíta priemerná hodnota. |
| 7.2. Výpočet obsahu chloroformu |
| 7.2.1. Postupom podľa 7.1.1. sa vypočíta plocha píku chloroformu a acetonitrilu z chromatogramu získaného podľa 6.3.4. |
| 7.2.2. Obsah chloroformu v hmotnostných percentách v zubnej paste sa vypočíta podľa vzorca |
| .png)
|
| kde |
| As je plocha píku chloroformu (6.3.4.), |
| Ai je plocha píku acetonitrilu (6.3.4.), |
| Msx je množstvo vzorky podľa 6.3.1. v mg (1 000 M0), |
| Mi je množstvo acetonitrilu v mg na 10 ml roztoku podľa 6.3.2. (1/10 M). |
| Zo zistených hladín úrovne obsahu sa vypočíta priemerná hodnota s presnosťou na 0,1 %. |
| 8. OPAKOVATEĽNOSŤ2) |
| Pri obsahu asi 3 % chloroformu nesmie rozdiel medzi výsledkami dvoch paralelne uskutočnených stanovení na tej istej vzorke presiahnuť v absolútnej hodnote 0,3 %. |
| 6. STANOVENIE ZINKU |
| (Podľa smernice Komisie 80/1335/EHS z 22. decembra 1980 v znení smernice Komisie 87/143/EHS) |
| 1. ROZSAH A OBLASŤ POUŽITIA |
| Táto metóda je vhodná na stanovenie zinku prítomného ako chlorid, síran alebo 4-hydroxybenzénsulfonát alebo ako zmes niekoľkých týchto zinočnatých solí v kozmetických výrobkoch. |
| 2. DEFINÍCIA |
| Obsah zinku vo vzorke sa stanoví gravimetricky ako bis (2–metyl–8–chinolyloxid) a vyjadrí sa v hmotnostných percentách zinku vo vzorke. |
| 3. PRINCÍP |
| Zinok prítomný vo vzorke sa vyzráža v kyslom prostredí ako bis (2–metyl–8–chinolyloxid) zinočnatý. Po odfiltrovaní sa zrazenina vysuší a odváži. |
| 4. ČINIDLÁ |
| Všetky činidlá musia byť analyticky čisté. |
| 4.1. 25 % (hmot.) koncentrovaný roztok amoniaku,d204 = 0,91 |
| 4.2. Ľadová kyselina octová |
| 4.3. Octan amónny |
| 4.4. 2–Metylchinolín–8–ol |
| 4.5. 6 % (m/V) roztok amoniaku |
| 240 g koncentrovaného amoniaku (4.1.) sa prenesie do 1 000 ml odmernej banky, doplní sa destilovanou vodou po značku a premieša sa. |
| 4.6. 0,2 M roztok octanu amónneho |
| 15,4 g octanu amónneho (4.3.) sa rozpustí v destilovanej vode, doplní sa v 1 000 ml odmernej banke po značku a premieša sa. |
| 4.7. Roztok 2–metylchinolín–8–olu |
| 5 g 2-metylchinolín-8-olu sa rozpustí v 12 ml ľadovej kyseliny octovej a destilovanou vodou sa prenesie do 100 ml odmernej banky. Doplní sa destilovanou vodou po značku a premieša sa. |
| 5. PRÍSTROJE A POMÔCKY |
| 5.1. Odmerné banky, 100 a 1 000 ml |
| 5.2. Kadičky, 400 ml |
| 5.3. Odmerné valce, 50 a 150 ml |
| 5.4. Delené pipety, 10 ml |
| 5.5. Sklenené filtračné tégliky, G-4 |
| 5.6. Vákuové banky, 500 ml |
| 5.7. Vodná výveva |
| 5.8. Teplomer, delený od 0 do 100 oC |
| 5.9. Exsikátor s vhodným sušidlom a indikátorom vlhkosti, napr. silikagél alebo ekvivalent |
| 5.10. Sušička s reguláciou teploty na 150 ± 2 oC |
| 5.11. pH-meter |
| 5.12. Vyhrievacia platňa |
| 6. POSTUP |
| 6.1. Do 400 ml kadičky sa naváži 5 až 10 g (M v gramoch) vzorky určenej na analýzu, obsahujúcej približne 50 až 100 mg zinku, pridá sa 50 ml destilovanej vody a premieša sa. |
| 6.1.1 Zmes sa podľa potreby prefiltruje pomocou vývevy a filtrát sa zachytí. |
| 6.1.2 Extrakcia sa opakuje s ďalšími 50 ml destilovanej vody, prefiltruje sa a filtráty sa zlúčia. |
| 6.2. Na každých 10 mg zinku prítomného v roztoku (6.1.2.) sa pridá 2 ml roztoku 2–metylchinolín–8–olu (4.7.) a premieša sa. |
| 6.3. Zmes sa zriedi 150 ml destilovanej vody, zahreje sa na teplotu 60 C (5.12.) a za stáleho miešania sa pridá 45 ml 0,2 M roztoku octanu amónneho (4.6.). |
| 6.4. pH roztoku sa upraví za stáleho miešania 6 % (hmot.) roztokom amoniaku (4.5.) na 5,7 až 5,9. Na meranie pH roztoku sa použije pH meter. |
| 6.5. Roztok sa nechá stáť 30 minút. Prefiltruje sa pomocou vodnej vývevy cez G-4 filter téglika, ktorý sa vopred vysuší (150 oC) a po ochladení odváži (M0 v gramoch). Zrazenina sa premyje 150 ml 95 oC destilovanej vody. |
| 6.6. Téglik sa umiestni do sušičky nastavenej na 150 oC a suší sa jednu hodinu. |
| 6.7. Téglik sa vyberie zo sušičky, umiestni sa do exsikátora (5.9.) a po ochladení na laboratórnu teplotu sa určí jej hmotnosť (M1 v gramoch). |
| 7. VÝPOČTY |
| Obsah zinku vo vzorke v hmotnostných percentách sa vypočíta podľa vzorca |
| .png)
|
| kde |
| M je hmotnosť vzorky (6.1.) v gramoch, |
| M0 je hmotnosť prázdneho a suchého téglika s filtrom (6.5.) v gramoch, |
| M1 je hmotnosť téglika s filtrom a zrazeninou (6.7.) v gramoch. |
| 8. OPAKOVATEĽNOSŤ2) |
| Pri obsahu asi 1 % (hmot.) zinku nesmie rozdiel medzi výsledkami dvoch paralelne uskutočnených stanovení na tej istej vzorke presiahnuť v absolútnej hodnote 0,1 %. |
| 7. DÔKAZ A STANOVENIE KYSELINY 4-HYDROXYBENZÉNSULFÓNOVEJ |
| (Podľa smernice Komisie 80/1335/EHS z 22. decembra 1980) |
| 1. ROZSAH A OBLASŤ POUŽITIA |
| Táto metóda je vhodná na dôkaz a stanovenie kyseliny 4-hydroxybenzénsulfónovej v kozmetických výrobkoch, ako sú aerosóly a pleťové lotiony. |
| 2. DEFINÍCIA |
| Obsah kyseliny 4-hydroxybenzénsulfónovej, stanovený v súlade s touto metódou, sa vyjadrí v hmotnostných percentách bezvodého zinkium-4-hydroxybenzénsulfonátu vo výrobku. |
| 3. PRINCÍP |
| Skúšobná vzorka sa zahustí za zníženého tlaku, rozpustí sa vo vode a prečistí sa extrakciou chloroformom. Stanovenie kyseliny 4-hydroxybenzénsulfónovej sa uskutoční jodometricky na alikvotnej časti prefiltrovaného vodného roztoku. |
| 4. ČINIDLÁ |
| Všetky činidlá musia byť analyticky čisté. |
| 4.1. 36 % (hmot.) koncentrovaná kyselina chlorovodíková (d204 = 1,18) |
| 4.2. Chloroform |
| 4.3. Bután-1-ol |
| 4.4. Ľadová kyselina octová |
| 4.5. Jodid draselný |
| 4.6. Bromid draselný |
| 4.7. Uhličitan sodný |
| 4.8. Kyselina sulfanilová |
| 4.9. Dusitan sodný |
| 4.10. 0,1 N roztok bromičnanu draselného |
| 4.11. 0,1 N roztok tiosíranu sodného |
| 4.12. 1 % (m/V) vodný roztok škrobu |
| 4.13. 2 % (m/V) vodný roztok uhličitanu sodného |
| 4.14. 4,5 % (m/V) vodný roztok dusitanu sodného |
| 4.15. 0,05 % (m/V) roztok ditizónu v chloroforme |
| 4.16. Vyvíjacie rozpúšťadlo |
| Bután-1-ol/ľadová kyselina octová/voda (4 : 1 : 5 v objemových dieloch). Po zmiešaní v oddeľovacom lieviku sa odstráni dolná fáza. |
| 4.17. Paulyho činidlo |
| 4,5 g kyseliny sulfanilovej (4.8.) sa za zahrievania rozpustí v 45 ml koncentrovanej kyseliny chlorovodíkovej (4.1.) a roztok sa zriedi vodou do 500 ml. 10 ml roztoku sa ochladí v nádobe s ľadovou vodou a za stáleho miešania sa pridá 10 ml ochladeného roztoku dusitanu sodného (4.14.). Roztok sa nechá stáť 15 minút pri 0 oC (pri tejto teplote ostáva roztok stabilný 1 – 3 dni) a tesne pred nanesením (7.5.) sa pridá 20 ml roztoku uhličitanu sodného (4.13.). |
| 4.18. Hotové celulózové platne pre tenkovrstvovú chromatografiu, rozmery 20 x 20 cm, hrúbka vrstvy adsorbentu 0,25 mm |
| 5. PRÍSTROJE A POMÔCKY |
| 5.1. Banky s guľatým dnom a zábrusovou sklenenou zátkou, 100 ml |
| 5.2. Oddeľovací lievik, 100 ml |
| 5.3. Kužeľovitá banka so zábrusovou sklenenou zátkou, 250 ml |
| 5.4. Byreta, 25 ml |
| 5.5. Nedelené pipety, 1, 2 a 10 ml |
| 5.6. Delená pipeta, 5 ml |
| 5.7. Mikrostriekačka, 10 µl, delená po 0,1 µl |
| 5.8. Teplomer, delený od 0 oC do 100 oC |
| 5.9. Vodný kúpeľ vybavený vyhrievacím telesom |
| 5.10. Sušička s dobrým vetraním nastaviteľná na 80 oC |
| 5.11. Bežná aparatúra na uskutočnenie tenkovrstvovej chromatografie |
| 6. PRÍPRAVA VZORKY |
| Pri nižšie opísanej metóde na dôkaz a stanovenie kyseliny 4-hydroxybenzénsulfónovej v aerosóloch sa použije zvyšok získaný uvoľnením tých rozpúšťadiel a hnacích plynov z aerosólu, ktoré sa môžu odpariť za normálneho tlaku. |
| 7. DÔKAZ |
| 7.1. S pomocou mikrostriekačky (5.7.) sa na každý zo šiestich bodov na čiare štartu, vo vzdialenosti 1 cm od spodného okraja tenkovrstvovej platne (4.18.), nanesie po 5 µl odparku (6.) alebo vzorky. |
| 7.2. Platňa sa umiestni do vyvíjacej komory, ktorá už obsahuje vyvíjacie rozpúšťadlo (4.16.), a vyvíja sa, kým čelo rozpúšťadla nedosiahne 15 cm od čiary štartu. |
| 7.3. Platňa sa vyberie z kúpeľa a vysuší sa pri 80 oC dovtedy, kým už nie sú vnímateľné pary kyseliny octovej. Platňa sa postrieka roztokom uhličitanu sodného (4.13.) a vysuší sa na vzduchu. |
| 7.4. Jedna polovica platne sa prikryje sklenenou platňou a neprikrytá časť sa postrieka 0,05 % roztokom ditizónu (4.15.). Objavenie sa fialovočervených škvŕn na chromatograme je dôkazom prítomnosti zinočnatých iónov. |
| 7.5. Postriekaná polovica platne sa prikryje sklenenou platňou a druhá polovica sa postrieka Paulyho činidlom (4.17.). Dôkazom prítomnosti kyseliny 4-hydroxybenzénsulfónovej je objavenie sa žltohnedých škvŕn s Rf hodnotou okolo 0,26. Žlté škvrny s Rf hodnotou okolo 0,45 na chromatograme sú dôkazom prítomnosti kyseliny 3-hydroxybenzénsulfónovej. |
| 8. STANOVENIE |
| 8.1. Do 100 ml banky s guľatým dnom sa naváži 10 g vzorky alebo zvyšku (6.) a odparí sa vo vodnom kúpeli vyhriatom na 40 oC v rotačnej vákuovej odparke za vákua takmer dosucha. |
| 8.2. Do banky sa napipetuje 10 ml (V1 v mililitroch) vody a zvyšok po odparení (8.1.) sa za zahrievania rozpustí. |
| 8.3. Roztok sa kvantitatívne prenesie do oddeľovacieho lievika (5.2.) a vodný roztok sa extrahuje dvakrát 20 ml dávkami chloroformu (4.2.). Chloroformová fáza sa po každej extrakcii odstráni. |
| 8.4. Vodný roztok sa prefiltruje cez skladaný filter. V závislosti od očakávaného obsahu kyseliny hydroxybenzénsulfónovej sa do 250 ml kužeľovitej banky (5.3.) napipetuje 1 až 2 ml (V2 v mililitroch) filtrátu a zriedi sa do 75 ml vodou. |
| 8.5. Pridá sa 2,5 ml 36 % kyseliny chlorovodíkovej (4.1.) a 2,5 g bromidu draselného (4.6.), premieša sa a roztok sa vo vodnom kúpeli zahreje na teplotu 50 oC. |
| 8.6. Z byrety sa pridáva 0,02 N roztok bromičnanu draselného (4.10.), kým sa roztok zahriaty na 50 oC nesfarbí nažlto. |
| 8.7. Pridajú sa ďalšie 3 ml roztoku bromičnanu draselného (4.10.), banka sa zazátkuje a nechá sa stáť 10 minút vo vodnom kúpeli pri 50 oC. Ak roztok po 10 minútach stratí sfarbenie, pridajú sa ďalšie 2 ml roztoku bromičnanu draselného (4.10.), banka sa zazátkuje a zahrieva sa 10 minút vo vodnom kúpeli zahriatom na 50 oC. Zaznamená sa celkové množstvo pridaného roztoku bromičnanu draselného (a). |
| 8.8. Roztok sa ochladí na laboratórnu teplotu, pridajú sa 2 g jodidu draselného (4.5.) a premieša sa. |
| 8.9. Vzniknutý jód sa titruje 0,1 N roztokom tiosíranu sodného (4.11.). Pred koncom titrácie sa pridá niekoľko kvapiek roztoku škrobu (4.12.) ako indikátora. Zaznamená sa spotrebované množstvo roztoku tiosíranu sodného (b). |
| 9. VÝPOČET |
| Obsah zinkium-hydroxybenzénsulfonátu vo vzorke alebo vo zvyšku (6.) v hmotnostných percentách sa vypočíta podľa vzorca |
| .png)
|
| kde |
| a je celkové množstvo pridaného 0,02 N roztoku bromičnanu draselného v mililitroch (8.7.), |
| b je množstvo 0,1 N roztoku tiosíranu sodného, spotrebovaného na spätnú titráciu (8.9.) v mililitroch, |
| m je množstvo analyzovaného výrobku alebo odparku (8.1.) v miligramoch, |
| V1 je objem roztoku podľa 8.2. v mililitroch, |
| V2 je objem rozpusteného zvyšku po odparení, použitého na analýzu (8.4.) v mililitroch. |
| V prípade aerosólov sa výsledok hmotnostných percent odparku (6.) musí vyjadriť prepočtom na pôvodný výrobok. Na účel tohto prepočtu sa uvedie odkaz na odber vzoriek z aerosólov. |
| 10. OPAKOVATEĽNOSŤ2) |
| Pri obsahu asi 5 % zinkium-hydroxybenzénsulfonátu nesmie rozdiel medzi výsledkami dvoch paralelne uskutočnených stanovení na tej istej vzorke presiahnuť absolútnu hodnotu 0,5 %. |
| 11. INTERPRETÁCIA VÝSLEDKOV |
| Podľa osobitného predpisu3) je najvyššie povolený obsah zinkium-4-hydroxybenzénsulfonátu v pleťových lotionoch a dezodorantoch 6 % (hmot.). To znamená, že popri obsahu kyseliny hydroxybenzénsulfónovej sa musí stanoviť aj obsah zinku. Vynásobením vypočítaného obsahu zinkium-hydroxybenzénsulfonátu (9) faktorom 0,1588 sa získa minimálny obsah zinku v hmotnostných percentách, ktorý musí byť teoreticky prítomný vo výrobku vzhľadom na stanovený obsah kyseliny hydroxybenzénsulfónovej. Skutočný obsah zinku, stanovený gravimetricky, však môže byť vyšší, pretože v kozmetických výrobkoch možno použiť aj chlorid zinočnatý a síran zinočnatý. |
| 8. DÔKAZ OXIDAČNÝCH ČINIDIEL A STANOVENIE PEROXIDU VODÍKA VO VÝROBKOCH VLASOVEJ KOZMETIKY |
| (Podľa smernice Komisie 82/434/EHS zo 14. mája 1982) |
| ÚČEL A OBLASŤ POUŽITIA |
| Jodometrické stanovenie peroxidu vodíka v kozmetike je možné len v neprítomnosti ostatných oxidačných činidiel, ktoré vytvárajú jód z jodidov. V dôsledku toho je pred jodometrickým stanovením peroxidu vodíka potrebné detekovať a identifikovať každé iné prítomné oxidačné činidlo. Tento dôkaz pozostáva z dvoch fáz, kde prvá zahŕňa peroxosírany, bromičnany a peroxid vodíka a druhá peroxid bárnatý. |
| A. DÔKAZ PEROXOSÍRANOV, BROMIČNANOV A PEROXIDU VODÍKA |
| 1. PRINCÍP |
| Peroxosíran sodný, peroxosíran draselný a peroxosíran amónny; bromičnan draselný, bromičnan sodný a peroxid vodíka, aj ten, ktorý pochádza z peroxidu bárnatého, sa dokazujú zostupnou papierovou chromatografiou s použitím dvoch vyvíjacích rozpúšťadiel. |
| 2. ČINIDLÁ |
| Všetky činidlá musia byť analyticky čisté. |
| 2.1. 0,5 % (m/V) vodné referenčné roztoky: |
| 2.1.1. peroxosíranu sodného |
| 2.1.2. peroxosíranu draselného |
| 2.1.3. peroxosíranu amónneho |
| 2.1.4. bromičnanu draselného |
| 2.1.5. bromičnanu sodného |
| 2.1.6. peroxidu vodíka |
| 2.2. Vyvíjacie rozpúšťadlo A: |
| 80 % (obj.) etanol |
| 2.3. Vyvíjacie rozpúšťadlo B |
| benzén/metanol/3-metylbután-1-ol/voda (v objemových dieloch 34 : 38 : 18 : 10) |
| 2.4. Detekčné činidlo A |
| 10 % (m/V) vodný roztok jodidu draselného |
| 2.5. Detekčné činidlo B |
| 1 % (m/V) vodný roztok škrobu |
| 2.6. Detekčné činidlo C |
| 10 % (hmot.) roztok kyseliny chlorovodíkovej |
| 2.7. 4 N roztok kyseliny chlorovodíkovej |
| 3. PRÍSTROJE A POMÔCKY |
| 3.1. Chromatografický papier (Whatman č. 3 a č. 4 alebo ich ekvivalent) |
| 3.2. Mikropipeta, 1 µl |
| 3.3. Odmerné banky, 100 ml |
| 3.4. Skladané filtre |
| 3.5. Vyvíjacia komora na zostupnú papierovú chromatografiu |
| 4. PRÍPRAVA VZORKY |
| 4.1. Výrobky rozpustné vo vode |
| Z každej vzorky sa pripravia dva roztoky rozpustením 1 g a 5 g výrobku v 100 ml vody. 1 µl každého z týchto roztokov sa použije na papierovú chromatografiu (5.). |
| 4.2. Výrobky málo rozpustné vo vode |
| 4.2.1. 1 g a 5 g vzorky sa disperguje v 50 ml vody, obidve disperzie sa doplnia vodou do 100 ml, premiešajú sa a prefiltrujú sa cez skladaný filter (3.4.). Na uskutočnenie papierovej chromatografie (5.) sa použije 1 µl každého z filtrátov. |
| 4.2.2. Ešte raz sa pripravia dve disperzie z každej vzorky, dispergovaním 1 g a 5 g v 50 ml vody. Okyslia sa zriedenou kyselinou chlorovodíkovou (2.7.), doplnia sa vodou do 100 ml a premiešajú sa. Disperzie sa prefiltrujú cez skladaný filter (3.4.) a na uskutočnenie papierovej chromatografie (5.) sa použije po 1 µl každého z filtrátov. |
| 4.3. Krémy |
| V 100 ml vody sa disperguje 5 g a 20 g každého výrobku a tieto disperzie sa použijú na uskutočnenie papierovej chromatografie (5.). |
| 5. METÓDA |
| 5.1. Na uskutočnenie zostupnej papierovej chromatografie sa použije primerané množstvo rozpúšťadiel A (2.2.) a B (2.3.) do dvoch samostatných chromatografických vyvíjacích komôr. |
| 5.2. Na štartovaciu čiaru pásu chromatografického papiera (Whatman č. 3 alebo jeho ekvivalent) dlhého 40 cm a širokého 20 cm (3.1.) alebo inej vhodnej veľkosti sa nanesie 1 µl jedného roztoku vzorky a jedného referenčného roztoku. |
| 5.3. Tento pás chromatografického papiera (5.2.) sa umiestni do chromatografickej vyvíjacej komory naplnenej rozpúšťadlom A (5.1.) a nechá sa vyvíjať, kým čelo rozpúšťadla nedosiahne 35 cm (asi 15 hodín). |
| 5.4. S použitím ďalšieho pásu chromatografického papiera (Whatman č. 4 alebo jeho ekvivalent) (3.1.) a vyvíjacieho rozpúšťadla B sa zopakuje postup opísaný v častiach (5.2. a 5.3.). Chromatogram sa nechá vyvíjať, kým čelo rozpúšťadla nedosiahne 35 cm (asi 5 hodín). |
| 5.5. Po vyvíjaní sa chromatogramy vyberú a vysušia na vzduchu. |
| 5.6. Škvrny na chromatograme sa zviditeľnia ich postriekaním: |
| 5.6.1. detekčným činidlom A (2.4.) a krátko nato detekčným činidlom B (2.5.). Prvé sa na chromatograme objavia škvrny peroxosíranov nasledované škvrnami peroxidu vodíka. Škvrny sa označia ceruzkou; |
| 5.6.2. detekčným činidlom C (2.6.) na chromatogram podľa 5.6.1. Prítomnosť bromičnanov sa preukáže sivo- modrými škvrnami. |
| 5.7. Za vyššie uvedených podmienok, vzťahujúcich sa na vyvíjacie rozpúšťadlá A (2.2.) a B (2.3.), sú Rf hodnoty referenčných látok (2.1.) približne takéto: |
| | | Vyvíjacie činidlo
A (2.2.) | Vyvíjacie činidlo
B (2.3.) | Peroxosíran sodný
Peroxosíran draselný
Peroxosíran amónny
Bromičnan draselný
Bromičnan sodný
Peroxid vodíka | 0,40
0,40
0,50
0,40
0,40
0,80 | 0,10
0,02 + 0,05
0,10 + 0,20
0,20
0,10 + 0,20
0,80 | |
| B. DÔKAZ PEROXIDU BÁRNATÉHO |
| 1. PRINCÍP |
| Peroxid bárnatý sa dokáže na základe vzniku peroxidu vodíka po okyslení vzorky (A.4.2.) a na základe prítomnosti bárnatého iónu: |
| a) v neprítomnosti peroxosíranov (A), pridaním zriedenej kyseliny sírovej k časti kyslého roztoku vzorky (B.4.1.), v dôsledku čoho sa vytvorí biela zrazenina síranu bárnatého. Prítomnosť bárnatých iónov vo vzorke (B.4.1.) sa opäť potvrdí papierovou chromatografiou nižšie opísaným spôsobom podľa B.5., |
| b) ak sú súčasne prítomné peroxid bárnatý a peroxosírany (B.4.2.), upravením zvyšku roztoku (B.4.2.) na alkalický. Po rozpustení v kyseline chlorovodíkovej sa prítomnosť bárnatých iónov potvrdí v roztoku taveniny (B.4.2.3.) papierovou chromatografiou a/alebo vyzrážaním síranu bárnatého. |
| 2. ČINIDLÁ |
| 2.1. Metanol |
| 2.2. 36 % (hmot.) koncentrovaná kyselina chlorovodíková |
| 2.3. 6 N kyselina chlorovodíková |
| 2.4. 4 N kyselina chlorovodíková |
| 2.5. Disodná soľ kyseliny rodizónovej |
| 2.6. Chlorid bárnatý (BaCl2 . 2H2O) |
| 2.7. Bezvodý uhličitan sodný |
| 2.8. 1 % (m/V) vodný roztok chloridu bárnatého |
| 2.9. Vyvíjacie rozpúšťadlo, pozostávajúce z metanolu, koncentrovanej kyseliny chlorovodíkovej 36 % a z vody (80 : 10 : 10 v objemových dieloch) |
| 2.10. Detekčné činidlo |
| 0,1 % (m/V) vodný roztok disodnej soli kyseliny rodizónovej čerstvo pripravený pred použitím |
| 3. PRÍSTROJE A POMÔCKY |
| 3.1. Mikropipeta, 5 µl |
| 3.2. Platinové tégliky |
| 3.3. Odmerné banky, 100 ml |
| 3.4. Chromatografický papier Schleicher and Schull 2043 b alebo jeho ekvivalent. Papier sa prečistí vyvíjaním cez noc vo vyvíjacej zostupnej chromatografickej komore (A.3.5.), obsahujúcej vyvíjacie rozpúšťadlo (B.2.9.), a potom sa vysuší. |
| 3.5. Skladaný filtračný papier |
| 3.6. Bežné zariadenie na uskutočnenie vzostupnej papierovej chromatografie |
| 4. PRÍPRAVA VZORKY |
| 4.1. Výrobky bez prítomnosti peroxosíranu |
| 4.1.1. 2 g výrobku sa dispergujú v 50 ml vody a pH disperzie sa upraví kyselinou chlorovodíkovou (B.2.3.) na približne 1. |
| 4.1.2. Vodná disperzia sa prenesie do 100 ml odmernej banky, doplní sa vodou po značku a premieša sa. Táto disperzia sa použije na papierovú chromatografickú analýzu, podľa 5. a na dôkaz bária vyzrážaním síranu. |
| 4.2. Výrobky obsahujúce peroxosírany |
| 4.2.1. 2 g výrobku sa dispergujú v 100 ml vody a prefiltrujú sa. |
| 4.2.2. K vysušenému zvyšku sa pridá 7 až 10-násobok jeho hmotnosti uhličitanu sodného (B.2.7.), premieša sa a zmes sa taví 1/2 hodiny v platinovom tégliku (B.3.2.) |
| 4.2.3. Tavenina sa ochladí na laboratórnu teplotu, rozpustí sa v 50 ml vody a prefiltruje sa (B.3.5.). |
| 4.2.4. Zvyšok sa znova rozpustí v kyseline chlorovodíkovej (B.2.3.) a doplní sa vodou do 100 ml. Tento roztok sa použije na papierovú chromatografickú analýzu podľa 5. a na dôkaz bária vyzrážaním síranu. |
| 5. METÓDA |
| 5.1. Primerané množstvo vyvíjacieho rozpúšťadla (B.2.9.) sa umiestni do vyvíjacej komory pre vzostupnú papierovú chromatografiu a nádoba sa nechá nasýtiť aspoň 15 hodín parami rozpúšťadla. |
| 5.2. Na kus vopred upraveného chromatografického papiera podľa B.3.4. sa nanesie na tri body na štartovacej čiare po 5 µl každého z roztokov pripravených podľa B.4.1.2. a B.4.2.4. a referenčný roztok B.2.8. |
| 5.3. Škvrny vzorky a štandardu sa vysušia na vzduchu. Chromatogram sa vyvíja, kým čelo rozpúšťadla nevystúpi o 30 cm. |
| 5.4. Chromatogram sa vyberie z vyvíjacej nádoby a vysuší sa na vzduchu. |
| 5.5. Škvrny na chromatograme sa zviditeľnia postriekaním papiera detekčným činidlom B.2.10. V prítomnosti bária sa na chromatograme objavia červené škvrny s Rf hodnotou okolo 0,10. |
| C. STANOVENIE PEROXIDU VODÍKA |
| 1. PRINCÍP |
| Jodometrické stanovenie peroxidu vodíka je založené na tejto reakcii: |
| .png)
|
| Konverzia prebieha pomaly, ale môže byť urýchlená pridaním molybdénanu amónneho. Vzniknutý jód sa stanoví titráciou tiosíranom sodným a zodpovedá obsahu peroxidu vodíka. |
| 2. DEFINÍCIA |
| Obsah peroxidu vodíka, stanovený nižšie opísaným spôsobom, sa vyjadrí ako hmotnostné percento (% hmotn.) výrobku. |
| 3. ČINIDLÁ |
| Všetky činidlá musia byť analyticky čisté. |
| 3.1. 2 N kyselina sírová |
| 3.2. Jodid draselný |
| 3.3. Molybdénan amónny |
| 3.4. 0,1 N roztok tiosíranu sodného |
| 3.5. 10 % (m/V) roztok jodidu draselného pripravený tesne pred použitím |
| 3.6. 20 % (m/V) roztok molybdénanu amónneho |
| 3.7. 1 % (m/V) roztok škrobu |
| 4. PRÍSTROJE A POMÔCKY |
| 4.1. Kadičky, 100 ml |
| 4.2. Byreta, 50 ml |
| 4.3. Odmerné banky, 250 ml |
| 4.4. Odmerné valce, 25 ml a 100 ml |
| 4.5. Nedelené pipety, 10 ml |
| 4.6. Kužeľovité banky, 250 ml |
| 5. METÓDA |
| 5.1. Do 100 ml kadičky sa naváži 10 g (m v gramoch) výrobku, obsahujúceho približne 0,6 g peroxidu vodíka. Obsah sa s vodou prenesie do 250 ml odmernej banky, doplní sa vodou po značku a premieša sa. |
| 5.2. Do 250 ml kužeľovitej banky (4.6.) sa napipetuje 10 ml roztoku vzorky (5.1.) a jeden po druhom sa pridá 100 ml 2 N kyseliny sírovej (3.1.), 20 ml roztoku jodidu draselného (3.5.) a 3 kvapky roztoku molybdénanu amónneho (3.6.). |
| 5.3. Vzniknutý jód sa ihneď titruje 0,1 N roztokom tiosíranu sodného (3.4.) a tesne pred dosiahnutím koncového bodu titrácie sa pridá niekoľko mililitrov roztoku škrobu (3.7.) ako indikátora. Zaznamená sa spotreba 0,1 N roztoku tiosíranu sodného (3.4.) v mililitroch (V). |
| 5.4. Spôsobom podľa (5.2. a 5.3.) sa uskutoční slepý pokus, kde sa 10 ml roztoku vzorky nahradí 10 ml vody. Zaznamená sa spotreba 0,1 N roztoku tiosíranu sodného na slepú titráciu (V0 v mililitroch). |
| 6. VÝPOČET |
| Výpočet obsahu peroxidu vodíka vo výrobku v hmotnostných percentách % (hmot.) sa vypočíta podľa vzorca |
| .png)
|
| kde |
| m je množstvo analyzovaného výrobku v gramoch (5.1.), |
| V0 je spotreba 0,1 N roztoku tiosíranu sodného pri slepom pokuse v ml (5.4.), |
| V je spotreba 0,1 N roztoku tiosíranu sodného pri titrácii roztoku vzorky v ml (5.3.). |
| 7. OPAKOVATEĽNOSŤ2) |
| Pri obsahu asi 6 % hmot. peroxidu vodíka nesmie rozdiel medzi výsledkami dvoch paralelne uskutočnených stanovení na tej istej vzorke presiahnuť v absolútnej hodnote 0,2 %. |
| 9. DÔKAZ A SEMIKVANTITATÍVNE STANOVENIE URČITÝCH OXIDAČNÝCH FARBÍV VO FARBÁCH NA VLASY |
| (Podľa smernice Komisie 82/434/EHS zo 14. mája 1982) |
| 1. ÚČEL A OBLASŤ POUŽITIA |
| Táto metóda je vhodná na dôkaz a semikvantitatívne stanovenie týchto látok vo farbách na vlasy vo forme krému alebo kvapaliny: |
| | Látky | Symbol | | Fenyléndiamíny | | | o-fenyléndiamín | (OPD) | | m-fenyléndiamín | (MPD) | | p-fenyléndiamín | (PPD) | | Metylfenyléndiamíny | | | 4-metyl-1,2-fenyléndiamín (toluén-3,4-diamín) | (OTD) | | 4-metyl-1,3-fenyléndiamín (toluén-2,4-diamín) | (MTD) | | 2-metyl-1,4-fenyléndiamín (toluén-2,5-diamín) | (PTD) | | Diaminofenoly | | | 2,4-diaminofenol | (DAP) | | Hydrochinón | | | Benzén-1,4-diol | (H) | | α-naftol | (α-N) | | Pyrogalol | | | Benzén-1,2,3-triol | (P) | | Rezorcinol | | | Benzén-1,3-diol | (R) | |
| 2. PRINCÍP |
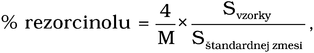
| Oxidačné farbivá sa extrahujú z farieb vo forme krému alebo kvapaliny s 96 % etanolom pri pH 10 a dokazujú sa tenkovrstvovou chromatografiou, jedno alebo dvojrozmernou. |
| Na semikvantitatívne stanovenie týchto látok sa chromatogramy vzoriek porovnávajú prostredníctvom štyroch vyvíjacích sústav, v ktorých sa vyvíjali chromatogramy referenčných látok, v tom istom čase a za čo najpodobnejších podmienok. |
| 3. ČINIDLÁ |
| Všetky činidlá musia byť analyticky čisté. |
| 3.1. Etanol bezvodý |
| 3.2. Acetón |
| 3.3. Etanol 96 % obj. |
| 3.4. Roztok amoniaku, 25 % (d204 = 0,91 g/ml) |
| 3.5. Kyselina L-(+)-askorbová |
| 3.6. Chloroform |
| 3.7. Cyklohexán |
| 3.8. Dusík, technický |
| 3.9. Toluén |
| 3.10. Benzén |
| 3.11. Bután-1-ol |
| 3.12. Bután-2-ol |
| 3.13. Kyselina fosforná, 50 % obj. roztok |
| 3.14. Diazóniové činidlo: |
| a) 3-nitrobenzéndiazónium-chlórbenzénsulfonát (vo forme stabilizovanej soli) ako v Červenej 2 JN – Francolor alebo |
| b) 2-chlór-3-nitrobenzéndiazónium-naftalénbenzoát (vo forme stabilizovanej soli) ako v činidle NNCD – katalógové číslo 74 150 FLUKA, |
| alebo ich ekvivalent |
| 3.15. Dusičnan strieborný |
| 3.16. 4-(dimetylamino)benzaldehyd |
| 3.17. 2,5-dimetylfenol |
| 3.18. Hexahydrát chloridu železitého |
| 3.19. Kyselina chlorovodíková, 10 % (m/V) roztok |
| 3.20. Referenčné látky: |
| sú látky podľa 1. V prípade aminozlúčenín musia byť referenčné látky vo forme ich hydrochloridu (mono- alebo di- ) alebo ako voľné zásady. |
| 3.21. Referenčné roztoky |
| Pripravia sa roztoky referenčných látok podľa (3.20.). Do 10 ml odmernej banky sa naváži 50 mg ± 1 mg referenčnej látky. Pridá sa 5 ml 96 % etanolu (3.3.) a 250 mg kyseliny askorbovej (3.5.). Roztok sa pridaním roztoku amoniaku (3.4.) upraví na alkalický s pH 10 (overí sa indikátorovým papierikom), pridá sa 10 ml 96 % etanolu (3.3.) a premieša sa. Roztoky môžu byť uchovávané jeden týždeň v chlade a bez prístupu svetla. Ak po pridaní kyseliny askorbovej a amoniaku vznikne zrazenina, musí sa pred pokračovaním nechať usadiť. |
| 3.22. Vyvíjacie rozpúšťadlá |
| 3.22.1. Acetón/chloroform/toluén (obj. diely 35 : 25 : 40) |
| 3.22.2. Chloroform/cyklohexán/absolútny etanol/25 % amoniak (obj. diely 80 : 10 : 10 : 1) |
| 3.22.3. Benzén/bután-2-ol/voda (obj. diely 50 : 25 : 25) |
| Poriadne sa premieša a po oddelení pri laboratórnej teplote (20 až 25 oC) sa použije vrchná fáza. |
| 3.22.4. Bután-1-ol/chloroform/činidlo M (obj. diely 7 : 70 : 23). |
| Opatrne sa oddelí pri laboratórnej teplote (20 až 25 oC) a použije sa spodná fáza. |
| Príprava činidla M |
| | Roztok amoniaku, 25 % (obj.) | 24 obj. dielov | | Kyselina fosforná, 50 % (3.13.) | 1 obj. diel | | Voda | 75 obj. dielov | |
| Poznámka – Vyvíjacie rozpúšťadlá, obsahujúce amoniak, sa tesne pred použitím riadne premiešajú. |
| 3.23. Detekčné činidlá |
| 3.23.1. Diazóniové činidlo |
| Pripraví sa 5 % (m/V) vodný roztok vybraného činidla (3.16.) v 100 ml 10 % (m/V) vodného roztoku kyseliny chlorovodíkovej (3.19.). Tento roztok sa musí vždy čerstvo pripraviť tesne pred jeho použitím. |
| 3.23.2. Ehrlichovo činidlo |
| 2 g p-(dimetylamino)benzaldehydu (3.16.) sa rozpustia v 100 ml 10 % (m/V) vodného roztoku kyseliny chlorovodíkovej (3.19.). |
| 3.23.3. 2,5-dimetylfenol, hexahydrát chloridu železitého: |
| a) roztok 1 |
| 1 g 2,5-dimetylfenolu (3.17.) v 100 ml 96 % etanolu (3.3.), |
| b) roztok 2 |
| 4 g hexahydrátu chloridu železitého (3.18.) sa rozpustia v 100 ml 96 % etanolu (3.3.) |
| Na zviditeľnenie škvŕn sa týmito roztokmi vykoná postrek najprv roztokom 1, potom roztokom 2. |
| 3.23.4. Amoniakálny dusičnan strieborný |
| 25 % amoniak (3.4.) sa pridá do 5 % (m/V) vodného roztoku dusičnanu strieborného (3.15.), kým sa zrazenina nerozpustí. |
| Toto činidlo sa musí pripraviť tesne pred použitím. Neuchováva sa. |
| 4. PRÍSTROJE A POMÔCKY |
| 4.1. Bežné laboratórne vybavenie pre tenkovrstvovú chromatografiu |
| 4.1.1. Plastový alebo sklený kryt zostrojený tak, že chromatografická platňa je počas vyvíjania škvŕn a sušenia obklopená dusíkom. Toto opatrenie je nevyhnutné z dôvodu náchylnosti určitých farbív na oxidáciu. |
| 4.1.2. Mikrostriekačka, 10 µl, delená na 0,2 µl dieliky s kolmo zrezanou ihlou, alebo 50 µl viacnásobný dávkovač pripevnený svorkou na stojan tak, aby platňa mohla byť udržiavaná pod dusíkom. |
| 4.1.3. Silikagélové tenkovrstvové platne pripravené na použitie, 0,25 mm hrubé, s rozmermi 20 x 20 cm (Macherey and Nagel, silikagél G-HR na plastovej podložke alebo ich ekvivalent). |
| 4.2. Centrifúga, 4 000 otáčok/min. |
| 4.3. Centrifugačné kyvety, 10 ml s PTFE, vyloženými skrutkovacími uzávermi, alebo ich ekvivalenty. |
| 5. POSTUP |
| 5.1. Spracovanie skúšobných vzoriek |
| Prvé 2 až 3 cm krému vytlačeného z tuby sa vyhodia. Do centrifugačnej kyvety (4.3.), dopredu prefúknutej dusíkom, sa vloží 300 mg kyseliny askorbovej s 3 g krému alebo 3 g homogenizovanej kvapaliny. Po kvapkách sa pridá 25 % amoniak (3.4.), kým pH nie je 10, a doplní sa 96 % etanolom (3.3.) do 10 ml. Zhomogenizuje sa pod dusíkovou atmosférou (3.8.), zazátkuje sa a 10 minút sa odstreďuje na centrifúge pri 4 000 otáčkach/min. Použije sa kvapalný supernatant. |
| 5.2. Chromatografia |
| 5.2.1. Nanesenie škvŕn na platne – Na chromatografickú platňu (4.1.3.) sa pod dusíkovou atmosférou (3.8.) nanesie na 9 bodov vzdialených 1,5 cm od seba na čiare približne 1,5 cm od okraja platne 1 µl každého z vyššie opísaných referenčných roztokov. Tieto škvrny referenčných roztokov sa usporiadajú takto: |
| | 1 | 2 | 3 | 4 | 5 | 6 | 7 | 8 | 9 | | R | P | H | PPD | DAP | PTD | OPD | OTD | MPD | | MTD | α-N | | | | | | | | |
| Ďalej sa na body 10 a 11 nanesie po 2 µl testovaných roztokov vzoriek získaných podľa 5.1. Platňa sa uchováva pod dusíkovou atmosférou (3.8.) až do chvíle, kým sa začne vyvíjať. |
| 5.2.2. Vyvíjanie – Platňa sa umiestni do vyvíjacej komory prefúknutej dusíkom (3.8.), nasýtenej jedným zo štyroch vyvíjacích rozpúšťadiel (3.22.) a nechá sa vyvíjať pri laboratórnej teplote (20 až 25 oC) v tme, kým čelo rozpúšťadla nedosiahne 15 cm od štartovacej čiary. Platňa sa vyberie a vysuší pod dusíkom (3.8.) pri laboratórnej teplote. |
| 5.2.3. Postriekanie – Platňa sa ihneď postrieka jedným zo 4 roztokov, špecifikovaných v 3.23. |
| 5.2.4. Dôkaz – Porovnajú sa Rf hodnoty a farba škvŕn získaných zo vzorky, so škvrnami chromatografovaných referenčných látok. Tabuľka č. 1 udáva príklady Rf hodnôt a farieb pre každú látku v závislosti od použitého rozpúšťadla a detekčného činidla. Potvrdenie nejednoznačnej identifikácie sa môže niekedy dosiahnuť klinovou metódou – pridaním príslušnej referenčnej látky do extraktu vzorky. |
| 5.2.5. Semikvantitatívny odhad – Vizuálne sa porovná intenzita škvŕn pre každú látku identifikovanú v 5.2.4., v príslušnom rozsahu koncentrácií referenčných látok. Ak sa zistí, že koncentrácia jednej alebo viacerých látok je nadmerná, extrakt vzorky sa zriedi a stanovenie sa zopakuje. |
| Rf hodnoty a farby škvŕn získaných ihneď po postriekaní Tabuľka č. 1 |
| Referenčná
látka (3.20.) | Vyvíjacie rozpúšťadlo | Detekčné činidlá | | Rf hodnoty | Výsledné farby | | (3.22.1.) | (3.22.2.) | (3.22.3.) | (3.22.4.) | Diazóniové
(3.23.1.) | Ehrlichove
(3.23.2.) | Dimetylfenol
(3.23.3.) | AgNO3
(3.23.4.) | | OPD | 0,62 | 0,60 | 0,30 | 0,57 | svetlohnedá | - | - | svetlohnedá | | MPD | 0,40 | 0,60 | 0,47 | 0,48 | fialovo-
hnedá *) | žltá | svetlohnedá | svetlohnedá | | PPD | 0,20 | 0,50 | 0,30 | 0,48 | hnedá | jasnočervená
*) | fialová | sivá | | OTD | 0,60 | 0,60 | 0,53 | 0,60 | hnedá *) | svetlo-
oranžová | svetlohnedá | sivasto-
hnedá | | MTD | 0,40 | 0,67 | 0,45 | 0,60 | červeno-
hnedá *) | žltá | hnedá | čierna | | PTD | 0,33 | 0,65 | 0,37 | 0,70 | hnedá | oranžová | fialová *) | sivá | | DAP | 0,07 | - | 0 | 0,05 | hnedá *) | oranžová | fialová | hnedá | | H | 0,50 | 0,35 | 0,80 | 0,20 | - | oranžová | fialová | čierna *) | | a-N | 0,90 | 0,80 | 0,90 | 0,75 | oranžovo-
hnedá | - | fialová *) | čierna | | P | 0,37 | - | 0,67 | 0,05 | hnedá | fialovkastá | nahnedlá | hnedá *) | | R | 0,50 | 0,37 | 0,80 | 0,17 | oranžová *) | svetlofialová | nahnedlá | svetlohnedá | |
| Poznámka 1: OPD sa málo výrazne prejavuje; musí sa použiť rozpúšťadlo (3.22.3.), aby sa jasne oddelil od OTD. |
| Poznámka 2: *) označuje najlepšie vyvinutú farbu. |
| 6. PRESKÚMANIE DVOJROZMERNOU TENKOVRSTVOVOU CHROMATOGRAFIOU |
| Pre tento postup sú potrebné prídavné štandardy a činidlá. |
| 6.1. Prídavné referenčné roztoky a látky |
| 6.1.1. Naftalén-2-ol (b-N) |
| 6.1.2. 2-aminofenol (OAP) |
| 6.1.3. 3-aminofenol (MAP) |
| 6.1.4. 4-aminofenol (PAP) |
| 6.1.5. 2-nitro-1,4-fenyléndiamín (2-NPPD) |
| 6.1.6. 4-nitro-1,2-fenyléndiamín (4-NOPD) – Pripravia sa 0,5 % (m/V) roztoky každej z prídavných referenčných látok podľa 3.21. |
| 6.2. Prídavné vyvíjacie rozpúšťadlo |
| 6.2.1. Etyl/acetát/cyklohexán/ 25 % roztok amoniaku (obj. diely 65 : 30 : 0,5) |
| 6.3. Prídavná detekčná sústava – Do vyvíjacej komory pre tenkovrstvovú chromatografiu sa umiestni sklená nádoba, do nej sa vložia asi 2 g kryštalického jódu a vyvíjacia komora sa uzavrie primeraným uzáverom. |
| 6.4. Chromatografia |
| 6.4.1. Na povrch adsorbentu tenkovrstvovej platne (4.1.3.) sa nakreslia dve čiary podľa obrázku č. 1. |
| 6.4.2. Pod dusíkovou atmosférou (4.1.1.) sa na základný bod 1 (obrázok č. 1), asi 2 cm od oboch okrajov, nanesie 1 až 4 ml extraktu (5.1.), množstvo ktorého závisí od intenzity škvŕn na chromatogramoch 5.2. |
| 6.4.3. Medzi body 2 a 3 (obrázok č. 1) sa nanesú oxidačné farbivá, indentifikované alebo predpokladané za identifikované podľa 5.2. (so vzdialenosťou medzi bodmi 1,5 cm). Nanesú sa 2 µl príslušných referenčných roztokov – okrem DAP, ktorého sa musí naniesť 6 µl. Táto operácia sa robí pod dusíkovou atmosférou (6.4.2.). |
| 6.4.4. Operácia v 6.4.3. sa zopakuje na základných bodoch 4 a 5 (obrázok č. 1) a platňa sa uchováva pod dusíkovou atmosférou až do chvíle, kým sa bude vyvíjať (vzdialenosť medzi bodmi 1,5 cm). |
| 6.4.5. Chromatografická vyvíjacia komora sa prefúkne dusíkom (3.8.) a naleje sa do nej primerané množstvo vyvíjacieho rozpúšťadla (3.22.2.). Platňa (6.4.4.) sa umiestni do vyvíjacej komory a nechá sa vyvíjať v tme v prvom elučnom smere (obrázok č. 1). |
| Eluuje sa, kým čelo rozpúšťadla nedosiahne čiaru vyznačenú na platni (približne 13 cm). |
| 6.4.6. Platňa sa vyberie z vyvíjacej komory a umiestni sa aspoň na 60 minút do chromatografickej vyvíjacej komory, vopred prefúknutej dusíkom, aby sa odparilo rozpúšťadlo. |
| 6.4.7. Pomocou delenej skúmavky sa do vyvíjacej komory, prefúknutej dusíkom (3.8.), umiestni primerané množstvo elučného rozpúšťadla (6.2.). alej sa do vyvíjacej komory (6.4.6.) umiestni platňa pootočená o 90 a nechá sa vyvíjať druhým elučným smerom (tiež v tme), kým čelo rozpúšťadla nedosiahne čiaru nakreslenú na povrchu adsorbentu. Platňa sa vyberie z vyvíjacej komory a elučné rozpúšťadlo sa nechá odpariť na vzduchu. |
| 6.4.8. Platnička sa na 10 minút umiestni do chromatografickej vyvíjacej komory s parami jódu (6.3.). Dvojrozmerný chromatogram sa interpretuje na základe Rf hodnôt a farby škvŕn súčasne chromatografovaných referenčných látok (tabuľka č. 2 udáva prehľad Rf hodnôt a farieb). |
| Poznámka – Na získanie maximálneho vyfarbenia škvŕn sa chromatogram nechá na vzduchu 1/2 hodiny po vyvolaní. |
| 6.4.9. Prítomnosť oxidačných farbív, zistených v 6.4.8., môže byť definitívne potvrdená zopakovaním operácií opísaných v 6.4.1. až 6.4.8. a pridaním na škvrnu na základný bod 1 množstva extraktu, uvedeného v 6.4.2., ešte 1 µl referenčnej látky, identifikovanej v 6.4.8. Ak sa pri porovnaní s chromatogramom, získaným v 6.4.8., nenájde žiadna ďalšia škvrna, interpretácia chromatogramu 6.4.8. je správna. |
| Farby škvŕn referenčných látok po chromatografii a vyvolaní v parách jódu Tabuľka č. 2 |
| | Referenčná látka | Farba po vyvolaní v parách jódu | | R | béžová | | P | hnedá | | α-N | fialová | | β-N | svetlohnedá | | H | fialovohnedá | | MPD | žltohnedá | | PPD | fialovohnedá | | MTD | tmavohnedá | | PTD | žltohnedá | | DAP | tmavohnedá | | OAP | oranžová | | MAP | žltohnedá | | PAP | fialovohnedá | | 2-NPPD | hnedá | | 4-NOPD | oranžová | |
| .png)
|
| 10. DÔKAZ A STANOVENIE DUSITANOV |
| (Podľa smernice Komisie 82/434/EHS zo 14. mája 1982) |
| A. DÔKAZ |
| 1. ÚČEL A OBLASŤ POUŽITIA |
| Táto metóda je vhodná na dôkaz dusitanov v kozmetických výrobkoch, predovšetkým v krémoch a pastách. |
| 2. PRINCÍP |
| Prítomnosť dusitanov sa indikuje vznikom farebných derivátov reakciou s 2-aminobenzaldehyd-fenylhydrazónom (Nitrin ®). |
| 3. ČINIDLÁ |
| Všetky činidlá musia byť analyticky čisté. |
| 3.1. Zriedená kyselina sírová |
| 2 ml koncentrovanej kyseliny sírovej (d204 = 1,84 g/ml) sa zriedi 11 ml destilovanej vody. |
| 3.2. Zriedená kyselina chlorovodíková |
| 1 ml koncentrovanej kyseliny chlorovodíkovej ( d204= 1,19 g/ml) sa zriedi 11 ml destilovanej vody. |
| 3.3. Metanol |
| 3.4. Roztok 2-aminobenzaldehyd-fenylhydrazónu (činidla Nitrin ®) v metanole |
| Naváži sa 2 g Nitrinu ® a kvantitatívne sa prenesie do 100 ml odmernej banky. Po kvapkách sa pridajú 4 ml koncentrovanej kyseliny chlorovodíkovej (3.2.) a premiešajú sa. Doplní sa metanolom po značku a mieša sa, kým sa roztok úplne nevyčíri. Roztok sa uchováva vo fľaši z tmavého skla. |
| 4. PRÍSTROJE A POMÔCKY |
| 4.1. Kadičky, 50 ml |
| 4.2. Odmerná banka, 100 ml |
| 4.3. Fľaša z tmavého skla, 125 ml |
| 4.4. Sklenená platnička, 10 x 10 cm |
| 4.5. Plastová špachtľa |
| 4.6. Filtračný papier, 10 x 10 cm |
| 5. POSTUP |
| 5.1. Časť vzorky, určená na analýzu, sa rovnomerne rozmiestni na povrchu sklenenej platničky (4.4.) tak, aby pokryla plochu vrstvou s hrúbkou nepresahujúcou 1 cm. |
| 5.2. Filtračný papier (4.6.) sa namočí destilovanou vodou. Položí sa na vzorku a filtračný papier sa popritláča plastovou špachtľou (4.5.). |
| 5.3. Po 1 minúte sa do stredu filtračného papiera nanesú 2 kvapky zriedenej kyseliny sírovej (3.1.) nasledované 2 kvapkami roztoku Nitrin-u ® (3.4.). |
| 5.4. Po 5 až 10 sekundách sa filtračný papier sníme a preskúma sa na dennom svetle. Prítomnosť dusitanov sa prejaví červenopurpurovým sfarbením. V prípade nízkeho obsahu dusitanov sa červenopurpurové sfarbenie zmení po 5 až 15 sekundách na žlté. K tejto farebnej zmene dôjde až po 1 až 2 minútach, ak bol obsah dusitanov vysoký. |
| 6. POZNÁMKA |
| Intenzita červenopurpurového sfarbenia a čas, ktorý uplynie do jeho zmeny na žlté, môže poskytnúť informáciu o obsahu dusitanov vo vzorke. |
| B. STANOVENIE |
| 1. ÚČEL |
| Táto metóda opisuje stanovenie dusitanov v kozmetických výrobkoch. |
| 2. DEFINÍCIA |
| Obsah dusitanov vo vzorke, stanovený touto metódou, sa vyjadrí v hmotnostných percentách dusitanu sodného. |
| 3. PRINCÍP |
| Po zriedení vzorky vodou a jej vyčírení prítomné dusitany reagujú so sulfanilamidom a N-(1-naftyl)etyléndiamínom a intenzita získaného sfarbenia sa meria pri 538 nm. |
| 4. ČINIDLÁ |
| Všetky činidlá musia byť analyticky čisté. |
| 4.1. Číriace činidlá |
| Tieto činidlá sa nemôžu použiť neskôr ako jeden týždeň po ich príprave. |
| 4.1.1. Carrezovo činidlo I |
| 106 g hexakyanoželeznatanu draselného, K4Fe(CN)6 . 3H2O sa rozpustí v destilovanej vode a doplní sa vodou do 1 000 ml. |
| 4.1.2. Carrezovo činidlo II |
| 219,5 g octanu zinočnatého, Zn(CH3COO)2 . 2H2O, 30 ml ľadovej kyseliny octovej sa rozpustí v destilovanej vode a zriedi sa vodou do 1 000 ml. |
| 4.2. Roztok dusitanu sodného |
| V 1 000 ml odmernej banke sa v destilovanej vode rozpustí 0,5 g dusitanu sodného a zriedi sa vodou po značku. 10 ml tohto zásobného štandardného roztoku sa zriedi do 500 ml; 1 ml takéhoto roztoku = 10 µg NaNO2. |
| 4.3. 1 N roztok hydroxidu sodného |
| 4.4. 0,2 % roztok hydrochloridu sulfanilamidu |
| Za tepla sa rozpustí 2 g sulfanilamidu v 800 ml vody. Ochladí sa a za miešania sa pridá 100 ml koncentrovanej kyseliny chlorovodíkovej. Zriedi sa vodou do 1 000 ml. |
| 4.5. 5 N kyselina chlorovodíková |
| 4.6. N-1-naftylové činidlo |
| Tento roztok musí byť pripravený v deň jeho použitia. 0,1 g dihydrochloridu N-(1-naftyl)etyléndiamínu sa rozpustí vo vode a zriedi sa vodou do 100 ml. |
| 5. PRÍSTROJE A POMÔCKY |
| 5.1. Analytické váhy |
| 5.2. Odmerné banky, 100, 250, 500 a 1 000 ml |
| 5.3. Nedelené alebo delené pipety |
| 5.4. Odmerné valce, 100 ml |
| 5.5. Skladané filtračné papiere bez dusitanov, priemer 15 cm |
| 5.6. Vodný kúpeľ |
| 5.7. Spektrofotometer s kyvetami s optickou dráhou dlhou 1 cm |
| 5.8. pH meter |
| 5.9. Mikrobyreta, 10 ml |
| 5.10. Kadičky, 250 ml |
| 6. POSTUP |
| 6.1. S presnosťou na 0,1 mg sa naváži približne 0,5 g (m v gramoch) homogenizovanej vzorky, horúcou destilovanou vodou sa kvantitatívne prenesie do 250 ml kadičky (5.10.) a objem sa doplní horúcou destilovanou vodou približne na 150 ml. Kadička (5.10.) sa na 1/2 hodiny umiestni do vodného kúpeľa (5.6.) pri 80 oC. Počas zahrievania sa občas pretrepe. |
| 6.2. Ochladí sa na laboratórnu teplotu a jeden po druhom sa za miešania pridajú 2 ml Carrezovho činidla I (4.1.1.) a 2 ml Carrezovho činidla II (4.1.2.). |
| 6.3. Na úpravu pH na 8,3 sa pridá s použitím pH metra (5.8.)1 N roztok hydroxidu sodného (4.3.). Obsah sa kvantitatívne prenesie do 250 ml odmernej banky a doplní sa po značku destilovanou vodou. |
| 6.4. Obsah sa premieša a prefiltruje cez skladaný filtračný papier (5.5.). |
| 6.5. Do 100 ml odmernej banky (5.2.) sa pipetou (5.3.) prenesie primeraný podiel (V v mililitroch) číreho filtrátu, ale nie viac ako 25 ml, a pridá sa destilovaná voda do objemu 60 ml. |
| 6.6. Po premiešaní sa pridá 10 ml roztoku hydrochloridu sulfanilamidu (4.4.) a potom 6 ml 5 N kyseliny chlorovodíkovej (4.5.). Premieša sa a nechá sa stáť 5 minút. Pridajú sa 2 ml N-1-naftylového činidla (4.6.), premieša sa a nechá stáť 3 minúty. Zriedi sa vodou po značku a premieša sa. |
| 6.7. Zopakovaním operácií 6.5. a 6.6. bez pridania N-1-naftylového činidla (4.6.) sa pripraví slepý pokus. |
| 6.8. Pri 538 nm sa zmeria (5.7.) absorbancia roztoku získaného podľa 6.6. s použitím slepého pokusu (6.7.) ako štandardu. |
| 6.9. Z kalibračného grafu (6.10.) sa odčíta obsah dusitanu sodného v mg na 100 ml roztoku (m1 v mikrogramoch), ktorý zodpovedá absorbancii nameranej v 6.8. |
| 6.10. S použitím roztoku obsahujúceho 10 µg dusitanu sodného na 100 ml (4.2.) sa pripraví kalibračný graf s koncentráciami 0, 20, 40, 60, 80 a 100 µg dusitanu sodného na 100 ml. |
| 7. VÝPOČET |
| Obsah dusitanu sodného vo vzorke v hmotnostných percentách sa vypočíta podľa vzorca |
| .png)
|
| kde |
| m je hmotnosť vzorky v gramoch vzatej na analýzu (6.1.), |
| m1 je obsah dusitanu sodného v mikrogramoch zisteného podľa 6.9., |
| V je objem filtrátu v mililitroch použitého na meranie (6.5.). |
| 8. OPAKOVATEĽNOSŤ 2) |
| Pri obsahu asi 0,2 % hmot. dusitanu sodného nesmie rozdiel medzi výsledkami dvoch paralelne uskutočnených stanovení na tej istej vzorke presiahnuť v absolútnej hodnote 0,005 %. |
| 11. DÔKAZ A STANOVENIE VOĽNÉHO FORMALDEHYDU |
| (Podľa smernice Komisie 82/434/EHS zo 14. mája 1982 v znení smernice Komisie 90/207/EHS) |
| 1. ÚČEL A OBLASŤ POUŽITIA |
| Táto metóda opisuje dôkaz a dve stanovenia podľa toho, či sú prítomné donory formaldehydu (zlúčeniny uvoľňujúce formaldehyd). Je použiteľná na všetky kozmetické výrobky. |
| 1.1. Dôkaz |
| 1.2. Všeobecné kolorimetrické stanovenie s pentán-2,4-diónom |
| Táto metóda sa použije, ak sa formaldehyd používa sám alebo spolu s inými konzervačnými látkami, ktoré nie sú donormi formaldehydu. V ostatných prípadoch, a keď výsledok prevyšuje najvyššiu prípustnú koncentráciu, musí sa použiť na potvrdenie nasledujúca metóda. |
| 1.3. Stanovenie v prítomnosti donorov formaldehydu |
| Pri vyššie opísanej metóde (1.2.) sa počas derivácie štiepia donory formaldehydu, čo vedie k príliš vysokým výsledkom (polymerizovaný formaldehyd a formaldehyd viazaný v zlúčeninách). Voľný formaldehyd je potrebné oddeliť kvapalinovou chromatografiou. |
| 2. DEFINÍCIA |
| Obsah voľného formaldehydu vo vzorke sa stanoví podľa tejto metódy a vyjadrí sa v hmotnostných percentách. |
| 3. DÔKAZ |
| 3.1. Princíp |
| Voľný alebo viazaný formaldehyd v prostredí kyseliny sírovej zmení farbu Schiffovho činidla na ružovú alebo svetlofialovú. |
| 3.2. Činidlá |
| Všetky činidlá musia byť analyticky čisté a voda musí byť demineralizovaná. |
| 3.2.1. Fuchsín |
| 3.2.2 Heptahydrát siričitanu sodného |
| 3.2.3. Koncentrovaná kyselina chlorovodíková (d204= 1,19g/ml) |
| 3.2.4. Kyselina sírová, približne 1 M |
| 3.2.5. Schiffovo činidlo |
| Do kadičky sa naváži 100 mg fuchsínu (3.2.1.) a rozpustí sa v 75 ml vody pri 80 oC. Po ochladení sa pridá 2,5 g siričitanu sodného (3.2.2.) a doplní sa do 100 ml. Používa sa do dvoch týždňov odo dňa prípravy. |
| 3.3. Postup |
| 3.3.1. Do 10 ml kadičky sa navážia 2 g vzorky. |
| 3.3.2. Pridajú sa dve kvapky kyseliny sírovej (3.2.4.) a 2 ml Schiffovho činidla (3.2.5.). Toto činidlo musí byť pred pridaním úplne bezfarebné, pretrepe sa a nechá sa stáť 5 minút. |
| 3.3.3. Ak sa do 5 minút pozoruje ružové alebo svetlofialové sfarbenie, obsah formaldehydu je vyšší ako 0,01 % a stanoví sa všeobecnou metódou (4.), ak je to potrebné, podľa (5.). |
| 4. VŠEOBECNÉ KOLORIMETRICKÉ STANOVENIE S PENTÁN-2,4-DIÓNOM |
| 4.1. Princíp |
| Formaldehyd reaguje s pentán-2,4-diónom v prítomnosti octanu amónneho za vzniku 3,5-diacetyl-1,4-dihydrolutidínu. Tento sa extrahuje bután-1-olom a meria sa absorbancia extraktu pri 410 nm. |
| 4.2. Činidlá |
| Všetky činidlá musia byť analyticky čisté a voda musí byť demineralizovaná. |
| 4.2.1. Bezvodý octan amónny |
| 4.2.2. Koncentrovaná kyselina octová (d204 = 1,05 g/ml) |
| 4.2.3. Pentán-2,4-dión, čerstvo predestilovaný za zníženého tlaku 25 mm, Hg 25o – nesmie vykazovať akúkoľvek absorbanciu pri 410 nm |
| 4.2.4. Bután-1-ol |
| 4.2.5. Kyselina chlorovodíková, 1 M |
| 4.2.6. Kyselina chlorovodíková, približne 0,1 M |
| 4.2.7. Hydroxid sodný, 1 M |
| 4.2.8. Roztok škrobu, čerstvo pripravený (1 g/50 ml vody) podľa European Pharmacopoeia, 2. vydanie, 1980, časť I–VII–1–1 |
| 4.2.9. 37 až 40 % (m/V) formaldehyd |
| 4.2.10. Štandardný roztok jódu, 0,05 M |
| 4.2.11. Štandardný roztok tiosíranu sodného, 0,1 M |
| 4.2.12. Pentán-2,4-diónové činidlo |
| V 1 000 ml odmernej banke sa rozpustí |
| – 150 g octanu amónneho (4.2.1.), |
| – 2 ml pentán-2,4-diónu (4.2.3.), |
| – 3 ml kyseliny octovej (4.2.2.). |
| Doplní sa vodou do 1 000 ml (pH roztoku okolo 6,4). Toto činidlo sa musí pripravovať čerstvé. |
| 4.2.13. Činidlo (4.2.12.) bez pentán-2,4-diónu |
| 4.2.14. Štandard formaldehydu – zásobný roztok |
| 5 g formaldehydu (4.2.9.) sa vleje do 1 000 ml odmernej banky a doplní sa vodou do 1 000 ml. Obsah formaldehydu v tomto roztoku sa stanoví nasledovne. Odoberie sa 10 ml, pridá sa 25 ml štandardného roztoku jódu (4.2.10.) a 10 ml roztoku hydroxidu sodného (4.2.7.) a nechá sa stáť 5 minút. Okyslí sa 11 ml HCl (4.2.5.) a nadbytok jódu sa stanoví štandardným roztokom tiosíranu sodného (4.2.11.) s použitím roztoku škrobu (4.2.8.) ako indikátora. 1 ml spotrebovaného 0,05 M roztoku jódu (4.2.10.) zodpovedá 1,5 mg formaldehydu. |
| 4.2.15. Štandard formaldehydu – zriedený roztok |
| Zásobný roztok formaldehydu sa postupne zriedi vodou najprv v pomere 1 : 20 a potom 1:100. 1 ml tohto roztoku obsahuje približne 1 µg formaldehydu. Vypočíta sa presný obsah formaldehydu. |
| 4.3. Prístroje a pomôcky |
| 4.3.1. Bežné laboratórne vybavenie |
| 4.3.2. Filtračný papier na oddelenie fáz Whatman 1 PS alebo jeho ekvivalent |
| 4.3.3. Centrifúga |
| 4.3.4. Vodný kúpeľ nastavený na 60 oC |
| 4.3.5. Spektrofotometer |
| 4.3.6. Sklené kyvety s optickou dráhou dlhou 1 cm. |
| 4.4. Postup |
| 4.4.1. Roztok vzorky |
| Do 100 ml odmernej banky sa s presnosťou na 0,001 g naváži také množstvo analyzovanej vzorky (m v gramoch), aby odhadovaný obsah formaldehydu bol asi 150 mg. Doplní sa vodou do 100 ml a premieša sa (roztok S). Overí sa, či pH je blízke 6. Ak nie je, zriedi sa v roztoku kyseliny chlorovodíkovej (4.2.6.). Do 50 ml Erlenmeyerovej banky sa pridá 10 ml roztoku S, 5 ml pentán-2,4-diónového činidla (4.2.12.) a demineralizovaná voda do celkového objemu 30 ml. |
| 4.4.2. Referenčný roztok |
| Použitím tohto referenčného roztoku sa vylúčia možné rušivé vplyvy spôsobené sfarbením pozadia skúšobnej vzorky. Do 50 ml Erlenmeyerovej banky sa pridá 10 ml roztoku S, 5 ml činidla (4.2.13.) a demineralizovaná voda do celkového objemu 30 ml. |
| 4.4.3. Roztok na slepý pokus |
| Do 50 ml Erlenmeyerovej banky sa pridá 5 ml pentán-2,4-diónového činidla (4.2.12.) a demineralizovaná voda do celkového objemu 30 ml. |
| 4.4.4. Stanovenie |
| 4.4.4.1. Zmesi zo 4.4.1., 4.4.2. a 4.4.3. sa pretrepú. Erlenmeyerove banky sa ponoria do vodného kúpeľa zahriateho na 60 oC presne na 10 minút. Počas 2 minút sa nechajú ochladiť v kúpeli z ľadovej vody. |
| 4.4.4.2. Ich obsah sa prenesie do 50 ml oddeľovacích lievikov obsahujúcich 10 ml bután-1-olu (4.2.4.). Každá banka sa opláchne 3 až 5 ml vody. Zmesi sa presne 30 sekúnd intenzívne pretrepú a nechajú oddeliť. |
| 4.4.4.3. Cez filtračný papier na oddelenie fáz sa bután-1-olové fázy prefiltrujú do meracích kyviet (4.3.2.). Tiež sa môže použiť odstreďovanie na centrifúge (3 000 gn na 5 minút). |
| 4.4.4.4. Pri 410 nm sa zmeria absorbancia A1 extraktu roztoku vzorky zo 4.4.1. oproti extraktu referenčného roztoku 4.4.2. |
| 4.4.4.5. Podobne sa zmeria absorbancia A2 extraktu slepého pokusu z 4.4.3. oproti bután-1-olu. |
| Poznámka – Všetky tieto operácie sa musia uskutočniť do 25 minút od momentu umiestnenia Erlenmeyerových baniek do vodného kúpeľa pri 60 oC. |
| 4.4.5. Kalibračná krivka |
| 4.4.5.1. Do 50 ml Erlenmeyerovej banky sa pridá 5 ml zriedeného štandardného roztoku podľa 4.2.15., 5 ml pentán-2,4-diónového činidla (4.2.12.) a demineralizovaná voda do celkového objemu 30 ml. |
| 4.4.5.2. Pokračuje sa podľa 4.4.4. a zmeria sa absorbancia oproti bután-1-olu (4.2.4.). |
| 4.4.5.3. Postup sa zopakuje s 10, 15, 20 a 25 ml zriedeného štandardného roztoku (4.2.15.). |
| 4.4.5.4. Na získanie nulovej hodnoty zodpovedajúcej sfarbeniu činidiel sa postupuje ako v 4.4.4.5. |
| 4.4.5.5. Po odčítaní nulovej hodnoty od každej z absorbancií získaných v 4.4.5.1. a 4.4.5.3. sa zostrojí kalibračná krivka. Beerov zákon platí do 30 mg formaldehydu. |
| 4.5. Výpočty |
| 4.5.1. Od A1 sa odpočíta A2 a z kalibračnej krivky (4.4.5.5.) sa odčíta množstvo C formaldehydu v roztoku vzorky (4.4.1.) v mikrogramoch. |
| 4.5.2. Obsah formaldehydu vo vzorke v hmotnostných percentách sa vypočíta podľa vzorca |
| .png)
|
| kde |
| m je hmotnosť skúšobnej vzorky (4.4.1.) v gramoch. |
| 4.6. Opakovateľnosť2) |
| Pri obsahu formaldehydu 0,2 % pre kolorimetrické stanovenie s pentán-2,4-diónom nesmie rozdiel medzi výsledkami dvoch paralelne uskutočnených stanovení na tej istej vzorke presiahnuť 0,005 %. Ak stanovenie voľného formaldehydu poskytne výsledky väčšie, ako je maximálny obsah podľa osobitného predpisu,3) a to |
| (a) medzi 0,05 % a 0,2 % v neoznačených výrobkoch, |
| (b) väčšie ako 0,2 % vo výrobkoch označených aj neoznačených, |
| musí sa použiť nižšie opísaný postup podľa 5. |
| 5. STANOVENIE V PRÍTOMNOSTI DONOROV FORMALDEHYDU |
| 5.1. Princíp |
| Oddelený formaldehyd sa reakciou s pentán-2,4-diónom v reaktore zaradenom za kolónou prevedie na žltý lutidínový derivát a získaný derivát sa detekuje absorbanciou pri 420 nm. |
| 5.2. Činidlá |
| Všetky činidlá musia byť analyticky čisté a voda musí byť demineralizovaná. |
| 5.2.1. Voda čistoty pre HPLC alebo rovnocennej kvality |
| 5.2.2. Bezvodý octan amónny |
| 5.2.3. Koncentrovaná kyselina octová |
| 5.2.4. Pentán-2,4-dión (uskladnený pri 4 oC) |
| 5.2.5. Bezvodý hydrogenfosforečnan sodný |
| 5.2.6. 85 % kyselina trihydrogenfosforečná, (d204 = 1,7 g/ml) |
| 5.2.7. Metanol čistoty pre HPLC |
| 5.2.8. Dichlórmetán |
| 5.2.9. 37 až 40 % (m/V) formaldehyd |
| 5.2.10. Hydroxid sodný, 1 M |
| 5.2.11. Kyselina chlorovodíková, 1 M |
| 5.2.12. Kyselina chlorovodíková, 0,002 M |
| 5.2.13. Roztok škrobu čerstvo pripravený podľa European Pharmacopoeia (4.2.8.) |
| 5.2.14. Štandardný roztok jódu, 0,05 M |
| 5.2.15. Štandardný roztok tiosíranu sodného, 0,1 M |
| 5.2.16. Mobilná fáza |
| 0,006 M vodný roztok hydrogenfosforečnanu sodného (5.2.5.) upravený na pH 2,1 kyselinou trihydrogenfosforečnou (5.2.6.) |
| 5.2.17. Činidlo na reakciu po chromatografii |
| V 1 000 ml odmernej banke sa rozpustí 62,5 g octanu amónneho (5.2.2.), 7,5 ml kyseliny octovej (5.2.3.), 5 ml pentán-2,4-diónu (5.2.4.). Doplní sa vodou (5.2.1.) do 1 000 ml. Toto činidlo sa uschová v tme. Doba skladovania je maximálne tri dni pri 25 oC. Nesmie byť pozorovaná zmena sfarbenia. |
| 5.2.18. Štandard formaldehydu – zásobný roztok |
| 10 g formaldehydu (5.2.9.) sa vleje do 1 000 ml odmernej banky a doplní sa vodou do 1 000 ml. |
| Stanovenie obsahu formaldehydu |
| Odoberie sa 5 ml, pridá sa 25 ml štandardného roztoku jódu (5.2.14.) a 10 ml roztoku hydroxidu sodného (5.2.10.) a nechá sa stáť 5 minút. Okyslí sa 11 ml HCl (5.2.11.) a nadbytok štandardného roztoku jódu (5.2.14.) sa titruje štandardným roztokom tiosíranu sodného (5.2.15.) s použitím roztoku škrobu (5.2.13.) ako indikátora. 1 ml roztoku jódu (5.2.14.) zodpovedá 1,5 mg formaldehydu. |
| 5.2.19. Štandard formaldehydu – zriedený roztok |
| Zásobný roztok sa zriedi mobilnou fázou (5.2.16.) na 1/100 jeho pôvodnej koncentrácie. 1 ml tohto roztoku obsahuje približne 37 mg formaldehydu. Vypočíta sa jeho presný obsah. |
| 5.3 Prístroje a pomôcky |
| 5.3.1. Bežné laboratórne vybavenie |
| 5.3.2. HPLC bezpulzná pumpa |
| 5.3.3. Nízkotlaková bezpulzná pumpa pre činidlo (alebo druhá HPLC pumpa) |
| 5.3.4. Dávkovací ventil s 10 ml slučkou |
| 5.3.5. Reaktor na zaradenie za kolónu z nasledujúcich súčastí (obrázok č. 1) |
| – jedna 1-litrová trojhrdlová banka, |
| – vyhrievacie hniezdo pre 1-litrovú banku, |
| – dve Vigreuxove kolóny minimálne s 10 etážami, dve vzduchom chladené, |
| – rúrka z nehrdzavejúcej ocele (na výmenu tepla) 1,6 mm – vnútorný priemer 0,23 mm, dĺžka 400 mm, |
| – teflónová hadica 1,6 mm – vnútorný priemer 0,30 mm, dĺžka 5 m („francúzske háčkovanie“, pozri bod 6), |
| – jedna spojka T bez akéhokoľvek mŕtveho objemu (Valco alebo ekvivalent), |
| – tri spojky bez akéhokoľvek mŕtveho objemu alebo |
| – jedna súprava Applied Biosystems PCRS 520 na zaradenie za kolónu alebo ekvivalent vybavená 1 ml reaktorom. |
| 5.3.6. Membránový filter, veľkosť pórov 0,45 mm (pozri obrázok č. 2). |
| 5.3.7. Náplň SEP-PAK ® C18 alebo ekvivalent |
| 5.3.8. Hotové komerčné kolóny |
| – Bischoff hypersil RP 18 (typ NC, katalógové číslo C 25.46 1805) (5 mm, dĺžka 250 mm, vnútorný priemer 4,6 mm) alebo |
| – Dupont, Zorbax ODS (5 mm, dĺžka 250 mm, vnútorný priemer 4,6 mm), alebo |
| – Phase SEP, spherisorb ODS 2 (5 mm, dĺžka 250 mm, vnútorný priemer 4,6 mm). |
| 5.3.9. Predkolóna |
| Bischoff K1 hypersil RP 18 (katalógové číslo K1 G 6301 1805) 5 mm, dĺžka 10 mm alebo ekvivalent. |
| 5.3.10. Kolóna a predkolóna sa spoja prostredníctvom systému Ecotube (katalógové číslo A 15020508 Bischoff) alebo ekvivalentu. |
| 5.3.11. Aparatúra (5.3.5.) sa zostaví podľa blokovej schémy (pozri obrázok č. 1 a 2). Prepojenia za dávkovacím ventilom musia byť čo najkratšie. V tomto prípade je rúrka z nehrdzavejúcej ocele medzi výstupom z reaktora a vstupom detektora určená na ochladenie zmesi pred detekciou a teplota detektora nie je známa, ale je konštantná. |
| 5.3.12. UV-VIS detektor |
| 5.3.13. Zapisovač |
| 5.3.14. Centrifúga |
| 5.3.15. Ultrazvukový kúpeľ |
| 5.3.16. Vibračné miešadlo (vortex alebo ekvivalent) |
| Obrázok č. 1: Reaktor za kolónou (pozri vysvetlivky) |
| .png)
|
| Obrázok č. 2: Membránový filter (pozri vysvetlivky) |
| .png)
|
| Vysvetlivky: |
| 1 HPLC pumpa |
| 2 Dávkovací ventil |
| 3 Kolóna s predkolónou |
| 4 Pumpa na činidlo |
| 5 T spojka bez mŕtveho objemu |
| 5 T spojka (Vortex) |
| 6,6 Spojka bez mŕtveho objemu |
| 7 „Francúzske háčkovanie“ |
| 7 Reaktor |
| 8 Trojhrdlová banka s vriacou vodou |
| 9 Vyhrievacie hniezdo |
| 10 Chladivo |
| 11 Rúrka z nehrdzavejúcej ocele na výmenu tepla |
| 11 Výmenník tepla |
| 12 UV-VIS detektor |
| 13 Jedna súprava PCRS 520 na zaradenie za kolónu |
| 5.4. Postup |
| 5.4.1. Kalibračná krivka sa zostrojí nanesením plôch píkov ako funkcie koncentrácie roztokov zriedeného štandardu formaldehydu. Zriedením referenčného roztoku formaldehydu (5.2.19.) mobilnou fázou (5.2.16.) sa pripravia štandardné roztoky |
| – 1 ml roztoku (5.2.19.) sa zriedi do 20 ml (približne 185 µg/100 ml), |
| – 2 ml roztoku (5.2.19.) sa zriedi do 20 ml (približne 370 µg/100 ml), |
| – 5 ml roztoku (5.2.19.) sa zriedi do 25 ml (približne 740 µg/100 ml), |
| – 5 ml roztoku (5.2.19.) sa zriedi do 20 ml (približne 925 µg/100 ml). |
| Štandardné roztoky sa uchovávajú jednu hodinu pri laboratórnej teplote a musia byť čerstvo pripravené. Linearita kalibračnej krivky je dobrá pre koncentrácie medzi 1 a 15 µg/ml. |
| 5.4.2. Príprava vzorky |
| 5.4.2.1. Emulzie (krémy, základy pre make-up, očné linky) |
| Do zazátkovanej 100 ml banky sa s presnosťou na 0,001 g naváži množstvo skúšobnej vzorky (m v gramoch) zodpovedajúce odhadovanému obsahu 100 µg formaldehydu. Pridá sa presne odmeraných 20 ml dichlórmetánu (5.2.8.) a 20 ml kyseliny chlorovodíkovej (5.2.12.). Fázy sa oddelia odstredením na centrifúge (3 000 gn na 2 minúty). Zatiaľ sa kolóna (5.3.7.) premyje 2 ml metanolu (5.2.7.), potom sa upraví 5 ml vody (5.2.1.). Cez upravenú náplň sa nechajú pretiecť 4 ml vodnej fázy obsahujúcej extrakt. Prvé 2 ml sa vylejú a zachytí sa nasledujúca frakcia. |
| 5.4.2.2. Lotiony, šampóny |
| Do zazátkovanej 100 ml banky sa s presnosťou na 0,001 g naváži množstvo skúšobnej vzorky (m v gramoch) zodpovedajúce odhadovanému obsahu okolo 500 µg formaldehydu. Doplní sa mobilnou fázou (5.2.16.) do 100 ml. Prefiltruje sa cez filter (5.3.6.) a nadávkuje sa alebo sa nechá pretiecť náplňou (5.3.7.) upravenou ako v predchádzajúcom prípade (5.4.2.1.). Všetky roztoky sa musia nadávkovať hneď po príprave. |
| 5.4.3. Podmienky pre chromatografiu |
| – prietoková rýchlosť mobilnej fázy 1 ml/min, |
| – prietoková rýchlosť činidla 0,5 ml/min, |
| – celková prietoková rýchlosť cez výstup detektora 1,5 ml/min, |
| – dávkovaný objem 10 µl, |
| – elučná teplota – v prípade komplikácie pri separácii sa kolóna ponorí do kúpeľa z topiaceho sa ľadu a počká sa, kým sa teplota ustáli (15 – 20 min), |
| – teplota reaktora zaradeného za kolónu: 100 oC, |
| – detekcia 420 nm. |
| Celá sústava na chromatografiu a následnú reakciu sa po použití musí prepláchnuť vodou (5.2.1.). Ak sa sústava nepoužije dlhšie ako dva dni, po premytí vodou musí nasledovať premytie metanolom (5.2.7.). Pred opätovným pripravením na použitie sa cez sústavu nechá pretiecť voda, aby sa zabránilo kryštalizácii. |
| 5.5. Výpočet obsahu formaldehydu v % (hmot.) podľa vzorca pre |
| Emulzie (5.4.2.1.) |
| .png)
|
| Lotiony, šampóny |
| .png)
|
| kde |
| m je hmotnosť analyzovanej vzorky v g (5.4.2.1.), |
| C je koncentrácia formaldehydu odčítaná z kalibračnej krivky (5.4.1.) v µg/100 ml. |
| 5.6. Opakovateľnosť 2) |
| Pri obsahu formaldehydu 0,05 % nesmie rozdiel medzi výsledkami dvoch paralelne uskutočnených stanovení na tej istej vzorke presiahnuť 0,001 %. |
| Pri obsahu formaldehydu 0,2 % nesmie rozdiel medzi výsledkami dvoch paralelne uskutočnených stanovení na tej istej vzorke presiahnuť 0,005 %. |
| 6. NÁVOD NA „FRANCÚZSKE HÁČKOVANIE“ |
| 6.1. Pomôcky |
| a) drevená navíjacia cievka s vonkajším priemerom 5 cm, s kruhovým otvorom s priemerom 1,5 cm v strede cievky, vybavená 4 oceľovými klincami (podľa zobrazenia na obrázkoch č. 3 a 4). Vzdialenosť medzi dvoma klincami musí byť 1,8 cm a musia byť vzdialené 0,5 cm od kruhového otvoru, |
| b) jedna neohybná ihla (háčkovacieho typu) do slučky teflónovej hadice, |
| c) 5 m teflónovej hadice s vonkajším priemerom 1,6 mm a vnútorným priemerom 0,3 mm. |
| 6.2. Postup |
| Pri „francúzskom háčkovaní“ sa teflónová hadica najprv prevlečie cez kruhový otvor v strede cievky zvrchu nadol (asi 10 cm hadice sa nechá vyčnievať z dolného otvoru cievky, aby bolo možné naň prichytiť reťaz počas procesu háčkovania). Potom sa hadica striedavo ovinie okolo 4 klincov podľa zobrazenia na obrázku č. 5. Vrch a spodok francúzskeho háčkovania sa ochráni kovovými krúžkami a prítlačnými skrutkami. Je potrebné dať pozor, aby sa pri uťahovaní neprerazil teflón. Hadica sa ovinie okolo každého klinca po druhý raz a podľa nasledujúceho postupu sa spravia „očká“. Dolná hadica sa háčikom preloží ponad hornú hadicu (obrázok č. 6). Tento proces sa zopakuje postupne na každom klinci (1, 2, 3, 4 proti smeru hodinových ručičiek), kým sa nevytvorí 5 m alebo iná požadovaná dĺžka háčkovania. Asi 10 cm hadice sa nechá na ukončenie háčkovania. Na ukončenie reťaze sa hadica prevlečie cez každú zo štyroch slučiek a jemne sa pritiahne. |
| Poznámka: Vyrábané francúzske háčkovanie pre reaktory na zaradenie za kolónu je dostupné na trhu (Supelco). |
| Obrázok č. 3: Schematické zobrazenie cievky |
| .png)
|
| Obrázok č. 4: Schematické zobrazenie cievky |
| .png)
|
| Obrázok č. 5: Prvá hadica |
| .png)
|
| Obrázok č. 6: Druhá hadica. Na vytvorenie „očka“ sa dolná hadica (plná čiara) preloží ponad hornú hadicu (prerušovaná čiara) |
| .png)
|
| Obrázok č. 7 |
| .png)
|
| 12. STANOVENIE REZORCINOLU V ŠAMPÓNOCH A VLASOVÝCH LOTIONOCH |
| (Podľa smernice Komisie 82/434/EHS zo 14. mája 1982) |
| 1. ÚČEL A OBLASŤ POUŽITIA |
| Táto metóda presne určuje stanovenie rezorcinolu v šampónoch a vlasových lotionoch pomocou plynovej chromatografie. Táto metóda je vhodná pri jeho obsahu vo vzorke od 0,1 do 2 % hmotnosti. |
| 2. DEFINÍCIA |
| Obsah rezorcinolu vo vzorke stanovený touto metódou sa vyjadrí v hmotnostných percentách. |
| 3. PRINCÍP |
| Rezorcinol a 3,5-dihydroxytoluén (5-metylbenzén-1,3-diol) pridané do vzorky ako vnútorný štandard sa oddelia od vzorky tenkovrstvovou chromatografiou. Obe zlúčeniny sa izolujú zoškrabaním ich škvŕn z tenkovrstvovej platne a extrakciou metanolom. Nakoniec sa extrahované zlúčeniny vysušia, nasilylujú a stanovia sa plynovou chromatografiou. |
| 4. ČINIDLÁ |
| Všetky činidlá musia byť analyticky čisté. |
| 4.1. 25 % (hmot.) kyselina chlorovodíková |
| 4.2. Metanol |
| 4.3. 96 % (obj.) etanol |
| 4.4. Hotové komerčné silikagélové TLC platne (na plastovom alebo hliníkovom podklade) s fluorescenčným indikátorom |
| Deaktivujú sa takto: platne potiahnuté silikagélom sa postriekajú vodou do lesklého vzhľadu a nechajú sa 1 až 3 hodiny vysušiť na vzduchu pri laboratórnej teplote. |
| Poznámka: Ak platne nie sú deaktivované, môže dochádzať k ireverzibilnej adsorpcii rezorcinolu na silikagél. |
| 4.5. Vyvíjacie rozpúšťadlo |
| Acetón/chloroform/kyselina octová (obj. diely 20 : 75 : 5) |
| 4.6. Referenčný roztok rezorcinolu |
| 400 mg rezorcinolu sa rozpustí v 100 ml 96 % etanolu (4.3.), 1 ml zodpovedá 4 000 µg rezorcinolu. |
| 4.7. Roztok vnútorného štandardu |
| 400 mg 3,5-dihydroxytoluénu (DHT) sa rozpustí v 100 ml 96 % etanolu (4.3.). 1 ml zodpovedá 4 000 mg DHT. |
| 4.8. Štandardná zmes – v 100 ml odmernej banke sa zmieša 10 ml roztoku (4.6.) a 10 ml roztoku (4.7.), doplní sa po značku 96 % etanolom (4.3.) a premieša sa. 1 ml zodpovedá 400 mg rezorcinolu a 400 µg DHT. |
| 4.9. Silylačné činidlá |
| 4.9.1. N,O-bis(trimetylsilyl)trifluóracetamid (BSTFA) |
| 4.9.2. Hexametyldisilazán (HMDS) |
| 4.9.3. Trimetylchlórsilán (TMCS) |
| 5. PRÍSTROJE A POMÔCKY |
| 5.1. Bežné zariadenie na tenkovrstvovú a plynovú chromatografiu |
| 5.2. Laboratórne sklo |
| 6. POSTUP |
| 6.1. Príprava vzorky |
| 6.1.1. Do 150 ml kadičky sa naváži (m v gramoch) približne 20 až 50 mg rezorcinolu. |
| 6.1.2. Okyslí sa kyselinou chlorovodíkovou (4.1.), kým zmes nie je kyslá (potrebné sú približne 2 až 4 ml), pridá sa 10 ml (40 mg DHT) roztoku vnútorného štandardu (4.7.) a premieša sa. S etanolom (4.3.) sa prenesie do 100 ml odmernej banky, doplní sa etanolom po značku a premieša sa. |
| 6.1.3. 250 ml roztoku (6.1.2.) sa nanesie na deaktivovanú silikagélovú platňu (4.4.) vo forme súvislej čiary, dlhej približne 8 cm. Treba si dať pozor, aby bola čiara čo najtenšia. |
| 6.1.4. Na tú istú platňu sa rovnakým spôsobom (6.1.3.) nanesie 250 µl referenčného roztoku (4.8.). |
| 6.1.5. Na dva body štartovacej čiary sa nanesie po 5 µl z každého z roztokov 4.6. a 4.7. na uľahčenie lokalizácie škvŕn po vyvinutí platne. |
| 6.1.6. Platňa sa nechá vyvinúť v parami nenasýtenej vyvíjacej komore naplnenej vyvíjacím rozpúšťadlom 4.5., kým čelo rozpúšťadla nedosiahne úroveň 12 cm od štartovacej čiary, čo zvyčajne trvá 45 minút. Platňa sa vysuší na vzduchu a oblasť rezorcinolu/DHT sa lokalizuje pod krátkovlnným UV žiarením (254 nm). Tieto dve zlúčeniny majú približne rovnaké Rf hodnoty. Škvrny sa označia ceruzkou vo vzdialenosti 2 mm od vonkajšej tmavej línie ohraničujúcej škvrny. Označené oblasti sa zoškrabú a adsorbent z každej škvrny sa zozbiera do 10 ml fľaše. |
| 6.1.7. Adsorbent obsahujúci vzorku a adsorbent obsahujúci referenčnú zmes sa extrahujú nasledujúcim spôsobom: pridajú sa 2 ml metanolu (4.2.) a extrahuje sa za stáleho miešania 1 hodinu. Prefiltruje sa a extrakcia sa opakuje s 2 ml metanolu ďalších 15 minút. |
| 6.1.8. Extrakty sa spoja a rozpúšťadlo sa odparí cez noc do sucha vo vákuovom exsikátore naplnenom vhodným sušidlom. Nesmie sa použiť žiaden zdroj tepla. |
| 6.1.9. Zvyšok (6.1.8.) sa silyluje spôsobom uvedeným v 6.1.9.1. a 6.1.9.2. |
| 6.1.9.1. Mikrostriekačkou sa pridá 200 µl BSTFA (4.9.1.) a zmes sa nechá v uzavretej nádobe počas 12 hodín pri laboratórnej teplote. |
| 6.1.9.2. Jeden po druhom sa mikrostriekačkou pridá 200 µl HMDS (4.9.2.) a 100 µl TMCS (4.9.3.) a zmes sa v uzavretej nádobe zahrieva 30 minút na 60 oC. Zmes sa ochladí. |
| 6.2. Plynová chromatografia |
| 6.2.1. Chromatografické podmienky |
| Kolóna musí poskytovať rozlíšenie R minimálne 1,5 podľa vzorca |
| .png)
|
| kde |
| | r1a r2 | sú retenčné časy dvoch píkov v minútach, | | r1a r2 | je šírka tých istých píkov v polovičnej výške v mm, | | d’ | je rýchlosť zapisovača v mm za minútu. | |
| Zistilo sa, že nasledujúca kolóna a podmienky pre plynovú chromatografiu sú vhodné |
| Kolóna |
| | Materiál | nehrdzavejúca oceľ | | Dĺžka | 200 cm | | Vnútorný priemer | ~ 3 mm | | Náplň | 10 % OV – 17 na Chromosorb WAW, 100 až 120 mesh | |
| Plameňovo-ionizačný detektor |
| Teploty |
| | Kolóna | 185 oC (izotermicky) | | Detektor | 250 oC | | Vstrekovací ventil | 250 oC | | Nosný plyn | dusík | | Prietok | 45 ml/min | |
| Prietok vodíka a vzduchu treba nastaviť podľa pokynov výrobcu. |
| 6.2.2. Do plynového chromatografu sa vstrekne 1 až 3 µl roztoku pripraveného podľa 6.1.9. Pre každý roztok (6.1.9.) sa uskutoční 5 nástrekov; meria sa plocha píkov, vypočíta sa priemerná hodnota a pomer plochy píkov S = plocha píku rezorcinolu/plocha píku DHT. |
| 7. VÝPOČET |
| Obsah rezorcinolu vo vzorke vyjadrený v hmotnostných percentách je daný vzťahom: |
| .png)
|
| kde |
| M je množstvo skúšobnej vzorky v gramoch (6.1.1.), |
| Svzorky je priemerný pomer plochy píkov podľa 6.2.2. pre roztok vzorky, |
| Sštandardnej zmesi je priemerný pomer plochy píkov podľa 6.2.2. pre štandardnú zmes. |
| 8. OPAKOVATEĽNOSŤ2) |
| Pri obsahu rezorcinolu okolo 0,5 % nesmie rozdiel medzi výsledkami dvoch paralelne uskutočnených stanovení na tej istej vzorke presiahnuť v absolútnej hodnote 0,025 %. |
| 13. STANOVENIE METANOLU V POMERE K ETANOLU ALEBO PROPÁN-2-OLU |
| (Podľa smernice Komisie 82/434/EHS zo 14. mája 1982) |
| 1. ÚČEL A OBLASŤ POUŽITIA |
| Táto metóda opisuje analýzu metanolu plynovou chromatografiou vo všetkých druhoch kozmetických výrobkov vrátane aerosólov. Môže byť stanovený relatívny obsah 0 až 10 %. |
| 2. DEFINÍCIA |
| Obsah metanolu stanovený touto metódou sa vyjadrí v hmotnostných percentách metanolu v pomere k etanolu a propán-2-olu. |
| 3. PRINCÍP |
| Stanovenie sa uskutoční plynovou chromatografiou. |
| 4. ČINIDLÁ |
| Použijú sa iba analyticky čisté činidlá. |
| 4.1. Metanol |
| 4.2. Absolútny etanol |
| 4.3. Propán-2-ol |
| 4.4. Chloroform zbavený alkoholov premytím vodou |
| 5. PRÍSTROJE A POMÔCKY |
| 5.1. Plynový chromatograf s tepelnovodivým detektorom (katarometrom) pre aerosólové vzorky |
| Plynový chromatograf s plameňovo-ionizačným detektorom pre neaerosólové vzorky |
| 5.2. Odmerné banky, 100 ml |
| 5.3. Pipety, 2 ml, 20 ml a 0 až 1 ml |
| 5.4. Mikrostriekačky, 0 až 100 µl a 0 až 5 µl a (iba pre aerosólové vzorky) – špeciálna vzduchotesná striekačka so zasúvacím ventilom (obrázok č. 5 – Laboratórna príprava skúšobných vzoriek) |
| 6. POSTUP |
| 6.1. Príprava vzorky |
| Z aerosólových vzoriek sa pripravujú vzorky podľa časti 2 tejto prílohy a potom sa analyzujú plynovou chromatografiou za podmienok v 6.2.1. Z neaerosólových vzoriek sa pripravujú vzorky podľa uvedenej časti 2, zriedia sa vodou na hladinu 1 až 2 % etanolu alebo propán-2-olu a potom sa analyzujú plynovou chromatografiou za podmienok uvedených v 6.2.2. |
| 6.2. Plynová chromatografia |
| 6.2.1. Pre aerosólové vzorky sa používa tepelnovodivý detektor (katarometer). |
| 6.2.1.1. Použije sa kolóna naplnená 10 % Hallcomidom M18 na Chromosorb WAW, 100 až 200 mesh. |
| 6.2.1.2. Kolóna musí poskytovať rozlíšenie R rovné alebo väčššie ako 1,5 podľa vzorca |
| .png)
|
| kde |
| | r1 a r2 | sú retenčné časy dvoch píkov v minútach, | | W1 a W2 | je šírka tých istých píkov v polovičnej výške v mm, | | d’ | je rýchlosť zapisovača v mm za minútu. | |
| 6.2.1.3. Nasledujúce podmienky umožňujú dosiahnuť uvedené rozlíšenie |
| | Kolóna | | | Materiál | nehrdzavejúca oceľ | | Dĺžka | 3,5 m | | Priemer | 3 mm | | Prúd cez mostík katarometra | 150 mA | | Nosný plyn | hélium | | Tlak | 2,5 bar | | Prietok | 45 ml/min | | Teploty | | | Vstrekovací ventil | 150 oC | | Detektor | 150 oC | | Ohrev kolóny | 65 oC | |
| 6.2.2. Pre neaerosólové vzorky |
| 6.2.2.1. Použije sa kolóna naplnená Chromosorbom 105 alebo Porapakom QS a detektor plameňovo-ionizačný. |
| 6.2.2.2. Kolóna musí poskytovať rozlíšenie R rovné alebo väčšie ako 1,5 podľa vzorca |
| .png)
|
| kde |
| | r1 a r2 | sú retenčné časy dvoch píkov v minútach, | | W1 a W2 | je šírka tých istých píkov v polovičnej výške v mm, | | d’ | je rýchlosť zapisovača v mm za minútu. | |
| 6.2.2.3. Nasledujúce podmienky umožňujú dosiahnuť uvedené rozlíšenie |
| | Kolóna | | | Materiál | nehrdzavejúca oceľ | | Dĺžka | 2 metre | | Priemer | 3 mm | | Citlivosť elektrometra | 8 x 10-10 A | |
| | Plyny | | | Nosný | dusík | | Tlak | 2,1 bar | | Prietok | 40 ml/min. | | Pomocný plyn | vodík | | Tlak | 1,5 bar | | Prietok | 20 ml/min | |
| | Teploty | | | Vstrekovací ventil | 150 oC | | Detektor | 230 oC | | Ohrev kolóny | 120 až 130 oC | |
| 7. KALIBRAČNÝ GRAF |
| 7.1. Pri postupe pre plynovú chromatografiu 6.2.1. (kolóna Hallcomid M18) sa použijú nasledujúce referenčné zmesi. Tieto zmesi sa pripravia meraním pipetami. Presné množstvo sa zistí okamžitým vážením pipety alebo banky po každom pridaní. |
| Relatívny obsah
(% hmotn.) | Metanol
(ml) | Etanol alebo
propán-2-ol
(ml) | Chloroform
pridaný do objemu
(ml) | | Približne 2,5 | 0,5 | 20 | 100 | | Približne 5,0 | 1,0 | 20 | 100 | | Približne 7,5 | 1,5 | 20 | 100 | | Približne 10 | 2,0 | 20 | 100 | |
| Do chromatografu sa nastreknú 2 až 3 µl podľa 6.2.1. Vypočíta sa pomer plôch píkov (metanol/etanol alebo metanol/propán-2-ol) pre každú zmes. Zostrojí sa kalibračný graf, kde sa vynesie na |
| os X % metanolu v pomere k etanolu alebo propán-2-olu, |
| os Y pomer plochy píkov (metanol / etanol alebo metanol / propán-2-ol). |
| 7.2. Pri postupe pre plynovú chromatografiu 6.2.2. (Porapak QS alebo Chromosorb 105) sa použijú nasledujúce referenčné zmesi. Tieto zmesi sa pripravia meraním mikrostriekačkou a pipetou, ale presné množstvo sa zistí okamžitým vážením pipety alebo banky po každom pridaní. |
| Relatívny obsah
(% hmotn.) | Metanol
(ml) | Etanol
alebo propán-2-ol
(ml) | Chloroform
pridaný do objemu
(ml) | | Približne 2,5 | 50 | 2 | 100 | | Približne 5,0 | 100 | 2 | 100 | | Približne 7,5 | 150 | 2 | 100 | | Približne 10 | 200 | 2 | 100 | |
| Do chromatografu sa nastreknú 2 až 3 µl za podmienok v 6.2.2.Vypočíta sa pomer plôch píkov (metanol/etanol alebo metanol/propán-2-ol) pre každú zmes. Zostrojí sa kalibračný graf, kde sa vynesie na |
| os X percento metanolu v pomere k etanolu alebo propán-2-olu, |
| os Y pomer plochy píkov (metanol/etanol alebo metanol/propán-2-ol). |
| 7.3. Kalibračný graf musí byť priamka. |
| 8. OPAKOVATEĽNOSŤ2) |
| Pri obsahu metanolu 5 % v pomere k etanolu alebo propán-2-olu nesmie rozdiel medzi výsledkami dvoch paralelne uskutočnených stanovení na tej istej vzorke presiahnuť 0,25 %. |
| 14. STANOVENIE DICHLÓRMETÁNU A 1,1,1-TRICHLÓRETÁNU |
| (Podľa smernice Komisie 83/514/EHS z 27. septembra 1983) |
| 1. ROZSAH A OBLASŤ POUŽITIA |
| Táto metóda opisuje stanovenie dichlórmetánu (metylénchloridu) a 1,1,1-trichlóretánu (metylchloroformu) vo všetkých kozmetických výrobkoch, ktoré môžu obsahovať tieto rozpúšťadlá. |
| 2. DEFINÍCIA |
| Obsah dichlórmetánu a 1,1,1-trichlóretánu stanovený vo vzorke podľa tejto metódy sa vyjadrí v hmotnostných percentách. |
| 3. PRINCÍP |
| Táto metóda využíva plynovú chromatografiu s chloroformom ako vnútorným štandardom. |
| 4. ČINIDLÁ |
| Všetky činidlá musia byť analyticky čisté. |
| 4.1. Chloroform (CHCl3) |
| 4.2. Chlorid uhličitý (CCl4) |
| 4.3. Dichlórmetán (CH2Cl2) |
| 4.4. 1,1,1-trichlóretán (CH3CCl3) |
| 4.5. Acetón |
| 4.6. Dusík |
| 5. PRÍSTROJE A POMÔCKY |
| 5.1. Bežné laboratórne vybavenie |
| 5.2. Plynový chromatograf vybavený tepelnovodivostným detektorom |
| 5.3. Fľaša na prenesenie vzorky 50 až 100 ml (podľa 5.3. „Laboratórna príprava skúšobných vzoriek“) |
| 5.4. Tlaková injekčná striekačka 25 až 50 ml (podľa 5.4.2.2. „Laboratórna príprava skúšobných vzoriek“) |
| 6. POSTUP |
| 6.1. Vzorka, ktorá nie je pod tlakom |
| Vzorka sa presne naváži do kónickej banky so zátkou, pridá sa presne navážené množstvo chloroformu (4.1.) ako vnútorný štandard, zodpovedajúce predpokladanému množstvu dichlórmetánu a 1,1,1-trichlóretánu obsiahnutému vo vzorke, a dôkladne sa premieša. |
| 6.2. Vzorka pod tlakom |
| Použije sa postup „Odber vzoriek“ s nasledujúcimi úpravami. |
| 6.2.1. Po prenesení vzorky do fľaše (5.3.) sa pridá objem chloroformu (4.1.) ako vnútorný štandard, zodpovedajúci predpokladanému množstvu dichlórmetánu a/alebo 1,1,1-trichlóretánu, obsiahnutému vo vzorke. Dôkladne sa premieša. Mŕtvy objem ventilu sa prepláchne 0,5 ml chloridu uhličitého (4.2.). Po vysušení sa z rozdielu hmotnosti presne stanoví hmotnosť pridaného vnútorného štandardu. |
| 6.2.2. Po naplnení striekačky vzorkou sa špička striekačky musí vypláchnuť prúdom dusíka (4.6.) tak, že v nej pred nástrekom vzorky do chromatografu nezostane žiadny zvyšok. |
| 6.2.3. Po odobratí každej vzorky sa povrch ventilu a prenášacej časti niekoľkokrát prepláchne acetónom (4.5.) s použitím injekčnej striekačky, ak sa to vyžaduje, a potom sa dôkladne vysuší dusíkom (4.6.). |
| 6.2.4. Pre každú analýzu sa uskutočnia merania s použitím dvoch rôznych fliaš na prenášanie vzoriek a pre každú fľašu sa vykoná 5 meraní. |
| 7. PODMIENKY NA CHROMATOGRAFIU |
| 7.1. Predkolóna |
| | Materiál kolóny | nehrdzavejúca oceľ | | Dĺžka | 300 mm | | Priemer | 3 až 6 mm | | Náplň | rovnaký materiál, akým je naplnená analytická kolóna | |
| 7.2. Kolóna |
| Stacionárna fáza vyrobená z Hallcomidu M 18 na Chromosorb. Kolóna musí poskytovať rozlíšenie R rovnajúce sa alebo väčšie ako 1,5 podľa vzorca |
| .png)
|
| kde |
| | r1 a r2 | sú retenčné časy v minútach, | | W1 a W2 | je šírka píkov v polovičnej výške píku v milimetroch, | | d’ | je rýchlosť zapisovača v milimetroch za minútu. | |
| 7.2. Ako príklady sú uvedené kolóny, ktoré poskytujú dané výsledky. |
| | Kolóna | I | II | | Materiál | nehrdzavejúca oceľ | nehrdzavejúca oceľ | | Dĺžka | 350 cm | 400 cm | | Priemer | 3 mm | 6 mm | | Nosič | I | II | | Chromosorb | WAW | WAW-DMCS-HP | | Zrnitosť | 100 - 120 mesh | 60 - 80 mesh | | Stacionárna fáza | Hallcomid M 18, 10 % | Hallcomid M 18, 20 % | |
| Teplotné podmienky sa môžu líšiť v závislosti od použitého prístroja. |
| Na príkladoch sú nastavené takto: |
| | Kolóna | I | II | | Teploty | | Kolóna | 65 °C | 75 °C | | Dávkovací ventil | 150 °C | 125 °C | | Detektor | 150 °C | 200 °C | | Nosný plyn | I | II | | Prietoková rýchlosť hélia | 45 ml/min. | 60 ml/min. | | Vstupný tlak | 2,5 bar | 2 bar | | Nástrek | 15 μl | 15 μl | |
| 8. ZMES NA STANOVENIE ODOZVOVÉHO FAKTORA |
| Do kónickej banky so zátkou sa presným navážením pripraví zmes obsahujúca |
| – dichlórmetán (4.3.), 30 % (hmot.), |
| – 1,1,1-trichlóretán (4.4.), 35 % (hmot.), |
| – chloroform (4.1.), 35 % (hmot.). |
| 9. VÝPOČTY |
| 9.1. Výpočet odozvového faktora látky „p“ vo vzťahu k látke „a“ zvolenej ako vnútorný štandard |
| Ak prvá látka je „p“, kde je |
| | kp | jej odozvový faktor, | | mp | jej hmotnosť v zmesi, | | Ap | plocha jej píku. | |
| Ak druhá látka je „a“, kde je |
| | ka | jej odozvový faktor zvolený ako rovnajúci sa jednej, | | Ma | jej hmotnosť v zmesi, | | Aa | plocha jej píku, | |
| potom |
| .png)
|
| Na príkladoch sú získané nasledujúce hodnoty odozvových faktorov (pre chloroform k = 1) |
| | dichlórmetán | k1 = 0,78 ± 0,03, | | 1,1,1-trichlóretán | k2 = 1,00 ± 0,03. | |
| 9.2. Výpočet hmotnostných percent dichlórmetánu a 1,1,1-trichlóretánu prítomných v analyzovanej vzorke, |
| ak |
| | ma | je hmotnosť pridaného chloroformu v gramoch, | | Ms | je hmotnosť analyzovanej vzorky v gramoch, | | Aa | je plocha píku chloroformu, | | A1 | je plocha píku dichlórmetánu, | | A2 | je plocha píku 1,1,1-trichlóretánu, | |
| potom |
| .png)
|
| 10. OPAKOVATEĽNOSŤ2) |
| Pri obsahu dichlórmetánu a/alebo 1,1,1-trichlóretánu 25 % (hmot.) nesmie rozdiel medzi výsledkami dvoch paralelne uskutočnených stanovení na tej istej vzorke presiahnuť absolútnu hodnotu 2,5 % (hmot.). |
| 15. DÔKAZ A STANOVENIE CHINOLÍN-8-OLU A BIS(8-HYDROCHINOLÍNIUM)-SULFÁTU |
| (Podľa smernice Komisie 83/514/EHS z 27. septembra 1983) |
| 1. ROZSAH A OBLASŤ POUŽITIA |
| Táto metóda opisuje dôkaz a kvantitatívne stanovenie chinolín-8-olu a jeho sulfátu. |
| 2. DEFINÍCIA |
| Obsah chinolín-8-olu a bis(8-hydroxychinolínium)-sulfátu stanovený vo vzorke podľa tejto metódy sa vyjadrí v hmotnostných percentách chinolín-8-olu. |
| 3. PRINCÍP |
| 3.1. Dôkaz |
| Dokazujú sa tenkovrstvovou chromatografiou. |
| 3.2. Stanovenie |
| Stanovenie sa uskutoční spektrofotometriou komplexu získaného reakciou s Fehlingovým roztokom pri 410 nm. |
| 4. ČINIDLÁ |
| Všetky činidlá majú byť analyticky čisté. |
| 4.1. Chinolín-8-ol |
| 4.2. Benzén |
| Vzhľadom na jeho jedovatosť je potrebné pracovať s ním veľmi opatrne. |
| 4.3. Chloroform |
| 4.4. Vodný roztok hydroxidu sodného, 50 % (hmot.) roztok |
| 4.5. Pentahydrát síranu meďnatého |
| 4.6. Vínan draselno-sodný |
| 4.7. 1 M kyselina chlorovodíková |
| 4.8. Kyselina sírová, 0,5 M |
| 4.9. Hydroxid sodný, 1 M roztok |
| 4.10. Etanol |
| 4.11. Bután-1-ol |
| 4.12. Ľadová kyselina octová |
| 4.13. Kyselina chlorovodíková, 0,1 M |
| 4.14. „Celit 545“ alebo jeho ekvivalent |
| 4.15. Štandardné roztoky |
| 4.15.1. Do 100 ml odmernej banky sa naváži 100 mg chinolín-8-olu (4.1.). Rozpustí sa v malom množstve kyseliny sírovej (4.8.). Doplní sa kyselinou sírovou (4.8.) po značku. |
| 4.15.2. Do 100 ml odmernej banky sa naváži 100 mg chinolín-8-olu. Rozpustí sa v etanole (4.10.). Doplní sa etanolom (4.10.) po značku a premieša sa. |
| 4.16. Fehlingov roztok |
| Roztok A |
| Do 100 ml odmernej banky sa naváži 7 g pentahydrátu síranu meďnatého (4.5.), rozpustí sa v malom množstve vody, doplní vodou po značku a premieša sa. |
| Roztok B |
| Do 100 ml odmernej banky sa naváži 35 g vínanu draselno-sodného (4.6.). Rozpustí sa v 50 ml vody, pridá sa 20 ml roztoku hydroxidu sodného (4.4.), doplní vodou po značku a premieša sa. Tesne pred použitím sa do 100 ml odmernej banky pipetou prenesie 10 ml roztoku A a 10 ml roztoku B a doplní sa vodou po značku a premieša sa. |
| 4.17. Elučné zmesi pre tenkovrstvovú chromatografiu |
| I. zmes |
| Bután-1-ol (4.11.)/kyselina octová (4.12.)/voda, obj. diely 80 : 20 : 20 |
| II. zmes |
| Chloroform (4.13.)/kyselina octová (4.12.), obj. diely 95 : 5 |
| 4.18. 2,6-dichlór-4-(chlórimino)cyklohexa-2,5-dienón, 1 % (m/V) roztok v etanole (4.10.) |
| 4.19. Uhličitan sodný, 1 % (hmot.) roztok vo vode |
| 4.20. Etanol (4.10.), 30 % (obj.) roztok vo vode |
| 4.21. Dinátrium-dihydrogen-etyléndiamíntetraacetát, 5 % (hmot.) roztok vo vode |
| 4.22. Tlmivý roztok, pH 7 |
| Do 1 000 ml odmernej banky sa naváži 27 g bezvodého dihydrogenfosforečnanu draselného a 70 g trihydrátu hydrogenfosforečnanu didraselného. Doplní sa po značku vodou. |
| 4.23. Príprava tenkovrstvových platničiek |
| Hotové tenkovrstvové chromatografické platne s hrúbkou 0,25 mm (napr. Merck Kieselgel 60 alebo ich ekvivalent). Pred použitím sa doska postrieka 10 ml činidla (4.21.) a vysuší sa pri 80 oC. |
| 5. PRÍSTROJE A POMÔCKY |
| 5.1. 100 ml banka s okrúhlym dnom a zábrusovým skleným hrdlom |
| 5.2. Odmerné banky |
| 5.3. Delené pipety, 10 a 5 ml |
| 5.4. Nedelené pipety, 20, 15, 10 a 5 ml |
| 5.5. Oddeľovacie lieviky, 100, 50 a 25 ml |
| 5.6. Skladaný filtračný papier, priemer 90 mm |
| 5.7. Rotačná vákuová odparka |
| 5.8. Spätný chladič so zábrusovým skleneným hrdlom |
| 5.9. Spektrofotometer |
| 5.10. Kyvety s optickou dráhou dlhou 10 mm |
| 5.11. Miešadlo s výhrevnou platňou |
| 5.12. Sklenená chromatografická kolóna, dĺžka 160 mm, priemer 8 mm na spodnom zúženom konci, so zátkou zo sklenej vaty a s nadstavcom na možnú aplikáciu tlaku na hornom konci |
| 6. POSTUP |
| 6.1. Dôkaz |
| 6.1.1. Kvapalné vzorky |
| 6.1.1.1. Hodnota pH časti testovanej vzorky sa upraví na 7. Na štartovaciu čiaru na vopred pripravenej silikagélovej tenkovrstvovej platničke (4.23.) sa nanesie 5 a 10 µl vzorky. |
| 6.1.1.2. Na dva ďalšie body na štartovacej čiare sa nanesie 10 a 30 µl štandardného roztoku (4.15.2.), potom sa platnička nechá vyvíjať v jednej z dvoch elučných zmesí (4.17.). |
| 6.1.1.3. Keď čelo rozpúšťadla dosiahne 150 mm, platnička sa vysuší pri 110 oC (počas 15 minút). Škvrny chinolín-8-olu fluoreskujú pod ultrafialovou lampou (366 nm) nažlto. |
| 6.1.1.4. Platnička sa postrieka roztokom uhličitanu sodného (4.19.), vysuší sa a postrieka roztokom 2,6-dichlór-4-(chlórimino)cyklohexa-2,5-dienónu (4.18.). Chinolín-8-ol sa zviditeľní ako modrá škvrna. |
| 6.1.2. Tuhé vzorky alebo krémy |
| 6.1.2.1. V 5 ml tlmivého roztoku (4.22.) disperguje sa 1 g vzorky. Potom sa do oddeľovacieho lievika prenesie s 10 ml chloroformu (4.3.) a pretrepe sa. Po oddelení chloroformovej vrstvy sa vodná vrstva ešte dvakrát extrahuje 10 ml chloroformu (4.3.). Spojené a prefiltrované chloroformové extrakty sa v 100 ml banke s okrúhlym dnom (5.1.) odparia na rotačnej vákuovej odparke (5.7.) takmer dosucha. Odparok sa rozpustí v 2 ml chloroformu (4.3.), 10 a 30 µl získaného roztoku sa nanesie na silikagélovú dosku na chromatografiu na tenkej vrstve (4.23.), podľa 6.1.1.1. a ďalej. |
| 6.1.2.2. Na platničku sa nanesie 10 a 30 µl štandardného roztoku (4.15.2.) a pokračuje sa postupom podľa 6.1.1.2. až 6.1.1.4. |
| 6.2. Stanovenie |
| 6.2.1. Kvapalné vzorky |
| 6.2.1.1. Do 100 ml banky s okrúhlym dnom sa naváži 5 g vzorky. Pridá sa 1 ml roztoku kyseliny sírovej (4.8.) a zmes sa odparí za zníženého tlaku pri 50 oC takmer dosucha. |
| 6.2.1.2. Tento zvyšok sa rozpustí v 20 ml teplej vody. Prenesie sa do 100 ml odmernej banky. Opláchne sa trikrát 20 ml vody. Doplní sa vodou do 100 ml a premieša sa. |
| 6.2.1.3. Do 50 ml oddeľovacieho lievika (5.5.) sa pipetou prenesie 5 ml tohto roztoku. Pridá sa 10 ml Fehlingovho roztoku (4.16.). Získaný meďnatý komplex chinolín-8-olu (oxín-kuprium (ISO)) sa extrahuje trikrát 8 ml chloroformu (4.3.). |
| 6.2.1.4. Chloroformové vrstvy sa prefiltrujú a zachytávajú do 25 ml odmernej banky (5.2.). Doplnia sa chloroformom (4.3.) po značku a premiešajú sa. Meria sa absorbancia žltého roztoku oproti chloroformu pri 410 nm. |
| 6.2.2. Tuhé vzorky alebo krémy |
| 6.2.2.1. Do 100 ml banky s okrúhlym dnom (4.1.) sa naváži 0,5 g vzorky. Pridá sa 30 ml benzénu (4.2.) a 20 ml kyseliny chlorovodíkovej (4.7.). Obsah sa za miešania zahrieva na reflux počas 30 minút. |
| 6.2.2.2. Obsah banky sa prenesie do 100 ml oddeľovacieho lievika (5.5.). Opláchne sa 5 ml 1 M HCl (4.7.). Vodná fáza sa prenesie do banky s okrúhlym dnom (5.1.) a benzénová fáza sa premyje 5 ml kyseliny chlorovodíkovej (4.7.). |
| 6.2.2.3. V prípade vytvorenia emulzií, čo bráni ďalšiemu postupu, zmieša sa 0,5 g vzorky s 2 g Celitu 545 (4.14.), čím sa vytvorí voľne sypký prášok. Zmes sa po malých častiach prenesie do sklenenej chromatografickej kolóny (5.12.). Po každom pridaní sa pritlačí náplň kolóny. Len čo sa do kolóny prenesie celá zmes, eluuje sa kyselinou chlorovodíkovou (4.13.) takým spôsobom, aby sa 10 ml eluátu získalo približne za 10 minút (ak je to potrebné, elúcia sa môže uskutočniť pod miernym tlakom dusíka). Počas elúcie sa musí zabezpečiť, aby nad vrstvou náplne kolóny vždy bolo nejaké množstvo kyseliny chlorovodíkovej. Prvých 10 ml eluátu sa ďalej spracuje, ako je opísané v 6.2.2.4. |
| 6.2.2.4. Zachytené vodné fázy (6.2.2.2.) alebo eluát (6.2.2.3.) sa takmer dosucha odparia na vákuovej rotačnej odparke za zníženého tlaku. |
| 6.2.2.5. Zvyšok sa rozpustí v 6 ml roztoku hydroxidu sodného (4.9.). Pridá sa 20 ml Fehlingovho roztoku (4.16.) a obsah banky sa prenesie do 50 ml oddeľovacieho lievika (5.5.). Banka sa premyje 8 ml chloroformu (4.3.). Pretrepe sa a chloroformová fáza sa prefiltruje do 50 ml odmernej banky (5.2.). |
| 6.2.2.6. Extrakcia sa zopakuje trikrát s 8 ml chloroformu (4.3.). Chloroformové fázy sa prefiltrujú a zachytia do 50 ml odmernej banky. Doplní sa chloroformom (4.3.) po značku a premieša sa. Meria sa absorbancia žltého roztoku oproti chloroformu (4.3.) pri 410 nm. |
| 7. KALIBRAČNÁ KRIVKA |
| Do štyroch 100 ml baniek s okrúhlym dnom (5.1.), z ktorých každá obsahuje 3 ml 30 % vodného etanolu (4.20.), napipetuje sa 5, 10, 15 a 20 ml štandardného roztoku (4.15.1.), zodpovedajúce 5, 10, 15 a 20 mg chinolín-8-olu. Postupuje sa, ako je opísané v 6.2.1. |
| 8. VÝPOČET |
| 8.1. Kvapalné vzorky |
| Obsah chinolín-8-olu v hmotnostných percentách v kvapalných vzorkách sa vypočíta podľa vzorca |
| .png)
|
| kde |
| | a | je množstvo chinolín-8-olu odčítané z kalibračnej krivky (7) v miligramoch, | | m | je hmotnosť testovanej časti vzorky (6.2.1.1.) v miligramoch. | |
| 8.2. Tuhé vzorky alebo krémy |
| Obsah chinolín-8-olu v hmotnostných percentách v tuhých vzorkách alebo krémoch sa vypočíta podľa vzorca |
| .png)
|
| kde |
| | a | je množstvo chinolín-8-olu odčítané z kalibračnej krivky (7) v miligramoch, | | m | je hmotnosť testovanej časti vzorky (6.2.1.1.) v miligramoch. | |
| 9. OPAKOVATEĽNOSŤ2) |
| Pri obsahu chinolín-8-olu okolo 0,3 % nesmie rozdiel medzi výsledkami dvoch paralelne uskutočnených stanovení na tej istej vzorke presiahnuť absolútnu hodnotu 0,02 %. |
| 16. STANOVENIE AMONIAKU |
| (Podľa smernice Komisie 83/514/EHS z 27. septembra 1983) |
| 1. ROZSAH A OBLASŤ POUŽITIA |
| Táto metóda opisuje stanovenie voľného amoniaku v kozmetických výrobkoch. |
| 2. DEFINÍCIA |
| Obsah amoniaku stanovený vo vzorke podľa tejto metódy sa vyjadrí v hmotnostných percentách amoniaku. |
| 3. PRINCÍP |
| Roztok chloridu bárnatého sa pridá do testovanej časti kozmetických výrobkov zriedenej vo vodnom roztoku metanolu. Akákoľvek zrazenina, ktorá vznikne, odfiltruje sa alebo odstredí na centrifúge. Tento postup zabraňuje stratám amoniaku počas destilácie s vodnou parou z niektorých solí amoniaku, ako napríklad uhličitan alebo hydrogenuhličitan amónny a soli mastných kyselín, s výnimkou octanu amónneho. Z filtrátu alebo supernatantu sa amoniak oddelí destiláciou s vodnou parou a stanoví sa potenciometrickou alebo inou titráciou. |
| 4. ČINIDLÁ |
| Všetky činidlá majú byť analyticky čisté. |
| 4.1. Metanol |
| 4.2. Dihydrát chloridu bárnatého, 25 % (m/V) roztok |
| 4.3. Kyselina trihydrogenboritá, 4 % (m/V) roztok |
| 4.4. Kyselina sírová, 0,25 M štandardný roztok |
| 4.5. Kvapalina obmedzujúca penenie |
| 4.6. Hydroxid sodný, 0,5 M štandardný roztok |
| 4.7. Indikátor, ak je potrebný: |
| 5 ml 0,1 % (m/V) roztoku metylčervene v etanole sa zmieša s 2 ml 0,1 % (m/V) roztoku metylénovej modrej vo vode. |
| 5. PRÍSTROJE A POMÔCKY |
| 5.1. Bežné laboratórne vybavenie |
| 5.2. Centrifúga so 100 ml uzavierateľnými odstredivkovými skúmavkami |
| 5.3. Aparatúra na destiláciu s vodnou parou |
| 5.4. Potenciometer |
| 5.5. Indikátorová sklenená elektróda a kalomelová (s chloridom ortutným) referenčná elektróda |
| 6. POSTUP |
| 6.1. Do 100 ml odmernej banky sa naváži vzorka s hmotnosťou (m), zodpovedajúca maximálne 150 mg amoniaku. |
| 6.2. K vzorke sa pridá 10 ml vody, 10 ml metanolu (4.1.), 10 ml roztoku chloridu bárnatého (4.2.) a doplní sa do 100 ml metanolom (4.1.). |
| 6.3. Roztok sa premieša a nechá sa stáť cez noc v chladničke (5 oC). |
| 6.4. Potom sa ešte chladný roztok prefiltruje alebo odstredí na centrifúge v uzavretých kyvetách počas 10 minút tak, aby sa získal číry filtrát alebo vrstva supernatantu. |
| 6.5. 40 ml tohto číreho roztoku sa pipetou prenesie do aparatúry na destiláciu s vodnou parou (5.3.) s prídavkom 0,5 ml kvapaliny obmedzujúcej penenie (4.5.), ak je to potrebné. |
| 6.6. Predestiluje sa a 200 ml destilátu sa zachytí do 250 ml kadičky obsahujúcej 10 ml štandardného roztoku kyseliny sírovej (4.4.) a 0,1 ml indikátora (4.7.). |
| 6.7. Nadbytok kyseliny sa spätne titruje so štandardným roztokom hydroxidu sodného (4.6.). |
| 6.8. Poznámka |
| Na potenciometrické stanovenie sa 200 ml destilátu zachytí do 250 ml kadičky obsahujúcej 25 ml roztoku kyseliny trihydrogenboritej (4.3.) a titruje sa štandardným roztokom kyseliny sírovej (4.4.). Zostrojí sa titračná krivka. |
| 7. VÝPOČTY |
| 7.1. Výpočet v prípade spätnej titrácie |
| Obsah amoniaku v hmotnostných percentách v prípade spätnej titrácie sa vypočíta podľa vzorca |
| .png)
|
| kde |
| | V1 | je objem spotrebovaného roztoku hydroxidu sodného (4.6.) v mililitroch, | | M1 | je jeho skutočná molarita (4.6.), | | M2 | je skutočná molarita roztoku kyseliny sírovej (4.4.), | | m | je hmotnosť naváženej vzorky (6.1.) v miligramoch. | |
| 7.2. Výpočet v prípade priamej potenciometrickej titrácie |
| Obsah amoniaku v hmotnostných percentách v prípade priamej potenciometrickej titrácie sa vypočíta podľa vzorca |
| .png)
|
| kde |
| | V2 | je objem spotrebovaného roztoku kyseliny sírovej (4.4.) v mililitroch, | | M2 | je jeho skutočná molarita (4.4.), | | m | je hmotnosť naváženej vzorky (6.1.) v miligramoch. | |
| 8. OPAKOVATEĽNOSŤ2) |
| Pri obsahu amoniaku okolo 6 % nesmie rozdiel medzi výsledkami dvoch paralelne uskutočnených stanovení na tej istej vzorke presiahnuť absolútnu hodnotu 0,6 %. |
| 17. DÔKAZ A STANOVENIE NITROMETÁNU |
| (Podľa smernice Komisie 83/514/EHS z 27. septembra 1983) |
| 1. ROZSAH A OBLASŤ POUŽITIA |
| Táto metóda je vhodná na dôkaz a stanovenie nitrometánu približne až do 0,3 % v kozmetických výrobkoch balených v aerosólových rozprašovačoch. |
| 2. DEFINÍCIA |
| Obsah nitrometánu stanovený vo vzorke podľa tejto metódy sa vyjadrí v hmotnostných percentách nitrometánu v celkovom obsahu aerosólového rozprašovača. |
| 3. PRINCÍP |
| Nitrometán sa dokazuje farebnou reakciou. Nitrometán sa stanoví plynovou chromatografiou po pridaní vnútorného štandardu. |
| 4. DÔKAZ |
| 4.1. Činidlá |
| Všetky činidlá majú byť analyticky čisté. |
| 4.1.1. Hydroxid sodný, 0,5 M roztok |
| 4.1.2. Folinovo činidlo, 0,1 g nátrium-3,4-dihydro-3,4-dioxonaftalén-1-sulfonátu sa rozpustí vo vode a zriedi sa do 100 ml. |
| 4.2. Postup |
| K 1 ml vzorky sa pridá 10 ml 4.1.1. a 1 ml 4.1.2. Fialové sfarbenie indikuje prítomnosť nitrometánu. |
| 5. STANOVENIE |
| 5.1. Činidlá |
| Všetky činidlá musia byť analyticky čisté. |
| 5.1.1. Chloroform (vnútorný štandard 1) |
| 5.1.2. 2,4-dimetylheptán (vnútorný štandard 2) |
| 5.1.3. Etanol, 95 % |
| 5.1.4. Nitrometán |
| 5.1.5. Referenčný roztok chloroform |
| Do odváženej 25 ml odmernej banky sa pridá približne 650 mg chloroformu (5.1.1.). Banka s obsahom sa znova presne odváži, doplní 95 % etanolom (5.1.3.) do 25 ml, odváži sa a vypočíta hmotnostné percento chloroformu v tomto roztoku. |
| 5.1.6. Referenčný roztok 2,4-dimetylheptánu |
| Pripraví sa podobným spôsobom ako referenčný roztok chloroformu, ale do 25 ml odmernej banky sa naváži 270 mg 2,4-dimetylheptánu (5.1.2.). |
| 5.2. Prístroje a pomôcky |
| 5.2.1. Plynový chromatograf s plameňovo-ionizačným detektorom |
| 5.2.2. Zariadenie na prípravu vzoriek z aerosólov (prečerpávacia fľaša, mikrostriekačkové spoje atď.) podľa metódy „Laboratórna príprava skúšobných vzoriek“ |
| 5.2.3. Bežné laboratórne vybavenie |
| 5.3. Postup |
| 5.3.1. Príprava vzorky |
| Do 100 ml odváženej fľaše na prenesenie vzorky, prefúknutej alebo evakuovanej podľa postupu 5.4. „Laboratórna príprava skúšobných vzoriek“, pridá sa 5 ml jedného z dvoch roztokov vnútorných štandardov (5.1.5. alebo 5.1.6.). Použije sa 10 ml alebo 20 ml sklenená striekačka bez ihly, upravená na pripojenie k spojke, postupujúc podľa postupu 5. „Laboratórna príprava skúšobných vzoriek“. Znova sa odváži na stanovenie preneseného množstva. S použitím tej istej techniky sa do tejto fľaše prenesie asi 50 g obsahu vzorky z aerosólového rozprašovača. Opäť sa odváži na určenie množstva prenesenej vzorky a dôkladne sa premieša. Nastrekuje sa okolo 10 mg s použitím špeciálnej mikrostriekačky (5.2.2.). Uskutoční sa 5 nástrekov. |
| 5.3.2. Príprava štandardu |
| Do 50 ml odmernej banky sa presne naváži 500 mg nitrometánu (5.1.4.), 500 mg chloroformu (5.1.1.) alebo 210 mg 2,4-dimetylheptánu (5.1.2.). Doplní sa po značku 95 % etanolom (5.1.3.). Dôkladne sa premieša a 5 ml tohto roztoku sa umiestni do 20 ml odmernej banky. Doplní sa po značku 95 % etanolom (5.1.3.). Nastrekuje sa okolo 10 mg s použitím špeciálnej mikrostriekačky (5.2.2.). Uskutoční sa 5 nástrekov. |
| 5.3.3. Podmienky na plynovú chromatografiu |
| 5.3.3.1. Kolóna |
| Skladá sa z dvoch častí. Prvá časť obsahuje ako náplň didecyl-ftalát na Gaschrome Q, druhá obsahuje ako náplň Ucon 50 HB 280X na Gaschrome Q. Pripravená kombinovaná kolóna musí poskytovať rozlíšenie R rovnajúce sa alebo väčšie ako 1,5 podľa vzorca |
| .png)
|
| kde |
| | r1 a r2 | sú retenčné časy v minútach, | | W1 a W2 | je šírka píkov v polovičnej výške píku v milimetroch, | | d’ | je rýchlosť zapisovača v milimetroch za minútu. | |
| Nasledujúce údaje sú uvedené ako príklady kolóny spĺňajúcej uvedené požiadavky |
| Kolóna A |
| | Materiál | nehrdzavejúca oceľ | | Dĺžka | 1,5 m | | Priemer: | 3 mm | | Náplň: | 20 % didecyl-ftalát na Gaschrome Q 100 až 120 mesh | |
| Kolóna B |
| | Materiál: | nehrdzavejúca oceľ | | Dĺžka: | 1,5 m | | Priemer: | 3 mm | | Náplň: | 20 % Ucon 50 HB 280X na Gaschrome Q 100 až 120 mesh | |
| 5.3.3.2. Detektor |
| Vhodné nastavenie citlivosti je 8 x 10-10 A na elektrometri plameňovo-ionizačného detektora. |
| 5.3.3.3. Teplotné podmienky |
| Ako vhodné sa ukázali nasledujúce podmienky |
| | Dávkovací ventil | 150 oC | | Detektor | 150 oC | | Kolóna | 50 až 80 oC v závislosti od konkrétnych kolón a prístrojov | |
| 5.3.3.4. Plyny |
| | Nosný plyn | dusík | | Tlak | 2,1 bar | | Prietoková rýchlosť | 40 ml/min | | Plyn pre detektor | podľa špecifikácie výrobcu detektora | |
| 6. VÝPOČET |
| 6.1. Odozvový faktor nitrometánu, vypočítaný zo vzťahu k použitému vnútornému štandardu |
| | n | označuje nitrometán, | | kn | je jeho odozvový faktor, | | mn | je jeho hmotnosť v zmesi v gramoch, | | Sn | je plocha jeho píku, | | c | označuje vnútorný štandard, chloroform alebo 2,4-dimetylheptán, | | mc | je jeho hmotnosť v zmesi v gramoch, | | Sc | je plocha jeho píku, | |
| potom odozvový faktor kn je funkciou prístroja a vypočíta sa podľa vzorca |
| .png)
|
| 6.2. Koncentrácia nitrometánu vo vzorke |
| Ak |
| | n | označuje nitrometán, | | kn | je jeho odozvový faktor, | | Sn | je plocha jeho píku. | | c | označuje vnútorný štandard, chloroform alebo 2,4-dimetylheptán, | | mc | je jeho hmotnosť v zmesi (v gramoch), | | Sc | je plocha jeho píku, | | M | je hmotnosť preneseného aerosólu (v gramoch), | |
| potom |
| hmotnostné percentá nitrometánu vo vzorke sa vypočítajú podľa vzorca |
| .png)
|
| 7. OPAKOVATEĽNOSŤ2) |
| Pri obsahu nitrometánu okolo 0,3 % (hmot.) nesmie rozdiel medzi výsledkami dvoch paralelne uskutočnených stanovení na tej istej vzorke presiahnuť absolútnu hodnotu 0,03 % (hmot.). |
| 18. DÔKAZ A STANOVENIE KYSELINY MERKAPTOOCTOVEJ VO VÝROBKOCH NA ONDULÁCIU VLASOV, NA NAROVNÁVANIE VLASOV A NA DEPILÁCIU |
| (Podľa smernice Komisie 83/514/EHS z 27. septembra 1983) |
| 1. ROZSAH A OBLASŤ POUŽITIA |
| Táto metóda opisuje dôkaz a stanovenie kyseliny sulfanyloctovej vo výrobkoch na onduláciu vlasov, na narovnávanie vlasov a na depiláciu, v ktorých môžu byť prítomné iné redukčné činidlá. |
| 2. DEFINÍCIA |
| Obsah kyseliny sulfanyloctovej stanovenej vo vzorke podľa tejto metódy sa vyjadrí v hmotnostných percentách kyseliny sulfanyloctovej. |
| 3. PRINCÍP |
| Kyselina sulfanyloctová sa dokazuje bodovými testami a tenkovrstvovou chromatografiou a stanoví sa jodometricky alebo plynovou chromatografiou. |
| 4. DÔKAZ |
| 4.1. Dôkaz bodovými testami |
| 4.1.1. Činidlá |
| Všetky činidlá musia byť analyticky čisté. |
| 4.1.1.1. Indikačný papier, napustený octanom olovnatým |
| 4.1.1.2. Roztok kyseliny chlorovodíkovej (jeden objemový diel koncentrovanej kyseliny chlorovodíkovej plus jeden objemový diel vody) |
| 4.1.2. Postup |
| 4.1.2.1. Dôkaz kyseliny sulfanyloctovej prostredníctvom farebnej reakcie s octanom olovnatým. |
| Kvapka analyzovanej vzorky sa umiestni na indikačný papier napustený octanom olovnatým (4.1.1.1.). Ak sa objaví intenzívna žltá škvrna, pravdepodobne je prítomná kyselina sulfanyloctová. Citlivosť je 0,5 %. |
| 4.1.2.2. Dôkaz anorganických sulfidov za vzniku sulfánu po okyslení |
| Do skúmavky sa pridá niekoľko kvapiek analyzovanej vzorky. Pridajú sa 2 ml destilovanej vody a 1 ml kyseliny chlorovodíkovej (4.1.1.2.). Uvoľní sa sulfán, rozpoznateľný podľa jeho zápachu, a na indikačnom papieriku napustenom octanom olovnatým (4.1.1.1.) vznikne čierna zrazenina sulfidu olovnatého. Citlivosť je 50 ppm. |
| 4.1.2.3. Dôkaz siričitanov za vzniku oxidu siričitého po okyslení |
| Postupuje sa podľa 4.1.2.2. Obsah sa zahreje do varu, oxid siričitý sa dá rozpoznať podľa jeho zápachu a podľa jeho redukčných vlastností, napríklad pri styku s iónmi manganistanu. |
| 4.2. Dôkaz tenkovrstvovou chromatografiou |
| 4.2.1. Činidlá |
| Všetky činidlá, ak nie je uvedené inak, musia byť analyticky čisté. |
| 4.2.1.1. Kyselina sulfanyloctová (kyselina tioglykolová), minimálna čistota 98 %, stanovená jodometricky |
| 4.2.1.2. Kyselina 2,2-disulfándiyldi(octová), minimálna čistota 99 %, stanovená jodometricky |
| 4.2.1.3. Kyselina 2-sulfanylpropánová (kyselina tiomliečna), minimálna čistota 95 %, stanovená jodometricky |
| 4.2.1.4. Kyselina 3-sulfanylpropánová, minimálna čistota 98 %, stanovená jodometricky |
| 4.2.1.5. 3-sulfanylpropán-1,2-diol (1-tioglycerol), minimálna čistota 98 %, stanovená jodometricky |
| 4.2.1.6. Hotové silikagélové platne na tenkovrstvovú chromatografiu s hrúbkou 0,25 mm |
| 4.2.1.7. Hotové platne na tenkovrstvovú chromatografiu s oxidom hlinitým, Merck F 254 E alebo ekvivalentné |
| 4.2.1.8. Kyselina chlorovodíková koncentrovaná, d204= 1,19 g/ml |
| 4.2.1.9. Etylacetát (octan etylový) |
| 4.2.1.10. Chloroform |
| 4.2.1.11. Diizopropyléter |
| 4.2.1.12. Chlorid uhličitý |
| 4.2.1.13. Kyselina octová, ľadová |
| 4.2.1.14. Jodid draselný,1 % (m/V) roztok vo vode |
| 4.2.1.15. Chlorid platiničitý, 0,1 % (m/V) roztok vo vode |
| 4.2.1.16. Elučné zmesi |
| – Etylacetát (4.2.1.9.)/chloroform (4.2.1.10.)/diizopropyléter (4.2.1.11.)/kyselina octová (4.2.1.13.) v objemových dieloch 20 : 20 : 10 : 10, |
| – Chloroform (4.2.1.10.)/kyselina octová (4.2.1.13.) v objemových dieloch 90 : 20 |
| 4.2.1.17. Detekčné činidlá |
| – Tesne pred použitím sa zmiešajú rovnaké objemy roztoku 4.2.1.14. a roztoku 4.2.1.15. |
| – Roztok brómu, 5 % (m/V) |
| 5 g brómu sa rozpustí v 100 ml chloridu uhličitého (4.2.1.12.). |
| – Roztok fluoresceínu, 0,1 % (m/V) |
| 100 mg fluoresceínu sa rozpustí v 100 ml etanolu. |
| – Heptamolybdénan hexaamónny, 10 % (m/V) roztok vo vode |
| 4.2.1.18. Referenčné roztoky |
| – Kyselina sulfanyloctová (4.2.1.1.), 0,4 % (m/V) roztok vo vode |
| – Kyselina 2,2-disulfándiyldi(octová) (4.2.1.2.), 0,4 % (m/V) roztok vo vode |
| – Kyselina 2-sulfanylpropánová (4.2.1.3.), 0,4 % (m/V) roztok vo vode |
| – Kyselina 3-sulfanylpropánová (4.2.1.4.), 0,4 % (m/V) roztok vo vode |
| – 3-sulfanylpropán-1,2-diol (4.2.1.5.), 0,4 % (m/V) roztok vo vode |
| 4.2.2. Prístroje a pomôcky |
| Bežné vybavenie na tenkovrstvovú chromatografiu |
| 4.2.3. Postup |
| 4.2.3.1. Spracovanie vzoriek |
| Okyslí sa niekoľkými kvapkami kyseliny chlorovodíkovej (4.2.1.8.) na pH 1 a v prípade potreby sa prefiltruje. V niektorých prípadoch je výhodné vzorku zriediť. Vtedy sa pred zriedením okyslí kyselinou chlorovodíkovou. |
| 4.2.3.2. Elúcia |
| Na platničku sa nanesie 1 ml roztoku vzorky (4.2.3.1.) a 1 ml každého z 5 referenčných roztokov (4.2.1.18.). Opatrne sa vysuší pod miernym prúdom dusíka a platnička sa eluuje elučnou zmesou (4.2.1.16.1. alebo 4.2.1.16.2.). Platnička sa vysuší čo najrýchlejšie, aby sa minimalizovala oxidácia tiolov. |
| 4.2.3.3. Detekcia |
| Platnička sa postrieka jedným z 3 činidiel (4.2.1.17.1., 4.2.1.17.3. alebo 4.2.1.17.4.). Ak sa platnička postrieka činidlom 4.2.1.17.3., ďalej sa pôsobí parami brómu (napr. v uzavretej nádobe obsahujúcej malú kadičku s činidlom 4.2.1.17.2.), kým sa škvrny nezviditeľnia. Detekcia postrekovacím činidlom 4.2.1.17.4. bude uspokojivá, len ak čas sušenia platničky nepresiahne 30 minút. |
| 4.2.3.4. Interpretácia |
| Porovnajú sa Rf hodnoty a farby škvŕn referenčných roztokov a vzorky. Nižšie uvedené Rf hodnoty slúžia len na porovnanie. Závisia od |
| – úrovne aktivácie vrstvy silikagélu počas chromatografie, |
| – teploty v chromatografickej komore. |
| Príklady Rf hodnôt získaných na silikagélovej vrstve |
| | | Elučné zmesi | | 4.2.1.16.1. | 4.2.1.16.2. | Kyselina sulfanyloctová
Kyselina 2-sulfanylpropánová
Kyselina 2,2'-disulfandiyldi(octová)
Kyselina 3-sulfanylpropánová
3-sulfanylpropán-1,2-diol | 0,25
0,40
0,00
0,45
0,45 | 0,80
0,95
0,35
0,95
0,35 | |
| 5. STANOVENIE |
| Stanovenie sa má vždy začínať jodometriou. Stanovenie sulfanyloctovej kyseliny sa musí uskutočniť s nepoužitým výrobkom z čerstvo otvoreného obalu, aby sa predišlo oxidácii. |
| 5.1. Jodometria |
| 5.1.1. Princíp |
| Stanovenie je založené na oxidácii -SH skupiny jódom v kyslom prostredí podľa rovnice |
| 2 HOOC-CH2SH + I2 (HOOC-CH2-S)2 + 2 I- + 2 H+ |
| 5.1.2. Činidlá |
| Jód, 0,05 M štandardný roztok |
| 5.1.3. Prístroje a pomôcky |
| Bežné laboratórne vybavenie |
| 5.1.4. Postup |
| Do 150 ml kónickej banky so zátkou obsahujúcej 50 ml destilovanej vody sa presne naváži 0,5 až 1 g vzorky. Pridá sa 5 ml kyseliny chlorovodíkovej (4.1.1.2.), na úpravu pH roztoku okolo 0 a titruje sa roztokom jódu (5.1.2.), kým sa neobjaví žlté sfarbenie. Ak je to potrebné, použije sa indikátor (napr. roztok škrobu alebo chlorid uhličitý). |
| 5.1.5. Výpočet |
| Obsah kyseliny sulfanyloctovej v hmotnostných percentách sa vypočíta podľa vzorca |
| .png)
|
| kde |
| m je hmotnosť skúšobnej vzorky v gramoch, |
| n je objem spotrebovaného roztoku jódu (5.1.2.). |
| 5.1.6. Poznámky |
| Ak výsledok vypočítaný na kyselinu sulfanyloctovú je 0,1 % alebo menší ako najvyššie povolená koncentrácia, nemá význam uskutočňovať ďalšie stanovenia. Ak je výsledok rovnaký alebo vyšší ako najvyššie povolená koncentrácia a dôkaz preukázal prítomnosť niekoľkých redukčných činidiel, je potrebné uskutočniť stanovenie plynovou chromatografiou. |
| 5.2. Plynová chromatografia |
| 5.2.1. Princíp |
| Kyselina sulfanyloctová sa oddelí od pomocných látok vyzrážaním roztokom octanu kademnatého. Po metylácii diazometánom pripraveným in situ, alebo dopredu ako roztok v dietyléteri sa metylderivát kyseliny sulfanyloctovej stanoví plynovo/kvapalinovou chromatografiou s použitím metyl-oktanoátu ako vnútorného štandardu. |
| 5.2.2. Činidlá |
| Všetky činidlá musia byť analyticky čisté. |
| 5.2.2.1. Kyselina sulfanyloctová, 98 % |
| 5.2.2.2. Kyselina chlorovodíková, d204= 1,19 g/ml |
| 5.2.2.3. Metanol |
| 5.2.2.4. Dihydrát octanu kademnatého, 10 % (m/V) roztok vo vode |
| 5.2.2.5. Metyl-oktanoát, 2 % (m/V) roztok v metanole |
| 5.2.2.6. Octanový tlmivý roztok (pH 5) |
| – Trihydrát octanu sodného, 77 g |
| – Kyselina octová (ľadová), 27,5 g |
| – Demineralizovaná voda do celkového objemu 1 000 ml |
| 5.2.2.7. Kyselina chlorovodíková, čerstvo pripravený 3 M roztok v metanole (5.2.2.3.) |
| 5.2.2.8. 1-metyl-3-nitro-1-nitrózoguanidín |
| 5.2.2.9. Hydroxid sodný, 5 M roztok |
| 5.2.2.10. Jód, 0,05 M štandardný roztok |
| 5.2.2.11. Dietyléter |
| 5.2.2.12. Roztok diazometánu pripravený z N-metyl–N–nitrózotoluén–4–sulfónamidu4) obsahuje asi 1,5 g diazometánu v 100 ml dietylétere. Pretože diazometán je toxický a veľmi nestabilný plyn, je potrebné všetky operácie vykonávať v dobre odťahujúcom digestóriu a vyvarovať sa použitia sklenenej zábrusovej aparatúry (na tento účel sú k dispozícii špeciálne súpravy). |
| 5.2.3. Prístroje a pomôcky |
| 5.2.3.1. Bežné laboratórne vybavenie |
| 5.2.3.2. Aparatúra na prípravu diazometánu metyláciou in situ5) |
| 5.2.3.3. Prístroj na prípravu diazometánu |
| 5.2.4. Príprava vzorky |
| Do 50 ml centrifugačnej skúmavky sa presne naváži také množstvo vzorky, aby obsahovalo odhadom 50 až 70 mg kyseliny sulfanyloctovej. Okyslí sa niekoľkými kvapkami kyseliny chlorovodíkovej (5.2.2.2.) na dosiahnutie pH okolo 3. Pridá sa 5 ml demineralizovanej vody a 10 ml octanového tlmivého roztoku (5.2.2.6.). Pomocou pH papierika sa overí, že pH je okolo 5. Potom sa pridá 5 ml roztoku octanu kademnatého (5.2.2.4.). Počká sa 10 minút a odstredí sa na centrifúge aspoň 15 minút pri 4 000 gn. Odstráni sa kvapalný supernatant, ktorý môže obsahovať nerozpustný tuk (v prípade krémových výrobkov). Tento tuk si nemožno zamieňať s tiolmi, ktoré sa hromadia v kompaktnej hmote na dne skúmavky. Overí sa, či po pridaní niekoľkých kvapiek roztoku octanu kademnatého (5.2.2.4.) k supernatantu nevzniká zrazenina. Ak predchádzajúci dôkaz nepreukázal prítomnosť iných redukčných činidiel ako tiolov, jodometricky sa overí, či obsah tiolov prítomných v kvapalnom supernatante nepresahuje 6 až 8 % ich pôvodného obsahu. Do centrifugačnej skúmavky obsahujúcej zrazeninu sa dá 10 ml metanolu (5.2.2.3.) a zrazenina sa na jemno disperguje miešacou tyčinkou. Opäť sa odstreďuje na centrifúge aspoň 15 minút pri 4 000 gn. Supernatant sa zleje a overí sa, či neobsahuje tioly. Zrazenina sa po druhý raz premyje tým istým postupom. Do tej istej centrifugačnej skúmavky sa pridá |
| – 2 ml roztoku metyl-oktanoátu (5.2.2.5.), |
| – 5 ml kyseliny chlorovodíkovej v metanole (5.2.2.7.). |
| Tioly sa úplne rozpustia, pričom môže ostávať malé množstvo nerozpustného zvyšku pomocných látok (roztok S). V alikvotnom podiele tohto roztoku sa jodometricky overí, že obsah tiolov je aspoň 90 % oproti obsahu stanovenému v 5.1. |
| 5.2.5. Metylácia |
| Metylácia sa uskutoční pomocou prípravy in situ (5.2.5.1.) alebo vopred pripraveným roztokom diazometánu (5.2.5.2.). |
| 5.2.5.1. Metylácia in situ |
| Do aparatúry na metyláciu (5.2.3.2.) obsahujúcej 1 ml éteru (5.2.2.11.) sa prenesie 50 ml roztoku S a metyluje sa metódou (5.2.3.2.) asi s 300 mg 1-metyl-3-nitro-1-nitrózoguanidínu (5.2.2.8.). Po 15 minútach (éterový roztok musí byť žltý, čo indikuje nadbytok diazometánu), roztok vzorky sa prenesie do 2 ml fľaštičky s vzduchotesným uzáverom. Umiestni sa do chladničky a nechá sa tam cez noc. Súbežne sa metylujú dve vzorky. |
| 5.2.5.2. Metylácia s vopred pripraveným roztokom diazometánu |
| Do 5 ml banky s uzáverom sa prenesie 1 ml roztoku diazometánu (5.2.2.12.) a potom 50 ml roztoku S. Nechá sa cez noc v chladničke. |
| 5.2.6. Príprava štandardu |
| Pripraví sa štandardný roztok kyseliny sulfanyloctovej (5.2.2.1.) so známou koncentráciou, obsahujúci v 2 ml asi 60 mg čistej kyseliny sulfanyloctovej (5.2.2.1.) – roztok E. Vyzráža sa, otestuje a metyluje, ako je opísané v 5.2.4. a 5.2.5. |
| 5.2.7. Podmienky na plynovú chromatografiu |
| 5.2.7.1. Kolóna |
| | Typ | nehrdzavejúca oceľ | | Dĺžka | 2 m | | Priemer | 3 mm | |
| 5.2.7.2. Náplň 20 % didecyl-ftalát/Chromosorb, WAW 80 až 100 mesh. |
| 5.2.7.3. Detektor |
| Plameňovo-ionizačný |
| Vhodné nastavenie citlivosti elektrometra plameňovo-ionizačného detektora je 8 x 10-10 A. |
| 5.2.7.4. Plyny |
| | Nosný plyn | dusík | | Tlak | 2,2 bar | | Prietoková rýchlosť | 35 ml/min. | | Pomocný plyn | vodík | | Tlak | 1,8 bar | | Prietoková rýchlosť | 15 ml/min. | |
| Plyn pre detektor: podľa špecifikácie výrobcu prístroja. |
| 5.2.7.5. Teplotné podmienky |
| | Dávkovací ventil | 200 oC | | Detektor | 200 oC | | Kolóna | 90 oC | |
| 5.2.7.6. Rýchlosť posunu zapisovača 5 mm/min. |
| 5.2.7.7. Nastrekované množstvo 3 µl |
| Uskutoční sa 5 nástrekov. |
| 5.2.7.8. Uvedené chromatografické podmienky sú len orientačné. Umožňujú dosiahnutie rozlíšenia R rovnajúce sa alebo väčšie ako 1,5 podľa vzorca |
| .png)
|
| kde |
| | r1 a r2 | sú retenčné časy v minútach, | | W1 a W2 | je šírka píkov v polovičnej výške píku v milimetroch, | | d | je rýchlosť posunu zapisovača v milimetroch za minútu. | |
| Odporúča sa, aby sa na záver chromatografického merania regulovala teplota z 90 na 150 oC pri rýchlosti 10 oC za minútu, aby sa odstránili látky, pri ktorých sa predpokladá, že by rušili ďalšie stanovenie. |
| 5.2.8. Výpočty |
| 5.2.8.1. Koeficient proporcionality pre kyselinu sulfanyloctovú |
| Vypočíta sa zo vzťahu k metyl-oktanoátu na základe štandardného roztoku. |
| Ak |
| | t | je kyselina sulfanyloctová, | | kt | je jej odozvový faktor, | | mt | je jej hmotnosť v zmesi v miligramoch, | | St | je jej plocha píku, | |
| ak |
| | c | je metyl-oktanoát, | | mc | je jeho hmotnosť v zmesi v miligramoch, | | Sc | je jeho plocha píku, | |
| potom |
| .png)
|
| Tento koeficient závisí od použitého prístroja. |
| 5.2.8.2. Koncentrácia kyseliny sulfanyloctovej prítomnej vo vzorke |
| Ak |
| | t | je kyselina sulfanyloctová, | | kt | je jej odozvový faktor, | | St | je jej plocha píku, | |
| ak |
| | c | je metyl-oktanoát, | | mc | je jeho hmotnosť v zmesi (v miligramoch), | | Sc | je plocha jeho píku, | | M | je hmotnosť počiatočnej skúšobnej vzorky (v miligramoch), | |
| potom |
| hmotnostné percento kyseliny sulfanyloctovej vo vzorke vypočítame podľa vzorca |
| .png)
|
| 6. OPAKOVATEĽNOSŤ2) |
| Pri obsahu kyseliny sulfanyloctovej 8 % (hmot.) nesmie rozdiel medzi výsledkami dvoch paralelne uskutočnených stanovení na tej istej vzorke presiahnuť absolútnu hodnotu 0,8 % (hmot.). |
| 19. DÔKAZ A STANOVENIE HEXACHLOROFÉNU (INN) |
| (Podľa smernice Komisie 83/514/EHS z 27. septembra 1983) |
| A. DÔKAZ |
| 1. ROZSAH A OBLASŤ POUŽITIA |
| Táto metóda je vhodná pre všetky kozmetické výrobky. |
| 2. PRINCÍP |
| Hexachlorofén sa extrahuje zo vzorky etyl-acetátom a dokazuje sa tenkovrstvovou chromatografiou. |
| 3. ČINIDLÁ |
| Všetky činidlá musia byť analyticky čisté. |
| 3.1. Kyselina sírová, 4 M roztok |
| 3.2. Celit AW |
| 3.3. Etyl-acetát (octan etylový) |
| 3.4. Elučné rozpúšťadlo – benzén, obsahujúci 1 % (obj.) ľadovej kyseliny octovej |
| 3.5. Detekčné činidlo I |
| Roztok rodamínu B – 100 mg rodamínu B sa rozpustí v zmesi 150 ml dietyléteru, 70 ml absolútneho etanolu a 16 ml vody |
| 3.6. Detekčné činidlo II |
| Roztok 2,6-dibróm-4-(chlórimino)cyklohexa-2,5 dienónu – 400 mg 2,6-dibróm-4-(chlórimino)cyklohexa-2,5-dienónu sa rozpustí v 100 ml metanolu (pripravuje sa denne čerstvé). |
| Roztok uhličitanu sodného – 10 g uhličitanu sodného sa rozpustí v 100 ml demineralizovanej vody. |
| 3.7. Referenčný roztok |
| Hexachlorofén, 0,05 % (m/V) roztok v etyl-acetáte |
| 4. PRÍSTROJE A POMÔCKY |
| 4.1. TLC silikagélové platne 254 nm, 200 x 200 mm (alebo ich ekvivalent) |
| 4.2. Bežné vybavenie na TLC |
| 4.3. Kúpeľ terpenovaný na 26 oC na kontrolu teploty v chromatografickej vyvíjacej nádobe |
| 5. PRÍPRAVA TESTOVANEJ VZORKY |
| S 1 g Celitu AW (3.2.) a 1 ml kyseliny sírovej (3.1.) sa dôkladne premieša 1 g homogenizovanej vzorky. Suší sa 2 hodiny pri 100 oC. Nechá sa ochladiť a vysušený zvyšok sa rozdrví na jemný prášok. Extrahuje sa dvakrát, zakaždým 10 ml etyl-acetátu (3.3.), po každej extrakcii sa odstredí na centrifúge a etyl-acetátové vrstvy sa spoja. Odparia sa pri 60 oC. Odparok sa rozpustí v 2 ml etyl-acetátu (3.3.). |
| 6. POSTUP |
| 6.1. Na TLC platničku (4.1.) sa nanesú 2 ml roztoku skúšobnej vzorky (5.6.) a 2 µl referenčného roztoku (3.7.).Vyvíjacia nádoba (4.3.) sa nasýti elučným rozpúšťadlom (3.4.). TLC platnička sa umiestni do vyvíjacej nádoby a eluuje sa do vzdialenosti čela 150 mm. TLC platnička sa vyberie a vysuší sa v sušiarni s nútenou cirkuláciou vzduchu pri teplote okolo 105 oC. |
| 6.2. Detekcia |
| Škvrny hexachlorofénu na tenkovrstvovej platničke sa vizualizujú podľa 6.5.1. alebo 6.5.2. |
| 6.2.1. Platnička sa rovnomerne postrieka detekčným činidlom I (3.5.). Po 30 minútach sa pozoruje pod ultrafialovým svetlom pri 254 nm. |
| 6.2.2. Platnička sa rovnomerne postrieka roztokom detekčného činidla II – 2,6-dibróm-4-(chlórimino)cyklohexa-2,5-dienónu (3.6.). Následne sa postrieka roztokom uhličitanu sodného (3.6.). Po 10 minútach sušenia pri laboratórnej teplote sa pozoruje pri dennom svetle. |
| 7. INTERPRETÁCIA |
| 7.1. Detekčné činidlo I (3.5.) – hexachlorofén sa prejaví ako modrastá škvrna na žlto-oranžovom fluoreskujúcom pozadí s Rf hodnotou približne 0,5 |
| 7.2. Detekčné činidlo II (3.6.) – hexachlorofén sa prejaví ako nebovomodrá alebo tyrkysovo sfarbená škvrna na bielom pozadí s Rf hodnotou približne 0,5 |
| B. STANOVENIE |
| 1. ROZSAH A OBLASŤ POUŽITIA |
| Táto metóda je vhodná pre všetky kozmetické výrobky. |
| 2. DEFINÍCIA |
| Obsah hexachlorofénu, stanovený vo vzorke podľa tejto metódy, sa vyjadrí v hmotnostných percentách hexachlorofénu. |
| 3. PRINCÍP |
| Hexachlorofén sa stanoví po premene na metylový derivát plynovou chromatografiou s detektorom elektrónového záchytu. |
| 4. ČINIDLÁ |
| Všetky činidlá musia byť analyticky čisté. |
| 4.1. Etyl-acetát (octan etylový) |
| 4.2. N-metyl-N-nitrózo-p-toluénsulfónamid (diazald) |
| 4.3. Dietyléter |
| 4.4. Metanol |
| 4.5. 2-(2-etoxyetoxy)etanol (karbitol) |
| 4.6. Kyselina mravčia |
| 4.7. Hydroxid draselný, 50 % (hmot.) vodný roztok (pripravuje sa denne čerstvý) |
| 4.8. Hexán pre spektroskopiu |
| 4.9. Brómchlórfén (štandard č. 1) |
| 4.10. 4,4,6,6-tetrachlór-2,2-tiodifenol (štandard č. 2) |
| 4.11. 2-hydroxy-2,4,4-trichlórdifenyléter (štandard č. 3) |
| 4.12. Acetón |
| 4.13. Kyselina sírová, 4 M |
| 4.14. Celit AW |
| 4.15. 10 % (obj.) roztok kyseliny mravčej v etyl-acetáte |
| 4.16. Hexachlorofén |
| 5. PRÍSTROJE A pomôcky |
| 5.1. Bežné laboratórne sklo |
| 5.2. Miniaparatúra na prípravu diazometánu5) |
| 5.3. Plynový chromatograf vybavený detektorom elektrónového záchytu so zdrojom 63Ni. |
| 6. POSTUP |
| 6.1. Príprava referenčného roztoku |
| Štandard sa vyberie tak, aby neinterferoval so žiadnou látkou obsiahnutou v analyzovanom výrobku ako pomocná látka. Zvyčajne je najvhodnejší štandard č. 1 (4.9.). Do 100 ml odmernej banky sa presne naváži približne 50 mg štandardu č. 1 alebo č. 2, alebo č. 3 (4.9. alebo 4.10., alebo 4.11.) a 50 mg hexachlorofénu (4.16.). Doplní sa roztokom etyl-acetátu (4.1.) po značku (roztok A). Roztokom etyl-acetátu (4.1.) sa zriedi 10 ml roztoku A na 100 ml (roztok B). Do 100 ml odmernej banky sa presne naváži približne 50 mg štandardu č. 1 alebo č. 2, alebo č. 3 (4.9 alebo 4.10, alebo 4.11.). Doplní sa roztokom etyl-acetátu (4.1.) po značku (roztok C). |
| 6.2. Príprava vzorky |
| Poznámka – pretože hexachlorofén môže byť prítomný v širokom spektre typov výrobkov, je dôležité pred zaznamenávaním výsledkov najprv stanoviť výťažok hexachlorofénu zo vzorky podľa tohto postupu. Ak sú výťažky nízke, môžu byť so súhlasom zainteresovaných strán zavedené modifikácie, napríklad zmena rozpúšťadla (benzén namiesto etyl-acetátu). |
| Presne navážený 1 g homogenizovanej vzorky sa dôkladne premieša s 1 ml kyseliny sírovej (4.13.), 15 ml acetónu (4.12.) a 8 g Celitu AW (4.14.). Zmes sa vysuší vzduchom počas 30 minút na vodnom kúpeli, potom počas 1 1/2 hodiny v sušiarni s ventiláciou. Nechá sa ochladiť, rozotrie sa na jemný prášok a prenesie sa do sklenenej kolóny. Eluuje sa etyl-acetátom (4.1.) a zachytáva sa 100 ml. Pridajú sa 2 ml roztoku vnútorného štandardu (roztoku C) (6.1.2.). |
| 6.3. Metylácia vzorky |
| Všetky činidlá a aparatúra sa vychladia počas dvoch hodín pri teplote od 0 do 4 oC. Do vonkajšej časti diazometánovej aparatúry sa prenesie 1,2 ml roztoku získaného podľa 6.2. a 0,1 ml metanolu (4.4.). Do stredného zásobníka sa umiestni okolo 200 mg diazaldu (4.2.), pridá sa 1 ml karbitolu (4.5.), 1 ml dietyléteru (4.3.) a nechá sa rozpustiť. Aparatúra sa zostaví, do polovice ponorí do vodného kúpeľa pri 0 oC a do stredného zásobníka sa striekačkou pridá asi 1 ml ochladeného roztoku hydroxidu draselného (4.7.). Je potrebné presvedčiť sa, či pre tvorbu diazometánu pretrváva vzniknuté žlté sfarbenie. Ak žlté sfarbenie nepretrváva, metylácia sa opakuje s ďalšími 200 mg diazaldu (4.2.). |
| Poznámka – pretrvávanie tohto žltého sfarbenia indikuje nadbytok diazometánu, ktorý je potrebný na zabezpečenie úplnej metylácie vzorky. |
| Po 15 minútach sa aparatúra vyberie z chladiaceho kúpeľa a potom sa nechá 12 hodín uzatvorená pri laboratórnej teplote. Aparatúra sa otvorí, nadbytok diazometánu sa odstráni prídavkom niekoľkých kvapiek 10 % (obj.) roztoku kyseliny mravčej v etyl-acetáte (4.15.) a organický roztok sa prenesie do 25 ml odmernej banky. Doplní sa hexánom (4.8.) po značku; 1,5 ml tohto roztoku sa nastrekne do chromatografu. |
| 6.4. Metylácia štandardu |
| Všetky činidlá a aparatúra sa vychladia počas dvoch hodín pri teplote od 0 do 4 C. Do vonkajšieho zásobníka diazometánovej aparatúry sa pridá |
| – 0,2 ml roztoku B (6.1.1.), |
| – 1 ml etyl-acetátu (4.1.), |
| – 0,1 ml metanolu (4.4.). |
| V metylácii sa pokračuje, podľa 6.3. sa 1,5 ml výsledného roztoku nastrekne do chromatografu. |
| 7. PLYNOVÁ CHROMATOGRAFIA |
| Kolóna musí poskytovať rozlíšenie R rovné alebo väčšie ako 1,5 podľa |
| .png)
|
| kde |
| | r1 a r2 | sú retenčné časy v minútach, | | W1 a W2 | je šírka píkov v polovičnej výške píku v milimetroch, | | d | je rýchlosť posunu zapisovača v milimetroch za minútu. | |
| Pre plynovú chromatografiu sú vhodné nasledujúce podmienky: |
| | Kolóna | nehrdzavejúca oceľ | | Dĺžka | 1,7 m | | Priemer | 3 mm | | Nosič | Chromosorb WAW, zrnitosť 80 až 100 mesh | | Stacionárna fáza | 10 % OV 17 | |
| Teploty |
| | Kolóna | 280 oC | | Dávkovací ventil | 280 oC | | Detektor | 280 oC | | Nosný plyn | dusík zbavený kyslíka | | Tlak | 2,3 bar | | Prietoková rýchlosť | 30 ml/min. | |
| 8. VÝPOČET |
| 8.1. Odozvový faktor hexachlorofén |
| Vypočíta sa zo vzťahu zvoleného štandardu oproti referenčnej zmesi. |
| Ak |
| | h | je hexachlorofén, | | kh | je jeho odozvový faktor, | | mh | je jeho hmotnosť v zmesi v miligramoch, | | Ah | je plocha jeho píku, | | s | je zvolený štandard, | | ms | je jeho hmotnosť v zmesi (v miligramoch, | | As | je plocha jeho píku, | |
| potom |
| .png)
|
| 8.2. Obsah hexachlorofénu vo vzorke |
| Ak |
| | h | je hexachlorofén, | | kh | je jeho odozvový faktor, | | Ah | je plocha jeho píku, | | s | je zvolený štandard, | | ms | je jeho hmotnosť v zmesi (v gramoch), | | As | je plocha jeho píku, | | M | je hmotnosť odobratej vzorky (v gramoch), | |
| potom hmotnostné percentá hexachlorofénu vo vzorke vypočítame pomocou vzorca |
| .png)
|
| 9. OPAKOVATEĽNOSŤ2) |
| Pri obsahu hexachlorofénu 0,1 % (hmot.) rozdiel medzi výsledkami dvoch paralelne uskutočnených stanovení na tej istej vzorke nesmie presiahnuť absolútnu hodnotu 0,005 % (hmot.). |
| 20. STANOVENIE TOSYLCHLÓRAMIDU SODNÉHO (INN) |
| (Podľa smernice Komisie 83/514/EHS z 27. septembra 1983) |
| 1. ROZSAH A OBLASŤ POUŽITIA |
| Táto metóda opisuje stanovenie tosylchlóramidu sodného (chlóramínu-T) v kozmetických výrobkoch tenkovrstvovou chromatografiou. |
| 2. DEFINÍCIA |
| Obsah chlóramínu-T, stanovený vo vzorke podľa tejto metódy, sa vyjadrí v hmotnostných percentách. |
| 3. PRINCÍP |
| Chlóramín-T povarením s kyselinou chlorovodíkovou úplne zhydrolyzuje na 4-metylbenzénsulfónamid. Množstvo vzniknutého 4-metylbenzénsulfónamidu sa po chromatografii stanoví na tenkej vrstve fotodenzitometricky. |
| 4. ČINIDLÁ |
| Všetky činidlá majú byť analyticky čisté. |
| 4.1. Tosylchlóramid sodný (chlóramín-T) |
| 4.2. Štandardný roztok 4-metylbenzénsulfónamidu (4-toluénsulfónamidu) – 50 mg 4-metylbenzénsulfónamidu v 100 ml etanolu (4.5.) |
| 4.3. Kyselina chlorovodíková 37 % (hmot.),d204 = 1,18 g/m |
| 4.4. Dietyléter |
| 4.5. Etanol 96 % (obj.) |
| 4.6. Vyvíjacie rozpúšťadlo |
| 4.6.1. Bután-1-ol/etanol (4.5.)/voda (40 : 4 : 9; obj. diely) alebo |
| 4.6.2. Chloroform/acetón (6 : 4; obj. diely) |
| 4.7. Hotové platne na tenkovrstvovú chromatografiu, silikagél 60 bez fluorescenčného indikátora |
| 4.8. Manganistan draselný |
| 4.9. Kyselina chlorovodíková, 15 % (hmot.) |
| 4.10. Detekčné činidlo – 2-toluidín, 1 % (m/V) roztok v etanole (4.5.) |
| 5. PRÍSTROJE A pomôcky |
| 5.1. Bežné laboratórne vybavenie |
| 5.2. Bežné vybavenie na tenkovrstvovú chromatografiu |
| 5.3. Fotodenzitometer |
| 6. POSTUP |
| 6.1. Hydrolýza |
| Do 50 ml banky s okrúhlym dnom sa naváži približne 1 g vzorky (m v gramoch). Pridá sa 5 ml vody , 5 ml kyseliny chlorovodíkovej (4.3.) a varí sa 1 hodinu s použitím spätného chladiča. Horúca suspenzia sa ihneď prenesie vodou do 50 ml odmernej banky. Nechá sa ochladiť a doplní sa vodou po značku. Odstreďuje sa 5 minút na centrifúge aspoň pri 3 000 otáčkach/min. a kvapalný supernatant sa prefiltruje. |
| 6.2. Extrakcia |
| 6.2.1. Vezme sa 30 ml filtrátu a extrahuje sa trikrát s 15 ml dietyléteru (4.4.). Ak je to potrebné, éterové fázy sa vysušia, zachytávajú sa do 50 ml odmernej banky a doplnia sa dietyléterom (4.4.) po značku. |
| 6.2.2. Odoberie sa 25 ml vysušeného éterového extraktu a odparí sa do sucha v prúde dusíka. Odparok sa znova rozpustí v 1 ml etanolu (4.5.). |
| 6.3. Tenkovrstvová chromatografia |
| 6.3.1. 20 ml etanolového roztoku z odparku (6.2.) sa nanesie na tenkovrstvovú platničku (4.7.). Súčasne sa rovnakým spôsobom nanesie 8, 12, 16 a 20 µl štandardného roztoku 4-metylbenzénsulfónamidu (4.2.). |
| 6.3.2. Nechá sa vyvíjať vo vyvíjacom rozpúšťadle (4.6.1. alebo 4.6.2.) do výšky približne 150 mm. |
| 6.3.3. Po úplnom odparení vyvíjacieho rozpúšťadla sa platnička umiestni na 2 až 3 minúty do atmosféry pár chlóru, ktorá sa vytvorí naliatím asi 100 ml kyseliny chlorovodíkovej (4.9.) asi na 2 g manganistanu draselného (4.8.) v uzatvorenej nádobe. Nadbytok chlóru sa odstráni zahrievaním platničky 5 minút na 100 oC. Potom sa platnička postrieka detekčným činidlom (4.10.). |
| 6.4. Meranie |
| Približne po jednej hodine sa intenzita fialových škvŕn zmeria pomocou fotodenzitometra pri 525 nm. |
| 6.5. Zostrojenie kalibračnej krivky |
| Zistené maximálne hodnoty výšky píkov, stanovených pre 4 škvrny 4-toluénsulfónamidu, sa vynesú oproti príslušným množstvám 4-toluénsulfónamidu (t. j. 4, 6, 8 a 10 µg 4-toluénsulfónamidu na škvrnu). |
| 7. POZNÁMKA |
| Metóda sa môže overiť použitím 0,1 alebo 0,2 % (m/V) roztoku chlóramínu-T (4.1.) spracovaného rovnakým spôsobom ako vzorka (6). |
| 8. VÝPOČET |
| Obsah chlóramínu-T, vo vzorke vyjadrený v hmotnostných percentách, sa vypočíta podľa vzorca |
| .png)
|
| kde |
| | 1,33 | je koeficient konverzie chloramínu-T na 4-metylbenzénsulfónamid, | | a | je množstvo 4-metylbenzénsulfónamidu vo vzorke v mikrogramoch odčítané z kalibračnej krivky, | | m | je hmotnosť odobratej analyzovanej vzorky v gramoch. | |
| 9. OPAKOVATEĽNOSŤ 2) |
| Pri obsahu chlóramínu-T okolo 0,2 % (hmot.) rozdiel medzi výsledkami dvoch paralelne uskutočnených stanovení na tej istej vzorke nesmie presiahnuť absolútnu hodnotu 0,03 % (hmot.). |
| 21. STANOVENIE CELKOVÉHO OBSAHU FLUÓRU V ZUBNÝCH PASTÁCH |
| (Podľa smernice Komisie 83/514/EHS z 27. septembra 1983) |
| 1. ROZSAH A OBLASŤ POUŽITIA |
| Táto metóda je určená na stanovenie celkového obsahu fluóru v zubných pastách. Je vhodná pre obsah fluóru neprevyšujúci 0,25 %. |
| 2. DEFINÍCIA |
| Obsah fluóru, stanovený vo vzorke podľa tejto metódy, sa vyjadrí v hmotnostných percentách. |
| 3. PRINCÍP |
| Stanovenie fluóru sa uskutoční plynovou chromatografiou. Fluór, obsiahnutý v zlúčeninách fluóru, sa priamou reakciou s trietylchlórsilánom (TECS) v kyslom prostredí prevedie na trietylfluórsilán (TEFS) a súčasne sa extrahuje xylénom obsahujúcim cyklohexán ako vnútorný štandard. |
| 4. ČINIDLÁ |
| Všetky činidlá musia byť analyticky čisté. |
| 4.1. Fluorid sodný vysušený pri 120 oC na konštantnú hmotnosť |
| 4.2. Dvakrát destilovaná voda alebo s podobnou kvalitou |
| 4.3. Kyselina chlorovodíková,d204 = 1,19 g/ml |
| 4.4. Cyklohexán (CH) |
| 4.5. Xylén nevykazujúci v chromatograme pri chromatografii za rovnakých podmienok, ako sú uvedené pre vzorku (6.1.), žiadne píky pred píkom rozpúšťadla. Ak je to potrebné, prečistí sa destiláciou (5.8.). |
| 4.6. Trietylchlórsilán (TECS Merck alebo ekvivalentný) |
| 4.7. Štandardné roztoky fluóru |
| 4.7.1. Zásobný roztok, 0,25 mg F-/ml. Presne sa naváži 138,1 mg fluoridu sodného (4.1.) a rozpustí sa vo vode (4.2.). Roztok sa kvantitatívne prenesie do 250 ml odmernej banky (5.5.). Zriedi sa vodou (4.2.) po značku a premieša sa. |
| 4.7.2. Zriedený zásobný roztok fluoridov, 0,05 mg F– v mililitri. Do 100 ml odmernej banky (5.5.) sa pipetou prenesie 20 ml zásobného roztoku (4.7.1.). Zriedi sa vodou po značku a premieša sa. |
| 4.8. Roztok vnútorného štandardu – zmieša sa 1 ml cyklohexánu (4.4.) a 5 ml xylénu (4.5.) |
| 4.9. Roztok trietylchlórsilánu/vnútorný štandard – do 10 ml odmernej banky sa pipetou (5.7.) prenesie 0,6 ml TECS (4.6.) a 0,12 ml roztoku vnútorného štandardu (4.8.), zriedi sa xylénom (4.5.) po značku a premieša sa. Pripravuje sa denne čerstvý. |
| 4.10. Kyselina chloristá 70 % (m/V) |
| 4.11. Kyselina chloristá 20 % (m/V) roztok vo vode (4.2.) |
| 5. PRÍSTROJE A POMÔCKY |
| 5.1. Bežné laboratórne vybavenie |
| 5.2. Plynový chromatograf vybavený plameňovo-ionizačným detektorom |
| 5.3. Miešadlo Vortex alebo ekvivalentné |
| 5.4. Trepačka Bühler typ SMB1 alebo ekvivalentná |
| 5.5. Odmerné 100 a 250 ml banky vyrobené z polypropylénu |
| 5.6. Centrifugačné 20 ml kyvety (sklené) so závitovým uzáverom potiahnutým teflónom typu Sovirel 611-56 alebo ekvivalentné. Kyvety a uzávery sa prečistia lúhovaním niekoľko hodín v kyseline chloristej (4.11.), potom sa päťkrát opláchnu vodou (4.2.) a nakoniec sa vysušia pri 100 oC. |
| 5.7. Pipety nastaviteľné na prenášanie objemov od 50 do 200 µl s jednorázovými plastovými špičkami |
| 5.8. Destilačná aparatúra vybavená trojdielnou Schneiderovou kolónou alebo ekvivalentnou Vigreuxovou kolónou |
| 6. POSTUP |
| 6.1. Analýza vzorky |
| 6.1.1. Vyberie sa ešte neotvorená tuba zubnej pasty, rozreže sa a celý obsah sa vyberie, prenesie do plastovej nádoby, dôkladne sa premieša a uchová za podmienok, ktoré zabránia jej znehodnoteniu. |
| 6.1.2. Do centrifugačnej kyvety (5.6.) sa presne naváži 150 mg (m v miligramoch) vzorky, pridá sa 5 ml vody (4.2.) a zhomogenizuje sa (5.3.). |
| 6.1.3. Pridá sa 1 ml xylénu (4.5.). |
| 6.1.4. Po kvapkách sa pridá 5 ml kyseliny chlorovodíkovej (4.3.) a zhomogenizuje sa (5.3.). |
| 6.1.5. Do centrifugačnej kyvety (5.6.) sa pridá 0,5 ml roztoku trietylchlórsilánu/vnútorného štandardu (4.9.). |
| 6.1.6. Kyveta sa uzavrie závitovým uzáverom (5.6.) a nechá sa 45 minút dôkladne premiešavať na trepačke (5.4.) nastavenej na 150 kmitov za minútu. |
| 6.1.7. Odstreďuje sa 10 minút na centrifúge pri takej rýchlosti, aby sa fázy dobre oddelili. Kyveta sa odzátkuje, vyberie sa organická fáza a 3 µl organickej fázy sa nastreknú do plynového chromatografu (5.2.). |
| Poznámka – elúcia všetkých zložiek trvá približne 20 minút. |
| 6.1.8. Nástrek sa opakuje, vypočíta sa priemerná hodnota pomeru plôch píkov (ATEFS/ACH) a zodpovedajúci obsah fluóru (m1 v miligramoch) sa odčíta z kalibračnej krivky (6.3.). |
| 6.1.9. Vypočíta sa celkový obsah fluóru vo vzorke v hmotnostných percentách) podľa spôsobu uvedenom v časti 7. |
| 6.2. Podmienky na chromatografiu |
| 6.2.1. Kolóna nehrdzavejúca oceľ |
| | Dĺžka | 1,8 m | | Priemer | 3 mm | | Nosič | Gaschrom Q, 80 až 100 mesh | | Stacionárna fáza | silikónový olej DC 200 alebo ekvivalentný, 20 % | |
| Kolóna sa kondicionuje (pripraví na meranie) cez noc pri 100 oC (prietoková rýchlosť nosného plynu – 25 ml dusíka za 1 minútu), pričom sa kondiciovanie opakuje každú noc. Po každých 4 alebo 5 nástrekoch sa kolóna znova pripraví na meranie zahrievaním 30 minút na 100 oC. |
| Teploty |
| | Kolóna | 70 oC | | Dávkovací ventil | 150 oC | | Detektor | 250 oC | | Prietoková rýchlosť nosného plynu | 35 ml dusíka/min. | |
| 6.3. Kalibračná krivka |
| 6.3.1. Do série šiestich centrifugačných kyviet (5.6.) sa pipetou prenesie 0, 1, 2, 3, 4 a 5 ml zriedeného štandardného roztoku fluóru (4.7.2.). V každej kyvete sa vodou (4.2.) doplní objem do 5 ml. |
| 6.3.2. Postupuje sa, ako je opísané v 6.1.3. až 6.1.6. vrátane. |
| 6.3.3. Do plynového chromatografu (5.2.) sa nastreknú 3 µl organickej fázy. |
| 6.3.4. Nástrek sa zopakuje a vypočíta sa priemerná hodnota pomeru plochy píkov (ATEFS/ACH). |
| 6.3.5. Zostrojí sa kalibračná krivka závislosti hmotnosti fluóru v miligramoch v štandardných roztokoch (6.3.1.) a pomeru plôch píkov (ATEFS/ACH) nameraného podľa 6.3.4. Cez body na grafe sa preloží optimalizovaná priamka vypočítaná regresnou analýzou. |
| 7. VÝPOČET |
| Celkový obsah fluóru vo vzorke v hmotnostných percentách sa vypočíta podľa vzorca |
| .png)
|
| kde |
| | m | je množstvo skúšobnej vzorky v miligramoch (6.1.2.), | | m1 | je množstvo F v miligramoch odčítané z kalibračnej krivky (6.1.8.). | |
| 8. OPAKOVATEĽNOSŤ2) |
| Pri obsahu fluóru okolo 0,15 % (hmot.) rozdiel medzi výsledkami dvoch paralelne uskutočnených stanovení na tej istej vzorke nesmie presiahnuť absolútnu hodnotu 0,012 % (hmot.). |
| 22. DÔKAZ A STANOVENIE ORGANOORTUNATÝCH ZLÚČENÍN |
| (Podľa smernice Komisie 83/514/EHS z 27. septembra 1983) |
| ROZSAH A OBLASŤ POUŽITIA |
| Ďalej opísanú metódu možno použiť na dôkaz a stanovenie organoortuťnatých derivátov použitých ako konzervačné látky v kozmetických výrobkoch na oči. Táto metóda je použiteľná na tiomersál (nátrium-2-(etylhydrargýriosulfanyl)benzoát) a fenylhydrargýrium a jeho soli. |
| A. Dôkaz |
| 1. PRINCÍP |
| Organoortuťnaté zlúčeniny sa prevedú na komplex s 1,5-difenyl-3-tiokarbazónom. Po extrakcii ditizonátu s chloridom uhličitým sa uskutoční tenkovrstvová chromatografia na silikagéli. Škvrny ditizonátu sa prejavia na chromatograme oranžovým sfarbením. |
| 2. ČINIDLÁ |
| Všetky činidlá musia byť analyticky čisté. |
| 2.1. Kyselina sírová, 25 % (obj.) |
| 2.2. 1,5-Difenyl-3-tiokarbazón (ditizón) – 0,8 mg v 100 ml chloridu uhličitého (2.4.) |
| 2.3. Dusík |
| 2.4. Chlorid uhličitý |
| 2.5. Vyvíjacie rozpúšťadlo – hexán/acetón, 90 : 10 (obj. diely) |
| 2.6. Roztoky štandardov 0,001 % vo vode |
| – nátrium-(2-etylhydrargýriosulfanyl)benzoátu |
| – etylhydrargýrium-chloridu alebo metylhydrargýrium-chloridu |
| – fenylhydrargýrium-nitrátu alebo fenylhydrargýrium-acetátu |
| – chloridu ortutnatého alebo octanu ortuťnatého |
| 2.7. Hotové silikagélové platničky (napr. Merck 5721 alebo ekvivalentné) |
| 2.8. Chlorid sodný |
| 3. PRÍSTROJE A POMÔCKY |
| 3.1. Bežné laboratórne vybavenie |
| 3.2. Bežné vybavenie na TLC |
| 3.3. Filter na separáciu fáz |
| 4. POSTUP |
| 4.1. Extrakcia |
| 4.1.1. V centrifugačnej kyvete sa zriedi 1 g vzorky titráciou s 20 ml destilovanej vody. Získa sa čo najlepšia disperzia a zohreje sa na 60 C vo vodnom kúpeli. Pridajú sa 4 g chloridu sodného (2.8.). Pretrepe sa a nechá sa vychladiť. |
| 4.1.2. Odstreďuje sa na centrifúge aspoň 20 minút pri rýchlosti 4 500 otáčok/min, aby sa väčšia časť tuhej fázy oddelila od kvapaliny. Prefiltruje sa do oddeľovacieho lievika a pridá sa 0,25 ml roztoku kyseliny sírovej (2.1.). |
| 4.1.3. Extrahuje sa niekoľkokrát s 2 až 3 ml roztoku ditizónu (2.2.), až kým posledná organická fáza nezostane zelená. |
| 4.1.4. Každá organická fáza sa jedna po druhej prefiltrujú cez filter na separáciu fáz (3.3.). |
| 4.1.5. Odparí sa do sucha v prúde dusíka (2.3.). |
| 4.1.6. Rozpustí sa v 0,5 ml chloridu uhličitého (2.4.). Tento roztok sa okamžite použije, ako je uvedené v 4.2.1. |
| 4.2. Separácia a dôkaz |
| 4.2.1. Na silikagélovú platničku (2.7.) sa ihneď nanesie 50 ml roztoku v chloride uhličitom získaného podľa 4.1.6. Súčasne sa 10 µl štandardného roztoku (2.6.) spracuje ako v 4.1. a na tú istú platničku sa nanesie 50 ml roztoku získaného podľa 4.1.6. |
| 4.2.2. Platnička sa umiestni do rozpúšťadla (2.5.) a rozpúšťadlo sa nechá vystúpiť do 150 mm. Organoortuťnaté zlúčeniny sa prejavia ako sfarbené škvrny, ich farba je stabilná za predpokladu, že sa platnička ihneď po odparení rozpúšťadla zakryje sklenou platňou. |
| Ako príklad možno uviesť nasledujúce zistené Rf hodnoty: |
| | | Rf | Sfarbenie | | Tiomersál | 0,33 | oranžové | | Etylhydrargýrium-chlorid | 0,29 | oranžové | | Metylhydrargýrium-chlorid | 0,29 | oranžové | | Fenylortuťnaté soli | 0,21 | oranžové | | Ortuťnaté soli | 0,10 | oranžové | | Octan ortuťnatý | 0,10 | oranžové | | 1,5-difenyl-3-tiokarbazón | 0,09 | ružové | |
| B. STANOVENIE |
| 1. DEFINÍCIA |
| Obsah organoortuťnatých zlúčenín stanovený touto metódou sa vyjadrí ako hmotnostné percento ortuti vo vzorke. |
| 2. PRINCÍP |
| Táto metóda spočíva v stanovení celkového množstva prítomnej ortuti. Je preto potrebné sa najprv ubezpečiť, že nie je prítomná ortuť vo forme anorganických solí a identifikovať organoortuťnaté deriváty prítomné vo vzorke. Po mineralizácii sa uvoľnená ortuť stanoví bezplameňovou atómovou absorpčnou spektroskopiou. |
| 3. ČINIDLÁ |
| Všetky činidlá musia byť analytické čisté. |
| 3.1. Koncentrovaná kyselina dusičná, d204= 1,41 g/ml |
| 3.2. Koncentrovaná kyselina sírová, d204= 1,84 g/ml |
| 3.3. Redestilovaná voda |
| 3.4. Manganistan draselný, 7 % (m/V) roztok |
| 3.5. Hydroxylamónium-chlorid (hydrochlorid hydroxylamínu), 1,5 % (m/V) roztok |
| 3.6. Peroxodisíran didraselný, 5 % (m/V) roztok |
| 3.7. Chlorid cínatý, 10 % (m/V) roztok |
| 3.8. Koncentrovaná kyselina chlorovodíková, d204= 1,18 g/ml |
| 3.9. Sklená vata impregnovaná chloridom paládnatým, 1 % (hmot.) |
| 4. PRÍSTROJE A POMÔCKY |
| 4.1. Bežné laboratórne vybavenie. |
| 4.2. Prístroj na stanovenie ortuti bezplameňovou atómovou absorpčnou spektroskopiou (technika generovania studenej pary) vrátane potrebného laboratórneho skla. Optická dráha kyvety musí byť aspoň 100 mm. |
| 5. POSTUP |
| Vykonajú sa všetky bežné opatrenia na stopovú analýzu ortuti. |
| 5.1. Rozklad |
| 5.1.1. Naváži sa presne 150 mg vzorky (m v miligramoch), pridá 10 ml kyseliny dusičnej (3.1.) a nechá sa za pravidelného pretrepávania pôsobiť 3 hodiny vo vzduchotesne uzavretej banke vo vodnom kúpeli pri 55 oC. Súčasne sa s činidlami uskutoční slepý pokus. |
| 5.1.2. Po ochladení sa pridá 10 ml kyseliny sírovej (3.2.) a vráti sa na 30 minút do vodného kúpeľa temperovaného na 55 oC. |
| 5.1.3. Banka sa umiestni do ľadového kúpeľa a opatrne sa pridá 20 ml vody (3.3.). |
| 5.1.4. V 2 ml dávkach sa pridáva 7 % roztok manganistanu draselného (3.4.), kým roztok neostane sfarbený. Na ďalších 15 minút sa vráti do vodného kúpeľa temperovaného na 55 oC. |
| 5.1.5. Pridajú sa 4 ml roztoku peroxodisíranu draselného (3.6.). Pokračuje sa v zohrievaní vo vodnom kúpeli pri 55 oC počas 30 minút. |
| 5.1.6. Nechá sa ochladiť a obsah banky sa prenesie do 100 ml odmernej banky, ktorá sa opláchne 5 ml roztoku hydroxylamónium-chloridu (3.5.) a potom sa štyrikrát opláchne 10 ml vody (3.3.). Roztok by mal byť bezfarebný. Doplní sa vodou (3.3.) po značku. |
| 5.2. Stanovenie |
| 5.2.1. Do sklenej nádoby sa umiestni 10 ml testovaného roztoku (5.1.6.) na stanovenie ortuti technikou generovania studených pár (4.2.). Zriedi sa 100 ml vody (3.3.) a pridá sa 5 ml kyseliny sírovej (3.2.) a 5 ml roztoku chloridu cínatého (3.7.). Po každom prídavku sa premieša. Počká sa 30 sekúnd, kým sa všetka ortuť vo forme iónov zredukuje na kovovú ortuť a zmeria sa výsledná hodnota (n v mikrogramoch). |
| 5.2. Určité množstvo sklenej vaty impregnovanej chloridom paládnatým (3.9.) sa vloží medzi nádobu na redukciu ortuti a prietokovú kyvetu prístroja (4.2.). Postup podľa 5.2.1. sa opakuje a odčíta sa výsledná hodnota. Ak odčítaná hodnota nie je nulová, mineralizácia nebola úplná a analýza sa musí zopakovať. |
| 6. VÝPOČET |
| Ak |
| | m | je hmotnosť skúšobnej vzorky v miligramoch, | | n | je množstvo ortuti (v µg) odčítané na prístroji, | |
| obsah ortuti vyjadrený v hmotnostných percentách sa vypočíta podľa vzorca |
| .png)
|
| 7. POZNÁMKY |
| 7.1. Na zlepšenie mineralizácie sa môže vzorka na začiatku zriediť. |
| 7.2. Ak je podozrenie na absorpciu ortuti substrátom, kvantitatívne stanovenie by sa malo vykonať metódou štandardných prídavkov. |
| 8. OPAKOVATEĽNOSŤ2) |
| V prípade obsahu ortuti 0,007 % nesmie rozdiel medzi výsledkami dvoch paralelne uskutočnených stanovení na tej istej vzorke presiahnuť absolútnu hodnotu 0,00035 %. |
| 23. STANOVENIE SULFIDOV ALKALICKÝCH KOVOV A KOVOV ALKALICKÝCH ZEMÍN |
| (Podľa smernice Komisie 83/514/EHS z 27. septembra 1983) |
| 1. ROZSAH OBLASŤ POUŽITIA |
| Táto metóda opisuje stanovenie sulfidov prítomných v kozmetických výrobkoch. Prítomnosť tiolov alebo iných redukčných činidiel (vrátane siričitanov) neruší stanovenie. |
| 2. DEFINÍCIA |
| Obsah sulfidov stanovený vo vzorke podľa tejto metódy sa vyjadrí v hmotnostných percentách síry. |
| 3. PRINCÍP |
| Po okyslení média sa sulfán (sírovodík) strháva prúdom dusíka a potom sa vyzráža vo forme sulfidu kademnatého. Ten sa odfiltruje, premyje a potom sa stanoví jodometricky. |
| 4. ČINIDLÁ |
| Všetky činidlá musia byť analyticky čisté. |
| 4.1. Koncentrovaná kyselina chlorovodíková, d204= 1,19 g/ml |
| 4.2. Tiosíran sodný, 0,1 M štandardný roztok |
| 4.3. Jód, 0,05 M štandardný roztok |
| 4.4. Sulfid sodný |
| 4.5. Octan kademnatý |
| 4.6. Koncentrovaný amoniak, d204= 0,90 g/ml |
| 4.7. Amoniakálny roztok octanu kademnatého – 10 g octanu kademnatého (4.5.) sa rozpustí približne v 50 ml vody, pridáva sa amoniak (4.6.), kým sa vzniknutá zrazenina znova nerozpustí (t. j. približne 20 ml), doplní sa vodou po značku 100 ml. |
| 4.8. Dusík |
| 4.9. 1 M roztok amoniaku |
| 5. PRÍSTROJE A pomôcky |
| 5.1. Bežné laboratórne vybavenie |
| 5.2. 100 ml banka s okrúhlym dnom a tromi zábrusovými sklenými hrdlami |
| 5.3. Dve 150 ml kónické banky so zábrusovými sklenými hrdlami, s rúrkou na prívod a odvod plynu |
| 5.4. Jeden lievik s dlhou stopkou |
| 6. POSTUP |
| 6.1. Uvoľnenie sulfidov |
| 6.1.1. Použije sa balenie výrobku, ktoré ešte nebolo otvorené. Do banky s okrúhlym dnom (5.2.) sa presne naváži množstvo výrobku (m v gramoch), ktoré zodpovedá nie viac ako 30 mg sulfidových iónov. Pridá sa 60 ml vody a 2 kvapky kvapaliny obmedzujúcej penenie. |
| 6.1.2. Do každej z 2 kónických baniek (5.3.) sa prenesie 50 ml roztoku 4.7. |
| 6.1.3. Na banku s okrúhlym dnom (5.2.) sa pripojí prikvapkávací lievik, rúrky na prívod a odvod plynu. Rúrka na odvod plynu sa pripojí ku kónickým bankám (5.3.) zapojeným do série prostredníctvom PVC hadíc. |
| Poznámka – aparatúra na uvoľnenie sulfidov musí prejsť testom tesnosti – za rovnakých skúšobných podmienok sa skúšobná vzorka nahradí 10 ml roztoku sulfidu sodného pripraveného podľa 4.4., obsahujúceho X mg sulfidu stanoveného jodometricky. Nech Y je počet miligramov sulfidu stanoveného v závere tejto operácie. Rozdiel medzi množstvom X a množstvom Y nesmie prekročiť 3 %. |
| 6.1.4. Aby sa vytesnil vzduch obsiahnutý v banke s okrúhlym dnom (5.2.), prepúšťa sa cez ňu 15 minút dusík rýchlosťou 2 bublinky za sekundu (4.8.). |
| 6.1.5. Banka s okrúhlym dnom sa zahreje na 85 ± 5 oC. |
| 6.1.6. Prúd dusíka (4.8.) sa zastaví a po kvapkách sa pridá 40 ml roztoku kyseliny chlorovodíkovej (4.1.). |
| 6.1.7. Prúd dusíka (4.8.) sa znova spustí po pridaní takmer všetkého množstva kyseliny chlorovodíkovej a ponechá sa minimálne množstvo kvapaliny na utesnenie, aby sa predišlo unikaniu sulfánu. |
| 6.1.8. Po 30 minútach sa zastaví zahrievanie, banka (5.2.) sa nechá ochladiť a pokračuje sa v prepúšťaní prúdu dusíka (4.8.) ešte aspoň 1 1/2 hodiny. |
| 6.2. Titrácia |
| 6.2.1. Sulfid kademnatý sa prefiltruje cez lievik s dlhou stopkou (5.4.). |
| 6.2.2. Kónické banky (5.3.) sa opláchnu roztokom amoniaku (4.9.) a ich obsah sa vyleje na filter. Potom sa opláchnu destilovanou vodou a voda sa použije na premytie zrazeniny zachytenej na filtri. |
| 6.2.3. Premývanie zrazeniny sa skončí 100 ml vody. |
| 6.2.4. Filtračný papier so zrazeninou sa prenesie do prvej kónickej banky, ktorá obsahovala zrazeninu, pridá sa 25 ml (n1 v mililitroch) roztoku jódu (4.3.), približne 20 ml kyseliny chlorovodíkovej (4.1.) a 50 ml destilovanej vody. |
| 6.2.5. Nadbytok jódu sa stanoví titráciou roztokom tiosíranu sodného (n2 v mililitroch) (4.2.). |
| 7. VÝPOČET |
| Obsah sulfidov vo vzorke vyjadrený v hmotnostných percentách síry sa vypočíta podľa vzorca |
| .png)
|
| kde |
| | n1 | je objem použitého štandardného roztoku jódu v mililitroch, | | x1 | je molarita tohto roztoku, | | n2 | je objem spotrebovaného štandardného roztoku tiosíranu sodného (4.2.) v mililitroch, | | x2 | je molarita tohto roztoku, | | m | je hmotnosť skúšobnej vzorky v gramoch. | |
| 8. OPAKOVATEĽNOSŤ2) |
| Pre obsah sulfidov okolo 2 % (hmot.) nesmie rozdiel medzi výsledkami dvoch paralelne uskutočnených stanovení na tej istej vzorke presiahnuť absolútnu hodnotu 0,2 % (hmot.). |
| 24. DÔKAZ A STANOVENIE (2,3-DIHYDROXYPROPYL)-4-AMINOBENZOÁTU |
| (Podľa smernice Komisie 85/490/EHS z 11. októbra 1985) |
| A. DÔKAZ |
| 1. ROZSAH A OBLASŤ POUŽITIA |
| Táto metóda opisuje detekciu (2,3-dihydroxypropyl)-4-aminobenzoátu (a-monoglyceryl-4-aminobenzoátu). Tiež bude detekovať etyl-4-aminobenzoát (benzokaín), ktorý môže byť prítomný ako nečistota. |
| 2. PRINCÍP |
| Tento dôkaz sa uskutoční tenkovrstvovou chromatografiou na silikagéli s fluorescenčným indikátorom a detekciou voľnej primárnej aminoskupiny prostredníctvom tvorby diazénového farbiva na platni. |
| 3. ČINIDLÁ |
| Všetky činidlá by mali byť analyticky čisté. |
| 3.1. Rozpúšťadlová zmes |
| Cyklohexán/propán-2-ol/stabilizovaný dichlórmetán – v objemových dieloch 48 : 64 : 9 |
| 3.2. Vyvíjacie rozpúšťadlo |
| Petroléter (40-60)/benzén/acetón/roztok hydroxidu amónneho obsahujúci minimálne 25 % NH3 v objemových dieloch 35 : 35 : 35 : 1 |
| 3.3. Detekčné činidlo |
| – dusitan sodný – 1 g v 100 ml 1 M kyseliny chlorovodíkovej pripravený tesne pred použitím |
| – 2-naftol – 0,2 g v 100 ml 1 M hydroxidu draselného |
| 3.4. Štandardné roztoky |
| – (2,3-dihydroxypropyl)-4-aminobenzoát – 0,05 g v 100 ml zmesového rozpúšťadla 3.1. |
| – etyl-4-aminobenzoát – 0,05 g v 100 ml zmesového rozpúšťadla 3.1. |
| 3.5. Silikagélové platne 60 F254 s hrúbkou 0,25 mm, 200 mm 200 mm |
| 4. PRÍSTROJE A POMÔCKY |
| 4.1. Bežné zariadenie na tenkovrstvovú chromatografiu |
| 4.2. Ultrazvukový kúpeľ |
| 4.3. Milipore filter FH, 0,5 µm alebo ekvivalentný |
| 5. POSTUP |
| 5.1. Príprava vzorky |
| Do 10 ml odmernej banky s uzáverom sa naváži 1,5 g výrobku, doplní sa rozpúšťadlovou zmesou 3.1. po značku. Zazátkuje sa a nechá sa 1 hodinu pri laboratórnej teplote v ultrazvukovom kúpeli (4.2.). Prefiltruje sa cez Milipore filter (4.3.) a filtrát sa použije na chromatografiu. |
| 5.2. Tenkovrstvová chromatografia |
| Na platňu (3.5.) sa nanesie po 10 ml roztoku vzorky (5.1.) a každého štandardného roztoku (3.4.). Chromatogram sa vyvíja vo vyvíjacej komore dopredu nasýtenej rozpúšťadlom 3.2. do výšky 150 mm. Platňa sa nechá vysušiť pri laboratórnej teplote. |
| 5.3. Vyvolanie |
| 5.3.1. Platňa sa pozoruje pod ultrafialovým svetlom pri 254 nm. |
| 5.3.2. Úplne vysušená platňa sa postrieka roztokom 3.3.1. |
| Nechá sa vysušiť 1 minútu pri laboratórnej teplote a ihneď sa postrieka roztokom 3.3.2. Platňa sa vysuší v sušiarni pri 60 oC. Škvrny sa prejavia oranžovým sfarbením. (2,3-dihydroxypropyl)-4-aminobenzoát: Rf 0,07; etyl-4-aminobenzoát: Rf 0,55. |
| B. STANOVENIE |
| 1. ROZSAH A OBLASŤ POUŽITIA |
| Táto metóda slúži na stanovenie (2,3-dihydroxypropyl)-4-aminobenzoátu (a-monoglyceryl-4-aminobenzoátu) a tiež etyl-4-aminobenzoátu. Nie je vhodná na stanovenie viac ako 5 % (hmot.) (2,3-dihydroxypropyl)-4-aminobenzoátu a 1 % (hmot.) etyl-4-aminobenzoátu. |
| 2. DEFINÍCIA |
| Obsah (2,3-dihydroxypropyl)-4-aminobenzoátu a etyl-4-aminobenzoátu stanovený touto metódou sa vyjadrí v hmotnostných percentách výrobku. |
| 3. PRINCÍP |
| Analyzovaný výrobok sa suspenduje v metanole a po vhodnom spracovaní vzorky sa stanoví vysokoúčinnou kvapalinovou chromatografiou (HPLC). |
| 4. ČINIDLÁ |
| Všetky činidlá musia byť analyticky čisté a vhodné na HPLC, kde sa to požaduje. |
| 4.1. Metanol |
| 4.2. Dihydrogenfosforečnan draselný (KH2PO4) |
| 4.3. Octan zinočnatý [Zn(CH3COO)2 . 2H2O] |
| 4.4. Kyselina octová, d = 1,05 g/ml |
| 4.5. Hexakyanoželeznatan draselný (K4[Fe(CN)6] . 3 H2O) |
| 4.6. Etyl-4-hydroxybenzoát |
| 4.7. (2,3-dihydroxypropyl)-4-aminobenzoát |
| 4.8. Etyl-4-aminobenzoát |
| 4.9. Fosforečnanový tlmivý roztok 0,02 M – 2,72 g dihydrogenfosforečnanu draselného (4.2.) sa rozpustí v 1 litri vody |
| 4.10. Eluent |
| Fosforečnanový tlmivý roztok (4.9.)/metanol (4.1.) v objemových dieloch 61 : 39 |
| Zloženie mobilnej fázy sa môže upraviť tak, aby sa dosiahol koeficient rozlíšenia R rovný alebo väčší ako 1,5 podľa vzorca |
| .png)
|
| kde |
| | r1 a r2 | sú retenčné časy píkov v minútach, | | W1 a W2 | je šírka píkov v polovičnej výške v milimetroch, | | d | je rýchlosť zapisovača v milimetroch za minútu. | |
| 4.11. Zásobný roztok (2,3-dihydroxypropyl)-4-aminobenzoátu |
| Presne sa naváži približne 40 mg (2,3-dihydroxypropyl)-4-aminobenzoátu, prenesie do 100 ml odmernej banky, rozpustí v 40 ml metanolu (4.1.), doplní tlmivým roztokom (4.9.) po značku a premieša. |
| 4.12. Zásobný roztok etyl-4-aminobenzoátu |
| Presne sa naváži približne 40 mg (2,3-dihydroxypropyl)-4-aminobenzoátu a prenesie sa do 100 ml odmernej banky. Rozpustí sa v 40 ml metanolu (4.1.), doplní tlmivým roztokom (4.9.) po značku a premieša. |
| 4.13. Roztok vnútorného štandardu |
| Presne sa naváži približne 50 mg etyl-4-hydroxybenzoátu (4.6.), prenesie do 100 ml odmernej banky, rozpustí v 40 ml metanolu (4.1.), doplní tlmivým roztokom (4.9.) po značku a premieša. |
| 4.14. Štandardné roztoky |
| Rozpustením v 100 ml eluenta (4.10.) sa podľa nasledujúcej tabuľky pripravia 4 štandardné roztoky |
| Štandardný
roztok | (2,3-dihydroxypropyl)-4-minobenzoát | Etyl-4-minobenzoát | Etyl-4-ydroxybenzoát | | (μg/ml)*) | ml (4.11.) | (μg/ml)*) | ml (4.12.) | (μg/ml)*) | ml (4.13.) | | I | 8 | 2 | 8 | 2 | 50 | 10 | | II | 16 | 4 | 12 | 3 | 50 | 10 | | II | 24 | 6 | 16 | 4 | 50 | 10 | | IV | 40 | 10 | 20 | 5 | 50 | 10 | |
| Poznámka – tieto roztoky sa môžu pripraviť aj iným spôsobom. |
| *) Tieto hodnoty sú uvedené na indikáciu a zodpovedajú presným hmotnostiam 4.11., 4.12. a 4.13. |
| 4.15. Carrezov roztok I |
| 26,5 g hexakyanoželeznatanu draselného (4.5.) sa rozpustí vo vode a doplní sa do 250 ml. |
| 4.16. Carrezov roztok II |
| 54,9 g octanu zinočnatého (4.3.) a 7,5 ml kyseliny octovej (4.4.) sa rozpustí vo vode a doplní sa do 250 ml. |
| 4.17. Merck Lichrosorb RP-18 alebo jeho ekvivalent s priemernou veľkosťou častíc 5 µm. |
| 5. PRÍSTROJE A POMÔCKY |
| 5.1. Bežné laboratórne vybavenie |
| 5.2. Vybavenie na vysokoúčinnú kvapalinovú chromatografiu s nastaviteľným ultrafialovým detektorom a termostatovanou komorou nastavenou na 45 oC |
| 5.3. Kolóna z nehrdzavejúcej ocele, dĺžka 250 mm, vnútorný priemer 4,6 mm, náplň Lichrosorb RP-18 (4.17.) |
| 5.4. Ultrazvukový kúpeľ |
| 6. POSTUP |
| 6.1. Príprava vzorky |
| 6.1.1. Do 100 ml kadičky sa presne naváži približne 1 g vzorky a pridá sa 10 ml metanolu (4.1.). |
| 6.1.2. Kadička sa na 20 minút umiestni do ultrazvukového kúpeľa (5.4.), aby sa vytvorila suspenzia. Takto získaná suspenzia sa kvantitatívne prenesie do 100 ml odmernej banky s nie viac ako 75 ml eluenta (4.10.). Jeden po druhom sa pridá 1 ml Carrezovho roztoku I (4.15.) a 1 ml Carrezovho roztoku II (4.16.) a po pridaní každého sa premieša. Doplní sa eluentom (4.10.) po značku, znova sa premieša a prefiltruje cez skladaný filter. |
| 6.1.3. 3 ml filtrátu získaného podľa 6.1.2. a 5 ml roztoku vnútorného štandardu (4.13.) sa pipetou prenesie do 50 ml odmernej banky. Doplní sa eluentom (4.10.) po značku a premieša sa. Takto získaný roztok sa použije na uskutočnenie chromatografickej analýzy opísanej v 6.2. |
| 6.2. Chromatografia |
| 6.2.1. Prietoková rýchlosť mobilnej fázy (4.10.) sa upraví na 1,2 ml/min a teplota kolóny sa nastaví na 45 oC. |
| 6.2.2. Detektor (5.2.) sa nastaví na 274 nm. |
| 6.2.3. Mikrostriekačkou sa do chromatografu najmenej dvakrát nastrekne 20 ml roztoku (6.1.3.) a meria sa plocha píkov. |
| 6.3. Kalibračná krivka |
| 6.3.1. Nastrekne sa 20 ml každého štandardného roztoku (4.14.) a meria sa plocha píkov. |
| 6.3.2. Pre každú koncentráciu sa vypočíta pomer medzi plochou píkov (2,3-dihydroxypropyl)-4-aminobenzoátu a plochou píkov vnútorného štandardu. Na súradnice sa nanesie tento pomer oproti pomeru zodpovedajúcich hmotností. |
| 6.3.3. Rovnakým spôsobom sa postupuje pre etyl-4-hydroxybenzoát. |
| 7. VÝPOČET |
| 7.1. Z kalibračnej krivky získanej v 6.3. sa odčítajú pomery hmotností (RP1, RP2) zodpovedajúce pomeru plôch píkov vypočítaných v 6.2.3., |
| kde |
| RP1 je hmotnosť (2,3-dihydroxypropyl)-4-aminobenzoátu delená hmotnosťou etyl-4-hydroxybenzoátu, |
| RP2 je hmotnosť etyl-4-aminobenzoátu delená hmotnosťou etyl-4-hydroxybenzoátu. |
| 7.2. Z takto získaných pomerov hmotností sa vypočíta obsah (2,3-dihydroxypropyl)-4-aminobenzoátu a etyl-4-aminobenzoátu v hmotnostných percentách podľa vzorcov |
| .png)
|
| kde |
| q je množstvo etyl-4-hydroxybenzoátu (vnútorného štandardu) naváženého v 4.12. v miligramoch, |
| p je množstvo vzorky naváženej v 6.1.1. v gramoch. |
| 8. OPAKOVATEĽNOSŤ2) |
| 8.1. Pri obsahu (2,3-dihydroxypropyl)-4-aminobenzoátu 5 % (hmot.) nesmie rozdiel medzi výsledkami dvoch paralelne uskutočnených stanovení na tej istej vzorke presiahnuť v absolútnej hodnote 0,25 %. |
| 8.2. Pri obsahu etyl-4-aminobenzoátu 1 % (hmot.) nesmie rozdiel medzi výsledkami dvoch paralelne uskutočnených stanovení na tej istej vzorke presiahnuť v absolútnej hodnote 0,10 %. |
| 9. POZNÁMKY |
| 9.1. Pred uskutočnením analýzy sa preverí, či vzorka obsahuje látky, ktorých pík by sa mohol na chromatograme prekrývať s píkom vnútorného štandardu (etyl-4-hydroxybenzoátu). |
| 9.2. Na zistenie neprítomnosti akejkoľvek látky rušiacej stanovenie sa stanovenie zopakuje pri zmene podielu metanolu v mobilnej fáze o pomerne 10 %. |
| 25. STANOVENIE CHLÓRBUTANOLU (INN) |
| (Podľa smernice Komisie 85/490/EHS z 11. októbra 1985) |
| 1. ROZSAH A OBLASŤ POUŽITIA |
| Táto metóda je vhodná na stanovenie chlórbutanolu (INN) do maximálneho obsahu 0,5 % (hmot.) v kozmetických výrobkoch okrem aerosólov. |
| 2. DEFINÍCIA |
| Obsah chlórbutanolu stanovený touto metódou sa vyjadrí v hmotnostných percentách chlórbutanolu vo výrobku. |
| 3. PRINCÍP |
| Po primeranom spracovaní analyzovaného výrobku sa stanovenie robí plynovou chromatografiou s použitím 2,2,2-trichlóretanolu ako vnútorného štandardu. |
| 4. ČINIDLÁ |
| Všetky činidlá musia byť analyticky čisté. |
| 4.1. Chlórbutanol (1,1,1-trichlór-2-metylpropán-2-ol) |
| 4.2. 2,2,2-trichlóretanol |
| 4.3. Absolútny etanol |
| 4.4. Štandardný roztok chlórbutanolu (4.1.) – 0,025 g v 100 ml etanolu (4.3.) (m/V) |
| 4.5. Štandardný roztok 2,2,2-trichlóretanolu – 4 mg v 100 ml etanolu (4.3.) (m/V) |
| 5. PRÍSTROJE A POMÔCKY |
| 5.1. Bežné laboratórne vybavenie |
| 5.2. Plynový chromatograf s detektorom elektrónového záchytu, 63Ni |
| 6. POSTUP |
| 6.1. Príprava vzorky |
| Presne sa naváži medzi 0,1 a 0,3 g (p v gramoch) vzorky. Umiestni sa do 100 ml odmernej banky, rozpustí v etanole (4.3.), pridá 1 ml roztoku vnútorného štandardu (4.5.) a doplní etanolom (4.3.) po značku. |
| 6.2. Podmienky na plynovú chromatografiu |
| 6.2.1. Prevádzkové podmienky musia poskytnúť koeficient rozlíšenia R rovný alebo väčší ako 1,5 podľa vzorca |
| .png)
|
| kde |
| | r1 a r2 | sú retenčné časy píkov v minútach, | | W1 a W2 | je šírka píkov v polovičnej výške v milimetroch, | | d | je rýchlosť zapisovača v milimetroch za minútu. | |
| 6.2.2. Požadované rozlíšenie poskytujú nasledujúce prevádzkové podmienky |
| | Kolóna | I | II | | Materiál | sklo | nehrdzavejúca oceľ | | Dĺžka | 1,80 m | 3 m | | Priemer | 3 mm | 3 mm | | Stacionárna fáza | 10 % Carbowax 20 M TPA na
Gaschrome Q, 80 - 100 mesh | 5 % OV 17 na Chromosorbe WAW
DMCS, 80 - 100 mesh | | Ustaľovanie | 2 až 3 dni pri 190 °C | | | Teplota | | | | Dávkovací ventil | 200 °C | 150°C | | Kolóna | 150 °C | 100 °C | | Detektor | 200 °C | 150°C | | Nosný plyn | dusík | argón/metán
v objemových dieloch
95 : 5 | | Prietoková rýchlosť | 35 ml/min | 35 ml/min | |
| 6.3. Kalibračná krivka |
| Do piatich 100 ml odmerných baniek sa pridá po 1 ml štandardného roztoku (4.5.) a jednotlivo 0,2, 0,3, 0,4, 0,5 a 0,6 ml roztoku 4.4. sa doplnia etanolom (4.3.) po značku a premiešajú sa. Do chromatografu sa nastrekne 1 ml každého z týchto roztokov za prevádzkových podmienok uvedených v 6.2.2. Nanesením na os x pomeru hmotnosti chlórbutanolu a hmotnosti 2,2,2-trichlóretanolu a na os y pomeru plochy príslušných píkov sa zostrojí kalibračná krivka. |
| 6.4. Nastrekne sa 1 ml roztoku získaného v 6.1. a postupuje sa za podmienok opísaných v 6.2.2. |
| 7. VÝPOČET |
| 7.1. Z kalibračnej krivky (6.3.) sa vypočíta množstvo a vyjadrené v mg chlórbutanolu v roztoku 6.1. |
| 7.2. Obsah chlórbutanolu (INN) v hmotnostných percentách vo vzorke sa vypočíta podľa vzorca |
| .png)
|
| 8. OPAKOVATEĽNOSŤ 2) |
| Pri obsahu chlórbutanolu 0,5 % (hmot.) nesmie rozdiel medzi výsledkami dvoch paralelne uskutočnených stanovení na tej istej vzorke presiahnuť 0,01 %. |
| Poznámka – ak sa výsledok rovná najvyššie povolenému obsahu alebo ho presahuje, je potrebné overiť neprítomnosť látok rušiacich stanovenie. |
| 26. DÔKAZ A STANOVENIE CHINÍNU |
| (Podľa smernice Komisie 85/490/EHS z 11. októbra 1985) |
| A. DÔKAZ |
| 1. ROZSAH A OBLASŤ POUŽITIA |
| Táto metóda je určená na detekciu prítomnosti chinínu v šampónoch a vlasových lotionoch. |
| 2. PRINCÍP |
| Dôkaz sa robí tenkovrstvovou chromatografiou na silikagéli. Detekciou chinínu je modrá fluorescencia chinínu v kyslom prostredí pri 360 nm. Na ďalšie potvrdenie sa môže fluorescencia odstrániť parami brómu a pary amoniaku spôsobia objavenie sa žltkastej fluorescencie. |
| 3. ČINIDLÁ |
| Všetky činidlá musia byť analyticky čisté. |
| 3.1. Silikagélové platne bez fluorescenčného indikátora s hrúbkou 0,25 mm, 200 mm x 200 mm |
| 3.2. Vyvíjacie rozpúšťadlo – toluén/dietyléter/dichlórmetán/dietylamín v objemových dieloch 20 : 20 : 20 : 8 |
| 3.3. Metanol |
| 3.4. Kyselina sírová 96 %,d204 = 1,84 g/ml |
| 3.5. Dietyléter |
| 3.6. Vyvolávacie činidlo |
| K 95 ml dietyléteru (3.5.) v chladiacom kúpeli sa opatrne pridá 5 ml kyseliny sírovej (3.4.). |
| 3.7. Bróm |
| 3.8. Roztok hydroxidu amónneho 28 %,d204 = 0,90 g/ml |
| 3.9. Chinín, bezvodý |
| 3.10. Štandardný roztok |
| Do odmernej banky sa presne naváži približne 100 mg bezvodého chinínu (3.9.) a rozpustí sa v 100 ml metanolu (3.3.). |
| 4. PRÍSTROJE A POMÔCKY |
| 4.1. Bežné vybavenie pre tenkovrstvovú chromatografiu |
| 4.2. Ultrazvukový kúpeľ |
| 4.3. Milipore filter FH 0,5 µm alebo jeho ekvivalent s primeraným filtračným vybavením |
| 5. POSTUP |
| 5.1. Príprava vzorky |
| Do 100 ml odmernej banky sa presne naváži množstvo vzorky, ktoré by malo obsahovať približne 100 mg chinínu, rozpustí sa a doplní metanolom (3.3.) po značku. Banka sa zazátkuje a nechá sa hodinu pri laboratórnej teplote v ultrazvukovom kúpeli (4.2.). Prefiltruje sa (4.3.) a filtrát sa použije na chromatografiu. |
| 5.2. Tenkovrstvová chromatografia |
| Na silikagélovú platňu (3.1.) sa nanesie 1 ml štandardného roztoku (3.10.) a 1 µl roztoku vzorky (5.1.). Chromatogram sa s použitím rozpúšťadla 3.2. nechá vyvíjať vo vyvíjacej komore dopredu nasýtenej rozpúšťadlom (3.2.) do vzdialenosti 150 mm. |
| 5.3. Vyvolanie |
| 5.3.1. Platňa sa vysuší pri laboratórnej teplote. |
| 5.3.2. Postrieka sa činidlom 3.6. |
| 5.3.3. Platňa sa nechá vysušiť jednu hodinu pri laboratórnej teplote. |
| 5.3.4. Pozoruje sa pod svetlom ultrafialovej lampy nastavenej na vlnovú dĺžku 360 nm. Chinín sa prejaví ako intenzívne modro fluoreskujúca škvrna. Uvedená tabuľka udáva Rf hodnoty hlavných alkaloidov príbuzných chinínu pri vyvíjaní rozpúšťadlom 3.2. |
| | Alkaloid | Rf | Chinín
Chinidín
Cinchonín
Cinchonidín
Hydrochinidín | 0,20
0,29
0,33
0,27
0,17 | |
| 5.3.5. Na ďalšie potvrdenie prítomnosti chinínu sa platňa vystaví približne na 1 hodinu parám brómu (3.7.). Fluorescencia zmizne. Ak sa tá istá platňa vystaví parám amoniaku (3.8.), škvrny sa znova objavia. Ak sa platňa znova skúma pod ultrafialovým svetlom pri 360 nm, pozoruje sa žltkastá fluorescencia. Medza detekovateľnosti je 0,1 µg chinínu. |
| B. STANOVENIE |
| 1. ROZSAH A ROZSAH POUŽITIA |
| Táto metóda opisuje stanovenie chinínu. Môže sa použiť na stanovenie chinínu do najvyššie prípustného obsahu 0,5 % (hmot.) v šampónoch a 0,2 % (hmot.) vo vlasových lotionoch. |
| 2. DEFINÍCIA |
| Obsah chinínu stanovený touto metódou sa vyjadrí v hmotnostných percentách chinínu vo výrobku. |
| 3. PRINCÍP |
| Po primeranom spracovaní analyzovaného výrobku sa stanovenie robí vysokoúčinnou kvapalinovou chromatografiou (HPLC). |
| 4. ČINIDLÁ |
| Všetky činidlá musia byť analyticky čisté a vhodné na HPLC. |
| 4.1. Acetonitril |
| 4.2. Dihydrogenfosforečnan draselný (KH2PO4) |
| 4.3. Kyselina trihydrogenfosforečná 85 %, d204= 1,7 g/ml |
| 4.4. Tetrametylamónium-bromid |
| 4.5. Chinín, bezvodý |
| 4.6. Metanol |
| 4.7. Roztok kyseliny trihydrogenfosforečnej (0,1 M) |
| Naváži sa 11,53 g kyseliny trihydrogenfosforečnej (4.3.) a rozpustí sa v odmernej banke v 1 000 ml vody. |
| 4.8. Roztok dihydrogenfosforečnanu draselného (0,1 M) |
| Naváži sa 13,6 g dihydrogenfosforečnanu draselného (4.2.) a rozpustí sa v odmernej banke v 1 000 ml vody, |
| 4.9. Roztok tetrametylamónium-bromidu |
| 15,40 g tetrametylamónium-bromidu (4.4.) sa rozpustí v odmernej banke v 1 000 ml vody. |
| 4.10. Eluent |
| Kyselina trihydrogenfosforečná (4.7.)/dihydrogenfosforečnan draselný (4.8.)/tetrametylamónium-bromid (4.9.)/voda/acetonitril (4.1.) v objemových dieloch 10 : 50 : 100 : 340 : 90 |
| Zloženie mobilnej fázy sa môže upraviť, aby sa dosiahol koeficient rozlíšenia R rovný alebo väčší ako 1,5 podľa vzorca |
| .png)
|
| kde |
| | r1 a r2 | sú retenčné časy píkov v minútach, | | W1 a W2 | je šírka píkov v polovičnej výške v milimetroch, | | d | je rýchlosť zapisovača v milimetroch za minútu. | |
| 4.11. Silikagél upravený oktadecylsilánom, 10 µm |
| 4.12. Štandardné roztoky |
| Do súpravy 100 ml odmerných baniek sa jednotlivo presne naváži približne 5, 10, 15 a 20 µg bezvodého chinínu (4.5.). Doplní sa metanolom (4.6.) po značku a obsah baniek sa mieša, kým sa chinín nerozpustí. Každá vzorka sa prefiltruje cez 0,5 mm filter. |
| 5. PRÍSTROJE A POMÔCKY |
| 5.1. Bežné laboratórne vybavenie |
| 5.2. Ultrazvukový kúpeľ |
| 5.3. Zariadenie na vysokoúčinnú kvapalinovú chromatografiu s detektorom s nastaviteľnou vlnovou dĺžkou |
| 5.4. Kolóna, dĺžka 250 mm, vnútorný priemer 4,6 mm, náplň silikagél (4.11.) |
| 5.5. Milipore filter FH 0,5 mm alebo jeho ekvivalent s primeraným filtračným zariadením |
| 6. POSTUP |
| 6.1. Príprava vzorky |
| Do 100 ml odmernej banky sa presne naváži množstvo výrobku dostatočné na to, aby obsahovalo 10 mg bezvodého chinínu, pridá sa 20 ml metanolu (4.6.) a umiestni sa na 20 minút do ultrazvukového kúpeľa (5.2.). Doplní sa metanolom (4.6.) po značku. Roztok sa zamieša a alikvotná časť sa prefiltruje (5.5.). |
| 6.2. Chromatografia |
| | Prietoková rýchlosť | 1 ml/min | | Vlnová dĺžka detektora (5.3.) | 332 nm | | Nastrekovaný objem | 10 µl prefiltrovaného roztoku (6.1.) | | Meria sa | plocha píku | |
| 6.3. Kalibračná krivka |
| Najmenej trikrát sa nastrekne po 10 µl každého referenčného roztoku (4.12.), meria sa plocha píkov a vypočíta sa priemerná plocha pre každú koncentráciu. Zostrojí sa kalibračná krivka a overí sa, či je lineárna. |
| 7. VÝPOČET |
| 7.1. Z kalibračnej krivky (6.3.) sa stanoví množstvo bezvodého chinínu v µg prítomného v nastreknutom objeme (6.2.). |
| 7.2. Obsah bezvodého chinínu vo vzorke ako hmotnostné percento sa získa podľa vzorca |
| .png)
|
| kde |
| B je množstvo bezvodého chinínu v mikrogramoch stanoveného v 10 mikrolitroch prefiltrovaného roztoku (6.1.), |
| A je hmotnosť vzorky v gramoch (6.1.). |
| 8. OPAKOVATEĽNOSŤ2) |
| Pri obsahu bezvodého chinínu 0,5 % (hmot.) nesmie rozdiel medzi výsledkami dvoch paralelne uskutočnených stanovení na tej istej vzorke presiahnuť 0,02 %. |
| Pri obsahu bezvodého chinínu 0,2 % (hmot.) nesmie rozdiel medzi výsledkami dvoch paralelne uskutočnených stanovení na tej istej vzorke presiahnuť 0,01 %. |
| 27. DÔKAZ A STANOVENIE ANORGANICKÝCH SIRIČITANOV A HYDROGENSIRIČITANOV |
| (Podľa smernice Komisie 85/490/EHS z 11. októbra 1985) |
| ROZSAH A OBLASŤ POUŽITIA |
| Táto metóda opisuje dôkaz a stanovenie anorganických siričitanov a hydrogensiričitanov v kozmetických výrobkoch. Je použiteľná iba pri výrobkoch, ktoré majú vodnú alebo alkoholickú fázu, a na obsah oxidu siričitého do 0,2 %. |
| A. DÔKAZ |
| 1. PRINCÍP |
| Vzorka sa zahrieva s kyselinou chlorovodíkovou a uvoľnený oxid siričitý sa identifikuje podľa zápachu alebo účinku na indikátorový papierik. |
| 2. ČINIDLÁ |
| Všetky činidlá musia byť analyticky čisté. |
| 2.1. Kyselina chlorovodíková, 4 M |
| 2.2. Škrobový papierik s jodičnanom draselným alebo iná vhodná alternatíva |
| 3. PRÍSTROJE A POMÔCKY |
| 3.1. Bežné laboratórne vybavenie |
| 3.2. Banka 25 ml vybavená krátkym spätným chladičom |
| 4. POSTUP |
| 4.1. Do banky (3.2.) sa umiestni okolo 2,5 g vzorky a 10 ml kyseliny chlorovodíkovej (2.1.). Premieša sa a zahrieva sa do varu. Uvoľňovanie oxidu siričitého sa skúma podľa zápachu alebo indikátorovým papierikom (2.2.). |
| B. STANOVENIE |
| 1. DEFINÍCIA |
| Obsah siričitanov alebo hydrogensiričitanov vo vzorke stanovený touto metódou sa vyjadrí v hmotnostných percentách oxidu siričitého. |
| 2. PRINCÍP |
| Po okyslení vzorky sa uvoľnený oxid siričitý destiluje do roztoku peroxidu vodíka. Vzniknutá kyselina sírová sa titruje štandardným roztokom hydroxidu sodného. |
| 3. ČINIDLÁ |
| Všetky činidlá musia byť analyticky čisté. |
| 3.1. 0,2 % (m/V) peroxid vodíka, čerstvo pripravený |
| 3.2. Kyselina trihydrogenfosforečná, d204= 1,75 g/ml |
| 3.3. Metanol |
| 3.4. Štandardný roztok hydroxidu sodného, 0,01 M |
| 3.5. Dusík |
| 3.6. Indikátor |
| Zmes metylovej červenej (0,03 % m/V v etanole) a metylénovej modrej (0,05 % m/V v etanole), 1 : 1 (obj. diely). Roztok sa prefiltruje. |
| 4. PRÍSTROJE A POMÔCKY |
| 4.1. Bežné laboratórne vybavenie |
| 4.2. Destilačná aparatúra (obrázok č. 1) |
| 5. POSTUP |
| 5.1. Do destilačnej banky A (obrázok č. 1) sa presne naváži približne 2,5 g vzorky. |
| 5.2. Pridá sa 60 ml vody a 50 ml metanolu (3.3.) a premieša sa. |
| 5.3. Do destilačnej predlohy D (obrázok č. 1) sa umiestni 10 ml peroxidu vodíka (3.1.), 60 ml vody a pár kvapiek indikátora (3.6.). Pridá sa pár kvapiek roztoku hydroxidu sodného (3.4.), kým sa indikátor sfarbí na zeleno. |
| 5.4. 5.3. sa zopakuje pre premývačku E (obrázok č. 1). |
| 5.5. Aparatúra sa spojí a prúd dusíka (3.5.) sa nastaví na približne 60 bubliniek za 1 minútu. |
| 5.6. Z lievika sa do destilačnej banky A pridá 15 ml kyseliny trihydrogenfosforečnej (3.2.). |
| 5.7. Rýchlo sa zahreje do varu a potom sa mierne varí celkovo 30 minút. |
| 5.8. Destilačná predloha D sa odpojí. Trubica sa prepláchne a potom sa titruje roztokom hydroxidu sodného (3.4.), kým sa indikátor (3.6.) sfarbí na zeleno. |
| 6. VÝPOČET |
| Obsah siričitanov a hydrogensiričitanov v hmotnostných percentách vo vzorke sa vypočíta podľa vzorca |
| .png)
|
| kde |
| M je molárna koncentrácia roztoku hydroxidu sodného (3.4.), |
| V je objem roztoku hydroxidu sodného (3.4.) spotrebovaného na titráciu (5.8.) v mililitroch, |
| m je hmotnosť vzorky (5.1.) v gramoch. |
| 7. OPAKOVATEĽNOSŤ2) |
| Pri obsahu oxidu siričitého 0,2 % (hmot.) rozdiel medzi výsledkami dvoch paralelne uskutočnených stanovení na tej istej vzorke nesmie byť väčší ako 0,006 %. |
| Obrázok č. 1: Destilačná aparatúra na destiláciu oxidu siričitého podľa Tannera. Všetky rozmery sú v mm. |
| .png)
|
| 28. DÔKAZ A STANOVENIE CHLOREČNANOV ALKALICKÝCH KOVOV |
| (Podľa smernice Komisie 85/490/EHS z 11. októbra 1985) |
| ROZSAH A OBLASŤ POUŽITIA |
| Táto metóda opisuje dôkaz a stanovenie chlorečnanov v zubných pastách a ostatných kozmetických výrobkoch. |
| A. DÔKAZ |
| 1. PRINCÍP |
| Chlorečnany sa oddelia od bromičnanov a jodičnanov tenkovrstvovou chromatografiou a identifikujú sa na základe oxidácie jodidu za vzniku jódu. |
| 2. ČINIDLÁ |
| Všetky činidlá musia byť analyticky čisté. |
| 2.1. Referenčné roztoky |
| Čerstvo pripravené vodné roztoky chlorečnanu, bromičnanu a jodičnanu draselného (0,2 % m/V) |
| 2.2. Vyvíjacie rozpúšťadlo |
| 28 % (m/V) roztok amoniaku/acetón/butanol v objemových dieloch 60 : 130 : 30 |
| 2.3. 5 % (m/V) jodid draselný, vodný roztok |
| 2.4. 1 až 5 % (m/V) roztok škrobu |
| 2.5. 1 M kyselina chlorovodíková |
| 2.6. Komerčné celulózové tenkovrstvové platne (0,25 mm) |
| 3. PRÍSTROJE A POMÔCKY |
| Bežné vybavenie na tenkovrstvovú chromatografiu |
| 4. POSTUP |
| 4.1. Asi 1 g vzorky sa extrahuje vodou, prefiltruje a zriedi sa asi na 25 ml. |
| 4.2. 2 ml roztoku (4.1.) spolu s 2 ml každého z troch referenčných roztokov (2.1.) sa nanesú na platňu (2.6.). |
| 4.3. Platňa sa umiestni do vyvíjacej komory a vyvíja sa s rozpúšťadlom 2.2. vzostupnou chromatografiou asi do 3/4 dĺžky platne (2.6.). |
| 4.4. Vyberie sa z vyvíjacej komory a rozpúšťadlo sa nechá odpariť. |
| Poznámka – môže to trvať až do 2 hodín. |
| 4.5. Platňa sa postrieka roztokom jodidu draselného (2.3.) a nechá sa vysušiť asi 5 minút. |
| 4.6. Platňa sa postrieka roztokom škrobu (2.4.) a nechá sa vysušiť asi 5 minút. |
| 4.7. Platňa sa postrieka kyselinou chlorovodíkovou (2.5.). |
| 5. VYHODNOTENIE |
| Ak sú prítomné chlorečnany, asi po 0,5 hodine sa objaví modrá škvrna (možno hnedá škvrna) s Rf hodnotou približne 0,7 až 0,8. |
| | Soli oxokyselín halogénov v oxidačnom stupni V | Rf | Jodičnany
Bromičnany
Chlorečnany | 0 až 0,2
0,5 až 0,6
0,7 až 0,8 | |
| Treba poznamenať, že bromičnany a jodičnany dávajú okamžitú reakciu. Treba si dať pozor, aby sa škvrny bromičnanov nezamenili so škvrnami chlorečnanov. |
| B. STANOVENIE |
| 1. DEFINÍCIA |
| Obsah chlorečnanov vo vzorke stanovený touto metódou sa vyjadrí v hmotnostných percentách chlorečnanu. |
| 2. PRINCÍP |
| Chlorečnany sa redukujú práškovým zinkom v kyslom prostredí. Vzniknuté chloridy sa stanovia potenciometrickou titráciou roztokom dusičnanu strieborného. Podobné stanovenie pred redukciou umožňuje stanoviť prípadne prítomné halogenidy. |
| 3. ČINIDLÁ |
| Všetky činidlá musia byť analyticky čisté. |
| 3.1. Kyselina octová, 80 % (hmot.) |
| 3.2. Práškový zinok |
| 3.3. Štandardný roztok dusičnanu strieborného, 0,1 M |
| 4. PRÍSTROJE A POMÔCKY |
| 4.1. Bežné laboratórne vybavenie |
| 4.2. Potenciometer vybavený striebornou indikačnou elektródou |
| 5. POSTUP |
| 5.1. Príprava vzorky |
| Do centrifugačnej kyvety sa presne navážia približne 2 g (m v gramoch). Pridá sa asi 15 ml kyseliny octovej (3.1.) a opatrne sa premieša. Počká sa 30 minút a odstreďuje 15 minút na centrifúge pri 2 000 otáčkach/min. Supernatant sa prenesie do 50 ml odmernej banky. Odstreďovanie zvyšku sa zopakuje dvakrát s 15 ml kyseliny octovej (3.1.). Roztok obsahujúci chlorečnan sa zbiera do tej istej odmernej banky. Doplní sa po značku kyselinou octovou (3.1.). |
| 5.2. Redukcia chlorečnanov |
| Odoberie sa 20 ml roztoku 5.1. a pridá sa 0,6 g práškového zinku (3.2.). Obsah sa v banke vybavenej kondenzačnou rúrkou privedie do varu. Po 30 minútach varu sa ochladí a prefiltruje. Banka sa opláchne vodou, obsah sa prefiltruje a filtráty sa spoja. |
| 5.3. Stanovenie chloridov |
| 20 ml roztoku 5.2. sa titruje roztokom dusičnanu strieborného (3.3.) pri použití potenciometra (4.2.). Rovnakým spôsobom sa roztokom dusičnanu strieborného (3.3.) titruje 20 ml roztoku 5.1. |
| Poznámka – ak výrobok obsahuje deriváty brómu alebo jódu, ktoré môžu po redukcii uvoľňovať bromidy alebo jodidy, titračná krivka bude mať niekoľko inflexných bodov. V takom prípade objem titračného roztoku (3.3.) zodpovedajúci chloridom je rozdiel medzi posledným a predposledným inflexným bodom. |
| 6. VÝPOČET |
| Obsah chlorečnanov v hmotnostných percentách vo vzorke sa vypočíta podľa vzorca |
| .png)
|
| kde |
| | V | je objem roztoku dusičnanu strieborného (3.3.) spotrebovaného na titráciu roztoku 5.2. v mililitroch, | | V | je objem roztoku dusičnanu strieborného (3.3.) spotrebovaného na titráciu 20 ml roztoku 5.1. v mililitroch, | | M | je molarita štandardného roztoku dusičnanu strieborného (3.3.), | | m | je hmotnosť vzorky v gramoch. | |
| 7. OPAKOVATEĽNOSŤ2) |
| Pri obsahu chlorečnanov 3 až 5 % (hmot.) nesmie rozdiel medzi výsledkami dvoch paralelne uskutočnených stanovení na tej istej vzorke presiahnuť 0,07 % (hmot.). |
| 29. DÔKAZ A STANOVENIE JODIČNANU SODNÉHO |
| (Podľa smernice Komisie 85/490/EHS z 11. októbra 1985) |
| ROZSAH A OBLASŤ POUŽITIA |
| Táto metóda opisuje postup na dôkaz a stanovenie jodičnanu sodného v kozmetických výrobkoch, ktoré sa oplachujú. |
| A. DÔKAZ |
| 1. PRINCÍP |
| Jodičnany sa oddelia od bromičnanov a chlorečnanov tenkovrstvovou chromatografiou a identifikujú sa na základe oxidácie jodidu za vzniku jódu. |
| 2. ČINIDLÁ |
| Všetky činidlá musia byť analyticky čisté. |
| 2.1. Referenčné roztoky |
| Čerstvo pripravené vodné roztoky chlorečnanu, bromičnanu a jodičnanu draselného, 0,01 % (m/V) |
| 2.2. Vyvíjacie rozpúšťadlo |
| Roztok amoniaku, 28 % (m/V)/acetón/butanol (60 : 130 : 30, obj. diely) |
| 2.3. Vodný roztok jodidu draselného, 5 % (m/V) |
| 2.4. Roztok škrobu, 1 až 5 % (m/V) |
| 2.5. Kyselina chlorovodíková, 1 M |
| 3. PRÍSTROJE A POMÔCKY |
| 3.1. Komerčné celulózové tenkovrstvové platne (0,25 mm) |
| 3.2. Bežné vybavenie na tenkovrstvovú chromatografiu |
| 4. POSTUP |
| 4.1. Asi 1 g vzorky sa extrahuje vodou, prefiltruje a zriedi sa asi na 10 ml. |
| 4.2. 2 ml tohto roztoku sa spolu s 2 ml podielmi každého z 3 referenčných roztokov (2.1.) nanesú na štartovaciu čiaru platne (3.1.). |
| 4.3. Platňa sa umiestni do vyvíjacej komory a vyvíja sa rozpúšťadlom (2.2.) vzostupnou chromatografiou asi do 3/4 dĺžky platne. |
| 4.4. Platňa sa vyberie z vyvíjacej komory a rozpúšťadlo sa nechá odpariť pri laboratórnej teplote. |
| Poznámka – môže to trvať až do 2 hodín. |
| 4.5. Platňa sa postrieka roztokom jodidu draselného (2.3.) a nechá sa vysušiť asi 5 minút. |
| 4.6. Postrieka sa roztokom škrobu (2.4.) a nechá sa vysušiť asi 5 minút. |
| 4.7. Nakoniec sa postrieka kyselinou chlorovodíkovou (2.5.). |
| 5. VYHODNOTENIE |
| Ak sú prítomné jodičnany, ihneď sa objaví modrá škvrna (sfarbenie môže byť hnedé alebo sa môže zmeniť státím na hnedé) s Rf hodnotou približne 0 až 0,2. Treba poznamenať, že bromičnany dávajú okamžitú reakciu pri Rf hodnote približne 0,5 až 0,6 a chlorečnany asi po 30 minútach pri Rf hodnote približne 0,7 až 0,8. |
| B. STANOVENIE |
| 1. DEFINÍCIA |
| Obsah jodičnanu sodného vo vzorke stanovený touto metódou sa vyjadrí v hmotnostných percentách. |
| 2. PRINCÍP |
| Jodičnan sodný sa rozpustí vo vode a stanoví sa prostredníctvom vysokoúčinnej kvapalinovej chromatografie s použitím reverzno-fázovej C18 kolóny a anexovej kolóny zaradenej do série. |
| 3. ČINIDLÁ |
| Všetky činidlá musia byť analyticky čisté a vhodné pre vysoko účinnú kvapalinovú chromatografiu (HPLC). |
| 3.1. Kyselina chlorovodíková, 4 M |
| 3.2. Siričitan sodný, 5 % vodný roztok (m/V) |
| 3.3. Zásobný roztok jodičnanu sodného |
| Pripraví sa zásobný roztok obsahujúci 50 mg jodičnanu sodného na 100 ml vody. |
| 3.4. Dihydrogenfosforečnan draselný |
| 3.5. Dihydrát hydrogenfosforečnanu sodného |
| 3.6. Mobilná fáza pre HPLC |
| 3,88 g dihydrogenfosforečnanu draselného (3.4.) a 1,19 g dihydrátu hydrogenfosforečnanu sodného (3.5.) sa rozpustí v 1 litri vody. |
| 3.7. Univerzálny indikátorový papierik, pH 1 – 11 |
| 4. PRÍSTROJE A POMÔCKY |
| 4.1. Bežné laboratórne vybavenie |
| 4.2. Kruhový filtračný papier s priemerom 110 mm, Schleicher and Schüll č. 575 alebo jeho ekvivalent |
| 4.3. Vysokoúčinný kvapalinový chromatograf vybavený detektorom s nastaviteľnou vlnovou dĺžkou |
| 4.4. Kolóny – dĺžka 120 mm, vnútorný priemer 4,6 mm, počet – 2 zapojené do série, prvá kolóna – Necleosil® 5 C18 alebo jej ekvivalent, druhá kolóna – Vydac TM – 301-SB alebo jej ekvivalent |
| 5. POSTUP |
| 5.1. Príprava vzorky |
| 5.1.1. Kvapalné vzorky (šampóny) |
| Do 10 ml zazátkovateľnej delenej skúmavky alebo odmernej banky sa presne naváži približne 1 g skúšobnej vzorky, doplní sa vodou po značku a premieša sa. Ak je to potrebné, roztok sa prefiltruje. Jodičnan sa v roztoku stanoví pomocou HPLC podľa (5.2.). |
| 5.1.2. Tuhé vzorky (mydlá) |
| Vzorka sa jemne rozdrví na čiastočky a do 100 ml zazátkovateľného odmerného valca sa presne naváži približne 1 g skúšobnej vzorky. Doplní sa vodou do 50 ml a 1 minútu sa intenzívne pretrepáva. Odstredí sa na centrifúge a prefiltruje sa cez filtračný papier (4.1.) alebo sa zmes nechá stáť aspoň cez noc. Rôsolovitý roztok sa intenzívne pretrepe a prefiltruje cez filtračný papier (4.1.). Jodičnan sa vo filtráte stanoví pomocou HPLC podľa (5.2.). |
| 5.2. Chromatografia |
| | Prietoková rýchlosť | 1 ml/min | | Vlnová dĺžka detektora (4.2.) | 210 nm | | Nastrekovaný objem | 10 ml | | Meria sa | plocha píku | |
| 5.3. Kalibrácia |
| Do 50 ml odmerných baniek sa pipetou prenesie jednotlivo 1, 2, 5, 10 a 20 ml zásobného roztoku jodičnanu sodného (3.3.). Doplní sa po značku a premieša sa. Takto získané roztoky obsahujú 0,01, 0,02, 0,05, 0,10 a 0,20 mg jodičnanu sodného v 1 ml. 10 µl každého referenčného roztoku jodičnanu sa nastrekne do kvapalinového chromatografu (4.2.) a získa sa chromatogram. Určí sa plocha píkov jodičnanu a zostrojí sa krivka, vyjadrujúca závislosť plochy píkov od koncentrácie jodičnanu sodného. |
| 6. VÝPOČET |
| Obsah jodičnanu sodného vo vzorke v hmotnostných percentách sa vypočíta podľa vzorca |
| .png)
|
| kde |
| | m | je hmotnosť skúšobnej vzorky (5.1.) v gramoch, | | V | je celkový objem roztoku vzorky získanej podľa (5.1.) v mililitroch, | | c | je hmotnostná koncentrácia získaná z kalibračnej krivky (5.3.) v miligramoch jodičnanu sodného na mililiter. | |
| 7. OPAKOVATEĽNOSŤ2) |
| Pri obsahu jodičnanu sodného 0,1 % (hmot.) nesmie rozdiel medzi výsledkami dvoch paralelne uskutočnených stanovení na tej istej vzorke presiahnuť 0,002 %. |
| 8. Potvrdenie |
| 8.1. Princíp |
| V okyslenom roztoku kozmetického výrobku sa jodičnan (IO3-) redukuje siričitanom na jodid (I-) a výsledný roztok sa vyšetrí pomocou HPLC. Ak pík s retenčným časom, zodpovedajúcim jodičnanu, vymizne po pôsobení siričitanu, pôvodný pík môže byť s najväčšou pravdepodobnosťou prisúdený jodičnanu. |
| 8.2. Postup |
| Do kužeľovitej banky sa pipetou prenesie 5 ml podielu vzorky získanej podľa (5.1.). Kyselinou chlorovodíkovou (3.1.) sa pH roztoku s použitím univerzálneho indikátorového papierika (3.7.) upraví na hodnotu 3 alebo nižšiu. Pridajú sa 3 kvapky roztoku siričitanu sodného (3.2.) a premieša sa. Do kvapalinového chromatografu (4.2.) sa nastrekne 10 µl podiel roztoku. Tento chromatogram sa porovná s chromatogramom získaným pre tú istú vzorku podľa (5.). |
| 30. DÔKAZ A STANOVENIE DUSIČNANU STRIEBORNÉHO |
| (Podľa smernice Komisie 93/73/EHS z 9. septembra 1993) |
| A. DÔKAZ |
| 1. ROZSAH A OBLASŤ POUŽITIA |
| Táto metóda opisuje dôkaz dusičnanu strieborného ako striebra v kozmetických výrobkoch na báze vody. |
| 2. PRINCÍP |
| Strieborné ióny sa dokazujú pomocou ich charakteristickej bielej zrazeniny, ktorú vytvárajú s chloridovými iónmi. |
| 3. ČINIDLÁ |
| Všetky činidlá musia byť analyticky čisté. |
| 3.1. 2 M roztok kyseliny chlorovodíkovej |
| 3.2. Roztok amoniaku |
| Koncentrovaný roztok hydroxidu amónneho, d204= 0,88 g/ml sa zriedi rovnakým množstvom vody a premieša sa. |
| 3.3. 2 M roztok kyseliny dusičnej |
| 4. PRÍSTROJE A POMÔCKY |
| Bežné laboratórne vybavenie |
| 4.2. Centrifúga |
| 5. POSTUP |
| 5.1. K približne 1 g vzorky v centrifugačnej kyvete sa pridáva po kvapkách 2 M roztok kyseliny chlorovodíkovej (3.1.) do úplného vyzrážania, premieša sa a odstredí. |
| 5.2. Supernatantová kvapalina sa zleje a zrazenina sa jedenkrát premyje 5 kvapkami studenej vody. Voda sa po premytí vyleje. |
| 5.3. Do centrifugačnej kyvety sa pridá množstvo vody rovnaké, ako je množstvo zrazeniny, a za stáleho miešania sa zahreje do varu. |
| 5.4. Za tepla sa odstredí a supernatantová kvapalina sa zleje. |
| 5.5. Ku zrazenine sa pridá niekoľko kvapiek roztoku amoniaku (3.2.), premieša sa a odstredí. |
| 5.6. K jednej kvapke supernatantovej kvapaliny na skielku sa pridá niekoľko kvapiek 2 M roztoku kyseliny dusičnej (3.3.). |
| 5.7. Biela zrazenina je dôkazom prítomnosti strieborných iónov. |
| B. STANOVENIE |
| 1. ROZSAH A OBLASŤ POUŽITIA |
| Táto metóda je vhodná na stanovenie dusičnanu strieborného ako striebra v kozmetických výrobkoch určených na farbenie mihalníc alebo obočia. |
| 2. PRINCÍP |
| Striebro sa vo výrobku stanoví pomocou atómovej absorpčnej spektrometrie. |
| 3. ČINIDLÁ |
| Všetky činidlá musia byť analyticky čisté. |
| 3.1. 0,02 M roztok kyseliny dusičnej |
| 3.2. Štandardné roztoky striebra |
| 3.2.1. Zásobný štandardný roztok striebra – 1 000 mg/ml v 0,5 M roztoku kyseliny dusičnej (SpectrosoL alebo jeho ekvivalent) |
| 3.2.2. Štandardný roztok striebra 100 mg/ml |
| Do 100 ml odmernej banky sa pipetou prenesie 10 ml štandardného zásobného roztoku striebra (3.2.1.). Doplní sa 0,02 M roztokom kyseliny dusičnej (3.1.) po značku a premieša sa. Tento štandardný roztok musí byť čerstvo pripravený a skladovaný vo fľaši z tmavého skla. |
| 4. PRÍSTROJE A POMÔCKY |
| 4.1. Bežné laboratórne vybavenie |
| 4.2. Atómový absorpčný spektrofotometer vybavený striebornou výbojkou s dutou katódou |
| 5. POSTUP |
| 5.1. Príprava vzorky |
| Presne sa naváži približne 0,1 g (m v gramoch) homogénnej vzorky výrobku. Kvantitatívne sa prenesie do 1 000 ml odmernej banky a doplní sa 0,02 M roztokom kyseliny dusičnej (3.1.) po značku a premieša sa. |
| 5.2. Podmienky pre atómovú absorpčnú spektrometriu |
| | Plameň | vzduch – acetylén | | Vlnová dĺžka | 338,3 nm | | Korekcia pozadia | áno | | Podmienky pre palivo | ochudobnené, pre maximálnu absorbanciu je potrebné optimalizovať výšku | | horáka a podmienky spaľovania. | |
| 5.3. Kalibrácia |
| 5.3.1. Do série 100 ml odmerných baniek sa pipetou prenesie 1, 2, 3, 4 a 5 ml štandardného roztoku striebra (3.2.2.). Objem v každej banke sa doplní 0,02 M roztokom kyseliny dusičnej (3.1.) po značku a premieša sa. Tieto roztoky v uvedenom poradí obsahujú 1, 2, 3, 4 a 5 mg striebra na mililiter. |
| 5.3.2. Zmeria sa absorbancia 0,02 M roztoku kyseliny dusičnej (3.1.) a získaná hodnota sa použije ako nulová koncentrácia striebra pre kalibračnú krivku. Zmeria sa absorbancia každého kalibračného štandardného roztoku striebra (5.3.1.). Zostrojí sa kalibračná krivka závislosti absorbancie od koncentrácie striebra. |
| 5.4. Stanovenie |
| Zmeria sa absorbancia roztoku vzorky (5.1.). Z kalibračnej krivky sa odčíta koncentrácia striebra zodpovedajúca hodnote absorbancie nameranej pre roztok vzorky. |
| 6. VÝPOČET |
| Obsah dusičnanu strieborného vo vzorke v hmotnostných percentách sa vypočíta s podľa vzorca |
| .png)
|
| kde |
| | m | je hmotnosť vzorky odobratej na analýzu (5.1.) v gramoch, | | c | je koncentrácia striebra v roztoku vzorky (5.1.) odčítaná z kalibračnej krivky v mikrogramoch na mililiter. | |
| 7. OPAKOVATEĽNOSŤ2) |
| Pre obsah dusičnanu strieborného 4 % (hmot.) nesmie rozdiel medzi výsledkami dvoch paralelne uskutočnených stanovení na tej istej vzorke presiahnuť 0,05 % (hmot.). |
| 31. DÔKAZ A STANOVENIE SULFIDU SELENIčITéHO V ŠAMPÓNOCH PROTI LUPINÁM |
| (Podľa smernice Komisie 93/73/EHS z 9. septembra 1993) |
| A. DÔKAZ |
| 1. ROZSAH A OBLASŤ POUŽITIA |
| Táto metóda opisuje dôkaz sulfidu seleničitého ako selénu v šampónoch proti lupinám. |
| 2. PRINCÍP |
| Selén sa dokazuje na základe charakteristického žltého až oranžového sfarbenia vznikajúceho pri jeho reakcii s močovinou a jodidom draselným. |
| 3. ČINIDLÁ |
| Všetky činidlá musia byť analyticky čisté. |
| 3.1. Kyselina dusičná, koncentrovaná, d204= 1,42 g/ml |
| 3.2. Močovina |
| 3.3. 10 % (m/V) roztok jodidu draselného – 10 g jodidu draselného sa rozpustí v 100 ml vody. |
| 4. PRÍSTROJE A POMÔCKY |
| 4.1. Bežné laboratórne vybavenie |
| 4.2. Vylúhovacia banka s objemom 100 ml |
| 4.3. Digestor s vyhrievacím blokom |
| 4.4. Filtračný papier (Whatman č. 42 alebo jeho ekvivalent) alebo 0,45 µm membránový filter |
| 5. POSTUP |
| 5.1. K približne 1 g šampónu vo vylúhovacej banke (4.2.) sa pridá 2,5 ml koncentrovanej kyseliny dusičnej (3.1.) a nechá sa vylúhovať v digestore s vyhrievacím blokom (4.3.) pri 150 oC počas 30 minút. |
| 5.2. Vylúhovaná vzorka sa zriedi 25 ml vody a prefiltruje sa cez filtračný papier alebo 0,45 mm membránový filter (4.4.). |
| 5.3. K 2,5 ml filtrátu sa pridá 5 ml vody, 2,5 g močoviny (3.2.) a zahreje sa do varu. Ochladí sa a pridá sa 1 ml roztoku jodidu draselného (3.3.). |
| 5.4. Žlté až oranžové sfarbenie, ktoré státím rýchlo tmavne, je dôkazom prítomnosti selénu. |
| B. STANOVENIE |
| 1. ROZSAH A OBLASŤ POUŽITIA |
| Táto metóda je vhodná na stanovenie sulfidu seleničitého ako selénu v šampónoch proti lupinám, ktoré obsahujú do 4,5 % (hmot.) sulfidu seleničitého. |
| 2. PRINCÍP |
| Vzorka sa vylúhuje kyselinou dusičnou a selén sa vo výslednom produkte výluhu stanoví pomocou atómovej absorpčnej spektrometrie. |
| 3. ČINIDLÁ |
| Všetky činidlá musia byť analyticky čisté. |
| 3.1. Kyselina dusičná, koncentrovaná, d204= 1,42 g/ml |
| 3.2. 5 % (obj.) roztok kyseliny dusičnej – 50 ml kyseliny dusičnej (3.1.) sa za stáleho miešania pridá do 500 ml vody v kadičke. Tento roztok sa prenesie do 1 000 ml odmernej banky a doplní sa vodou po značku. |
| 3.3. Štandardný zásobný roztok selénu – 1 000 mg/ml v 0,5 M roztoku kyseliny dusičnej (SpectrosoL alebo jeho ekvivalent) |
| 4. PRÍSTROJE A POMÔCKY |
| 4.1. Bežné laboratórne vybavenie |
| 4.2. Vylúhovacia banka s objemom 100 ml |
| 4.3. Digestor s vyhrievacím blokom |
| 4.4. Filtračný papier (Whatman č. 42 alebo jeho ekvivalent) alebo 0,45 µm membránový filter |
| 4.5. Atómový absorpčný spektrofotometer vybavený selénovou výbojkou s dutou katódou |
| 5. POSTUP |
| 5.1. Príprava vzorky |
| 5.1.1. Do digesčnej banky (4.2.) sa presne naváži približne 0,2 g (m v gramoch) homogénnej vzorky šampónu. |
| 5.1.2. Pridá sa 5 ml koncentrovanej kyseliny dusičnej (3.1.) a nechá sa vylúhovať 60 minút pri 150 oC v digestore s vyhrievacím blokom (4.3.). |
| 5.1.3. Roztok sa nechá ochladiť a zriedi sa 100 ml vody. Prefiltruje sa cez filtračný papier alebo 0,45 µm membránový filter (4.4.) a prefiltrovaný roztok sa odloží na stanovenie. |
| 5.2. Podmienky pre atómovú absorpčnú spektrometriu |
| | Plameň | vzduch – acetylén | | Vlnová dĺžka | 196,0 nm | | Korekcia pozadia | áno | | Podmienky pre palivo | ochudobnené – pre maximálnu absorbanciu je potrebné optimalizovať výšku | | horáka a podmienky spaľovania. | |
| 5.3. Kalibrácia |
| 5.3.1. Do série 100 ml odmerných baniek sa pipetou prenesie 1, 2, 3, 4 a 5 ml štandardného zásobného roztoku selénu (3.3.). Objem v každej banke sa doplní 5 % (obj.) roztokom kyseliny dusičnej (3.2.) po značku a premieša sa. Tieto roztoky obsahujú v poradí 10, 20, 30, 40 a 50 µg selénu na mililiter. |
| 5.3.2. Zmeria sa absorbancia 5 % (obj.) roztoku kyseliny dusičnej (3.2.) a takto získaná hodnota sa použije ako nulová koncentrácia selénu pre kalibračnú krivku. Zmeria sa absorbancia každého kalibračného štandardného roztoku selénu (5.3.1.). Zostrojí sa kalibračná krivka závislosti absorbancie od koncentrácie selénu. |
| 5.4. Stanovenie |
| Zmeria sa absorbancia roztoku vzorky (5.1.3.). Z kalibračnej krivky sa odčíta koncentrácia selénu zodpovedajúca hodnote absorbancie nameranej v roztoku vzorky. |
| 6. VÝPOČET |
| Obsah sulfidu seleničitého vo vzorke v hmotnostných percentách sa vypočíta podľa vzorca |
| .png)
|
| kde |
| | m | je hmotnosť vzorky odobratej na analýzu (5.1.1.) v gramoch, | | c | je koncentrácia selénu v roztoku vzorky (5.1.3.) odčítaná z kalibračnej krivky v mikrogramoch na mililiter. | |
| 7. OPAKOVATEĽNOSŤ2) |
| Pri obsahu sulfidu seleničitého 1 % (hmot.) nesmie rozdiel medzi výsledkami dvoch paralelne uskutočnených stanovení na tej istej vzorke presiahnuť 0,05 % (hmot.). |
| 32. STANOVENIE ROZPUSTNÉHO BÁRIA A ROZPUSTNÉHO STRONCIA V PIGMENTOCH VO FORME SOLÍ ALEBO KOMLEXOV |
| (Podľa smernice Komisie 93/73/EHS z 9. septembra 1993) |
| A. STANOVENIE ROZPUSTNÉHO BÁRIA |
| 1. ROZSAH A OBLASŤ POUŽITIA |
| Táto metóda opisuje postup extrakcie a stanovenia rozpustného bária v pigmentoch vo forme solí alebo komplexov. |
| 2. PRINCÍP |
| Farbivo sa extrahuje 0,07 M roztokom kyseliny chlorovodíkovej za definovaných podmienok a množstvo bária v extrakte sa stanoví pomocou atómovej absorpčnej spektrometrie. |
| 3. ČINIDLÁ |
| Všetky činidlá musia byť analyticky čisté. |
| 3.1. Etanol, absolútny |
| 3.2. 0,07 M roztok kyseliny chlorovodíkovej |
| 3.3. 0,5 M roztok kyseliny chlorovodíkovej |
| 3.4. 8 % (m/V) roztok chloridu draselného – 16 g chloridu draselného sa rozpustí v 200 ml 0,07 M roztoku kyseliny chlorovodíkovej (3.2.) |
| 3.5. Štandardné roztoky bária |
| 3.5.1. Štandardný zásobný roztok bária, 1 000 µg/ml v 0,5 M roztoku kyseliny dusičnej (SpectrosoL alebo jeho ekvivalent) |
| 3.5.2. Štandardný roztok bária, 200 µg/ml – do 100 ml odmernej banky sa pipetou prenesie 20 ml štandardného zásobného roztoku bária (3.5.1.). Doplní sa 0,07 M roztokom kyseliny chlorovodíkovej (3.2.) po značku a premieša sa. |
| 4. PRÍSTROJE A POMÔCKY |
| 4.1. Bežné laboratórne vybavenie |
| 4.2. pH-meter s presnosťou ± 0,2 jednotiek |
| 4.3. Trepačka na krúživý pohyb |
| 4.4. Membránový filter s veľkosťou pórov 0,45 µm |
| 4.5. Atómový absorpčný spektrofotometer vybavený báriovou výbojkou s dutou katódou |
| 5. POSTUP |
| 5.1. Príprava vzorky |
| 5.1.1. Do kužeľovitej banky sa presne naváži približne 0,5 g (m v gramoch) pigmentu. Na zabezpečenie dostatočného objemu pre účinné miešanie sa nesmie použiť banka s objemom menším ako 150 ml. |
| 5.1.2. Pipetou sa pridá 1 ml etanolu (3.1.) a bankou sa krúži, aby sa zabezpečilo dôkladné navlhčenie pigmentu. Z byrety sa pridá presné množstvo 0,07 M roztoku kyseliny chlorovodíkovej (3.2.) potrebné na dosiahnutie pomeru objemu kyseliny k hmotnosti pigmentu, presne 50 mililitrov na gram. Celkový objem extraktu vrátane etanolu (V v mililitroch). Krúživým pohybom banky na 5 sekúnd sa zabezpečí dôkladné premiešanie obsahu. |
| 5.1.3. S použitím pH-metra (4.2.) sa odmeria pH výslednej suspenzie a ak je nad 1,5, potom sa po kvapkách pridáva 0,5 M roztok kyseliny chlorovodíkovej, kým pH nie je v rozmedzí 1,4 až 1,5. |
| 5.1.4. Banka sa zazátkuje a ihneď sa pretrepáva 60 minút krúživým pohybom v trepačke (4.3.). Trepačka musí byť nastavená na dostatočne vysokú rýchlosť, aby sa vytvárala pena. Prefiltruje sa cez 0,45 µm membránový filter (4.4.) a filtrát sa zachytí. Extrakt sa nesmie odstrediť na centrifúge pred prefiltrovaním. Do 50 ml odmernej banky sa pipetou prenesie 5 ml filtrátu, doplní sa 0,07 M roztokom kyseliny chlorovodíkovej (3.2.) po značku a premieša sa. Tento roztok sa tiež použije na stanovenie stroncia (časť B). |
| 5.1.5. Do 100 ml odmernej banky sa pipetou prenesie 5 ml roztoku chloridu draselného (3.4.) a alikvotná časť (WBa v mililitroch) zriedeného filtrátu (5.1.4.) tak, aby sa dosiahla predpokladaná koncentrácia medzi 3 až 10 µg bária na mililiter. (Alikvotná časť 10 ml by mala byť na úvod postačujúca.) Doplní sa 0,07 M roztokom kyseliny chlorovodíkovej (3.2.) po značku a premieša sa. |
| 5.1.6. Koncentrácia bária v roztoku (5.1.5.) sa stanoví pomocou atómovej absorpčnej spektrometrie v ten istý deň. |
| 5.2. Podmienky pre atómovú absorpčnú spektrometriu |
| | Plameň | oxid dusný – acetylén | | Vlnová dĺžka | 553,5 nm | | Korekcia pozadia | nie | | Podmienky pre palivo | ochudobnené – pre maximálnu absorbanciu je potrebné optimalizovať výšku | | horáka a podmienky spaľovania. | |
| 5.3. Kalibrácia |
| 5.3.1. Do série 100 ml odmerných baniek sa pipetou prenesie 1, 2, 3, 4 a 5 ml štandardného roztoku bária (3.5.2.). Do každej banky sa pipetou prenesie 5 ml roztoku chloridu draselného (3.4.), doplní sa 0,07 M roztokom kyseliny chlorovodíkovej (3.2.) po značku a premieša sa. Tieto roztoky obsahujú v uvedenom poradí 2, 4, 6, 8 a 10 µg bária na mililiter. Podobne sa bez pridania štandardného roztoku bária pripraví slepý roztok. |
| 5.3.2. Zmeria sa absorbancia slepého roztoku (5.3.1.) a takto získaná hodnota sa použije ako nulová koncentrácia bária pre kalibračnú krivku. Zmeria sa absorbancia každého kalibračného štandardného roztoku bária (5.3.1.). Zostrojí sa kalibračná krivka závislosti absorbancie od koncentrácie bária. |
| 5.4. Stanovenie |
| Zmeria sa absorbancia roztoku vzorky (5.1.5.). Z kalibračnej krivky sa odčíta koncentrácia bária zodpovedajúca hodnote absorbancie pre roztok vzorky. |
| 6. VÝPOČET |
| Obsah rozpustného bária v pigmente v hmotnostných percentách sa vypočíta podľa vzorca |
| .png)
|
| kde |
| | m | je hmotnosť vzorky odobratej na analýzu (5.1.1.) v gramoch, | | c | je koncentrácia bária v roztoku vzorky (5.1.5.) odčítaná z kalibračnej krivky v mikrogramoch na mililiter, | | V | je celkový objem extraktu v mililitroch (5.1.2.), | | WBa | je objem extraktu odobratého v 5.1.5 v mililitroch. | |
| 7. OPAKOVATEĽNOSŤ2) |
| Najlepší dosiahnuteľný odhad opakovateľnosti pre túto metódu je 0,3 % pri obsahu rozpustného bária 2 % (hmot.). |
| 8. POZNÁMKY |
| 8.1. Za určitých podmienok môže byť absorbancia bária zvýšená v dôsledku prítomnosti vápnika. Jeho príspevok môže byť potlačený pridaním horečnatých iónov v koncentrácii 5 g na liter. |
| 8.2. Povolené je použitie optickej emisnej spektrometrie s indukčne viazanou plazmou ako alternatívy plameňovej atómovej absorpčnej spektrometrie. |
| B. STANOVENIE ROZPUSTNÉHO STRONCIA |
| 1. ROZSAH A OBLASŤ POUŽITIA |
| Táto metóda opisuje postup extrakcie a stanovenia rozpustného stroncia v pigmentoch vo forme solí alebo komplexov. |
| 2. PRINCÍP |
| Pigment sa extrahuje 0,07 M roztokom kyseliny chlorovodíkovej za definovaných podmienok a množstvo stroncia v extrakte sa stanoví pomocou atómovej absorpčnej spektrometrie. |
| 3. ČINIDLÁ |
| Všetky činidlá musia byť analyticky čisté. |
| 3.1. Etanol, absolútny |
| 3.2. 0,07 M roztok kyseliny chlorovodíkovej |
| 3.3. 8 % (m/V) roztok chloridu draselného – 16 g chloridu draselného sa rozpustí v 200 ml 0,07 M roztoku kyseliny chlorovodíkovej (3.2.) |
| 3.4. Štandardné roztoky stroncia |
| 3.4.1. Štandardný zásobný roztok stroncia, 1 000 µg/ml v 0,5 M roztoku kyseliny dusičnej (SpectrosoL alebo jeho ekvivalent) |
| 3.4.2. Štandardný roztok stroncia, 100 µg/ml – Do 100 ml odmernej banky sa pipetou prenesie 10 ml štandardného zásobného roztoku stroncia (3.4.1.). Doplní sa 0,07 M roztokom kyseliny chlorovodíkovej (3.2.) po značku a premieša sa. |
| 4. PRÍSTROJE A POMÔCKY |
| 4.1. Bežné laboratórne vybavenie |
| 4.2. Membránový filter s veľkosťou pórov 0,45 µm |
| 4.3. Atómový absorpčný spektrofotometer vybavený stronciovou výbojkou s dutou katódou |
| 5. POSTUP |
| 5.1. Príprava vzorky – na stanovenie obsahu rozpustného stroncia sa použije roztok podľa (A 5.1.4.). |
| 5.1.1. Do 100 ml odmernej banky sa pipetou prenesie 5 ml roztoku chloridu draselného (3.3.) a alikvotná časť (WSr v mililitroch) zriedeného filtrátu (A 5.1.4.) tak, aby sa dosiahla predpokladaná koncentrácia medzi 2 a 5 µg stroncia na mililiter. (Alikvotná časť 25 ml by mala byť na úvod postačujúca.) Doplní sa 0,07 M roztokom kyseliny chlorovodíkovej (3.2.) po značku a premieša sa. |
| 5.1.2. Koncentrácia stroncia v roztoku (5.1.1.) sa stanoví pomocou atómovej absorpčnej spektrometrie v ten istý deň. |
| 5.2. Podmienky pre atómovú absorpčnú spektrometriu |
| | Plameň | oxid dusný – acetylén | | Vlnová dĺžka | 460,7 nm | | Korekcia pozadia | nie | | Podmienky pre palivo | ochudobnené – pre maximálnu absorbanciu je potrebné optimalizovať výšku | | horáka a podmienky spaľovania. | |
| 5.3. Kalibrácia |
| 5.3.1. Do série 100 ml odmerných baniek sa pipetou prenesie 1, 2, 3, 4 a 5 ml štandardného roztoku stroncia (3.4.2.). Do každej banky sa pipetou prenesie 5 ml roztoku chloridu draselného (3.3.), doplní sa 0,07 M roztokom kyseliny chlorovodíkovej (3.2.) po značku a premieša sa. Tieto roztoky obsahujú v uvedenom poradí 1, 2, 3, 4 a 5 mg stroncia na mililiter. Podobne sa bez pridania štandardného roztoku stroncia pripraví slepý roztok. |
| 5.3.2. Zmeria sa absorbancia slepého roztoku (5.3.1.) a získaná hodnota sa použije ako nulová koncentrácia stroncia pre kalibračnú krivku. Zmeria sa absorbancia každého kalibračného štandardného roztoku stroncia (5.3.1.). Zostrojí sa kalibračná krivka závislosti absorbancie od koncentrácie stroncia. |
| 5.4. Stanovenie |
| Zmeria sa absorbancia roztoku vzorky (5.1.1.). Z kalibračnej krivky sa odčíta koncentrácia stroncia zodpovedajúca hodnote absorbancie nameranej pre roztok vzorky. |
| 6. VÝPOČET |
| Obsah rozpustného stroncia v pigmente v hmotnostných percentách sa vypočíta podľa vzorca |
| .png)
|
| kde |
| | m | je hmotnosť vzorky odobratej na analýzu (A 5.1.1.) v gramoch, | | c | je koncentrácia stroncia v roztoku vzorky (5.1.1.) odčítaná z kalibračnej krivky v mikrogramoch na mililiter, | | V | je celkový objem extraktu v mililitroch (A 5.1.2.), | | WSr | je objem extraktu odobratého v 5.1.1. v mililitroch. | |
| 7. OPAKOVATEĽNOSŤ2) |
| Najlepší dosiahnuteľný odhad opakovateľnosti pre túto metódu je 0,09 % pri obsahu rozpustného stroncia 0,6 % (hmot.). |
| 8. POZNÁMKA |
| Povolené je použitie optickej emisnej spektrometrie s indukčne viazanou plazmou ako alternatívy plameňovej atómovej absorpčnej spektrometrie. |
| 33. DÔKAZ A STANOVENIE BENZYLALKOHOLU |
| (Podľa smernice Komisie 93/73/EHS z 9. septembra 1993) |
| A. DÔKAZ |
| 1. ROZSAH A OBLASŤ POUŽITIA |
| Táto metóda opisuje dôkaz benzylalkoholu v kozmetických výrobkoch. |
| 2. PRINCÍP |
| Benzylalkohol sa dokazuje pomocou tenkovrstvovej chromatografie na silikagélových platniach. |
| 3. ČINIDLÁ |
| Všetky činidlá musia byť analyticky čisté. |
| 3.1. Benzylalkohol |
| 3.2. Chloroform |
| 3.3. Etanol, absolútny |
| 3.4. n-pentán |
| 3.5. Vyvíjacie rozpúšťadlo – dietyléter |
| 3.6. Štandardný roztok benzylalkoholu |
| Do 100 ml odmernej banky sa naváži 0,1 g benzylalkoholu (3.1.), doplní sa etanolom (3.3.) po značku a premieša sa. |
| 3.7. Tenkovrstvové chromatografické platne, sklené, 100 x 200 mm alebo 200 x 200 mm, potiahnuté 0,25 mm vrstvou silikagélu 60 F254 |
| 3.8. Detekčné činidlo |
| 10 % (m/V) roztok kyseliny fosforečnano-dodekamolybdénovej v etanole (3.3.) |
| 4. PRÍSTROJE A POMÔCKY |
| 4.1. Bežné zariadenie na tenkovrstvovú chromatografiu |
| 4.2. Chromatografická vyvíjacia komora s dvojitým žliabkom, s celkovými rozmermi približne 80 mm x 230 mm x 240 mm |
| 4.3. Chromatografický papier Whatman alebo jeho ekvivalent |
| 4.4. Ultrafialová lampa s vlnovou dĺžkou 254 nm |
| 5. POSTUP |
| 5.1. Príprava vzorky |
| Do 10 ml odmernej banky sa naváži 1 g analyzovaného výrobku. Pridajú sa 3 ml chloroformu (3.2.) a intenzívne pretrepáva, kým sa výrobok nerozdisperguje. Doplní sa etanolom (3.3.) po značku a intenzívne sa pretrepáva do vzniku číreho alebo takmer číreho roztoku. |
| 5.2. Tenkovrstvová chromatografia |
| 5.2.1. Chromatografická vyvíjacia komora (4.2.) sa nasýti n-pentánom (3.4.) podľa nasledujúceho postupu. Stena komory, susedná k zadnému žliabku, sa potiahne chromatografickým papierom (4.3.) tak, aby spodný okraj papiera bol v žliabku. Zadný žliabok sa naplní 25 ml n-pentánu (3.4.) naliatím tohto roztoku po povrchu chromatografického papiera. Ihneď sa uzavrie vrchnákom a nechá sa stáť 15 minút. |
| 5.2.2. Na vhodné body na čiare štartu chromatografickej platne (3.7.) sa nanesie 10 ml roztoku vzorky (5.1.) a 10 µl štandardného roztoku benzylalkoholu (3.6.). Platňa sa nechá sa vyschnúť. |
| 5.2.3. Do predného žliabku vyvíjacej komory sa pipetou prenesie 10 ml dietyléteru (3.5.) a následne sa do rovnakého žliabku ihneď umiestni platňa (5.2.2.). Vyvíjacia komora sa rýchlo uzavrie vrchnákom a platňa sa nechá vyvíjať do vzdialenosti 150 mm. Platňa sa vyberie z chromatografickej vyvíjacej komory a nechá sa vyschnúť pri laboratórnej teplote. |
| 5.2.4. Platňa (5.2.3.) sa pozoruje pod ultrafialovým svetlom a označí sa poloha fialových škvŕn. Platňa sa postrieka roztokom detekčného činidla (3.8.) a potom sa zahrieva asi 15 minút na 120 oC. Benzylalkohol sa prejaví ako tmavomodrá škvrna. |
| 5.2.5. Vypočíta sa Rf hodnota škvrny získanej zo štandardného roztoku benzylalkoholu. Tmavomodrá škvrna s rovnakou Rf hodnotou získaná z roztoku vzorky je dôkazom prítomnosti benzylalkoholu. Detekčný limit je 0,1 µg benzylalkoholu. |
| B. STANOVENIE |
| 1. ROZSAH A OBLASŤ POUŽITIA |
| Táto metóda opisuje stanovenie benzylalkoholu v kozmetických výrobkoch. |
| 2. DEFINÍCIA |
| Množstvo benzylalkoholu stanovené touto metódou sa vyjadrí v hmotnostných percentách. |
| 3. PRINCÍP |
| Vzorka sa extrahuje metanolom a množstvo benzylalkoholu v extrakte sa stanoví vysoko účinnou kvapalinovou chromatografiou (HPLC). |
| 4. ČINIDLÁ |
| Všetky činidlá musia byť analyticky čisté a podľa potreby vhodné pre HPLC. |
| 4.1 Metanol |
| 4.2. 4-etoxyfenol |
| 4.3. Benzylalkohol |
| 4.4. Mobilná fáza – metanol (4.1.)/voda (45 : 55 v obj. dieloch) |
| 4.5. Zásobný roztok benzylalkoholu |
| Do 100 ml odmernej banky sa presne naváži približne 0,1 g benzylalkoholu (4.3.). Doplní sa metanolom (4.1.) po značku a premieša sa. |
| 4.6. Zásobný roztok vnútorného štandardu |
| Do 100 ml odmernej banky sa presne naváži približne 0,1 g 4-etoxyfenolu (4.2.). Doplní sa metanolom (4.1.) po značku a premieša sa. |
| 4.7. Štandardné roztoky |
| Do série 25 ml odmerných baniek sa pipetou prenesú množstvá zásobného roztoku benzylalkoholu (4.5.) a zásobného roztoku vnútorného štandardu (4.6.) podľa uvedenej tabuľky. Doplnia sa metanolom (4.1.) po značku a premiešajú sa. |
| | Štandardný roztok | Koncentrácia benzylalkoholu | Koncentrácia 4-etoxyfenolu | | pridá sa (4.5.) v ml | μg/ml*) | pridá sa (4.6.) v ml | μg/ml*) | | I | 0,5 | 20 | 2,0 | 80 | | II | 1,0 | 40 | 2,0 | 80 | | III | 2,0 | 80 | 2,0 | 80 | | IV | 3,0 | 120 | 2,0 | 80 | | V | 5,0 | 200 | 2,0 | 80 | |
| *) Tieto hodnoty sú uvedené pre usmernenie a zodpovedajú koncentráciám štandardných roztokov pripravených s použitím roztoku benzylalkoholu a 4-etoxyfenolu, ktoré obsahujú presne 0,1 % (m/V) benzylalkoholu, resp. presne 0,1 % (m/V) 4-etoxyfenolu. |
| 5. PRÍSTROJE A POMÔCKY |
| 5.1. Bežné laboratórne vybavenie |
| 5.2. Vysokoúčinný kvapalinový chromatograf s ultrafialovým detektorom s nastaviteľnou vlnovou dĺžkou a 10 µl dávkovacou slučkou |
| 5.3. Analytická kolóna, 250 mm 4,6 mm, kolóna z nehrdzavejúcej ocele naplnená 5 mm Sperisorbom ODS alebo jej ekvivalentom |
| 5.4. Vodný kúpeľ |
| 5.5. Ultrazvukový kúpeľ |
| 5.6. Centrifúga |
| 5.7. Centrifugačné kyvety s objemom 15 ml |
| 6. POSTUP |
| 6.1. Príprava vzorky |
| 6.1.1. Do centrifugačnej kyvety (5.7.) sa presne naváži približne 0,1 g (m v gramoch) vzorky a pridá sa 5 ml metanolu (4.1.). |
| 6.1.2. Zahrieva sa 10 minút na vodnom kúpeli temperovanom na 50 oC, potom sa kyveta umiestni do ultrazvukového kúpeľa (5.5.), kým sa vzorka dôkladne nerozdisperguje. |
| 6.1.3. Ochladí sa, potom sa 5 minút odstreďuje na centrifúge pri 3 500 otáčkach/min. |
| 6.1.4. Supernatantová kvapalina sa prenesie do 25 ml odmernej banky. |
| 6.1.5. Vzorka sa znova extrahuje ďalšími 5 ml metanolu (4.1.). Extrakty sa spoja do 25 ml odmernej banky. |
| 6.1.6. Do 25 ml odmernej banky sa pipetou prenesie 2 ml štandardného roztoku vnútorného štandardu (4.6.). Doplní sa metanolom (4.1.) po značku a premieša sa. Tento roztok sa použije na stanovenia podľa (6.4.). |
| 6.2. Chromatografia |
| 6.2.1. Vysokoúčinný kvapalinový chromatograf (5.2.) sa nastaví bežným spôsobom. Prietoková rýchlosť mobilnej fázy (4.4.) sa nastaví na 2 ml za 1 minútu. |
| 6.2.2. Vlnová dĺžka ultrafialového detektora (5.2.) sa nastaví na 210 nm. |
| 6.3. Kalibrácia |
| 6.3.1. Nastrekne sa 10 µl každého štandardného roztoku benzylalkoholu (4.7.) a merajú sa plochy píkov benzylalkoholu a 4-etoxyfenolu. |
| 6.3.2. Pre každý štandardný roztok benzylalkoholu (4.7.) sa vypočíta pomer plochy píku benzylalkoholu k 4-etoxyfenolu. Nanesením týchto pomerov na os y a odpovedajúcich koncentrácií benzylalkoholu v µg na mililiter na os x sa zostrojí kalibračná krivka. |
| 6.4. Stanovenie |
| 6.4.1. Nastrekne sa 10 µl roztoku vzorky (6.1.6.) a merajú sa plochy píkov benzylalkoholu a 4-etoxyfenolu. Vypočíta sa pomer plochy píku benzylalkoholu k 4-etoxyfenolu. Tento postup sa opakuje s ďalšou 10 µl alikvotnou časťou roztoku vzorky, kým sa nedosiahnu zhodné výsledky. |
| 6.4.2. Z kalibračnej krivky (6.3.2.) sa odčíta koncentrácia benzylalkoholu zodpovedajúca pomeru plochy píkov benzylalkoholu a 4-etoxyfenolu. |
| 7. VÝPOČET |
| Obsah benzylalkoholu vo vzorke v hmotnostných percentách sa vypočíta podľa vzorca |
| .png)
|
| kde |
| | m | je hmotnosť vzorky odobratej na analýzu (6.1.1.) v gramoch, | | c | je koncentrácia benzylalkoholu v roztoku vzorky (6.1.6.) odčítaná z kalibračnej krivky v mikrogramoch na mililiter. | |
| 8. OPAKOVATEĽNOSŤ2) |
| Pre obsah benzylalkoholu 1 % (hmot.) nesmie rozdiel medzi výsledkami dvoch paralelne uskutočnených stanovení na tej istej vzorke presiahnuť 0,1 % (hmot.). |
| 34. DÔKAZ ZIRKÓNIA A STANOVENIE ZIRKÓNIA, HLINÍKA A CHLÓRU V NEAEROSÓLOVÝCH ANTIPERSPIRANTOCH |
| (Podľa smernice Komisie 93/73/EHS z 9. septembra 1993) |
| Metóda pozostáva z piatich stupňov |
| A. DÔKAZ ZIRKÓNIA |
| B. STANOVENIE ZIRKÓNIA |
| C. STANOVENIE HLINÍKA |
| D. STANOVENIE CHLÓRU |
| E. VÝPOČET POMERU ATÓMOV HLINÍKA K ATÓMOM ZIRKÓNIA A ATÓMOV HLINÍKA PLUS ZIRKÓNIA K ATÓMOM CHLÓRU |
| A. DÔKAZ ZIRKÓNIA |
| 1. ROZSAH A OBLASŤ POUŽITIA |
| Táto metóda opisuje dôkaz zirkónia v kozmetických výrobkoch typu neaerosólových antiperspirantov. Metóda nie je vhodná na dôkaz zirkónia v komplexoch hlinito-zirkoničitých hydroxido-chloridov [AlxZr(OH)yClz . n H2O]. |
| 2. PRINCÍP |
| Zirkónium sa dokazuje na základe charakteristickej červeno-fialovej zrazeniny vytváranej s alizarínovou červenou S v silne kyslom prostredí. |
| 3. ČINIDLÁ |
| Všetky činidlá musia byť analyticky čisté. |
| 3.1. Koncentrovaná kyselina chlorovodíková, d204= 1,18 g/ml |
| 3.2. Roztok alizarínovej červenej S (CI 58005), 2 % (m/V) vodný roztok nátrium alizarínsulfonátu |
| 4. PRÍSTROJE A POMÔCKY |
| 4.1. Bežné laboratórne vybavenie |
| 5. POSTUP |
| 5.1. 2 ml vody sa pridajú k asi 1 g vzorky v skúmavke, zazátkuje sa a pretrepe. |
| 5.2. Pridajú sa tri kvapky roztoku alizarínovej červenej S (3.2.), následne sa pridajú 2 ml koncentrovanej kyseliny chlorovodíkovej (3.1.), zazátkuje sa a pretrepe. |
| 5.3. Nechá sa stáť približne 2 minúty. |
| 5.4. Červeno-fialovo sfarbený roztok supernatantu a zrazeniny je dôkazom prítomnosti zirkónia. |
| B. STANOVENIE ZIRKÓNIA |
| 1. ROZSAH A OBLASŤ POUŽITIA |
| Táto metóda je vhodná na stanovenie zirkónia v komplexoch hlinito-zirkoničitých hydroxido-chloridov do maximálneho obsahu 7,5 % (hmot.) zirkónia v neaerosólových antiperspirantoch. |
| 2. PRINCÍP |
| Zirkónium sa extrahuje z výrobku v kyslom prostredí a stanoví sa pomocou plameňovej atómovej absorpčnej spektrometrie. |
| 3. ČINIDLÁ |
| Všetky činidlá musia byť analyticky čisté. |
| 3.1. Kyselina chlorovodíková, koncentrovaná, d204= 1,18 g/ml |
| 3.2. 10 % (obj.) roztok kyseliny chlorovodíkovej |
| 100 ml kyseliny chlorovodíkovej (3.1.) sa za stáleho miešania pridá do 500 ml vody v kadičke. Tento roztok sa prenesie do odmernej banky s objemom 1 liter a doplní sa vodou po značku. |
| 3.3. Štandardný zásobný roztok zirkónia, 1 000 µg/ml v 0,5 M roztoku kyseliny chlorovodíkovej (SpectrosoL alebo jeho ekvivalent) |
| 3.4. Chlorid hlinitý, hydratovaný (AlCl3 . 6 H2O), činidlo – 22,6 g hexahydrátu chloridu hlinitého sa rozpustí v 250 ml 10 % (obj.) roztoku kyseliny chlorovodíkovej (3.2.) |
| 3.5. Chlorid amónny, činidlo – 5 g chloridu amónneho sa rozpustí v 250 ml 10 % (obj.) roztoku kyseliny chlorovodíkovej (3.2.). |
| 4. PRÍSTROJE A POMÔCKY |
| 4.1. Bežné laboratórne vybavenie |
| 4.2. Magnetické miešadlo s vyhrievacou platňou |
| 4.3. Filtračný papier (Whatman č. 41 alebo jeho ekvivalent) |
| 4.4. Atómový absorpčný spektrofotometer vybavený zirkóniovou výbojkou s dutou katódou |
| 5. POSTUP |
| 5.1. Príprava vzorky |
| 5.1.1. Do 150 ml kadičky sa presne naváži približne 1 g (m v gramoch) homogénnej vzorky výrobku. Pridá sa 40 ml vody a 10 ml koncentrovanej kyseliny chlorovodíkovej (3.1.). |
| 5.1.2. Kadička sa umiestni na vyhrievaciu platňu magnetického miešadla (4.2.). Spustí sa miešanie a zahreje sa do varu. Na vrch kadičky sa umiestni hodinové sklíčko, aby sa predišlo rýchlemu odpareniu. Varí sa 5 minút, kadička sa odloží zo zdroja tepla a ochladí sa na laboratórnu teplotu. |
| 5.1.3. Obsah kadičky sa s použitím filtračného papiera (4.3.) prefiltruje do 100 ml odmernej banky. Kadička sa opláchne dvoma 10 ml dávkami vody a voda z opláchnutia sa po prefiltrovaní pridá do banky. Doplní sa vodou po značku a premieša sa. Tento roztok sa tiež použije na stanovenie hliníka v časti C. |
| 5.1.4. Do 50 ml odmernej banky sa pipetou prenesie 20 ml roztoku vzorky (5.1.3.), 5 ml roztoku chloridu hlinitého (3.4.) a 5 ml roztoku chloridu amónneho (3.5.). Doplní sa 10 % (obj.) roztokom kyseliny chlorovodíkovej (3.2.) po značku a premieša sa. |
| 5.2. Podmienky pre atómovú absorpčnú spektrometriu |
| Plameň oxid dusný – acetylén |
| Vlnová dĺžka 360,1 nm |
| Korekcia pozadia nie |
| Podmienky pre palivo obohatené – pre maximálnu absorbanciu je potrebné optimalizovať výšku horáka a podmienky spaľovania. |
| 5.3. Kalibrácia |
| 5.3.1. Do série 50 ml odmerných baniek sa pipetou prenesie 5, 10, 15, 20 a 25 ml štandardného zásobného roztoku zirkónia (3.3.). Do každej odmernej banky sa pipetou pridá 5 ml chloridu hlinitého (3.4.) a 5 ml chloridu amónneho (3.5.). Objem sa doplní 10 % (obj.) roztokom kyseliny chlorovodíkovej (3.2.) po značku a premieša sa. Tieto roztoky obsahujú v uvedenom poradí 100, 200, 300, 400 a 500 µg zirkónia na mililiter. Podobne sa bez pridania štandardného roztoku zirkónia pripraví slepý roztok. |
| 5.3.2. Zmeria sa absorbancia slepého roztoku (5.3.1.) a získaná hodnota sa použije ako nulová koncentrácia zirkónia pre kalibračnú krivku. Zmeria sa absorbancia každého kalibračného štandardného roztoku zirkónia (5.3.1.). Zostrojí sa kalibračná krivka závislosti hodnôt absorbancie od koncentrácie zirkónia. |
| 5.4. Stanovenie |
| Zmeria sa absorbancia roztoku vzorky (5.1.4.). Z kalibračnej krivky sa odčíta koncentrácia zirkónia zodpovedajúca hodnote absorbancie nameranej v roztoku vzorky. |
| 6. VÝPOČET |
| Obsah zirkónia vo vzorke v hmotnostných percentách sa vypočíta podľa vzorca |
| .png)
|
| kde |
| | m | je hmotnosť vzorky odobratej na analýzu (5.1.1.) v gramoch, | | c | je koncentrácia zirkónia v roztoku vzorky (5.1.4.) odčítaná z kalibračnej krivky v mikrogramoch na mililiter. | |
| 7. OPAKOVATEĽNOSŤ2) |
| Pre obsah zirkónia 3 % (hmot.) nesmie rozdiel medzi výsledkami dvoch paralelne uskutočnených stanovení na tej istej vzorke presiahnuť 0,1 % (hmot.). |
| 8. POZNÁMKA |
| Povolené je použitie optickej emisnej spektrometrie s indukčne viazanou plazmou ako alternatívy plameňovej atómovej absorpčnej spektrometrie. |
| C. STANOVENIE HLINÍKA |
| 1. ROZSAH A OBLASŤ POUŽITIA |
| Táto metóda je vhodná na stanovenie hliníka prítomného v komplexoch hlinito-zirkoničitých hydroxido-chloridov do maximálneho obsahu 12 % (hmot.) hliníka v neaerosólových antiperspirantoch. |
| 2. PRINCÍP |
| Hliník sa extrahuje z výrobku v kyslom prostredí a stanoví sa pomocou plameňovej atómovej absorpčnej spektrometrie. |
| 3. ČINIDLÁ |
| Všetky činidlá musia byť analyticky čisté. |
| 3.1. Kyselina chlorovodíková, koncentrovaná, d204= 1,18 g/ml |
| 3.2. 1 % (obj.) roztok kyseliny chlorovodíkovej |
| 10 ml koncentrovanej kyseliny chlorovodíkovej (3.1.) sa za stáleho miešania pridá do 500 ml vody v kadičke. Tento roztok sa prenesie do jednolitrovej odmernej banky a doplní sa vodou po značku. |
| 3.3. Štandardný zásobný roztok hliníka |
| 1 000 mg/ml v 0,5 M roztoku kyseliny dusičnej (SpectrosoL alebo ekvivalent) |
| 3.4. Chlorid draselný |
| 10 g chloridu draselného sa rozpustí v 250 ml 1 % (obj.) roztoku kyseliny chlorovodíkovej (3.2.). |
| 4. PRÍSTROJE A POMÔCKY |
| 4.1. Bežné laboratórne vybavenie |
| 4.2. Atómový absorpčný spektrofotometer vybavený hliníkovou výbojkou s dutou katódou |
| 5. POSTUP |
| 5.1. Príprava vzorky |
| Na stanovenie obsahu hliníka sa použije roztok pripravený podľa B 5.1.3. |
| 5.1.1. Do 100 ml odmernej banky sa pipetou prenesie 5 ml roztoku vzorky (B 5.1.3.), 10 ml roztoku chloridu draselného (3.4.). Doplní sa 1 % (obj.) roztokom kyseliny chlorovodíkovej (3.2.) po značku a premieša sa. |
| 5.2. Podmienky pre atómovú absorpčnú spektrometriu |
| Plameň oxid dusný – acetylén |
| Vlnová dĺžka 309,3 nm |
| Korekcia pozadia nie |
| Podmienky pre palivo obohatené – pre maximálnu absorbanciu je potrebné optimalizovať výšku horáka a podmienky spaľovania. |
| 5.3. Kalibrácia |
| 5.3.1. Do série 100 ml odmerných baniek sa pipetou prenesie 1, 2, 3, 4 a 5 ml štandardného zásobného roztoku hliníka (3.3.). Do každej odmernej banky sa pipetou pridá 10 ml chloridu draselného (3.4.). Objem sa doplní 1 % (obj.) roztokom kyseliny chlorovodíkovej (3.2.) po značku a premieša sa. Tieto roztoky obsahujú 10, 20, 30, 40 a 50 mg hliníka na mililiter. Podobne sa bez pridania štandardného roztoku hliníka pripraví slepý roztok. |
| 5.3.2. Zmeria sa absorbancia slepého roztoku (5.3.1.) a získaná hodnota sa použije ako nulová koncentrácia hliníka pre kalibračnú krivku. Zmeria sa absorbancia každého kalibračného štandardného roztoku hliníka. Zostrojí sa kalibračná krivka závislosti absorbancie od koncentrácie hliníka. |
| 5.4. Stanovenie |
| Zmeria sa absorbancia roztoku vzorky (5.1.1.). Z kalibračnej krivky sa odčíta koncentrácia hliníka zodpovedajúca hodnote absorbancie nameranej v roztoku vzorky. |
| 6. VÝPOČET |
| Obsah hliníka vo vzorke v hmotnostných percentách sa vypočíta podľa vzorca |
| .png)
|
| kde |
| | m | je hmotnosť vzorky odobratej na analýzu (B 5.1.1.) v gramoch, | | c | je koncentrácia hliníka v roztoku vzorky (5.1.1.) odčítaná z kalibračnej krivky v mikrogramoch na mililiter. | |
| 7. OPAKOVATEĽNOSŤ2) |
| Pre obsah hliníka 3,5 % (hmot.) nesmie rozdiel medzi výsledkami dvoch paralelne uskutočnených stanovení na tej istej vzorke presiahnuť 0,1 % (hmot.). |
| 8. POZNÁMKA |
| Povolené je použitie optickej emisnej spektrometrie s indukčne viazanou plazmou ako alternatívy plameňovej atómovej absorpčnej spektrometrie. |
| D. STANOVENIE CHLÓRU |
| 1. ROZSAH A OBLASŤ POUŽITIA |
| Táto metóda je vhodná na stanovenie chlóru, prítomného ako chloridový ión, v komplexoch hlinito-zirkoničitých hydroxido-chloridov v neaerosólových antiperspirantoch. |
| 2. PRINCÍP |
| Chloridové ióny sa vo výrobku stanovia potenciometrickou titráciou štandardným roztokom dusičnanu strieborného. |
| 3. ČINIDLÁ |
| Všetky činidlá musia byť analyticky čisté. |
| 3.1. Kyselina dusičná, koncentrovaná, d204= 1,42 g/ml |
| 3.2. 5 % (obj.) roztok kyseliny dusičnej |
| 25 ml koncentrovanej kyseliny dusičnej (3.1.) sa za stáleho miešania pridá do 250 ml vody v kadičke. Tento roztok sa prenesie do 500 ml odmernej banky a doplní sa vodou po značku. |
| 3.3. Acetón |
| 3.4. 0,1 M roztok dusičnanu strieborného pre odmernú analýzu (AnalaR alebo ekvivalent) |
| 4. PRÍSTROJE A POMÔCKY |
| 4.1. Bežné laboratórne vybavenie |
| 4.2. Magnetické miešadlo s vyhrievacou platňou |
| 4.3. Strieborná elektróda |
| 4.4. Kalomelová referenčná elektróda |
| 4.5. pH/milivoltmeter vhodný pre potenciometrickú titráciu |
| 5. POSTUP |
| 5.1. Príprava vzorky |
| 5.1.1. Do 250 ml kadičky sa presne naváži približne 1 g (m v gramoch) homogénnej vzorky výrobku. Pridá sa 80 ml vody a 20 ml 5 % (obj.) roztoku kyseliny dusičnej (3.2.). |
| 5.1.2. Kadička sa umiestni na vyhrievaciu platňu magnetického miešadla (4.2.). Spustí sa miešanie a zahreje sa do varu. Na vrch kadičky sa umiestni hodinové sklíčko, aby sa predišlo rýchlemu odpareniu. Varí sa 5 minút, kadička sa odloží zo zdroja tepla a ochladí sa na laboratórnu teplotu. |
| 5.1.3. Pridá sa 10 ml acetónu (3.3.), elektródy (4.3. a 4.4.) sa ponoria pod povrch roztoku a spustí sa miešanie. Titruje sa potenciometricky 0,1 M roztokom dusičnanu strieborného (3.4.) a na účel stanovenia koncového bodu titrácie (V v mililitroch) sa zostrojí diferenciálna krivka. |
| 6. VÝPOČET |
| Obsah chlóru prítomného vo vzorke v hmotnostných percentách sa vypočíta podľa vzorca |
| .png)
|
| kde |
| | m | je hmotnosť vzorky odobratej na analýzu (5.1.1.) v gramoch, | | V | je objem 0,1 M roztoku dusičnanu strieborného spotrebovaného na titráciu do koncového bodu (5.1.3.) v mililitroch. | |
| 7. OPAKOVATEĽNOSŤ2) |
| Pre obsah chlóru 4 % (hmot.) nesmie rozdiel medzi výsledkami dvoch paralelne uskutočnených stanovení na tej istej vzorke presiahnuť 0,1 % (hmot.). |
| E. VÝPOČET POMERU ATÓMOV HLINÍKA K ATÓMOM ZIRKÓNIA A ATÓMOV HLINÍKA PLUS ZIRKÓNIA K ATÓMOM CHLÓRU |
| 1. VÝPOČET POMERU ATÓMOV HLINÍKA K ATÓMOM ZIRKÓNIA |
| Pomer Al : Zr sa vypočíta podľa vzorca |
| .png)
|
| 2. VÝPOČET POMERU ATÓMOV HLINÍKA PLUS ZIRKÓNIA K ATÓMOM CHLÓRU |
| Pomer (Al + Zr) : Cl sa vypočíta podľa vzorca |
| .png)
|
| 35. DÔKAZ A STANOVENIE HEXAMIDÍNU, DIBRÓMHEXAMINÍDU, DOBRÓMPROPAMIDÍNU A CHLÓRHEXIDÍNU |
| (Podľa smernice Komisie 93/73/EHS z 9. septembra 1993) |
| 1. ROZSAH A OBLASŤ POUŽITIA |
| Táto metóda opisuje kvalitatívne a kvantitatívne stanovenie |
| hexamidínu a jeho solí vrátane isetionátu a 4-hydroxybenzoátu, |
| dibrómhexamidínu a jeho solí vrátane isetionátu, |
| dibrómpropamidínu a jeho solí vrátane isetionátu, |
| diacetátu, diglukonátu a dihydrochloridu chlórhexidínu v kozmetických výrobkoch |
| 2. DEFINÍCIA |
| Obsah hexamidínu, dibrómhexamidínu, dibrómpropamidínu a chlórhexidínu stanovený touto metódou sa vyjadrí v hmotnostných percentách. |
| 3. PRINCÍP |
| Dôkaz a stanovenie sa uskutočňujú iónovo-párovaciou vysokoúčinnou chromatografiou (HPLC) na obrátenej fáze nasledovanou ultrafialovou spektrofotometrickou detekciou. Hexamidín, dibrómhexamidín, dibrómpropamidín a chlórhexidín sa identifikujú na základe retenčných časov na chromatografickej kolóne. |
| 4. ČINIDLÁ |
| Všetky činidlá musia byť analyticky čisté a podľa potreby musia byť vhodné pre HPLC. |
| 4.1. Metanol |
| 4.2. Sodná soľ kyseliny heptán-1-sulfónovej, monohydrát |
| 4.3. Kyselina octová, ľadová, d204 = 1,05 g/ml |
| 4.4. Chlorid sodný |
| 4.5. Mobilné fázy |
| 4.5.1. Rozpúšťadlo I |
| 0,005 M roztok monohydrátu sodnej soli kyseliny heptán-1-sulfónovej (4.2.) v metanole (4.1.) s upraveným pH na hodnotu 3,5 ľadovou kyselinou octovou (4.3.) |
| 4.5.2. Rozpúšťadlo II |
| 0,005 M roztok monohydrátu sodnej soli kyseliny heptán-1-sulfónovej (4.2.) vo vode s upraveným pH na hodnotu 3,5 ľadovou kyselinou octovou (4.3.) |
| Ak je potrebné zlepšiť tvar píkov, mobilné fázy môžu byť modifikované a pripravené takto |
| Rozpúšťadlo I – 5,84 g chloridu sodného (4.4.) a 1,1013 g monohydrátu sodnej soli kyseliny heptán-1-sulfónovej (4.2.) sa rozpustí v 100 ml vody. Pridá sa 900 ml metanolu (4.1.) a pH sa upraví na 3,5 ľadovou kyselinou octovou (4.3.). |
| Rozpúšťadlo II – 5,84 g chloridu sodného (4.4.) a 1,1013 g monohydrátu sodnej soli kyseliny heptán-1-sulfónovej (4.2.) sa rozpustí v 1 litri vody a pH sa upraví na 3,5 ľadovou kyselinou octovou (4.3.). |
| 4.6. Diisetionát hexamidínu [C20H26N4O2 . 2 C2H6O4S] |
| 4.7. Diisetionát dibrómhexamidínu [C20H24Br2N4O2 . 2 C2H6O4S] |
| 4.8. Diisetionát dibrómpropamidínu [C17H18Br2N4O2 . 2 C2H6O4S] |
| 4.9. Diacetát chlórhexidínu [C22H30Cl2N10 . 2 C2H4O2] |
| 4.10. Referenčné roztoky |
| Pripravia sa 0,05 % (m/V) roztoky každej zo štyroch konzervačných látok (4.6. až 4.9.) v rozpúšťadle I (4.5.1.). |
| 4.11. 3,4,4-trichlórkarbanilidu (triklokarbán) |
| 4.12. 4,4-dichlór-3-(trifluórmetyl)karbanilid (halokarbán) |
| 5. PRÍSTROJE A POMÔCKY |
| 5.1. Bežné laboratórne vybavenie |
| 5.2. Vysokoúčinný kvapalinový chromatograf s ultrafialovým detektorom s nastaviteľnou vlnovou dĺžkou |
| 5.3. Analytická kolóna – nehrdzavejúca oceľ, dĺžka 30 cm, vnútorný priemer 4 mm, naplnená µ-Bondapackom C18, 10 µm alebo ekvivalent, |
| 5.4. Ultrazvukový kúpeľ |
| 6. DÔKAZ |
| 6.1. Príprava vzorky |
| Do 10 ml odmernej banky sa naváži približne 0,5 g vzorky a doplní sa rozpúšťadlom I (4.5.1.) po značku. Banka sa umiestni na 10 minút do ultrazvukového kúpeľa (5.4.). Roztok sa prefiltruje alebo odstredí na centrifúge. Pre chromatografiu sa zachytáva filtrát alebo supernatant. |
| 6.2. Chromatografia |
| 6.2.1. Gradient mobilnej fázy |
| | Čas v minútach | Rozpúšťadlo I
v obj. % (4.5.1.) | Rozpúšťadlo II
v obj. % (4.5.2.) | | 0 | 50 | 50 | | 15 | 65 | 35 | | 30 | 65 | 35 | | 45 | 50 | 50 | |
| 6.2.2. Prietoková rýchlosť mobilnej fázy (6.2.1.) sa nastaví na 1,5 ml/min a teplota kolóny na 35 oC. |
| 6.2.3. Detektor sa nastaví na vlnovú dĺžku 264 nm. |
| 6.2.4. Nastrekne sa 10 µl každého z referenčných roztokov (4.10.) a zaznamenajú sa ich chromatogramy. |
| 6.2.5. Nastrekne sa 10 µl roztoku vzorky (6.1.) a zaznamená sa jej chromatogram. |
| 6.3. Porovnaním retenčného času (retenčných časov) píku (píkov) zisteného (zistených) v 6.2.5. s retenčnými časmi píkov referenčných roztokov získanými v 6.2.4. sa zistí, či je prítomný hexamidín, dibrómhexamidín, dibrómpropamidín alebo chlórhexidín. |
| 7. STANOVENIE |
| 7.1. Príprava štandardných roztokov |
| Ako vnútorný štandard sa použije jedna z konzervačných látok (4.6. až 4.9.), ktorá nie je prítomná vo vzorke. Ak to nie je možné, môžu sa použiť triklokarbán (4.11.) alebo halokarbán (4.12.). |
| 7.1.1. 0,05 % (m/V) zásobný roztok v rozpúšťadle I (4.5.1.) konzervačnej látky zistenej v 6.3 |
| 7.1.2. 0,05 % (m/V) zásobný roztok v rozpúšťadle I (4.5.1.) konzervačnej látky vybratej ako vnútorný štandard |
| 7.1.3. Pre každú identifikovanú konzervačnú látku sa pripravia 4 štandardné roztoky do série 10 ml odmerných baniek prenesením množstiev zásobného roztoku zistenej konzervačnej látky (7.1.1.) a primeraných množstiev zásobného roztoku vnútorného štandardu (7.1.2.) podľa uvedenej tabuľky. Každá banka sa doplní rozpúšťadlom I (4.5.1.) po značku a premieša sa. |
| | Štandardný roztok | Zásobný roztok
vnútorného štandardu | Zásobný roztok konzervačnej látky,
ktorej prítomnosť bola preukázaná | | | pridá sa (7.1.2.) ml | pridá sa (7.1.1.) ml | μg/ml*) | | I | 1,0 | 0,5 | 25 | | II | 1,0 | 1,0 | 50 | | III | 1,0 | 1,5 | 75 | | IV | 1,0 | 2,0 | 100 | |
| *) Tieto hodnoty sú uvedené pre usmernenie a zodpovedajú koncentráciám identifikovanej konzervačnej látky v štandardných roztokoch pripravených zriedením zásobného roztoku, ktorý obsahuje presne 0,05 % identifikovanej konzervačnej látky. |
| 7.2. Príprava vzorky |
| 7.2.1. Do 10 ml odmernej banky sa presne naváži približne 0,5 g (p v gramoch) vzorky, pridá sa 1 ml roztoku vnútorného štandardu (7.1.2.) a 6 ml rozpúšťadla I (4.5.1.) a premieša sa. |
| 7.2.2. Banka sa umiestni na 10 minút do ultrazvukového kúpeľa (5.4.), ochladí sa, doplní sa rozpúšťadlom I po značku a premieša sa. Odstredí sa na centrifúge alebo sa prefiltruje cez skladaný filtračný papier. Pre chromatografiu sa zachytáva supernatant alebo filtrát. |
| 7.3. Chromatografia |
| 7.3.1. Gradient mobilnej fázy, prietoková rýchlosť, teplota kolóny a vlnová dĺžka detektora príslušenstva HPLC (5.2.) sa nastavia na hodnoty, aké boli požadované (6.2.1. až 6.2.3.). |
| 7.3.2. Nastrekne sa 10 µl roztoku vzorky (7.2.2.) a meria sa plocha píkov. Tento postup sa opakuje s ďalšou 10 µl alikvotnou časťou roztoku vzorky, kým sa nedosiahnu zhodné výsledky. Vypočíta sa pomer plochy píku vytváraného analyzovanou zlúčeninou k ploche píku vytváraného vnútorným štandardom. |
| 7.4. Kalibrácia |
| 7.4.1. Nastrekne sa 10 µl každého zo štandardných roztokov (7.1.3.) a merajú sa plochy píkov. |
| 7.4.2. Pre každý štandardný roztok (7.1.3.) sa vypočíta pomer plochy píku hexamidínu, dibrómhexamidínu, dibrómpropamidínu alebo chlórhexidínu k ploche píku vnútorného štandardu. Nanesením týchto pomerov na os y a zodpovedajúcich koncentrácií zistenej konzervačnej látky v mg na mililiter na os x sa zostrojí kalibračná krivka. |
| 7.4.2. Z kalibračnej krivky (7.4.2.) sa odčíta koncentrácia identifikovanej konzervačnej látky zodpovedajúca pomeru plochy píkov vypočítanej v 7.3.2. |
| 8. VÝPOČET |
| Obsah hexamidínu, dibrómhexamidínu, dibrómpropamidínu alebo chlórhexidínu vo vzorke v hmotnostných percentách sa vypočíta podľa vzorca |
| .png)
|
| kde |
| | p | je hmotnosť vzorky odobratej na analýzu (7.2.1.) v gramoch, | | c | je koncentrácia konzervačnej látky v roztoku vzorky odčítaná z kalibračnej krivky v mikrogramoch na mililiter, | | Mw1 | je molekulová hmotnosť základnej formy prítomnej konzervačnej látky, | | Mw2 | je molekulová hmotnosť príslušnej soli podľa 10. – tabuľka. | |
| 9. OPAKOVATEĽNOSŤ2) |
| Pre obsah hexamidínu, dibrómhexamidínu, dibrómpropamidínu alebo chlórhexidínu 0,1 % (hmot.) nesmie rozdiel medzi výsledkami dvoch paralelne uskutočnených stanovení na tej istej vzorke presiahnuť 0,005 % (hmot.). |
| 10. TABUĽKA MOLEKULOVÝCH HMOTNOSTÍ |
| | Hexamidín | C20H26N4O2 | 354,45 | | Diisetionát hexamidínu | C20H26N4O2 • 2C2H6O4S | 606,72 | | Di-p-hydroxybenzoát hexamidínu | C20H26N4O2 • 2C7H6O3 | 630,71 | | Dibrómhexamidín | C20H24Br2N4O2 | 512,24 | | Diisetionát dibrómhexamidínu | C20H24Br2N4O2 • 2C2H6O4S | 764,51 | | Dibrómpropamidín | C17H18Br2N4O2 | 470,18 | | Diisetionát dibrómpropamidínu | C17H18Br2N4O2 • 2C2H6O4S | 722,43 | | Chlórhexidín | C22H30Cl2N10 | 505,45 | | Diacetát chlórhexidínu | C22H30Cl2N10 • 2C2H4O2 | 625,56 | | Diglukonát chlórhexidínu | C22H30Cl2N10 • 2C6H12O7 | 897,76 | | Dihydrochlorid chlórhexidínu | C22H30Cl2N10 • 2HCl | 578,37 | |
| 36. DÔKAZ A STANOVENIE KYSELINY BENZOOVEJ, KYSELINY 4-HYDROXYBENZOOVEJ, KYSELINY SORBOVEJ, KYSELINY SALICYLOVEJ A KYSELINY PROPIÓNOVEJ |
| (Podľa smernice Komisie 95/32/ES zo 7. júla 1995) |
| 1. ROZSAH A OBLASŤ POUŽITIA |
| Táto metóda je použiteľná na dôkaz a stanovenie kyseliny benzoovej, kyseliny 4-hydroxybenzoovej, kyseliny sorbovej, kyseliny salicylovej a kyseliny propiónovej v kozmetických výrobkoch. Samostatné postupy opisujú dôkaz týchto konzervačných látok, a to stanovenie kyseliny propiónovej, kyseliny 4-hydroxybenzoovej, kyseliny salicylovej, kyseliny sorbovej a kyseliny benzoovej. |
| 2. DEFINÍCIA |
| Množstvá kyseliny benzoovej, kyseliny 4-hydroxybenzoovej, kyseliny salicylovej, kyseliny sorbovej a kyseliny propiónovej stanovené touto metódou sa vyjadrujú ako hmotnostné percentá voľných kyselín. |
| A. DÔKAZ |
| 1. PRINCÍP |
| Po acidobázickej extrakcii konzervačných látok sa extrakt následne analyzuje tenkovrstvovou chromatografiou (TLC) a reakčnou chromatografiou (derivatizácia na platni). Podľa výsledkov sa identifikácia potvrdí vysokoúčinnou kvapalinovou chromatografiou (HPLC) alebo v prípade kyseliny propiónovej plynovou chromatografiou (GC). |
| 2. ČINIDLÁ |
| 2.1. Všetky činidlá musia byť analyticky čisté. Použitá voda musí byť destilovaná alebo minimálne voda rovnocennej čistoty. |
| 2.2. Acetón |
| 2.3. Dietyléter |
| 2.4. Acetonitril |
| 2.5. Toluén |
| 2.6. n-hexán |
| 2.7. Parafínový olej |
| 2.8. Kyselina chlorovodíková, 4 M |
| 2.9. Hydroxid draselný, vodný roztok, 4 M |
| 2.10. Chlorid vápenatý, CaCl2 . 2H2O |
| 2.11. Uhličitan lítny, Li2CO3 |
| 2.12. 2-bróm-2-acetonaftón |
| 2.13. Kyselina 4-hydroxybenzoová |
| 2.14. Kyselina salicylová |
| 2.15. Kyselina benzoová |
| 2.16. Kyselina sorbová |
| 2.17. Kyselina propiónová |
| 2.18. Referenčné roztoky |
| Pripravia sa 0,1 % (m/V) roztoky (100 mg/100 ml) každej z piatich konzervačných látok (2.13. až 2.17.) v dietyléteri |
| 2.19. Derivatizačné činidlo |
| 0,5 % (m/V) roztok 2-bróm-2-acetonaftónu (2.12.) v acetonitrile (2.4.) (50 mg/10 ml) – tento roztok sa musí pripravovať každý týždeň čerstvý a musí sa uskladňovať v chladničke. |
| 2.20. Roztok katalyzátora |
| 0,3 % (m/V) roztok uhličitanu lítneho (2.11.) vo vode (300 mg/100 ml) – tento roztok sa musí vždy pripravovať čerstvý. |
| 2.21. Vyvíjací roztok |
| Toluén (2.5.)/acetón (2.2.) v objemových dieloch 20 : 0,5 |
| 2.22. Kvapalný parafín (2.7.)/n-hexán (2.6.) v objemových dieloch 1 : 2 |
| 3. PRÍSTROJE A POMÔCKY |
| Bežné laboratórne pomôcky |
| 3.1. Vodný kúpeľ s možnosťou nastavenia teploty na 60 oC |
| 3.2. Vyvíjacia komora |
| 3.3. Zdroj ultrafialového svetla, 254 a 366 nm |
| 3.4. Platne na tenkovrstvovú chromatografiu (TLC) potiahnuté silikagélom 60 bez fluorescenčného indikátora, 20 x 20 cm, hrúbka vrstvy 0,25 mm s koncentračnou zónou 2,5 x 20 cm (Merck 11845 alebo ich ekvivalent) |
| 3.5. Mikrostriekačka, 10 µl |
| 3.6. Mikrostriekačka, 25 µl |
| 3.7. Sušiareň s možnosťou nastavenia teploty do 105 oC |
| 3.8. 50 ml sklené skúmavky so skrutkovacím uzáverom |
| 3.9. Filtračný papier s priemerom 90 mm, Schleicher & Schull, Weissband č. 5892 alebo jeho ekvivalent |
| 3.10. Univerzálny pH indikátorový papier, pH 1-11 |
| 3.11. 5 ml sklené vzorkovnice |
| 3.12. Rotačná vákuová odparka (Rotavapor alebo ekvivalent) |
| 3.13. Vyhrievacia platňa (varič) |
| 4. POSTUP |
| 4.1. Príprava vzorky |
| Do 50 ml skúmavky so skrutkovacím uzáverom (3.8.) sa naváži približne 1 g vzorky. Pridajú sa štyri kvapky 4 M roztoku kyseliny chlorovodíkovej (2.8.) a 40 ml acetónu (2.2.). V prípade veľmi zásaditých výrobkov, ako napr. toaletné mydlo, sa pridá 20 kvapiek 4 M roztoku kyseliny chlorovodíkovej (2.8.). Indikátorovým papierikom (3.10.) sa skontroluje, či pH je približne 2. Skúmavka sa uzavrie a 1 minútu sa intenzívne pretrepáva. Ak je potrebné uľahčiť extrakciu konzervačných látok do acetónovej fázy, vzorka sa mierne zahrieva približne na 60 oC do roztopenia kvapalnej fázy. Roztok sa ochladí na laboratórnu teplotu a cez filtračný papier (3.9.) sa prefiltruje do kužeľovitej banky. 20 ml filtrátu sa prenesie do 200 ml kužeľovitej banky, pridá sa 20 ml vody a premieša sa. pH zmesi sa so 4 M roztokom hydroxidu draselného (2.9.) upraví približne na 10. Na meranie pH sa použije indikátorový papierik (3.10.). Pridá sa 1 g chloridu vápenatého (2.10.) a intenzívne sa pretrepe. Cez filtračný papier (3.9.) sa prefiltruje do 250 ml oddeľovacieho lievika obsahujúceho 75 ml dietyléteru (2.3.) a 1 minútu sa intenzívne pretrepáva. Nechajú sa oddeliť vrstvy a vodná vrstva sa vypustí do 250 ml kužeľovitej banky. Éterická vrstva sa vyleje. Pomocou indikátorového papiera (3.10.) sa 4 M roztokom kyseliny chlorovodíkovej (2.8.) upraví pH vodného roztoku približne na 2. Pridá sa 10 ml dietyléteru (2.3.), banka sa uzavrie a 1 minútu sa intenzívne pretrepáva. Nechajú sa oddeliť vrstvy a éterická vrstva sa prenesie do odparovacieho zariadenia (3.12.). Vodná vrstva sa vyleje. Éterická vrstva sa odparí takmer do sucha a zvyšok sa znova rozpustí v 1 ml dietyléteru (2.3.). Roztok sa prenesie do sklenej vzorkovnice (3.11.). |
| 4.2. Tenkovrstvová chromatografia |
| Pre každý štandard a vzorku, ktoré majú byť nanesené na tenkovrstvovú platňu, sa na štartovaciu čiaru v koncentračnej zóne TLC platne (3.4.) striekačkou (3.5.) nanesie v rovnakej vzdialenosti približne 3 µl roztoku uhličitanu lítneho (2.20.) a platnička sa vysuší v prúde studeného vzduchu. TLC platňa sa prenesie na vyhrievaciu platňu (3.13.) vyhriatu na 40 oC, aby sa pri nanášaní udržali čo najmenšie škvrny. Mikrostriekačkou (3.5.) sa na štartovaciu čiaru platne presne na miesta, kde boli nanesené škvrny roztoku uhličitanu lítneho, nanesie 10 ml každého roztoku štandardu (2.18.) a roztoku vzorky (4.1.). Nakoniec sa nanesie približne 15 ml derivatizačného činidla (2.19.) (roztoku 2-bróm-2-acetonaftónu), opäť presne na miesta, kde boli nanesené škvrny roztokov štandardov/vzorky a roztoku uhličitanu lítneho. TLC platňa sa zohreje v sušiarni (3.7.) na 80 C 45 minút. Po ochladení sa platňa vyvíja v komore (3.2.) nasycovanej počas 15 minút (bez použitia vložky z filtračného papiera) rozpúšťadlom 2.21. (toluén/acetón), kým čelo rozpúšťadla nedosiahne vzdialenosť 15 cm od štartu (to môže trvať približne 80 minút). Platňa sa vysuší v prúde studeného vzduchu a získané škvrny sa vyšetria pod ultrafialovým svetlom (3.3.). Na zvýšenie fluorescencie slabých škvŕn sa TLC platňa môže ponoriť do zmesi kvapalného parafínu a n-hexánu (2.22.). |
| 5. DÔKAZ |
| Vypočítajú sa hodnoty Rf pre každú škvrnu. Porovnajú sa hodnoty Rf a správanie pri ožiarení ultrafialovým svetlom, pozorované pri škvrnách získaných zo vzorky so škvrnami a z roztokov štandardov. Vyvodia sa predbežné závery o prítomnosti a identite prítomných konzervačných látok. Uskutoční sa identifikácia pomocou HPLC podľa časti B, alebo ak sa ukazuje, že je prítomná kyselina propiónová, pomocou GC podľa časti C. Získané retenčné časy sa porovnajú s časmi získanými pri roztokoch štandardov. Výsledky TLC a HPLC alebo GC sa spoja a konečný dôkaz prítomnosti konzervačných látok vo vzorke vychádza z kombinácie výsledkov. |
| B. STANOVENIE KYSELINY BENZOOVEJ, KYSELINY 4-HYDROXYBENZOOVEJ, KYSELINY SORBOVEJ A KYSELINY SALICYLOVEJ |
| 1. PRINCÍP |
| Po okyslení sa vzorka extrahuje zmesou etanolu a vody. Po filtrácii sa konzervačné látky následne stanovia vysokoúčinnou kvapalinovou chromatografiou (HPLC). |
| 2. ČINIDLÁ |
| 2.1. Všetky činidlá musia byť analyticky čisté, a ak je to potrebné, vhodné na HPLC. Použitá voda musí byť destilovaná alebo minimálne voda rovnocennej čistoty. |
| 2.2. Etanol, absolútny |
| 2.3. Kyselina 4-hydroxybenzoová |
| 2.4. Kyselina salicylová |
| 2.5. Kyselina benzoová |
| 2.6. Kyselina sorbová |
| 2.7. Octan sodný, CH3COONa . 3 H2O |
| 2.8. Kyselina octová, d204= 1,05 g/ml |
| 2.9. Acetonitril |
| 2.10. Kyselina sírová, 2 M |
| 2.11. Hydroxid draselný, vodný roztok, 0,2 M |
| 2.12. Kyselina 2-metoxybenzoová |
| 2.13. Zmes etanol/voda – zmieša sa deväť objemových dielov etanolu (2.2.) a 1 objemový diel vody (2:1). |
| 2.14. Roztok vnútorného štandardu – pripraví sa roztok obsahujúci približne 1 g kyseliny 2-metoxybenzoovej (2.12.) v 500 ml zmesi etanol/voda (2.13.). |
| 2.15. Mobilná fáza na HPLC |
| 2.15.1. Octanový tlmivý roztok |
| 6,35 g octanu sodného (2.7.) a 20 ml kyseliny octovej (2.8.) sa pridá k 1 000 ml vody a premieša sa. |
| 2.15.2. Mobilná fáza |
| Pripraví sa zmiešaním 9 objemových dielov octanového tlmivého roztoku (2.15.1.) a 1 objemového dielu acetonitrilu (2.9.). |
| 2.16. Zásobný roztok konzervačných látok |
| Do 50 ml odmernej banky sa presne naváži približne 0,05 g kyseliny 4-hydroxybenzoovej (2.3.), 0,2 g kyseliny salicylovej (2.4.), 0,2 g kyseliny benzoovej (2.5.), 0,05 g kyseliny sorbovej (2.6.) a doplní sa po značku zmesou etanol/voda (2.13.). Roztok je stály 1 týždeň a uskladňuje sa v chladničke. |
| 2.17. Štandardné roztoky konzervačných látok |
| Do série 20 ml odmerných baniek sa prenesie jednotlivo 8, 4, 2, 1 a 0,5 ml zásobného roztoku (2.16.). Do každej banky sa pridá po 10 ml roztoku vnútorného štandardu (2.14.) a 0,5 ml 2 M roztoku kyseliny sírovej (2.10.). Doplní sa po značku zmesou etanol/voda (2.13.). Tieto roztoky sa musia pripravovať čerstvé. |
| 3. PRÍSTROJE A POMÔCKY |
| Ak nie je uvedené inak, bežné laboratórne vybavenie. |
| 3.1. Vodný kúpeľ nastavený na 60 oC |
| 3.2. Vysokoúčinný kvapalinový chromatograf s nastaviteľným ultrafialovým detektorom a s 10 µl dávkovacou slučkou |
| 3.3. Analytická kolóna z nehrdzavejúcej ocele, dlhá 12,5 až 25 cm, s vnútorným priemerom 4,6 mm, s náplňou Nucleosil 5C18 alebo ekvivalentnou |
| 3.4. Filtračný papier s priemerom 90 mm, Schleicher & Schull, Weissband č. 5892 alebo jeho ekvivalent |
| 3.5. 50 ml sklené skúmavky so skrutkovacím uzáverom |
| 3.6. 5 ml sklené vzorkovnice |
| 3.7. Varné kamienky, karborundové, s rozmerom 2 až 4 mm alebo ich ekvivalent |
| 4. POSTUP |
| 4.1. Príprava vzorky |
| 4.1.1. Príprava vzorky bez prídavku vnútorného štandardu |
| Do 50 ml skúmavky so skrutkovacím uzáverom (3.5.) sa naváži 1 g vzorky. Do skúmavky sa pipetou pridá 1 ml 2 M roztoku kyseliny sírovej (2.10.) a 40 ml zmesi etanol/voda (2.13.). Pridá sa približne 1 g varných kamienkov (3.7.), skúmavka sa uzavrie a intenzívne sa pretrepáva aspoň 1 minútu, kým sa nezíska homogénna suspenzia. Na uľahčenie extrakcie konzervačných látok do etanolickej fázy sa skúmavka umiestni presne na 5 minút do vodného kúpeľa (3.1.) udržiavaného na 60 oC. Skúmavka sa ihneď ochladí pod prúdom studenej vody a extrakt sa uskladní na 1 hodinu pri teplote 5 oC. Extrakt sa prefiltruje cez filtračný papier (3.4.). Približne 2 ml extraktu sa prenesie do sklenej vzorkovnice (3.6.). Extrakt sa uschováva pri teplote 5 oC a HPLC stanovenie sa uskutoční do 24 hodín od jeho prípravy (4.1.2.). |
| 4.1.2. Príprava vzorky s prídavkom vnútorného štandardu |
| Do 50 ml skúmavky so skrutkovacím uzáverom (3.5.) sa naváži s presnosťou na 3 desatinné miesta 1 0,1 g (a v gramoch) vzorky. Pipetou sa pridá 1 ml 2 M roztoku kyseliny sírovej (2.10.) a 30 ml zmesi etanol/voda (2.13.). Pridá sa približne 1 g varných kamienkov (3.7.) a 10 ml roztoku vnútorného štandardu (2.14.). Skúmavka sa uzavrie a intenzívne sa pretrepáva aspoň 1 minútu, kým sa nezíska homogénna suspenzia. Na uľahčenie extrakcie konzervačných látok do etanolickej fázy sa skúmavka umiestni presne na 5 minút do vodného kúpeľa (3.1.) udržiavaného na 60 oC. Skúmavka sa ihneď ochladí pod prúdom studenej vody a extrakt sa uskladní na 1 hodinu pri teplote 5 oC. Extrakt sa prefiltruje cez filtračný papier (3.4.). Približne 2 ml extraktu sa prenesú do sklenej vzorkovnice (3.6.). Extrakt sa uschováva pri teplote 5 oC a HPLC stanovenie sa uskutoční do 24 hodín od jeho prípravy. |
| 4.2. Vysokoúčinná kvapalinová chromatografia |
| Mobilná fáza |
| Acetonitril/octanový tlmivý roztok (2.15.) |
| Prietoková rýchlosť mobilnej fázy cez kolónu sa nastaví na 2,0 ± 0,5 ml/minútu. |
| Detektor sa nastaví na vlnovú dĺžku 240 nm. |
| 4.2.1. Kalibrácia |
| Do kvapalinového chromatografu (3.2.) sa nadávkuje 10 µl dávky každého zo štandardných roztokov konzervačných látok (2.17.). Pre každý roztok sa stanoví pomer výšky píku skúmanej konzervačnej látky k výške píku vnútorného štandardu, získaných z chromatogramov. Pre každú konzervačnú látku sa zostrojí graf závislosti výšky píku od koncentrácie každého štandardného roztoku. Overí sa, či sa pre štandardné roztoky postupom pre kalibráciu získala lineárna závislosť. |
| 4.2.2. Stanovenie |
| Do kvapalinového chromatografu (3.2.) sa nadávkuje 10 µl extraktu vzorky (4.1.1.) a zaznamená sa chromatogram. Nadávkuje sa 10 ml štandardného roztoku konzervačnej látky (2.17.) a zaznamená sa chromatogram. Získané chromatogramy sa porovnajú. Ak sa na chromatografe extraktu vzorky (4.1.1.) neobjaví žiadny pík s približne rovnakým retenčným časom, ako má kyselina 2-metoxybenzoová (odporúčaný vnútorný štandard), nadávkuje sa 10 ml extraktu vzorky s prídavkom vnútorného štandardu (4.1.2.) a zaznamená sa chromatogram. Ak sa v chromatograme extraktu vzorky (4.1.1.) pozoruje rušiaci pík s rovnakým retenčným časom, ako má kyselina 2-metoxybenzoová, vyberie sa iný vhodný vnútorný štandard. (Ak sa pík pre jednu zo skúmaných konzervačných látok nenachádza v chromatograme, táto konzervačná látka sa použije ako vnútorný štandard.) Overí sa, či chromatogramy získané pre roztok štandardu a roztok vzorky spĺňajú požiadavku, že rozlíšenie píkov najhoršie oddeleného páru musí byť aspoň 0,9 (obrázok č. 1). |
| Obrázok č. 1: Vymedzenie rozlíšenia píkov |
| .png)
|
| Ak sa nedosiahne požadované oddelenie píkov, použije sa účinnejšia kolóna alebo sa upraví zloženie mobilnej fázy, až kým sa nesplní požiadavka, že koeficient asymetrie A všetkých získaných píkov sa musí pohybovať medzi 0,9 až 1,5 (obrázok č. 2). Na zaznamenanie chromatogramu na stanovenie koeficienta asymetrie sa odporúča rýchlosť zapisovača aspoň 2 cm/minútu. |
| Obrázok č. 2: Vymedzenie koeficienta asymetrie píku |
| (musí sa získať vyrovnaná základná čiara – „base line“) |
| .png)
|
| 5. VÝPOČET |
| Na výpočet koncentrácie kyslých konzervačných látok v roztoku vzorky sa použijú pomery výšok píkov skúmaných konzervačných látok k výške píku kyseliny 2-metoxybenzoovej (vnútorného štandardu) a kalibračnej krivky. Obsah kyseliny benzoovej, kyseliny 4-hydroxybenzoovej, kyseliny sorbovej alebo kyseliny salicylovej vo vzorke sa v hmotnostných precentách (xi) vypočíta podľa vzorca |
| .png)
|
| kde |
| a je hmotnosť skúšobnej vzorky v gramoch (4.1.2.), |
| b je koncentrácia v mikrogramoch na mililiter konzervačnej látky v extrakte vzorky (4.1.2.) získaná z kalibračnej krivky. |
| 6. OPAKOVATEĽNOSŤ2) |
| Pri obsahu kyseliny 4-hydroxybenzoovej 0,40 % nesmie rozdiel medzi výsledkami dvoch paralelne uskutočnených stanovení na tej istej vzorke presiahnuť v absolútnej hodnote 0,035 %. |
| Pri obsahu kyseliny benzoovej 0,50 % nesmie rozdiel medzi výsledkami dvoch paralelne uskutočnených stanovení na tej istej vzorke presiahnuť v absolútnej hodnote 0,050 %. |
| Pri obsahu kyseliny salicylovej 0,50 % nesmie rozdiel medzi výsledkami dvoch paralelne uskutočnených stanovení na tej istej vzorke presiahnuť v absolútnej hodnote 0,045 %. |
| Pri obsahu kyseliny sorbovej 0,60 % nesmie rozdiel medzi výsledkami dvoch paralelne uskutočnených stanovení na tej istej vzorke presiahnuť v absolútnej hodnote 0,035 %. |
| 7. POZNÁMKY |
| 7.1. Výsledky testu nehomogenity uskutočneného na tejto metóde ukazujú, že množstvo kyseliny sírovej pridanej do extraktu kyselín zo vzorky je kritické a ohraničenia pre množstvo spracovanej vzorky sa musia udržať v predpísaných medziach. |
| 7.2. Ak je to žiaduce, použije sa primeraná predkolóna. |
| C. STANOVENIE KYSELINY PROPIÓNOVEJ |
| 1. ROZSAH A OBLASŤ POUŽITIA |
| Táto metóda je vhodná na stanovenie kyseliny propiónovej s maximálnou koncentráciou 2 % (hmot.) v kozmetických výrobkoch. |
| 2. DEFINÍCIA |
| Koncentrácia kyseliny propiónovej stanovená touto metódou sa vyjadrí v hmotnostných percentách v kozmetickom výrobku. |
| 3. PRINCÍP |
| Stanovenie kyseliny propiónovej sa po extrakcii z výrobku následne uskutoční prostredníctvom plynovej chromatografie s využitím kyseliny 2-metylpropiónovej ako vnútorného štandardu. |
| 4. ČINIDLÁ |
| Všetky činidlá musia byť analyticky čisté, musí byť použitá destilovaná voda alebo minimálne voda rovnocennej čistoty. |
| 4.1. Etanol, 96 % (obj.) |
| 4.2. Kyselina propiónová |
| 4.3. Kyselina 2-metylpropiónová |
| 4.4. Kyselina trihydrogenfosforečná, 10 % (m/V) |
| 4.5. Roztok kyseliny propiónovej |
| Do 50 ml odmernej banky sa presne naváži približne 1 g (p v gramoch) kyseliny propiónovej a doplní sa etanolom (4.1.) po značku. |
| 4.6. Roztok vnútorného štandardu |
| Do 50 ml odmernej banky sa presne naváži približne 1 g (e v gramoch) kyseliny 2-metylpropiónovej a doplní sa po značku etanolom (4.1.). |
| 5. PRÍSTROJE A POMÔCKY |
| 5.1. Bežné laboratórne vybavenie |
| 5.2. Plynový chromatograf s plameňovo-ionizačným detektorom |
| 5.3. Sklená skúmavka (20 x 150 mm) so skrutkovacím uzáverom |
| 5.4. Vodný kúpeľ pri 60 oC |
| 5.5. 10 ml sklená striekačka s membránovým filtrom (priemer pórov: 0,45 µm) |
| 6. POSTUP |
| 6.1. Príprava vzorky |
| 6.1.1. Príprava vzorky bez vnútorného štandardu |
| Do sklenej skúmavky (5.3.) sa naváži približne 1 g vzorky. Pridá sa 0,5 ml roztoku kyseliny fosforečnej (4.4.) a 9,5 ml etanolu (4.1.). Skúmavka sa uzavrie a intenzívne sa pretrepe. Ak je to potrebné, umiestni sa na 5 minút do vodného kúpeľa zahriateho na 60 oC (5.4.), aby sa úplne rozpustila tuková vrstva. Rýchlo sa ochladí pod tečúcou vodou. Časť roztoku sa prefiltruje cez membránový filter (5.5.). Filtrát sa chromatografuje v ten istý deň. |
| 6.1.2. Príprava vzorky s vnútorným štandardom |
| Do sklenej skúmavky (5.3.) sa naváži s presnosťou na tri desatinné miesta 1 0,1 g (a v gramoch) vzorky. Pridá sa 0,5 ml roztoku kyseliny fosforečnej (4.4.), 0,5 ml roztoku vnútorného štandardu (4.5.) a 9 ml etanolu (4.1.). Skúmavka sa uzavrie a intenzívne sa pretrepe. Ak je to potrebné, umiestni sa na 5 minút do vodného kúpeľa zahriateho na 60 oC (5.4.), aby sa rozpustila tuková vrstva. Rýchlo sa ochladí pod tečúcou vodou. Časť roztoku sa prefiltruje cez membránový filter (5.5.). Filtrát sa chromatografuje v ten istý deň. |
| 6.2. Podmienky pre plynovú chromatografiu |
| Odporúčané sú tieto podmienky na meranie |
| | Kolóna | | | Typ | nehrdzavejúca oceľ | | Dĺžka | 2 m | | Priemer | 3 mm | | Náplň | 10 % SPTM 1000 (alebo ekvivalent) + 1 % H3PO4 na Chromosorbe WAW 100 až 120 mesh | |
| | Teplota | | | Dávkovač | 200 oC | | Kolóna | 120 oC | | Detektor | 200 oC | | Nosný plyn | dusík | | Prietoková rýchlosť | 25 ml/min | |
| 6.3. Chromatografia |
| 6.3.1. Kalibrácia |
| Do série 20 ml odmerných baniek sa pipetou prenesie jednotlivo 0,25, 0,5, 1, 2 a 4 ml roztoku kyseliny propiónovej (4.5.). Do každej odmernej banky sa pipetou prenesie po 1 ml roztoku vnútorného štandardu (4.6.), doplní sa po značku etanolom (4.1.) a premieša sa. Takto pripravené roztoky obsahujú e mg/ml kyseliny 2-metylpropiónovej ako vnútorného štandardu (čo predstavuje 1 mg/ml, ak e = 1 000) a p/4, p/2, p, 2p a 4p mg/ml kyseliny propiónovej (čo predstavuje 0,25, 0,5, 1, 2 a 4 mg/ml, ak p = 1 000). Nadávkuje sa 1 µl každého z týchto roztokov a nanesením pomeru hmotnosti kyseliny propiónovej/kyseliny 2-metylpropiónovej na os x a pomeru zodpovedajúcich plôch píkov na os y sa získa kalibračná krivka. Vykonajú sa 3 vstreknutia každého roztoku a vypočíta sa pomer priemernej plochy píku. Každý roztok sa nadávkuje trikrát a vypočíta sa priemerný pomer plochy píku. |
| 6.3.2. Stanovenie |
| Nadávkuje sa 1 ml filtrátu vzorky (6.1.1.). Chromatogram sa porovná s chromatogramom jedného zo štandardných roztokov (6.3.1.). Ak má pík približne rovnaký retenčný čas ako kyselina 2-metylpropiónová, použije sa iný vnútorný štandard. Ak sa nepozoruje pík rušiaci stanovenie, nadávkuje sa 1 µl filtrátu vzorky (6.1.2.) a zmerajú sa plochy píku kyseliny propiónovej a píku vnútorného štandardu. |
| 7. VÝPOČTY |
| 7.1. Z kalibračnej krivky získanej v 6.3.1. sa získa pomer hmotnosti (K) zodpovedajúci ploche píkov, vypočítaný v 6.3.2. |
| 7.2. Z takto získaného pomeru hmotnosti sa vypočíta obsah kyseliny propiónovej vo vzorke ako hmotnostné percento podľa vzorca |
| .png)
|
| kde |
| K je pomer vypočítaný podľa 7.1., |
| e je hmotnosť vnútorného štandardu v gramoch (podľa 4.6.), |
| a je hmotnosť vzorky v gramoch podľa 6.1.2. |
| Výsledky sa zaokrúhlia na jedno desatinné miesto. |
| 8. OPAKOVATEĽNOSŤ2) |
| Pri obsahu kyseliny propiónovej 2 % (hmot.) nesmie rozdiel medzi výsledkami dvoch paralelne uskutočnených stanovení na tej istej vzorke presiahnuť 0,12 %. |
| 37. DÔKAZ A STANOVENIE HYDROCHINÓNU, MONOMETYLÉTERU HYDROCHINÓNU, MONOETYLÉTERU HYDROCHINÓNU A MONOBENZYLÉTERU HYDROCHINÓNU |
| (Podľa smernice Komisie 95/32/ES zo 7. júla 1995) |
| A. DÔKAZ |
| 1. ROZSAH A OBLASŤ POUŽITIA |
| Metóda opisuje detekciu a dôkaz hydrochinónu, monometyléteru hydrochinónu, monoetyléteru hydrochinónu a monobenzyléteru hydrochinónu (monobenzónu) v kozmetických výrobkoch na zosvetľovanie pokožky. |
| 2. PRINCÍP |
| Hydrochinón a jeho étery sa dokazujú tenkovrstvovou chromatografiou (TLC). |
| 3. ČINIDLÁ |
| Všetky činidlá musia byť analyticky čisté. |
| 3.1. Etanol, 96 % (obj.) |
| 3.2. Chloroform |
| 3.3. Dietyléter |
| 3.4. Vyvíjacia rozpúšťadlová zmes |
| Chloroform/dietyléter v objemových dieloch 66 : 33 |
| 3.5. Amoniak, 25 % vodný roztok (hmot.), d204= 0,91 g/ml |
| 3.6. Kyselina askorbová |
| 3.7. Hydrochinón |
| 3.8. Monometyléter hydrochinónu |
| 3.9. Monoetyléter hydrochinónu |
| 3.10. Monobenzyléter hydrochinónu (monobenzón) |
| 3.11. Referenčné roztoky musia byť čerstvo pripravené, sú stále jeden deň. |
| 3.11.1. Do delenej 10 ml skúmavky sa naváži 0,05 g hydrochinónu (3.7.). Pridá sa 0,25 g kyseliny askorbovej (3.6.) a 5 ml etanolu (3.1.). Pridáva sa roztok amoniaku (3.5.), kým pH nie je 10, a doplní sa do objemu 10 ml etanolom (3.1.). |
| 3.11.2. Do delenej 10 ml skúmavky sa naváži 0,05 g monometyléteru hydrochinónu (3.8.). Pridá sa 0,25 g kyseliny askorbovej (3.6.) a 5 ml etanolu (3.1.). Pridáva sa roztok amoniaku (3.5.), kým pH nie je 10, a doplní sa do objemu 10 ml etanolom (3.1.). |
| 3.11.3. Do delenej 10 ml skúmavky sa naváži 0,05 g monoetyléteru hydrochinónu (3.9.), pridá sa 0,25 g kyseliny askorbovej (3.6.), 5 ml etanolu (3.1.), roztok amoniaku (3.5.), kým pH nie je 10, a doplní do objemu 10 ml etanolom (3.1.). |
| 3.11.4. Do delenej 10 ml skúmavky sa naváži 0,05 g monobenzyléteru hydrochinónu (3.10.), pridá sa 0,25 g kyseliny askorbovej (3.6.), 5 ml etanolu (3.1.), roztok amoniaku (3.5.), kým pH nie je 10, a doplní sa do objemu 10 ml etanolom (3.1.). |
| 3.12. Dusičnan strieborný |
| 3.13. Kyselina fosforečnano-dodekamolybdénová |
| 3.14. Hexahydrát hexakyanoželezitanu draselného |
| 3.15. Hexahydrát chloridu železitého |
| 3.16. Činidlá na postriekanie chromatogramu |
| 3.16.1. Do 5 % (m/V) vodného roztoku dusičnanu strieborného (3.12.) sa pridá roztok amoniaku (3.5.), kým sa vytvorená zrazenina nerozpustí. |
| Upozornenie – tento roztok sa státím stáva explozívne nestabilný a musí sa po použití vyliať. |
| 3.16.2. 10 % (m/V) roztok kyseliny fosforečnano-dodekamolybdénovej (3.13.) v etanole (3.1.) |
| 3.16.3. Pripraví sa 1 % (m/V) vodný roztok hexakyanoželezitanu draselného (3.14.) a 2 % (m/V) vodný roztok chloridu železitého (3.15.). Tesne pred použitím sa zmiešajú rovnaké diely obidvoch roztokov. |
| 4. PRÍSTROJE A POMÔCKY |
| Bežné laboratórne vybavenie |
| 4.1. Bežné vybavenie na TLC |
| 4.2. Hotové TLC platne – silikagél GHR/UV254, 20 x 20 cm (Machery, Nagel alebo ich ekvivalent), hrúbka vrstvy 0,25 mm |
| 4.3. Ultrazvukový kúpeľ |
| 4.4. Centrifúga |
| 4.5. Ultrafialová lampa, 254 nm |
| 5. POSTUP |
| 5.1. Príprava vzorky |
| Do 10 ml delenej skúmavky sa navážia 3 g vzorky. Pridá sa 0,25 g kyseliny askorbovej (3.6.) a 5 ml etanolu (3.1.). S použitím roztoku amoniaku (3.5.) sa pH upraví na 10. Etanolom (3.1.) sa doplní do objemu 10 ml. Skúmavka sa uzavrie zátkou a 10 minút sa homogenizuje v ultrazvukovom kúpeli. Prefiltruje sa cez filtračný papier alebo sa odstredí na centrifúge pri 3 000 otáčkach/min. |
| 5.2. Chromatografia na tenkej vrstve, TLC |
| Chromatografická komora sa nasýti parami vyvíjacej rozpúšťadlovej zmesi (3.4.). Na platňu sa nanesú po 2 ml referenčných roztokov (3.11.) a 2 µl roztoku vzorky (5.1.). Vyvíja sa v tme pri laboratórnej teplote, kým čelo rozpúšťadlovej zmesi nevystúpi do vzdialenosti 15 cm od štartu. Platňa sa vyberie a nechá sa vysušiť pri laboratórnej teplote. |
| 5.3. Detekcia |
| Platňa sa pozoruje pod ultrafialovým svetlom pri 254 nm a označia sa polohy škvŕn. Platňa sa postrieka |
| – činidlom dusičnu strieborného (3.16.1.) alebo |
| – činidlom kyseliny fosforečnano-dodekamolybdénovej (3.16.2.) a zahreje sa na 120 oC, alebo |
| – roztokom hexakyanoželezitanu draselného a roztokom chloridu železitého (3.16.3.). |
| 6. DÔKAZ |
| Vypočítajú sa Rf hodnoty pre každú škvrnu. Porovnajú sa škvrny získané pre roztok vzorky so škvrnami referenčných roztokov so zreteľom na ich Rf hodnoty, farbu škvŕn pod ultrafialovým svetlom a farbu škvŕn po ich vizualizácii postriekaním činidlom. Uskutoční sa HPLC popísaná v nasledujúcej časti (B.) a porovnajú sa retenčné časy zistené pre pík(y) vzorky s retenčnými časmi píkov referenčných roztokov. Výsledky TLC a HPLC na dôkaz prítomnosti hydrochinónu alebo jeho esterov alebo hydrochinónu a jeho esterov sa skombinujú. |
| 7. POZNÁMKY |
| Za opísaných podmienok boli pozorované tieto Rf hodnoty |
| | Hydrochinón | 0,32 | | Monometyléter hydrochinónu | 0,53 | | Monoetyléter hydrochinónu | 0,55 | | Monobenzyléter hydrochinónu | 0,58 | |
| B. STANOVENIE |
| 1. ROZSAH A OBLASŤ POUŽITIA |
| Táto metóda bližšie určuje postup na stanovenie hydrochinónu, monometyléteru hydrochinónu, monoetyléteru hydrochinónu a monobenzyléteru hydrochinónu v kozmetických výrobkoch na zosvetľovanie pokožky. |
| 2. PRINCÍP |
| Za mierneho zahrievania, pri ktorom sa roztopí všetok tukový materiál, sa vzorka extrahuje zmesou voda/etanol. Stanovenie analytov vo výslednom roztoku sa uskutoční kvapalinovou chromatografiou s obrátenou fázou s ultrafialovou detekciou. |
| 3. ČINIDLÁ |
| 3.1. Všetky činidlá musia byť analyticky čisté. Použitá voda musí byť destilovaná alebo minimálne voda rovnocennej čistoty. |
| 3.2. Metanol |
| 3.3. Hydrochinón |
| 3.4. Monometyléter hydrochinónu |
| 3.5. Monoetyléter hydrochinónu |
| 3.6. Monobenzyléter hydrochinónu (monobenzón) |
| 3.7. Tetrahydrofurán kvality pre HPLC |
| 3.8. Zmes metanol/voda 1 : 1 (obj. diely). Zmieša sa 1 objemový diel vody a 1 objemový diel metanolu (3.2.). |
| 3.9. Mobilná fáza |
| Zmes tetrahydrofurán/voda 45 : 55 (obj. diely). Zmieša sa 45 objemových dielov tetrahydrofuránu (3.7.) a 55 objemových dielov vody. |
| 3.10. Referenčný roztok |
| Do 50 ml odmernej banky sa naváži 0,06 g hydrochinónu (3.3.), 0,08 g monometyléteru hydrochinónu (3.4.), 0,10 g monoetyléteru hydrochinónu (3.5.) a 0,12 g monobenzyléteru hydrochinónu (3.6.). Rozpustí sa v metanole (3.2.) a doplní sa ním po značku. Referenčný roztok sa pripraví zriedením 10 ml tohto roztoku doplnením do 50 ml zmesou voda/metanol (3.8.). Tieto roztoky musia byť čerstvo pripravené. |
| 4. PRÍSTROJE A POMÔCKY |
| Bežné laboratórne vybavenie |
| 4.1. Vodný kúpeľ s možnosťou dosiahnuť teplotu 60 oC |
| 4.2. Vysokoúčinný kvapalinový chromatograf s nastaviteľným UV detektorom a 10 µl dávkovacou slučkou |
| 4.3. Analytická kolóna |
| Chromatografická kolóna z nehrdzavejúcej ocele, dlhá 250 mm, s vnútorným priemerom 4,6 mm, naplnená Fenyl-zorbaxom (fenetylsilánom chemicky naviazaným na Zorbax SIL, na koncoch ukončeným chlórtrimetylsilánom), s veľkosťou častíc 6 mm alebo ekvivalentná kolóna. Nepoužíva sa predkolóna okrem fenylovej predkolóny alebo jej ekvivalentu. |
| 4.4. Filtračný papier s priemerom 90 mm, Schleicher and Schull, Weissband č. 5892 alebo jeho ekvivalent |
| 5. POSTUP |
| 5.1. Príprava vzorky |
| Do 50 ml odmernej banky sa naváži s presnosťou na 3 desatinné miesta 1 0,1 g (a v gramoch) vzorky. Vzorka sa disperguje v 25 ml zmesi voda/metanol (3.8.). Banka sa uzavrie a intenzívne sa pretrepáva aspoň 1 minútu, kým sa nezíska homogénna suspenzia. Banka sa umiestni do vodného kúpeľa (4.1.) zahriateho na 60 C na uľahčenie extrakcie. Banka sa ochladí a doplní sa po značku zmesou voda/metanol (3.8.). Extrakt sa prefiltruje cez filtračný papier (4.4.). HPLC stanovenie sa uskutoční do 24 hodín od prípravy extraktu. |
| 5.2. Vysokoúčinná kvapalinová chromatografia |
| Prietoková rýchlosť mobilnej fázy (3.9.) sa nastaví na 1 ml/min a detektor sa nastaví na vlnovú dĺžku 295 nm. Nadávkuje sa 10 ml roztoku vzorky získanej podľa 5.1. a zaznamená sa chromatogram. Merajú sa plochy píkov. Uskutoční sa kalibrácia podľa 5.2.3. Porovnajú sa chromatogramy získané pre vzorku a roztoky štandardov. Na výpočet koncentrácie analytov v roztoku vzorky sa použije plocha píkov a odozvové faktory (RF) vypočítané v 5.2.3. |
| 5.2.3. Kalibrácia |
| Nadávkuje sa 10 ml referenčného roztoku (3.10.) a zaznamená sa chromatogram. Dávkuje sa niekoľkokrát, kým sa nedosiahne konštantná plocha píku. Stanoví sa odozvový faktor RFi |
| .png)
|
| kde |
| pi je plocha píku hydrochinónu, monometyléteru hydrochinónu, monoetyléteru hydrochinónu alebo monobenzyléteru hydrochinónu, |
| ci je koncentrácia (g/50 ml) referenčného roztoku (3.10.) hydrochinónu, monometyléteru hydrochinónu, monoetyléteru hydrochinónu alebo monobenzyléteru hydrochinónu. |
| Overí sa, či chromatogramy získané pre roztok štandardu a roztok vzorky spĺňajú požiadavku, že rozlíšenie píkov najhoršie oddeleného páru musí byť aspoň 0,9 (obrázok č. 1). |
| Obrázok č. 1: Vymedzenie rozlíšenia píkov |
| .png)
|
| Ak sa nedosiahne požadované oddelenie píkov, použije sa účinnejšia kolóna alebo sa upraví zloženie mobilnej fázy až dovtedy, kým sa nesplní požiadavka, že koeficient asymetrie AS všetkých získaných píkov sa musí pohybovať medzi 0,9 až 1,5 (obrázok č. 2). Na zaznamenanie chromatogramu na stanovenie koeficientu asymetrie sa odporúča rýchlosť zapisovača aspoň 2 cm/minútu. |
| Obrázok č. 2: Vymedzenie koeficientu asymetrie píku (musí sa získať vyrovnaná základná čiara – „base line“) |
| .png)
|
| 6. VÝPOČET |
| Na výpočet koncentrácie analytu (analytov) vo vzorke sa použijú plochy píkov analytov. Koncentrácia analytov vo vzorke sa vypočíta ako hmotnostné percento (xi) s pomocou vzorca |
| .png)
|
| kde |
| | a | je hmotnosť vzorky v gramoch, | | bi | je plocha píku analytu i vo vzorke. | |
| 7. OPAKOVATEĽNOSŤ2) |
| 7.1. Pri obsahu hydrochinónu 2 % nesmie rozdiel medzi výsledkami dvoch paralelne uskutočnených stanovení na tej istej vzorke presiahnuť v absolútnej hodnote 0,13 %. |
| 7.2. Pri obsahu monometyléteru hydrochinónu 1 % nesmie rozdiel medzi výsledkami dvoch paralelne uskutočnených stanovení na tej istej vzorke presiahnuť v absolútnej hodnote 0,1 %. |
| 7.3. Pri obsahu monoetyléteru hydrochinónu 1 % nesmie rozdiel medzi výsledkami dvoch paralelne uskutočnených stanovení na tej istej vzorke presiahnuť v absolútnej hodnote 0,11 %. |
| 7.4. Pri obsahu monobenzyléteru hydrochinónu 1 % nesmie rozdiel medzi výsledkami dvoch paralelne uskutočnených stanovení na tej istej vzorke presiahnuť v absolútnej hodnote 0,11 %. |
| 8. REPRODUKOVATEĽNOSŤ2) |
| 8.1. Pri obsahu hydrochinónu 2 % nesmie rozdiel medzi výsledkami dvoch stanovení uskutočnených s tou istou vzorkou za rozdielnych podmienok (rôzne laboratóriá, rôzni pracovníci, rozdielne prístroje a/alebo rozdielny čas) presiahnuť v absolútnej hodnote 0,37 %. |
| 8.2. Pri obsahu monometyléteru hydrochinónu 1 % nesmie rozdiel medzi výsledkami dvoch stanovení uskutočnených s tou istou vzorkou za rozdielnych podmienok (rôzne laboratóriá, rôzni pracovníci, rozdielne prístroje a/alebo rozdielny čas) presiahnuť v absolútnej hodnote 0,21 %. |
| 8.3. Pri obsahu monoetyléteru hydrochinónu 1 % nesmie rozdiel medzi výsledkami dvoch stanovení uskutočnených s tou istou vzorkou za rozdielnych podmienok (rôzne laboratóriá, rôzni pracovníci, rozdielne prístroje a/alebo rozdielny čas) presiahnuť v absolútnej hodnote 0,19 %. |
| 8.4. Pri obsahu monobenzyléteru hydrochinónu 1 % nesmie rozdiel medzi výsledkami dvoch stanovení uskutočnených s tou istou vzorkou za rozdielnych podmienok (rôzne laboratóriá, rôzni pracovníci, rozdielne prístroje a/alebo rozdielny čas) presiahnuť v absolútnej hodnote 0,11 %. |
| 9. POZNÁMKY |
| 9.1. Ak sa zistí, že obsah hydrochinónu je podstatne vyšší ako 2 %, a vyžaduje sa presné predbežné ohodnotenie, musí sa extrakt vzorky (5.1.) zriediť na koncentráciu blízku vzorke obsahujúcej 2 % hydrochinónu a stanovenie sa zopakuje. (Na niektorých prístrojoch môže byť pri vyšších koncentráciách hydrochinónu absorbancia mimo lineárnej oblasti detektora.) |
| 9.2. Interferencie |
| Popísaná metóda umožňuje stanovenie hydrochinónu a jeho éterov v jednoduchom izokratickom prevedení. Použitie fenylovej kolóny zabezpečuje dostatočnú retenciu hydrochinónu, ktorá nemôže byť zaručená pri použití C18 kolóny a popísanej mobilnej fázy. Táto metóda je citlivá na rušiace prímesi mnohých parabénov. V takýchto prípadoch by sa stanovenie malo zopakovať s použitím sústavy inej mobilnej fázy a stacionárnej fázy. Vhodné metódy sa dajú nájsť v odkazoch 1 a 2. |
| Kolóna Zorbax ODS, 4,6 mm x 25 mm alebo jej ekvivalent |
| Teplota 36 oC |
| Prietoková rýchlosť 1,5 ml/min |
| Mobilná fáza pre |
| – Hydrochinón metanol/voda v objemových dieloch 5 : 95 |
| – Monometyléter hydrochinónu metanol/voda v objemových dieloch 30 : 70 |
| – Monobenzyléter hydrochinónu metanol/voda v objemových dieloch 80 : 206) |
| Kolóna Spherisorb S5-ODS alebo jej ekvivalent |
| Mobilná fáza voda/metanol v objemových dieloch 90 : 10 |
| Prietoková rýchlosť 1,5 ml/min |
| Tieto podmienky sú vhodné pre hydrochinón.7) |
| 38. DÔKAZ A STANOVENIE OBSAHU 2-FENOXYETANOLU, 1-FENOXYPROPÁN-2-OLU, METYL-, ETYL-, PROPYL-, BUTYL- A BENZYL- 4-HYDROXYBENZOÁTU |
| (Podľa smernice Komisie 96/45/ES z 2. júla 1996) |
| A. DÔKAZ |
| 1. ROZSAH OBLASŤ POUŽITIA |
| Táto metóda určuje postup chromatografie na tenkej vrstve (TLC), ktorý v spojení s metódou stanovenia obsahu popísanou v časti (B.) umožňuje zistiť prítomnosť 2-fenoxyetanolu, 1-fenoxypropán-2-olu, metyl 4-hydroxybenzoátu, etyl 4-hydroxybenzoátu, propyl 4-hydroxybenzoátu, butyl 4-hydroxybenzoátu a benzyl 4-hydroxybenzoátu v kozmetických výrobkoch. |
| 2. PRINCÍP |
| Konzervačné látky sa extrahujú z okyslenej vzorky kozmetického výrobku acetónom. Acetónový roztok sa po filtrácii zmieša s vodou a v alkalickom prostredí sa mastné kyseliny vyzrážajú vo forme solí vápnika. Alkalická zmes acetónu s vodou sa extrahuje dietyléterom, čím sa odstránia lipofilické látky. Po okyslení sa konzervačné látky extrahujú dietyléterom. Alikvotná časť dietyléterového extraktu sa nanesie v podobe škvŕn na tenkovrstvovú platňu pokrytú silikagélom. Po vyvolaní platne sa získaný chromatogram pozoruje v ultrafialovom svetle a zviditeľní sa pomocou Millonovho činidla. |
| 3. ČINIDLÁ |
| 3.1. Všetky činidlá musia mať analytickú čistotu. Voda musí byť destilovaná alebo musí mať aspoň rovnakú čistotu. |
| 3.2. Acetón |
| 3.3. Dietyléter |
| 3.4. n-pentán |
| 3.5. Metanol |
| 3.6. Kyselina octová, ľadová |
| 3.7. Roztok kyseliny chlorovodíkovej (HCl), 4 M |
| 3.8. Roztok hydroxidu draselného (KOH), 4 M |
| 3.9. Dihydrát chloridu vápenatého (CaCl2.2H2O) |
| 3.10. Detekčné činidlo |
| Millonovo činidlo (dusičnan ortutnatý), priemyselne vyrábaný komerčne dostupný roztok (Fluka 69820) |
| 3.11. 2-fenoxyetanol |
| 3.12. 1-fenoxypropán-2-ol |
| 3.13. Metyl 4-hydroxybenzoát (metylparabén) |
| 3.14. Etyl 4-hydroxybenzoát (etylparabén) |
| 3.15. n-propyl 4-hydroxybenzoát (propylparabén) |
| 3.16. n-butyl 4-hydroxybenzoát (butylparabén) |
| 3.17. Benzyl 4-hydroxybenzoát (benzylparabén) |
| 3.18. Referenčné roztoky |
| Pripravia sa 0,1 % (m/V) roztoky každej z referenčných látok 3.11., 3.12., 3.13., 3.14., 3.15., 3.16. a 3.17. v metanole. |
| 3.19. Vyvíjacie rozpúšťadlo |
| Zmieša sa 88 objemových dielov n-pentánu (3.4.) s 12 objemovými dielmi ľadovej kyseliny octovej (3.6.). |
| 4. PRÍSTROJE |
| Bežné laboratórne vybavenie |
| 4.1. Vodný kúpeľ schopný udržiavať teplotu 60 oC |
| 4.2. Vyvíjacia nádoba (nevystlaná filtračným papierom) |
| 4.3. Zdroj ultrafialového svetla, 254 nm |
| 4.4. Tenkovrstvové platne, 20 cm x 20 cm, vopred pokryté 0,25 mm hrubou vrstvou silikagélu 60F254, s koncentračnou zónou (Merck č. 11798, Darmstadt alebo ekvivalent) |
| 4.5. Piecka schopná udržiavať teplotu až 105 oC |
| 4.6. Horúcovzdušný sušič vlasov |
| 4.7. Vlnený maliarsky valec dlhý približne 10 cm, vonkajší priemer približne 3,5 cm |
| Hrúbka vlnenej vrstvy musí byť 2 až 3 mm. Ak treba, vlna sa zastrihne podľa poznámky 5.2. |
| 4.8. Sklené skúmavky s objemom 50 ml a so skrutkovacím uzáverom |
| 4.9. Elektrická výhrevná platňa s termostatickým regulátorom teploty, nastavenie teploty približne 80 oC |
| Horúca platňa musí byť zakrytá hliníkovou platňou s rozmermi 20 cm x 20 cm a hrúbkou asi 6 mm, vďaka ktorej sa získa rovnomerné rozloženie tepla. |
| 5. POSTUP |
| 5.1. Príprava vzorky |
| Odváži sa približne 1 g vzorky v 50 ml skúmavke so skrutkovacím uzáverom (4.8.). Pridajú sa 4 kvapky roztoku kyseliny chlorovodíkovej (3.7.) a 40 ml acetónu. V prípade silne zásaditých kozmetických výrobkov, ako je toaletné mydlo, je potrebné pridať 20 kvapiek roztoku kyseliny chlorovodíkovej. Skúmavka sa uzavrie, zmes sa pomaly ohreje približne na 60 oC, čím sa uľahčí extrakcia konzervačných látok do acetónovej fázy, a 1 minútu sa silno trasie. Zmeria sa pH roztoku lakmusovým papierikom a pomocou roztoku kyseliny chlorovodíkovej sa pH roztoku upraví na hodnotu ≤3. Znova sa 1 minútu silno trasie. Roztok sa ochladí na laboratórnu teplotu a prefiltruje sa cez filtračný papier do kužeľovej banky. 20 ml filtrátu sa prenesie do 200 ml kužeľovej banky, pridá sa 60 ml vody a premieša sa. Pomocou hydroxidu draselného (3.8.) sa pH upraví približne na hodnotu 10 a použije sa pritom lakmusový papierik. Pridá sa 1 g dihydrátu chloridu vápenatého (3.9.) a silno sa potrasie. Roztok sa prefiltruje cez filtračný papier do 250 ml separačného lievika, ktorý obsahuje 75 ml dietyléteru, a 1 minútu sa silno trasie. Počká sa, kým sa fázy oddelia, a odoberie sa vodná vrstva do 200 ml kužeľovej banky. Pomocou roztoku kyseliny chlorovodíkovej sa pH roztoku upraví približne na hodnotu 2 a použije sa pritom lakmusový papierik. Potom sa pridá 10 ml dietyléteru a 1 minútu sa silno trasie. Počká sa, kým sa fázy oddelia, a približne 2 ml z dietyléterovej vrstvy sa prenesú do vzorkovnice s objemom 5 ml. |
| 5.2. Chromatografia v tenkej vrstve (TLC) |
| TLC platňa (4.4.) sa položí na ohriatu hliníkovú platňu (4.9.). 10 µl z každého referenčného roztoku (3.18.) a 100 µl roztoku vzorky (5.1.) sa aplikuje na štartovú čiaru v koncentračnej zóne TLC platne. Ak sa to vyžaduje, je možné kvôli uľahčeniu odparovania rozpúšťadla použiť prúd vzduchu. TLC platňa sa zloží z ohrievacej platne a nechá sa vychladnúť na laboratórnu teplotu. 100 ml vyvolávacieho rozpúšťadla (3.19.) sa prenesie do vyvíjacej komory (4.2.). TLC platňa sa rýchlo vloží do nenasýtenej komory a vyvíja sa pri laboratórnej teplote dovtedy, kým čelo rozpúšťadla nedosiahne vzdialenosť asi 15 cm od štartovej čiary. Platňa sa vyberie z vyvíjacej komory a vysuší sa v prúde horúceho vzduchu pomocou horúcovzdušného sušiča na vlasy. Platňa sa preskúma v ultrafialovom svetle (4.3.) a vyznačí sa poloha škvŕn. Platňa sa zohrieva 30 minút v piecke (4.5.) pri teplote 100 oC, čím sa odstráni nadbytočná kyselina octová. Konzervačné látky sa vizualizujú na chromatograme pomocou Millonovho činidla (3.10.) tak, že sa do činidla ponorí maliarsky valec (4.7.) a prechádza sa ním po TLC platni, kým sa rovnomerne nenavlhčí. Škvrny je možné alternatívne vizualizovať opatrným kvapnutím jednej kvapky Millonovho činidla na každú zo škvŕn vyznačenú v ultrafialovom svetle. Estery kyseliny 4-hydroxybenzoovej sa objavia ako červené škvrny, 2-fenoxyetanol a 1-fenoxypropán-2-ol ako žlté škvrny. Treba poznamenať, že samotná kyselina 4-hydroxybenzoová, ktorá môže byť prítomná vo vzorkách ako konzervačná látka alebo ako produkt rozkladu parabénov, sa tiež môže javiť ako červená škvrna, pozri 7.3. a 7.4. |
| 6. DÔKAZ |
| Pre každú škvrnu sa vypočíta hodnota Rf. Škvrny získané z roztoku vzorky sa porovnajú so škvrnami získanými z referenčných roztokov vzhľadom na ich hodnoty Rf, ich správanie v ultrafialovom žiarení a farbu po vizualizácii. Sformulujú sa predbežné závery o identite konzervačných látok. Ak sa ukáže, že v roztoku sú prítomné parabény, mal by sa vykonať postup HPLC popísaný v časti (B.). Kvôli potvrdeniu prítomnosti 2-fenoxyetanolu, 1-fenoxypropán-2-olu a parabénov sa výsledky metódy chromatografie v tenkej vrstve (TLC) a metódy vysokoúčinnej kvapalinovej chromatografie (HPLC) skombinujú. |
| 7. POZNÁMKY |
| 7.1. V dôsledku toxicity Millonovho činidla je najlepšie aplikovať toto činidlo jedným z uvedených postupov. Neodporúča sa rozprašovať ho. |
| 7.2. Aj iné zlúčeniny obsahujúce hydroxylové skupiny môžu pri reakcii s Millonovým činidlom dávať farebnú reakciu. Tabuľku farieb a hodnôt Rf získaných TLC postupom pre niektoré konzervačné látky je možné nájsť v publikácii.8) |
| 7.3. Hodnoty Rf, uvedené v nasledujúcej tabuľke, slúžia ako indikácia hodnôt, ktoré je možné získať. |
| | Zlúčenina | Rf | Farba | | Kyselina 4-hydroxybenzoová | 11 | červená | | Metylparabén | 12 | červená | | Etylparabén | 17 | červená | | Propylparabén | 21 | červená | | Butylparabén | 26 | červená | | Benzylparabén | 16 | červená | | 2-fenoxyetanol | 29 | žltá | | 1 -fenoxypropán-2-ol | 50 | žltá | |
| 7.4. Medzi kyselinou 4-hydroxybenzoovou a metylparabénom alebo medzi benzylparabénom a etylparabénom nepríde k separácii. Prítomnosť týchto zlúčením by sa mala potvrdiť pomocou metódy HPLC popísanej v časti (B.) a porovnaním retenčných časov vzorky s retenčnými časmi štandardných roztokov. |
| B. STANOVENIE |
| 1. ROZSAH A OBLASŤ POUŽITIA |
| Táto metóda určuje postup stanovenia 2-fenoxyetanolu, 1-fenoxypropán-2-olu, metyl 4-hydroxybenzoátu, etyl 4-hydroxybenzoátu, propyl 4-hydroxybenzoátu, butyl 4-hydroxybenzoátu a benzyl 4-hydroxybenzoátu v kozmetických výrobkoch. |
| 2. DEFINÍCIA |
| Množstvá konzervačných látok stanovené touto metódou sú vyjadrené v hmotnostných percentách. |
| 3. PRINCÍP |
| Vzorka sa okyslí pridaním kyseliny sírovej a potom sa rozptýli v zmesi etanolu a vody. Po pomalom ohriatí tejto zmesi na teplotu, pri ktorej sa roztopí fáza lipidov, čím sa podporí kvantitatívna extrakcia, sa zmes prefiltruje. Množstvo konzervačných látok vo filtráte sa stanoví metódou HPLC s obrátenou fázou, pričom ako vnútorný štandard sa použije izopropyl 4-hydroxybenzoát. |
| 4. ČINIDLÁ |
| 4.1. Všetky činidlá musia byť analyticky čisté a podľa potreby musia byť vhodné pre metódu HPLC, voda musí byť destilovaná alebo musí mať aspoň rovnakú čistotu. |
| 4.2. Etanol, absolútny |
| 4.3. 2-fenoxyetanol |
| 4.4. 1-fenoxypropán-2-ol |
| 4.5. Metyl 4-hydroxybenzoát (metylparabén) |
| 4.6. Etyl 4-hydroxybenzoát (etylparabén) |
| 4.7. n-propyl 4-hydroxybenzoát (propylparabén) |
| 4.8. Izopropyl-4-hydroxybenzoát (izopropylparabén) |
| 4.9. n-butyl 4-hydroxybenzoát (butylparabén) |
| 4.10. Benzyl 4-hydroxybenzoát (benzylparabén) |
| 4.11. Tetrahydrofurán |
| 4.12. Metanol |
| 4.13. Acetonitril |
| 4.14. Roztok kyseliny sírovej (H2SO4), 2 M |
| 4.15. Zmes etanolu a vody – zmieša sa 9 objemových dielov etanolu (4.2.) a 1 objemový diel vody. |
| 4.16. Vnútorný štandardný roztok |
| Presne sa odváži približne 0,25 g izopropylparabénu (4.8.), prenesie sa do 500 ml odmernej banky, rozpustí sa a doplní sa do plného objemu zmesou etanolu a vody (4.15.). |
| 4.17. Mobilná fáza – zmes tetrahydrofuránu, vody, metanolu a acetonitrilu |
| Zmieša sa 5 objemových dielov tetrahydrofuránu, 60 objemových dielov vody, 10 objemových dielov metanolu a 25 objemových dielov acetonitrilu. |
| 4.18. Zásobný roztok konzervačnej látky |
| Presne sa odváži približne 0,2 g 2-fenoxyetanolu, 0,2 g 1-fenoxypropán-2-olu, 0,05 g metylparabénu, 0,05 g etylparabénu, 0,05 g propylparabénu, 0,05 g butylparabénu a 0,025 g benzylparabénu v 100 ml odmernej banke, rozpustí sa a doplní sa po značku zmesou etanolu a vody. Roztok uložený v chladničke zostane stabilný jeden týždeň. |
| 4.19. Štandardné roztoky konzervačných látok |
| Do 50 ml odmerných baniek sa postupne prenesie 20 ml, 10 ml, 5 ml, 2 ml a 1 ml zásobného roztoku (4.18.). Do každej odmerky sa pridá 10 ml vnútorného štandardného roztoku (4.16.) a 1 ml roztoku kyseliny sírovej (4.14.) a doplní sa po značku zmesou etanolu a vody. Tieto roztoky by mali byť čerstvo pripravené. |
| 5. PRÍSTROJE |
| Bežné laboratórne vybavenie |
| 5.1. Vodný kúpeľ schopný udržiavať teplotu 60 oC ± 1oC |
| 5.2. Výkonný kvapalinový chromatograf s ultrafialovým detektorom, vlnová dĺžka 280 nm |
| 5.3. Analytická kolóna – nerezová oceľ, 25 cm x vnútorný priemer 4,6 mm (alebo 12,5 cm x vnútorný priemer 4,6 mm), plnená Nucleosilom 5C18 alebo ekvivalentnou látkou (10.1.) |
| 5.4. 100 ml sklené skúmavky so skrutkovacím uzáverom |
| 5.5. Varné kamienky, karborundum, veľkosť 2 až 4 mm alebo ekvivalentné |
| 6. POSTUP |
| 6.1. Príprava vzorky |
| 6.1.1. Príprava vzorky bez pridania vnútorného štandardného roztoku |
| Odváži sa približne 1 g vzorky v 100 ml skúmavke so skrutkovacím uzáverom. Pipetou sa prenesie do skúmavky 1 ml roztoku kyseliny sírovej (4.14.) a 50 ml zmesi etanolu a vody (4.15.). Pridá sa približne 1 g varných kamienkov (5.5.), skúmavka sa uzavrie a silno sa trasie dovtedy, kým sa nezíska homogénna suspenzia. Trasie sa najmenej 1 minútu. Kvôli uľahčeniu extrakcie konzervačných látok do etanolovej fázy sa vloží skúmavka asi na 5 minút do vodného kúpeľa (5.1.) udržiavaného na teplote 60 oC ± 1 oC. Skúmavka sa rýchlo ochladí prúdom studenej vody a extrakt sa uloží na 1 hodinu do chladničky. Extrakt sa prefiltruje cez filtračný papier. Približne 2 ml filtrátu sa prenesú do vzorkovnice s objemom 5 ml. Extrakt sa uloží do chladničky a do 24 hodín sa stanoví obsah metódou HPLC. |
| 6.1.2. Príprava vzorky s pridaním vnútorného štandardu |
| S presnosťou na 3 desatinné miesta sa odváži 1 g 0,1 g vzorky a prenesie do 100 ml skúmavky so skrutkovacím uzáverom. Do skúmavky sa pipetou prenesie 1 ml roztoku kyseliny sírovej a 40 ml zmesi etanolu a vody. Pridá sa približne 1 g varných kamienkov (5.5.) a presne 10 ml roztoku vnútorného štandardu. Skúmavka sa uzavrie a silno sa trasie dovtedy, kým sa nezíska homogénna suspenzia. Trasie sa najmenej 1 minútu. Kvôli uľahčeniu extrakcie konzervačných látok do etanolovej fázy sa skúmavka vloží asi na 5 minút do vodného kúpeľa udržiavaného na teplote 60 oC ± 1 oC. Skúmavka sa rýchlo ochladí prúdom studenej vody z vodovodu a extrakt sa uloží na 1 hodinu do chladničky. Extrakt sa prefiltruje cez filtračný papier. Približne 2 ml filtrátu sa prenesú do vzorkovnice s objemom 5 ml (testovací roztok). Extrakt sa uloží do chladničky a do 24 hodín sa stanoví obsah metódou HPLC. |
| 6.2. Vysokoúčinná kvapalinová chromatografia (HPLC) |
| 6.2.1. Chromatografické podmienky |
| Mobilná fáza tetrahydrofurán/voda/metanol/acetonitril (4.17.) |
| Prietok 1,5 ml/min |
| Detekčná vlnová dĺžka 280 nm |
| 6.2.2. Kalibrácia |
| Nadávkuje sa 10 µl každého zo štandardných roztokov konzervačných látok (4.19.). Zo získaných chromatogramov sa stanovia pomery výšok píkov štandardných roztokov konzervačných látok k výške píku vnútorného štandardu. Zostrojí sa krivka každej konzervačnej látky, vyjadrujúca vzťah medzi týmito pomermi a koncentráciami štandardných roztokov. |
| 6.2.3. Stanovenie |
| Do chromatografu sa nadávkuje 10 l roztoku vzorky bez vnútorného štandardu (6.1.1.) a vyhotoví sa chromatogram. Nadávkuje sa 10 µl jedného zo štandardných roztokov konzervačných látok (4.19.) a vyhotoví sa chromatogram. Získané chromatogramy sa porovnajú. Ak sa na chromatograme extraktu vzorky (6.1.1.) nenachádza žiadny pík s približne rovnakým retenčným časom, aký má izopropylparabén (odporúčaný vnútorný štandard), pokračuje sa a vstrekne sa 10 µl roztoku vzorky s vnútorným štandardom (6.1.2.). Vyhotoví sa chromatogram a odmerajú sa výšky píkov. Ak sa na chromatograme roztoku vzorky pozoruje rušivý pík s približne rovnakým retenčným časom, aký má izopropylparabén, mal by sa vybrať iný vnútorný štandard. Ak jedna zo skúmaných konzervačných látok nie je v chromatograme vzorky prítomná, táto konzervačná látka sa môže použiť ako alternatívny vnútorný štandard. Vypočítajú sa pomery výšok píkov stanovovaných konzervačných látok k výške píku vnútorného štandardu. Je potrebné sa presvedčiť, že pre štandardné roztoky použité počas postupu kalibrácie je odozva lineárna. Je potrebné sa presvedčiť, či chromatogramy získané pre štandardný roztok a roztok vzorky spĺňajú požiadavky: |
| – Separácia píkov, najhoršie separovanej dvojice musí byť najmenej 0,90 (obrázok č. 1). |
| .png)
|
| Obrázok č. 1: Vymedzenie rozlíšenia píkov |
| Ak požadovaná separácia nebola dosiahnutá, použije sa citlivejšia kolóna alebo sa upravuje zloženie mobilnej fázy dovtedy, kým sa táto požiadavka nesplní. |
| – Hodnota faktora asymetrie všetkých získaných píkov As by mala byť v rozsahu od 0,9 do 1,5 (obrázok č. 2). Kvôli vyhotoveniu chromatogramu potrebného na určenie hodnoty faktora asymetrie sa odporúča nastaviť rýchlosť posuvu záznamového papiera najmenej na 2 cm/minútu. |
| .png)
|
| Obrázok č. 2: Vymedzenie koeficientu asymetrie píku (musí sa získať vyrovnaná základná čiara – „base line“) |
| 7. VÝPOČET |
| Na výpočet koncentrácie konzervačných látok v roztoku vzorky sa použije kalibračná krivka (6.2.2.) a pomery výšok píkov stanovovaných konzervačných látok k výške píku vnútorného štandardu. Obsah 2-fenoxyetanolu, 1-fenoxypropán-2-olu, metyl 4-hydroxybenzoátu, etyl 4-hydroxybenzoátu, propyl 4-hydroxybenzoátu, butyl 4-hydroxybenzoátu a benzyl 4-hydroxybenzoátu, wi, sa vyjadrí ako hmotnostné percentá (% m/m) podľa vzorca |
| .png)
|
| kde |
| | bi | je koncentrácia i-tej konzervačnej látky v testovacom roztoku odčítaná z kalibračnej krivky v mikrogramoch na mililiter, | | a | je hmotnosť testovacieho roztoku v gramoch. | |
| 8. OPAKOVATEĽNOSŤ2) |
| Podľa poznámky 10.5. |
| 9. REPRODUKOVATEĽNOSŤ2) |
| Podľa poznámky 10.5. |
| 10. POZNÁMKY |
| 10.1. Stacionárna fáza |
| Retenčné správanie roztokov pri stanovovaní obsahu metódou HPLC je silne závislé od typu, značky a histórie stacionárnej fázy. Záver o tom, či je možné použiť niektorú kolónu na separáciu stanovovaných konzervačných látok, možno urobiť na základe výsledkov získaných pre štandardné roztoky (6.2.3.). Ukázalo sa, že okrem navrhovaných plniacich materiálov sú vhodné aj Hypersil ODS a Zorbax ODS. Kvôli dosiahnutiu požadovanej separácie je alternatívne možné optimalizovať odporúčané zloženie mobilnej fázy. |
| 10.2. Detekčná vlnová dĺžka |
| Test robustnosti popísanej metódy ukázal, že i veľmi malá zmena detekčnej vlnovej dĺžky môže mať významný vplyv na výsledky stanovenia obsahu. Preto sa tento parameter musí v priebehu analýzy starostlivo kontrolovať. |
| 10.3. Interferencie |
| Aj mnohé iné zlúčeniny, ako sú konzervačné látky a kozmetické prísady, sa v podmienkach popísaných v tejto metóde tiež eluujú. Retenčné časy veľkého počtu konzervačných látok sú uvedené v publikácii.9) |
| 10.4. Na ochranu analytickej kolóny je možné použiť vhodnú predkolónu. |
| 10.5. Táto metóda bola preskúšaná formou spoločne vykonávaných experimentálnych skúšok, na ktorých sa zúčastnilo deväť laboratórií. Boli analyzované tri vzorky. V nasledujúcej tabuľke sú pre každú z troch vzoriek uvedené zistené hodnoty koncentrácie v hmotnostných percentách (m), opakovateľnosti (r), reprodukovateľnosti (R) pre tie analyzované látky, ktoré tieto vzorky obsahovali. |
| .png)
|
| Príloha č. 3 |
| k nariadeniu vlády č. 348/2004 Z. z. |
| ZOZNAM preberaných právnych aktov Európskych spoločenstiev a Európskej únie |
| 1. Prvá smernica Európskej komisie 80/1335/EHS z 22. decembra 1980 o aproximácii právnych predpisov členských štátov týkajúcich sa analytických metód potrebných na kontrolu zloženia kozmetických výrobkov (Úradný vestník Európskych spoločenstiev L 383, 31. 12. 1980) v znení smernice Európskej komisie 87/143/EHS z 10. februára 1987 (Úradný vestník Európskych spoločenstiev L 57, 27. 2. 1987) |
| 2. Druhá smernica Európskej komisie 82/434/EHS zo 14. mája 1982 o aproximácii právnych predpisov členských štátov týkajúcich sa analytických metód potrebných na kontrolu zloženia kozmetických výrobkov (Úradný vestník Európskych spoločenstiev L 185, 30. 6. 1982) v znení smernice Európskej komisie 90/207/EHS zo 4. apríla 1990 (Úradný vestník Európskych spoločenstiev L 108, 28. 4. 1990) |
| 3. Tretia smernica Európskej komisie 83/514/EHS z 27. septembra 1983 o aproximácii právnych predpisov členských štátov týkajúcich sa analytických metód potrebných na kontrolu zloženia kozmetických výrobkov (Úradný vestník Európskych spoločenstiev L 291, 24. 10. 1983) |
| 4. Štvrtá smernica Európskej komisie 85/490/EHS z 11. októbra 1985 o aproximácii právnych predpisov členských štátov týkajúcich sa analytických metód potrebných na kontrolu zloženia kozmetických výrobkov (Úradný vestník Európskych spoločenstiev L 295, 7. 11. 1985) |
| 5. Piata smernica Európskej komisie 93/73/EHS z 9. septembra 1993 o aproximácii právnych predpisov členských štátov týkajúcich sa analytických metód potrebných na kontrolu zloženia kozmetických výrobkov (Úradný vestník Európskych spoločenstiev L 231, 14. 9. 1993) |
| 6. Šiesta smernica Európskej komisie 95/32/ES zo 7. júla 1995 o aproximácii právnych predpisov členských štátov týkajúcich sa analytických metód potrebných na kontrolu zloženia kozmetických výrobkov (Úradný vestník Európskych spoločenstiev L 178, 28. 7. 1995) |
| 7. Siedma smernica Európskej komisie 96/45/ES z 2. júla 1996 o aproximácii právnych predpisov členských štátov týkajúcich sa analytických metód potrebných na kontrolu zloženia kozmetických výrobkov (Úradný vestník Európskych spoločenstiev L 213, 22. 8. 1996) |
| Smernice Komisie sú preložené do slovenského jazyka; do úradného prekladu v slovenskom jazyku možno nazrieť v sídle Inštitútu pre aproximáciu práva Úradu vlády Slovenskej republiky, Námestie slobody 1/29, Bratislava. |
| Poznámky pod čiarou |
| 1) § 26 ods. 1 písm. a) zákona Národnej rady Slovenskej republiky č. 272/1994 Z. z. o ochrane zdravia ľudí v znení zákona č. 578/2003 Z. z. |
| 2) STN ISO 5725-1 Presnosť (správnosť a zhodnosť) metód a výsledkov merania. Časť 1: Všeobecné zásady a definície, STN ISO 5725-2 Presnosť (správnosť a zhodnosť) metód a výsledkov merania. Časť 2: Základná metóda stanovenia opakovateľnosti a reprodukovateľnosti normalizovanej metódy merania, STN ISO 5725-3 Presnosť (správnosť a zhodnosť) metód a výsledkov merania. Časť 3: Medziľahlé miery zhodnosti normalizovanej metódy merania, STN ISO 5725-4 Presnosť (správnosť a zhodnosť) metód a výsledkov merania. Časť 4: Základné metódy stanovenia správnosti normalizovanej metódy merania, STN ISO 5725-5 Presnosť (správnosť a zhodnosť) metód a výsledkov meraní. Časť 5: Alternatívne metódy stanovenia zhodnosti normalizovanej metódy merania, STN ISO 5725-6 Presnosť (správnosť a zhodnosť) metód a výsledkov merania. Časť 6: Použitie hodnôt mier presnosti v praxi. |
| 3) Vyhláška Ministerstva zdravotníctva Slovenskej republiky č. 156/2004 Z. z., ktorou sa ustanovujú požiadavky na kozmetické výrobky. |
| 4) Fieser, Reagents for Organic Synthesis, Wiley, 1967. |
| 5) Fales, H. M.; Jaouni, T. M.; Babashak, J. F. Analyt. Chem. 1973, 45, 2302. |
| 6) M. Herpol-Borremans a M. O. Masse, Identification et dosage de lhydroquinone et de ses éthers méthylique et benzylique dans le produits cosmétiques pour blanchir la peau. (Identifikácia a stanovenie hydrochinónu a jeho metyl- a benzyléteru v kozmetických výrobkoch na zosvetľovanie pleti) Int. J. Cosmet. Sci. (1986), 8, 203 – 214. |
| 7) J. Firth and I. Rix, Determination of hydroquinone in skin toning creams, Analyst (1986), 111, p. 129. |
| 8) N. de Kruijf, M. A. H. Rijk, L. A. Pranato-Soetardhi a A. Schouten, Stanovenie obsahu konzervačných látok v kozmetických výrobkoch I, Postup chromatografie v tenkej vrstve pre potreby zistenia prítomnosti konzervačných látok, J. Chromatography (1987), 410, 395 – 411. |
| 9) N. de Kruijf, M. A. H. Rijk, L. A. Pranato-Soetardhi a A. Schouten, Stanovenie obsahu konzervačných látok v kozmetických výrobkoch II, Zistenie prítomnosti výkonnou kvapalinovou chromatografiou, J. Chromatography (1989), 469, 317 – 398. |