| 333 |
| NARIADENIE VLÁDY |
| Slovenskej republiky |
| z 9. augusta 2023, |
| ktorým sa mení a dopĺňa nariadenie vlády Slovenskej republiky č. 193/2016 Z. z. o sprístupňovaní rádiových zariadení na trhu v znení nariadenia vlády Slovenskej republiky č. 332/2019 Z. z. |
| Vláda Slovenskej republiky podľa § 2 ods. 1 písm. g) a h) zákona č. 19/2002 Z. z., ktorým sa ustanovujú podmienky vydávania aproximačných nariadení vlády Slovenskej republiky nariaďuje: |
|
|
| Čl. I |
| Nariadenie vlády Slovenskej republiky č. 193/2016 Z. z. o sprístupňovaní rádiových zariadení na trhu v znení nariadenia vlády Slovenskej republiky č. 332/2019 Z. z. sa mení a dopĺňa takto: |
| 1. V § 3 ods. 3 písmeno a) znie: |
| „a) vzájomne spolupracuje s príslušenstvom iným ako nabíjacie zariadenie určené pre kategóriu alebo triedu rádiového zariadenia, ktoré je uvedené v prílohe č. 1a časti I a spĺňa požiadavky podľa odsekov 4 a 5,“. |
| 2. § 3 sa dopĺňa odsekmi 4 a 5, ktoré znejú: |
| „(4) Rádiové zariadenie, ktoré patrí do kategórie alebo triedy rádiového zariadenia uvedenej v prílohe č. 1a časti I prvom bode písm. a) až l), je vyrobené tak, že spĺňa špecifikácie, ktoré sa týkajú funkcií nabíjania podľa prílohy č. 1a časti I druhého bodu a tretieho bodu. |
| (5) Rádiové zariadenie, ktoré patrí do kategórie alebo triedy rádiového zariadenia uvedenej v prílohe č. 1a časti I prvom bode písm. m), je vyrobené tak, že spĺňa špecifikácie, ktoré sa týkajú funkcií nabíjania podľa prílohy č. 1a časti I druhého bodu a tretieho bodu.“. |
| 3. V § 9 ods. 2 sa za písmeno b) vkladá nové písmeno c), ktoré znie: |
| „c) zabezpečiť, aby návod na použitie pre rádiové zariadenie, ktoré spĺňa požiadavky podľa § 3 ods. 4 a 5, obsahoval informácie o špecifikáciách, ktoré sa týkajú funkcií nabíjania rádiového zariadenia a kompatibilných nabíjacích zariadení podľa prílohy č. 1a časti II, a ak sa takéto rádiové zariadenie sprístupňuje spotrebiteľovi alebo inému koncovému používateľovi, tieto informácie sa okrem uvedenia v návode na použitie uvedú aj na štítku podľa prílohy č. 1a časti IV; štítok sa vytlačí do návodu na použitie a na obal alebo sa naň umiestni ako nálepka a ak obal chýba, nálepka so štítkom sa umiestni na rádiové zariadenie, štítok sa uvedie viditeľným a čitateľným spôsobom a v prípade predaja na diaľku v blízkosti uvedenia ceny a ak to rozmer alebo povaha rádiového zariadenia inak neumožňujú, štítok sa môže vytlačiť ako samostatný dokument priložený k rádiovému zariadeniu,“. |
| Doterajšie písmená c) až g) sa označujú ako písmená d) až h). |
| 4. V § 9 sa odsek 2 dopĺňa písmenami i) a j), ktoré znejú: |
| „i) spotrebiteľovi alebo inému koncovému používateľovi ponúknuť možnosť nadobudnúť rádiové zariadenie aj bez nabíjacieho zariadenia, ak výrobca ponúka spotrebiteľovi alebo inému koncovému používateľovi možnosť nadobudnúť rádiové zariadenie podľa § 3 ods. 4 a 5 spolu s nabíjacím zariadením, |
| j) zabezpečiť, aby sa informácie o tom, či je nabíjacie zariadenie súčasťou rádiového zariadenia, ktoré spĺňa požiadavky podľa § 3 ods. 4 a 5, zobrazili vo forme používateľsky ústretového a ľahko dostupného grafického piktogramu podľa prílohy č. 1a časti III, ak sa rádiové zariadenie sprístupňuje spotrebiteľovi alebo inému koncovému používateľovi; piktogram sa vytlačí na obal alebo sa naň umiestni ako nálepka a piktogram sa uvedie viditeľným a čitateľným spôsobom a v prípade predaja na diaľku v blízkosti uvedenia ceny.“. |
| 5. V § 11 písm. a) sa slová „ods. 2 písm. a), b), c) alebo písm. d)“ nahrádzajú slovami „ods. 2 písm. a), b), d) alebo písm. e)“. |
| 6. § 11 sa dopĺňa písmenami c) až e), ktoré znejú: |
| „c) je povinný spotrebiteľovi alebo inému koncovému používateľovi ponúknuť možnosť nadobudnúť rádiové zariadenie aj bez nabíjacieho zariadenia, ak dovozca ponúka spotrebiteľovi alebo inému koncovému používateľovi možnosť nadobudnúť rádiové zariadenie podľa § 3 ods. 4 a 5 spolu s nabíjacím zariadením, |
| d) je povinný zabezpečiť, aby sa informácie o tom, či je nabíjacie zariadenie súčasťou rádiového zariadenia, ktoré spĺňa požiadavky podľa § 3 ods. 4 a 5, zobrazili vo forme používateľsky ústretového a ľahko dostupného grafického piktogramu podľa prílohy č. 1a časti III, ak sa rádiové zariadenie sprístupňuje spotrebiteľovi alebo inému koncovému používateľovi; piktogram sa vytlačí na obal alebo sa naň umiestni ako nálepka a piktogram sa uvedie viditeľným a čitateľným spôsobom a v prípade predaja na diaľku v blízkosti uvedenia ceny, |
| e) je povinný zabezpečiť, aby bol na rádiovom zariadení uvedený štítok alebo že sa rádiové zariadenie dodáva so štítkom podľa § 9 ods. 2 písm. c) a štítok je uvedený viditeľným a čitateľným spôsobom a v prípade predaja na diaľku v blízkosti uvedenia ceny.“. |
| 7. § 12 vrátane nadpisu znie: |
| „§ 12 |
| Povinnosti distribútora |
| Distribútor okrem povinností podľa § 8 ods. 1 a ods. 2 písm. a) až f) zákona v súlade s § 8 ods. 2 písm. g) zákona |
| a) nesmie sprístupniť rádiové zariadenie na trhu, ak výrobca nesplnil povinnosti podľa § 9 ods. 1 písm. c) alebo písm. d) alebo ods. 2 písm. a), b), d) alebo písm. e), |
| b) je povinný spotrebiteľovi alebo inému koncovému používateľovi ponúknuť možnosť nadobudnúť rádiové zariadenie aj bez nabíjacieho zariadenia, ak distribútor ponúka spotrebiteľovi alebo inému koncovému používateľovi možnosť nadobudnúť rádiové zariadenie podľa § 3 ods. 4 a 5 spolu s nabíjacím zariadením, |
| c) je povinný zabezpečiť, aby sa informácie o tom, či je nabíjacie zariadenie súčasťou rádiového zariadenia, ktoré spĺňa požiadavky podľa § 3 ods. 4 a 5, zobrazili vo forme používateľsky ústretového a ľahko dostupného grafického piktogramu podľa prílohy č. 1a časti III, ak sa rádiové zariadenie sprístupňuje spotrebiteľovi alebo inému koncovému používateľovi; piktogram sa vytlačí na obal alebo sa naň umiestni ako nálepka a piktogram sa uvedie viditeľným a čitateľným spôsobom a v prípade predaja na diaľku v blízkosti uvedenia ceny, |
| d) je povinný zabezpečiť, aby bol na rádiovom zariadení uvedený štítok alebo že sa rádiové zariadenie dodáva so štítkom podľa § 9 ods. 2 písm. c) a štítok je uvedený viditeľným a čitateľným spôsobom a v prípade predaja na diaľku v blízkosti uvedenia ceny.“. |
| 8. V § 15 ods. 2 úvodnej vete sa slová „§ 3 ods. 1“ nahrádzajú slovami „§ 3 ods. 1, 4 a 5“. |
| 9. V § 16 ods. 3 sa slová „§ 9 ods. 2 písm. c)“ nahrádzajú slovami „§ 9 ods. 2 písm. d)“. |
| 10. Za prílohu č. 1 sa vkladá príloha č. 1a, ktorá vrátane nadpisu znie: |
| „Príloha č. 1a k nariadeniu vlády č. 193/2016 Z. z. |
| ŠPECIFIKÁCIE A INFORMÁCIE, KTORÉ SA TÝKAJÚ NABÍJANIA URČITEJ KATEGÓRIE ALEBO TRIEDY RÁDIOVÉHO ZARIADENIA |
| ČASŤ I |
| Špecifikácie, ktoré sa týkajú funkcií nabíjania |
| 1. Požiadavky podľa druhého bodu a tretieho bodu sa uplatňujú na kategóriu alebo triedu rádiového zariadenia: |
| a) mobilný telefón, |
| b) tablet, |
| c) digitálny fotoaparát, |
| d) slúchadlá, |
| e) slúchadlá s mikrofónom, |
| f) ručná konzola pre videohru, |
| g) prenosný reproduktor, |
| h) elektronická čítačka, |
| i) klávesnica, |
| j) myš, |
| k) mobilný navigačný systém, |
| l) slúchadlá do uší, |
| m) laptop. |
| 2. Ak rádiové zariadenie uvedené v prvom bode možno nabíjať cez kábel, kategória alebo trieda rádiového zariadenia podľa prvého bodu musí spĺňať tieto požiadavky: |
| a) vybavenie portom USB typu C podľa technickej normy37a) alebo inej obdobnej technickej špecifikácie s porovnateľnými alebo prísnejšími požiadavkami, ktorý je prístupný a funkčný, |
| b) možnosť nabíjať pomocou káblov podľa technickej normy37a) alebo inej obdobnej technickej špecifikácie s porovnateľnými alebo prísnejšími požiadavkami. |
| 3. Ak kategóriu alebo triedu rádiového zariadenia uvedeného v prvom bode možno nabíjať cez kábel pri napätí vyššom ako 5 voltov, prúde vyššom ako 3 ampéry alebo výkone vyššom ako 15 wattov, musí rádiové zariadenie spĺňať tieto požiadavky: |
| a) integrovaný protokol nabíjania elektrickou energiou cez port USB (USB Power Delivery) podľa technickej normy37b) alebo inej obdobnej technickej špecifikácie s porovnateľnými alebo prísnejšími požiadavkami, |
| b) zabezpečenie, že akýkoľvek ďalší nabíjací protokol umožňuje úplnú funkčnosť protokolu nabíjania elektrickou energiou cez port USB (USB Power Delivery), a to bez ohľadu na použité nabíjacie zariadenie. |
| ČASŤ II |
| Informácie o špecifikáciách, ktoré sa týkajú funkcií nabíjania a kompatibilných nabíjacích zariadení |
| Pri rádiovom zariadení podľa § 3 ods. 4 a 5 sa v súlade s požiadavkami podľa § 9 ods. 2 písm. b) uvedú tieto informácie, ktoré sa môžu sprístupniť aj prostredníctvom QR kódov alebo podobných elektronických riešení: |
| a) pre všetky kategórie alebo triedy rádiových zariadení, na ktoré sa vzťahujú požiadavky uvedené v časti I, opis požiadaviek na výkon pre káblové nabíjacie zariadenia, ktoré sa môžu s týmto rádiovým zariadením použiť, vrátane minimálneho výkonu potrebného na nabitie rádiového zariadenia a maximálneho výkonu potrebného na nabitie rádiového zariadenia pri maximálnej rýchlosti nabíjania vyjadreného vo wattoch, a to uvedením textu: „výkon nabíjačky musí byť najmenej [xx] wattov požadovaných rádiovým zariadením a najviac [yy] wattov, aby sa dosiahla maximálna rýchlosť nabíjania“; počet wattov vyjadruje minimálny výkon, ktorý je potrebný na nabitie rádiového zariadenia a maximálny výkon, ktorý rádiové zariadenie potrebuje na dosiahnutie maximálnej rýchlosti nabíjania, |
| b) pre rádiové zariadenie, na ktoré sa vzťahujú požiadavky podľa časti I tretieho bodu, opis špecifikácií týkajúcich sa funkcií nabíjania rádiového zariadenia, ak ho možno nabíjať cez kábel pri napätí vyššom ako 5 voltov, prúde vyššom ako 3 ampéry alebo výkone vyššom ako 15 wattov, vrátane informácie o tom, že rádiové zariadenie podporuje protokol nabíjania elektrickou energiou cez port USB (USB Power Delivery), a to uvedením textu „rýchle nabíjanie USB PD“, ako aj názvu akéhokoľvek ďalšieho podporovaného nabíjacieho protokolu v textovom formáte. |
| ČASŤ III |
| Piktogram, ktorý označuje, či je nabíjacie zariadenie súčasťou rádiového zariadenia |
| 1. Piktogram má formát: |
| 1.1 Ak je nabíjacie zariadenie súčasťou rádiového zariadenia, piktogram má formát podľa obrázku č. 1. |
| 
|
| 1.2 Ak žiadne nabíjacie zariadenie nie je súčasťou rádiového zariadenia, piktogram má formát podľa obrázku č. 2. |
| 
|
| 2. Piktogram sa môže odlišovať od obrázku č. 1 alebo obrázku č. 2 najmä farbou, výplňou a hrúbkou čiar za predpokladu, že je viditeľný a čitateľný. Ak sa piktogram zmenší alebo zväčší, musí sa zachovať pomer podľa obrázku č. 1 alebo obrázku č. 2. Rozmer „a“ uvedený na obrázku č. 1 alebo obrázku č. 2 sa musí rovnať alebo byť väčší ako 7 mm. |
| ČASŤ IV |
| Obsah a formát štítku |
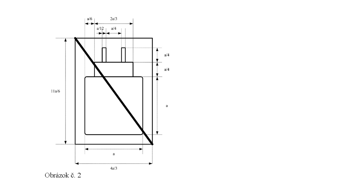
| 1. Štítok má formát podľa obrázku č. 3. |
| 
|
| 2. Písmená „XX“ sa nahradia číslom zodpovedajúcim minimálnemu výkonu vyjadrenému vo wattoch, ktorý rádiové zariadenie potrebuje na nabíjanie, ktorým sa určuje minimálny výkon, ktorý nabíjacie zariadenie potrebuje dodávať na nabíjanie rádiového zariadenia. Písmená „YY“ sa nahradia číslom zodpovedajúcim maximálnemu výkonu vyjadrenému vo wattoch, ktorý rádiové zariadenie potrebuje na dosiahnutie maximálnej rýchlosti nabíjania, ktorým sa určuje výkon, ktorý nabíjacie zariadenie potrebuje poskytovať na dosiahnutie aspoň tejto maximálnej rýchlosti nabíjania. Skratka „USB PD“ sa uvedie, ak rádiové zariadenie podporuje tento komunikačný protokol nabíjania. „USB PD“ je protokol, ktorý zabezpečuje najrýchlejší prívod prúdu z nabíjacieho zariadenia do rádiového zariadenia bez skrátenia životnosti batérie. |
| 3. Štítok sa môže odlišovať od obrázku č. 3 najmä farbou, výplňou a hrúbkou čiar, ak je viditeľný a čitateľný. Ak sa štítok zmenší alebo zväčší, musí sa zachovať pomer podľa obrázku č. 3. Rozmer „a“ uvedený na obrázku č. 3 sa musí rovnať alebo byť väčší ako 7 mm.“. |
| Poznámky pod čiarou k odkazom 37a a 37b znejú: |
| „37a) STN EN IEC 62680-1-3 Rozhrania univerzálnej sériovej zbernice pre dáta a napájanie. Časť 1-3: Spoločné súčasti. Špecifikácia USB kábla a konektora typu C® (IEC 62680-1-3) (36 8365). |
| 37b) STN EN IEC 62680-1-2 Rozhrania univerzálnej sériovej zbernice pre dáta a napájanie. Bod 1-2: Spoločné súčasti. Špecifikácia napájania elektrickou energiou cez USB (IEC 62680-1-2) (36 8365).“. |
| 11. Príloha č. 8 sa dopĺňa štvrtým bodom, ktorý znie: |
| „4. Smernica Európskeho parlamentu a Rady (EÚ) 2022/2380 z 23. novembra 2022, ktorou sa mení smernica 2014/53/EÚ o harmonizácii právnych predpisov členských štátov týkajúcich sa sprístupňovania rádiových zariadení na trhu (Ú. v. EÚ L 315, 7. 12. 2022).“. |
|
|
| Čl. II |
| Toto nariadenie vlády nadobúda účinnosť 28. decembra 2024 okrem čl. I druhého bodu § 3 ods. 5, ktorý nadobúda účinnosť 28. apríla 2026. |
|
|
| Ľudovít Ódor v. r. |