| 478 |
| VYHLÁŠKA |
| Ministerstva vnútra Slovenskej republiky |
| z 3. novembra 2008 |
| o vlastnostiach, konkrétnych podmienkach prevádzkovania a zabezpečenia pravidelnej kontroly požiarneho uzáveru |
| Ministerstvo vnútra Slovenskej republiky podľa § 4 písm. i) a § 5 písm. a) zákona č. 314/2001 Z. z. o ochrane pred požiarmi ustanovuje: |
|
|
| § 1 |
| Predmet úpravy |
| (1) Táto vyhláška ustanovuje vlastnosti, konkrétne podmienky prevádzkovania a zabezpečenia pravidelnej kontroly požiarneho uzáveru. |
| (2) Táto vyhláška sa nevzťahuje na |
| a) požiarny uzáver |
| 1. v stavbe Zboru väzenskej a justičnej stráže, ak ide o priestor, v ktorom sa vykonáva výkon väzby1) alebo výkon trestu odňatia slobody,2) |
| 2. v stavbe Colného riaditeľstva Slovenskej republiky, colného úradu alebo colného kriminálneho úradu3) vrátane priestorov užívaných colným kriminálnym úradom, ktorých režim je upravený osobitným predpisom,4) okrem skladu podľa osobitného predpisu,5) |
| 3. v stavbe Policajného zboru, ak ide o celu policajného zaistenia,6) |
| 4. v banskom diele okrem cestného tunela, železničného tunela alebo tunela mestskej koľajovej dopravy, |
| 5. v ochrannej stavbe,7) |
| b) konštrukciu uzatváracieho zariadenia, ak ide o ventil, kohút alebo posúvač v technologickom zariadení s tekutinami, |
| c) pohyblivý kryt otvoru |
| 1. technologického zariadenia okrem požiarneho uzáveru uvedeného v § 2 písm. a) v bode 4, |
| 2. skúšobného zariadenia na overovanie účinkov výbuchu, |
| 3. tlakového zariadenia, |
| 4. energetického zriadenia, |
| 5. jadrového zariadenia, |
| d) prietržnú membránu,8) |
| e) ochranné zariadenie,9) |
| f) klapku, ak je súčasťou zariadenia na odvod tepla a splodín horenia.10) |
| § 2 |
| Vymedzenie pojmov |
| Na účely tejto vyhlášky sa rozumie |
| a) požiarnym uzáverom |
| 1. dverová zostava s pohyblivou konštrukciou uzatvárajúcou trvalý otvor v požiarne deliacej konštrukcii určený najmä na prechod osôb alebo dopravných prostriedkov, ktorá v uzatvorenom stave |
| 1a. bráni šíreniu tepla, obmedzuje šírenie tepla alebo bráni prenosu plameňa (ďalej len „dvere požiarne odolné“), |
| 1b. bráni prieniku dymu (ďalej len „dvere dymotesné“), |
| 1c. bráni šíreniu tepla a prieniku dymu, obmedzuje šírenie tepla a bráni prieniku dymu alebo bráni prenosu plameňa a prieniku dymu (ďalej len „dvere kombinované“), |
| 2. oknová zostava s pohyblivou konštrukciou s priehľadným materiálom alebo priesvitným materiálom uzatvárajúcou trvalý otvor v požiarne deliacej konštrukcii určený najmä na prechod svetla, ktorá v uzatvorenom stave |
| 2a. bráni šíreniu tepla, obmedzuje šírenie tepla alebo bráni prenosu plameňa (ďalej len „okno požiarne odolné“), |
| 2b. bráni prieniku dymu (ďalej len „okno dymotesné“), |
| 2c. bráni šíreniu tepla a prieniku dymu, obmedzuje šírenie tepla a bráni prieniku dymu alebo bráni prenosu plameňa a prieniku dymu (ďalej len „okno kombinované“), |
| 3. zostava klapky s pohyblivou konštrukciou uzatvárajúcou trvalý otvor v požiarne deliacej konštrukcii, cez ktorú prechádza potrubie vetracieho systému zaisťujúceho dodávku alebo výmenu vzduchu, alebo uzatvárajúcou potrubie s požiarnou odolnosťou vetracieho systému zaisťujúceho dodávku alebo výmenu vzduchu, ktorá v uzatvorenom stave |
| 3a. bráni šíreniu tepla, obmedzuje šírenie tepla alebo bráni prenosu plameňa (ďalej len „klapka požiarne odolná“), |
| 3b. bráni prieniku dymu (ďalej len „klapka dymotesná“), |
| 3c. bráni šíreniu tepla a prieniku dymu, obmedzuje šírenie tepla a bráni prieniku dymu alebo bráni prenosu plameňa a prieniku dymu (ďalej len „klapka kombinovaná“), |
| 4. zostava uzáveru dopravníkového systému s pohyblivou konštrukciou uzatvárajúcou trvalý otvor v požiarne deliacej konštrukcii, cez ktorú prechádza mechanická dopravníková trať určená na dopravu tuhého materiálu alebo sypkého materiálu, alebo uzatvárajúcou potrubie určené na pneumatickú dopravu sypkého materiálu, ktorá v uzatvorenom stave bráni šíreniu tepla, obmedzuje šírenie tepla alebo bráni prenosu plameňa (ďalej len „dopravníkový uzáver“), |
| 5. zostava oddeľujúcej konštrukcie odlišného vyhotovenia alebo určenia ako požiarne uzávery uvedené v § 2 písm. a) v bodoch 1 až 4, s pohyblivou konštrukciou uzatvárajúcou trvalý otvor v požiarne deliacej konštrukcii určený najmä na prechod osôb, dopravných prostriedkov alebo materiálu, ktorá v uzatvorenom stave bráni šíreniu tepla, bráni prieniku dymu, bráni šíreniu tepla a prieniku dymu, obmedzuje šírenie tepla, obmedzuje šírenie tepla a bráni prieniku dymu, bráni prenosu plameňa alebo bráni prenosu plameňa a prieniku dymu (ďalej len „oddeľujúca konštrukcia“), |
| b) zatváracím zariadením alebo ovládacím mechanizmom zariadenie umožňujúce návrat pohyblivej konštrukcie požiarneho uzáveru do zatvorenej polohy, v ktorej požiarny uzáver plní svoju funkciu, |
| c) zariadením na koordináciu zatvárania (ďalej len „koordinátor“) zariadenie zabezpečujúce poradie uzatvárania dvoch krídiel otočných požiarnych uzáverov uvedených v písmene a) v bodoch 1 a 2, |
| d) bezpečnostným mechanizmom |
| 1. panikový východový uzáver11) s priebežným horizontálnym držadlom ovládateľným rukou alebo tlakom tela, alebo |
| 2. núdzový východový uzáver12) s kľučkou alebo tlačidlom ovládateľnými rukou, |
| ktoré umožňujú osobe zo strany úniku otváranie krídla dverí bez kľúča, náradia alebo pomôcky nezávisle od uzamknutia alebo odomknutia dverí, |
| e) vstupným uzáverom zariadenie umožňujúce otvorenie bezpečnostného mechanizmu uvedeného v písmene d), |
| f) separačným zariadením uvoľňovacie zariadenie alebo deliace zariadenie odstraňujúce z priestoru pohybu pohyblivej konštrukcie dopravníkového uzáveru mechanického dopravníkového systému sypký alebo tuhý dopravovaný materiál v čase pred začatím zatvárania pohyblivej konštrukcie alebo v čase jej zatvárania, |
| g) akcieschopným požiarnym uzáverom požiarny uzáver spĺňajúci podmienky podľa § 10, |
| h) údržbou požiarneho uzáveru súbor úkonov realizovaných osobou uvedenou v § 9 ods. 5 a pozostávajúcich |
| 1. z preventívnej údržby, ktorou sa zabezpečuje udržanie požadovaného stavu alebo bezporuchového stavu a schopnosť spĺňať stanovené požiadavky a vykonávať požadované funkcie v potrebnom rozsahu, |
| 2. z opravy, ktorou sa zabezpečuje obnovenie požadovaného stavu alebo bezporuchového stavu a schopnosť spĺňať stanovené požiadavky a vykonávať požadované funkcie v potrebnom rozsahu, |
| 3. z prehliadky, ktorou sa overuje vybavenosť požiarneho uzáveru, jeho funkčnosť a zabezpečenie energie alebo hasiacej látky, ak sa ich dodávka požaduje, pričom na uskutočnenie úkonov overenia funkčnosti a overenia zabezpečenia dodávky energie alebo hasiacej látky je potrebné neštandardné náradie, jednoúčelová technická pomôcka alebo externý merací prístroj (ďalej len „technická podpora“), |
| i) kontrolou požiarneho uzáveru súbor úkonov realizovaných osobou s odbornou spôsobilosťou13) pozostávajúci z overovania vybavenosti požiarneho uzáveru, jeho funkčnosti, zabezpečenia energie alebo hasiacej látky, ak sa ich dodávka požaduje, pričom na uskutočnenie úkonov nie je potrebná technická podpora. |
| § 3 |
| Zloženie, členenie a klasifikácia požiarnych uzáverov a členenie zatváracích zariadení |
| (1) Dvere požiarne odolné, dvere dymotesné alebo dvere kombinované tvorí najmä pohyblivá konštrukcia, ktorou je dverné krídlo, sústava panelov alebo zvinovacia roleta, kotviace prvky, rám alebo zárubňa, dverové kovanie, zatváracie zariadenie, koordinátor, bezpečnostný mechanizmus, zariadenie nastavujúce alebo udržiavajúce otvorenie pohyblivej konštrukcie, tesnenia a ďalšie doplňujúce prvky. |
| (2) Okno požiarne odolné, okno dymotesné alebo okno kombinované tvorí najmä pohyblivá konštrukcia, ktorou je okenné krídlo, kotviace prvky, rám, okenné kovania, zatváracie zariadenie, koordinátor, tesnenie, zariadenie nastavujúce alebo udržiavajúce otvorenie pohyblivej konštrukcie a ďalšie doplňujúce prvky. |
| (3) Klapku požiarne odolnú, klapku dymotesnú alebo klapku kombinovanú tvorí najmä pohyblivá konštrukcia, rám, plášť, kotviace prvky, spúšťací mechanizmus, ovládací mechanizmus, tesnenie a ďalšie doplňujúce prvky. Príklady inštalácie klapky do trvalého otvoru v požiarne deliacej konštrukcii, na požiarne deliacu konštrukciu alebo do potrubia s požiarnou odolnosťou vetracieho systému zaisťujúceho dodávku alebo výmenu vzduchu sú uvedené v prílohe č. 1. |
| (4) Dopravníkový uzáver tvorí najmä pohyblivá konštrukcia, ktorou je doska alebo krídlo, kotviace prvky, rám alebo vedenie, uvoľňovacie zariadenie alebo deliace zariadenie, zatváracie zariadenie, zariadenie nastavujúce alebo udržiavajúce otvorenie pohyblivej konštrukcie, tesnenie a ďalšie doplňujúce prvky. |
| (5) Oddeľujúcu konštrukciu tvorí najmä pohyblivá konštrukcia, ktorou je doska, krídlo alebo roleta, kotviace prvky, rám alebo vedenie, uvoľňovacie zariadenie, zatváracie zariadenie, zariadenie nastavujúce alebo udržiavajúce otvorenie pohyblivej konštrukcie, tesnenie a ďalšie doplňujúce prvky. |
| (6) Dvere požiarne odolné, dvere dymotesné a dvere kombinované sa podľa spôsobu pohybu krídla členia na |
| a) otočné na čapoch alebo na závesoch excentricky umiestnených vo vzťahu k zvislej osi pohyblivej konštrukcie, |
| b) otáčajúce sa okolo zvislej symetrickej osi, |
| c) posúvacie, |
| d) kývavé. |
| (7) Požiarne uzávery sa z hľadiska konštrukčných prvkov,14) z ktorých sú vyhotovené, členia na |
| a) požiarne uzávery druhu D1, |
| b) požiarne uzávery druhu D3. |
| (8) Klasifikácie požiarnych uzáverov do tried požiarnych uzáverov podľa vlastností vyjadrujúcich ich celistvosť E, izoláciu I, radiáciu W alebo tesnosť proti prieniku dymu S a času, v ktorom sú schopné zachovávať uvedené vlastnosti, určuje technická norma.15) |
| (9) Typ požiarneho uzáveru je vyjadrený triedou požiarneho uzáveru. Typy požiarnych uzáverov a predpisy pre klasifikáciu požiarnych uzáverov do tried požiarnych uzáverov sú uvedené v prílohe č. 2. |
| (10) Zatváracie zariadenia požiarnych uzáverov uvedených v § 2 písm. a) v bode 1 alebo 2 sa podľa zdroja energie potrebnej na pohyb pohyblivej konštrukcie členia na |
| a) zatváracie zariadenia s pohonom, |
| b) zatváracie zariadenia bez pohonu. |
| (11) Zatváracie zariadenia uvedené v odseku 10 písm. b) sa podľa možnosti regulácie rýchlosti uzatvárania pohyblivej konštrukcie členia na |
| a) riadené zatváracie zariadenia, |
| b) neriadené zatváracie zariadenia. |
| (12) Požiarne uzávery uvedené v § 2 písm. a) v bodoch 1, 2 alebo 4 v závislosti od počtu cyklov uzatvorenia pri skúške samozatvárania sa klasifikujú do tried životnosti C0, C1, C2, C3, C4 a C5 určených v technickej norme.16) |
| § 4 |
| Požiarna odolnosť |
| (1) Požiarna odolnosť požiarneho uzáveru je jeho schopnosť spĺňať v čase určenom skúškou uvedenou v technickej norme17) požadovanú vlastnosť, ktorou je celistvosť E, celistvosť E a izolácia I alebo celistvosť E a radiácia W. |
| (2) Dymotesnosť požiarneho uzáveru je jeho schopnosť zabrániť alebo obmedziť prenikaniu dymu alebo splodín horenia z exponovanej strany uzáveru na neexponovanú stranu v čase určenom skúškou uvedenou v technickej norme.18) |
| (3) Dvere |
| a) požiarne odolné, chránené automatickým požiarnotechnickým zariadením dodávajúcim ako hasiacu látku vodu, ktoré spĺňajú vlastnosť |
| 1. celistvosť E v čase preukázanom skúškou uvedenou v technickej norme, sa považujú za dvere súčasne spĺňajúce aj vlastnosť izolácie I1 alebo I2, |
| 2. celistvosť E v čase preukázanom skúškou uvedenou v technickej norme, sa považujú za dvere súčasne spĺňajúce aj vlastnosť radiácie W, |
| 3. celistvosť E a tiež radiáciu W v čase preukázanom skúškou uvedenou v technickej norme, sa považujú za dvere súčasne spĺňajúce aj vlastnosť izolácie I1 alebo I2, |
| 4. celistvosť E a tiež izoláciu I1 v čase preukázanom skúškou uvedenou v technickej norme, sa považujú za dvere súčasne spĺňajúce aj vlastnosť izolácie I2, |
| b) kombinované, chránené automatickým požiarnotechnickým zariadením dodávajúcim ako hasiacu látku vodu, ktoré spĺňajú vlastnosť |
| 1. celistvosť E a tesnosť proti prieniku dymu Sa alebo Sm v čase preukázanom skúškou uvedenou v technickej norme, sa považujú za dvere súčasne spĺňajúce aj vlastnosť izolácie I1 alebo I2, |
| 2. celistvosť E a tesnosť proti prieniku dymu Sa alebo Sm v čase preukázanom skúškou uvedenou v technickej norme, sa považujú za dvere súčasne spĺňajúce aj vlastnosť radiácie W, |
| 3. celistvosť E, radiáciu W a tesnosť proti prieniku dymu Sa alebo Sm v čase preukázanom skúškou uvedenou v technickej norme, sa považujú za dvere súčasne spĺňajúce aj vlastnosť izolácie I1 alebo I2, |
| 4. celistvosť E, izoláciu I1 a tesnosť proti prieniku dymu Sa alebo Sm v čase preukázanom skúškou uvedenou v technickej norme, sa považujú za dvere súčasne spĺňajúce aj vlastnosť izolácie I2; to neplatí , ak ide o dvere uvedené v písmenách a) a b), ktoré majú zasklenú časť. |
| (4) Automatické požiarnotechnické zariadenie upravujúce vlastnosti dverí podľa odseku 3 musí dodávať najmenej rovnaké množstvo vody ako pri skúške v procese posúdenia zhody dverí s automatickým požiarnotechnickým zariadením a v rovnakom čase, ako je požadovaná požiarna odolnosť dverí požiarne odolných alebo dverí kombinovaných; o uvedené množstvo vody sa zvýši celkové množstvo vody na hasenie požiarov19) alebo množstvo vody pre stabilné hasiace zariadenie. |
| (5) Dvere požiarne odolné alebo dvere kombinované, chránené automatickým požiarnotechnickým zariadením podľa odseku 4, musia mať preukázanú zhodu vlastností postupom podľa osobitného predpisu.20) |
| (6) Požiarny uzáver na montážnom otvore, kontrolnom otvore inštalačnej šachty alebo kanálu tvoriacich samostatné požiarne úseky musí mať požiarnu odolnosť rovnakú, ako je požiarna odolnosť požiarne deliacej konštrukcie, ktorej otvor uzatvára, a musí byť dymotesný. |
| (7) Dverové krídla otočných dverí21) požiarne odolných s dvomi krídlami, dverí dymotesných s dvomi krídlami a dverí kombinovaných s dvomi krídlami musia byť vyhotovené s aktívnym krídlom 22) a s neaktívnym krídlom.22) |
| § 5 |
| Zatváracie zariadenie a ovládací mechanizmus |
| (1) Ak ide o požiarny uzáver uvedený |
| a) v § 2 písm. a) v bodoch 1, 2, 4 alebo 5, musí mať inštalované zatváracie zariadenie,15,23) |
| b) v § 2 písm. a) v bode 3, musí mať inštalovaný ovládací mechanizmus.24) |
| (2) Požiadavka na inštalovanie zatváracieho zariadenia podľa odseku 1 písm. a) sa nevzťahuje na |
| a) požiarny uzáver uvedený v § 4 ods. 6, |
| b) dvere vedúce do |
| 1. priestoru, ktorý je občasným pracovným miestom25) a je v ňom inštalované technické zariadenie, technologické zariadenie, elektroenergetické zariadenie26) alebo plynárenské zariadenie,27) okrem kotolní, ak sú dvere vybavené zariadením na uzamykanie, |
| 2. bytu, |
| c) neaktívne krídlo otočných dverí požiarne odolných s dvomi krídlami, dverí dymotesných s dvomi krídlami a dverí kombinovaných s dvomi krídlami, ak neaktívne krídlo dverí nie je určené na evakuáciu osôb alebo zvierat, je vybavené dverovou zástrčkou a zariadením na uzamknutie a otvára sa iba pri prechode dopravného prostriedku alebo materiálu a nejde o neaktívne krídlo otočných dverí požiarne odolných, dverí dymotesných a dverí kombinovaných na chránenej únikovej ceste. |
| (3) Zatváracie zariadenie alebo ovládací mechanizmus musí uzavrieť pohyblivú konštrukciu požiarneho uzáveru automaticky po každom otvorení alebo bezprostredne po vzniku požiaru do úplne uzatvorenej polohy. Schopnosť zatváracieho zariadenia uzavrieť požiarny uzáver do úplne uzatvorenej polohy nesmie ovplyvniť zariadenie nastavujúce alebo udržiavajúce otvorenie požiarneho uzáveru. |
| (4) Zatváracie zariadenie bez možnosti regulácie sily zatvárajúcej krídlo dverí požiarne odolných, dverí dymotesných alebo dverí kombinovaných nemôže byť inštalované na dverách vedúcich do chránených únikových ciest, zhromažďovacích priestorov, garáží, v stavbách predškolských zariadení,28) v stavbách zariadení sociálnych služieb a v stavbách zdravotníckych zariadení. |
| (5) Zatváracie zariadenie nesmie brániť ručnému otváraniu |
| a) pohyblivej konštrukcie dverí požiarne odolných, dverí dymotesných alebo dverí kombinovaných, |
| b) krídla otváracieho okna uzatvárajúceho trvalý otvor v požiarne deliacej konštrukcii zabezpečujúci okrem prechodu svetla aj prístup k náhradnej únikovej možnosti alebo k zásahovej ceste. |
| (6) Otočné dvere s dvomi krídlami |
| a) požiarne odolné, |
| b) dymotesné alebo |
| c) kombinované |
| musia mať zabezpečené poradie zatvárania krídiel koordinátorom,22) ktorý ako prvé zatvorí neaktívne krídlo dverí. Koordinátor môže byť integrovaný do zariadenia na zatváranie. |
| (7) Požiadavka na inštalovanie koordinátora podľa odseku 6 sa nevzťahuje na |
| a) dvere vedúce do |
| 1. priestoru, ktorý je občasným pracovným miestom a je v ňom inštalované technické zariadenie, technologické zariadenie, elektroenergetické zariadenie alebo plynárenské zariadenie, okrem kotolní, ak dvere nie sú vybavené zatváracím zariadením podľa odseku 2 písm. b) bodu 1, |
| 2. bytu, |
| b) otočné dvere požiarne odolné s dvomi krídlami, dvere dymotesné s dvomi krídlami a dvere kombinované s dvomi krídlami okrem otočných dverí požiarne odolných s dvomi krídlami, dverí dymotesných s dvomi krídlami a dverí kombinovaných s dvomi krídlami na chránenej únikovej ceste, ak neaktívne krídlo dverí sa otvára iba pri prechode dopravného prostriedku alebo materiálu, nie je určené na evakuáciu osôb alebo zvierat a |
| 1. je vybavené dverovou zástrčkou a zariadením na uzamknutie a |
| 2. nie je vybavené zatváracím zariadením podľa odseku 2 písm. c). |
| (8) Inštalácia koordinátora a poradie zatvárania krídiel podľa odseku 6 sa vzťahujú aj na otváracie okno s dvomi krídlami |
| a) požiarne odolné, |
| b) dymotesné, |
| c) kombinované. |
| (9) Zatváracie zariadenie na zatváranie pohyblivej konštrukcie požiarneho uzáveru môže okrem mechanickej energie akumulovanej v pružine alebo závaží využívať aj |
| a) elektrickú energiu, pneumatickú energiu alebo hydraulickú energiu; ak sa predpokladá činnosť zatváracieho zariadenia počas trvania požiaru, musí byť v tom čase zabezpečený prívod energie, pričom na prívod elektrickej energie musia byť použité káble spĺňajúce požiadavku podľa osobitného predpisu,29) |
| b) energiu hasiacej látky |
| 1. zo stabilného hasiaceho zariadenia alebo |
| 2. z automatického požiarnotechnického zariadenia uvedeného v § 4 ods. 4. |
| (10) Požiarne uzávery uvedené v § 2 písm. a) v bodoch 1 a 2 môžu mať |
| a) inštalované zariadenie nastavujúce otvorenie pohyblivej konštrukcie30) alebo |
| b) aktivovanú funkciu oneskorenia zatvorenia. |
| § 6 |
| Bezpečnostný mechanizmus |
| (1) Bezpečnostný mechanizmus dverí požiarne odolných, dverí dymotesných a dverí kombinovaných musí byť vyhotovený a inštalovaný na strane úniku tak, aby |
| a) po uvedení do činnosti sa automaticky vrátil do zaistenej polohy a bol pripravený na opakované použitie, |
| b) umožňoval odblokovanie a ľahké ručné otvorenie pohyblivej konštrukcie dverí; to platí aj pre dvere otvárané alebo zatvárané elektrickou energiou, pneumatickou energiou alebo hydraulickou energiou, ak nastane prerušenie dodávky energie. |
| (2) Ak majú dvere požiarne odolné, dvere dymotesné alebo dvere kombinované vstupný uzáver na ovládanie dverí, jeho činnosť nesmie ovplyvniť použiteľnosť panikového východového uzáveru alebo núdzového východového uzáveru. |
| (3) Dvere požiarne odolné, dvere dymotesné alebo dvere kombinované vybavené bezpečnostným mechanizmom môžu byť pri bežnom používaní uzamknuté alebo samočinne sa otvárajúce a zatvárajúce. |
| (4) Vybavenie dverí požiarne odolných, dverí dymotesných alebo dverí kombinovaných panikovým východovým uzáverom upravuje osobitný predpis.31) |
| (5) Ak dvere požiarne odolné, dvere dymotesné alebo dvere kombinované plnia okrem protipožiarnej funkcie aj bezpečnostnú funkciu zábrany prechodu |
| a) a sú na tento účel vybavené bezpečnostným mechanizmom s poistným zariadením fixujúcim dvere v zatvorenej polohe bez zreteľa na pohyb priebežného horizontálneho držadla, kľučky alebo tlačidla bezpečnostného mechanizmu, poistné zariadenie musí mať systém na uvoľnenie poistného zariadenia inštalovaný na strane bezpečnostného mechanizmu na dverách alebo v ich tesnej blízkosti, pričom spodná hrana tohto systému musí byť vo výške najmenej 1 m a najviac 1,5 m nad podlahou, |
| b) cez únikovú cestu a nie sú vybavené panikovým východovým uzáverom, musia mať inštalovaný núdzový východový uzáver podľa odseku 1. |
| § 7 |
| Označenie |
| (1) Požiarny uzáver musí byť označený značkou zhody a sprievodnými údajmi podľa osobitného predpisu.32) Značka zhody a sprievodné údaje musia byť ťažko odstrániteľné, ľahko prístupné a čitateľné voľným okom aj po inštalácii požiarneho uzáveru. |
| (2) Ak pohyblivá konštrukcia dverí požiarne odolných, dverí dymotesných alebo dverí kombinovaných uzatvára na únikovej ceste trvalý otvor v požiarne deliacej konštrukcii, ktorý je únikovým východom, miesto úniku musí byť označené značkou pre núdzový východ podľa osobitného predpisu33) a môže byť označené nápisom ÚNIKOVÝ VÝCHOD alebo kombináciou nápisov ÚNIKOVÝ VÝCHOD, EXIT. |
| (3) Označenie miesta úniku značkou podľa odseku 2 sa môže umiestniť na dvere na strane predpokladaného smeru úniku osôb alebo na požiarne deliacu konštrukciu v tesnej blízkosti dverí; to sa vzťahuje aj na označenie miesta úniku nápisom alebo kombináciou nápisov. |
| (4) Nápis ÚNIKOVÝ VÝCHOD alebo kombinácia nápisov ÚNIKOVÝ VÝCHOD, EXIT podľa odseku 2 musí byť vyhotovený z písmen bielej farby, ktoré sú umiestnené na zelenom pozadí, pričom písmená môžu byť z fosforeskujúceho materiálu. Výška písmen musí byť najmenej 50 mm. |
| (5) Miesto inštalácie |
| a) dverí požiarne odolných, dverí dymotesných alebo dverí kombinovaných musí byť označené nápisom POŽIARNE DVERE alebo kombináciou nápisov POŽIARNE DVERE, FIRE DOOR, |
| b) okna požiarne odolného, okna dymotesného alebo okna kombinovaného musí byť označené nápisom POŽIARNE OKNO alebo kombináciou nápisov POŽIARNE OKNO, FIRE WINDOW, |
| c) oddeľujúcej konštrukcie musí byť označené nápisom POŽIARNY UZÁVER alebo kombináciou nápisov POŽIARNY UZÁVER, FIRE SHUTTER, |
| d) klapky požiarne odolnej, klapky dymotesnej alebo klapky kombinovanej musí byť označené nápisom POŽIARNA KLAPKA alebo piktogramom podľa prílohy č. 3, |
| e) dopravníkového uzáveru musí byť označené nápisom DOPRAVNÍKOVÝ UZÁVER. |
| (6) Nápisy uvedené v odseku 5 písm. a) až e) musia byť ťažko odstrániteľné, čitateľné a viditeľné voľným okom. |
| (7) Požiadavka na označenie miesta úniku na únikovej ceste podľa odseku 2 a miesta inštalácie požiarnych uzáverov podľa odseku 5 sa nevzťahuje na označenie dverí vedúcich do bytu a dverí v stavbe na bývanie skupiny A.31) |
| (8) Označenie miesta inštalácie požiarnych uzáverov uvedených v odseku 5 musí byť umiestnené na požiarnom uzávere alebo v tesnej blízkosti požiarneho uzáveru na požiarne deliacej konštrukcii, v ktorej je požiarny uzáver inštalovaný. |
| (9) Nápis označujúci miesto inštalácie požiarnych uzáverov uvedených v odseku 5 musí mať písmená s výškou najmenej 30 mm. |
| § 8 |
| Sprievodná dokumentácia |
| (1) Sprievodnú dokumentáciu požiarneho uzáveru tvorí |
| a) certifikát alebo vyhlásenie o zhode vydané výrobcom požiarneho uzáveru alebo splnomocneným zástupcom výrobcu požiarneho uzáveru (ďalej len „výrobca požiarneho uzáveru“), ak sa vyžadovali alebo vyžadujú podľa osobitného predpisu,20) |
| b) návod na jeho montáž, uvedenie do prevádzky, odporúčaný spôsob používania vrátane vymedzenia prostredia používania, označenie výstrah, pokyny na údržbu a rozsah ďalších údajov, ak je to potrebné v záujme ochrany spotrebiteľa (ďalej len „prevádzkové pokyny“), vydaný výrobcom požiarneho uzáveru, |
| c) prevádzkový denník požiarneho uzáveru (ďalej len „prevádzkový denník“). |
| (2) Prevádzkový denník musí mať písomnú formu. |
| (3) Vlastník (správca) nehnuteľnosti alebo nájomca nehnuteľnosti vedie prevádzkový denník, v ktorom |
| a) uvedie identifikačné údaje požiarnych uzáverov, o ktorých vykonávaní údržby alebo opravy sa budú viesť záznamy, |
| b) uvedie |
| 1. meno a priezvisko osoby zodpovednej za údržbu požiarneho uzáveru, ak si vykonávanie údržby alebo vykonávanie časti údržby požiarneho uzáveru nevyhradil v prevádzkových pokynoch výrobca požiarneho uzáveru, |
| 2. meno výrobcu požiarneho uzáveru a odkaz na prevádzkové pokyny, ak si výrobca v prevádzkových pokynoch vyhradil vykonávanie údržby požiarneho uzáveru alebo častí údržby požiarneho uzáveru, |
| c) zabezpečí vedenie záznamov o vykonávaní údržby |
| 1. osobou zodpovednou za údržbu požiarneho uzáveru, |
| 2. výrobcom požiarneho uzáveru alebo |
| 3. technikom požiarnej ochrany, ak výrobca požiarneho uzáveru vydal iba potvrdenie o vykonaní údržby požiarneho uzáveru, |
| d) zabezpečí vedenie záznamov o vykonaní kontroly požiarneho uzáveru technikom požiarnej ochrany, |
| e) zaznamenáva bez zbytočného odkladu poruchu požiarneho uzáveru a uvádza vykonané opatrenia na zabezpečenie jeho akcieschopnosti. |
| (4) Ak v prevádzkových pokynoch k požiarnemu uzáveru určil jeho výrobca úkony údržby a nevyhradil si ich realizáciu, vlastník (správca) nehnuteľnosti alebo nájomca nehnuteľnosti, v ktorej je požiarny uzáver inštalovaný, zabezpečí preukázateľne školenie osoby zodpovednej za údržbu požiarneho uzáveru výrobcom požiarneho uzáveru. Ak výrobca požiarneho uzáveru nevykonáva školenie osoby zodpovednej za údržbu požiarneho uzáveru, vlastník (správca) nehnuteľnosti alebo nájomca nehnuteľnosti, v ktorej je požiarny uzáver inštalovaný, zabezpečí preukázateľne oboznámenie osoby zodpovednej za údržbu požiarneho uzáveru s prevádzkovými pokynmi. |
| (5) Záznam podľa odseku 3 |
| a) písm. c) bodov 1 a 2 obsahuje čitateľný dátum ukončenia údržby požiarneho uzáveru, rozsah vykonania údržby, návrhy opatrení na odstránenie nedostatkov v prípade ich zistenia, meno a priezvisko osoby zodpovednej za údržbu, ktorá vykonala údržbu, a jej podpis, alebo názov výrobcu, ktorý vykonal údržbu požiarneho uzáveru, meno a priezvisko a podpis osoby, ktorá v mene výrobcu vykonala údržbu požiarneho uzáveru, |
| b) písm. c) bodu 3 obsahuje číslo potvrdenia o vykonaní údržby výrobcom požiarneho uzáveru a dátum vykonania údržby, |
| c) písm. e) obsahuje čitateľný dátum zápisu, meno a priezvisko osoby, ktorá zápis vykonala, a opis poruchy požiarneho uzáveru. |
| (6) Súčasťou prevádzkového denníka sú |
| a) doklady o preukázateľnom |
| 1. absolvovaní školenia osoby zodpovednej za údržbu požiarneho uzáveru alebo časti úkonov údržby požiarneho uzáveru vykonaného výrobcom požiarneho uzáveru, |
| 2. oboznámení osoby zodpovednej za údržbu požiarneho uzáveru alebo časti úkonov údržby požiarneho uzáveru s prevádzkovými pokynmi, vykonanom vlastníkom (správcom) nehnuteľnosti alebo nájomcom nehnuteľnosti, v ktorej je požiarny uzáver inštalovaný, |
| b) potvrdenia o vykonaní údržby výrobcom požiarneho uzáveru, |
| c) výstupy z riadiaceho systému vykonávajúceho automatickú prehliadku požiarneho uzáveru, ak tento spôsob jeho prehliadky je inštalovaný. |
| (7) Do prevádzkového denníka sa uvádzajú záznamy o údržbe, kontrole alebo o poruche viacerých požiarnych uzáverov, pričom prevádzkový denník |
| a) dverí požiarne odolných, dverí dymotesných alebo dverí kombinovaných neslúži na vedenie záznamov o požiarnych uzáveroch uvedených v § 2 písm. a) v bodoch 2 až 5, |
| b) okna požiarne odolného, okna dymotesného alebo okna kombinovaného neslúži na vedenie záznamov o požiarnych uzáveroch uvedených v § 2 písm. a) v bodoch 1 a 3 až 5, |
| c) klapky požiarne odolnej, klapky dymotesnej alebo klapky kombinovanej neslúži na vedenie záznamov o požiarnych uzáveroch uvedených v § 2 písm. a) v bodoch 1, 2, 4 a 5, |
| d) dopravníkového uzáveru neslúži na vedenie záznamov o požiarnych uzáveroch uvedených v § 2 písm. a) v bodoch 1 až 3 a 5, |
| e) oddeľujúcej konštrukcie neslúži na vedenie záznamov o požiarnych uzáveroch uvedených v § 2 písm. a) v bodoch 1 až 4. |
| (8) Sprievodná dokumentácia je súčasťou dokumentácie ochrany pred požiarmi,34) ktorá sa predkladá orgánu štátneho požiarneho dozoru pri vykonávaní kontroly plnenia povinností na úseku ochrany pred požiarmi. |
| (9) Vyhlásenie o zhode alebo certifikát, prevádzkové pokyny a prevádzkový denník musia byť uchované počas prevádzkovania požiarneho uzáveru. |
| § 9 |
| Konkrétne podmienky prevádzkovania |
| (1) Požiarny uzáver možno prevádzkovať len spôsobom uvedeným vo vyhlásení o zhode alebo v prevádzkových pokynoch a v súlade s touto vyhláškou. |
| (2) Ak ide |
| a) o priestor inštalačnej šachty alebo kanálu tvoriaci samostatný požiarny úsek, v ktorom osoba nevykonáva činnosť, požiarny uzáver bez zatváracieho zariadenia podľa § 5 ods. 2 písm. a) uzatvárajúci kontrolný otvor alebo montážny otvor inštalačnej šachty alebo kanálu musí byť v zatvorenej polohe, a ak je vybavený zariadením na uzamknutie, musí byť uzamknutý, |
| b) o priestor, ktorý je občasným pracovným miestom s inštalovaným technickým zariadením, technologickým zariadením, elektroenergetickým zariadením alebo plynárenským zariadením, okrem kotolní, a osoba v ňom nevykonáva činnosť, požiarny uzáver uvedený v § 2 písm. a) v bode 1 bez zatváracieho zariadenia podľa § 5 ods. 2 písm. b) bodu 1 vedúci do tohto priestoru musí byť uzamknutý, |
| c) o neaktívne krídlo otočných dverí požiarne odolných s dvomi krídlami, dverí dymotesných s dvomi krídlami a dverí kombinovaných s dvomi krídlami, ktoré nie je určené na evakuáciu osôb alebo zvierat a nie je vybavené zatváracím zariadením podľa § 5 ods. 2 písm. c), okrem doby prechodu dopravného prostriedku alebo materiálu, musí byť v zatvorenej polohe a zaistené dverovou zástrčkou a uzamknuté. |
| (3) Pri prevádzkovaní požiarneho uzáveru musí byť v priestore, v ktorom je požiarny uzáver inštalovaný, zabezpečené trvalé dodržiavanie parametrov prostredia vymedzených v prevádzkových pokynoch. |
| (4) Na požiarnom uzávere musí byť vykonávaná údržba technologickým postupom, s technickou podporou a v rozsahu určenom v prevádzkových pokynoch; ak prevádzkové pokyny neurčujú rozsah údržby, technologický postup alebo použitie technickej podpory, musí byť používaná správna technická prax. |
| (5) Údržbu požiarneho uzáveru môže vykonávať iba výrobca požiarneho uzáveru, ak si jej vykonávanie vyhradil v prevádzkových pokynoch alebo bol o jej vykonanie požiadaný vlastníkom (správcom) nehnuteľnosti alebo nájomcom nehnuteľnosti, alebo osoba zodpovedná za údržbu požiarneho uzáveru. |
| (6) Na inštalovanom požiarnom uzávere musí byť zabezpečené vykonávanie |
| a) preventívnej údržby v lehotách určených v prevádzkových pokynoch; ak prevádzkové pokyny neurčujú lehoty preventívnej údržby, vykonáva sa preventívna údržba v lehote najmenej raz za 12 mesiacov, |
| b) prehliadky požiarneho uzáveru |
| 1. raz za 12 mesiacov, ak prevádzkové pokyny neurčujú kratšiu lehotu prehliadky požiarneho uzáveru, |
| 2. bez zbytočného odkladu po preventívnej údržbe požiarneho uzáveru a po oprave požiarneho uzáveru, |
| c) opravy požiarneho uzáveru vrátane prehliadky po oprave bez zbytočného odkladu po zistení poruchy požiarneho uzáveru. |
| (7) Lehota na vykonanie ďalšej prehliadky po vykonaní prehliadky požiarneho uzáveru po jeho preventívnej údržbe alebo po oprave začína plynúť, ak sú súčasne splnené tieto podmienky: |
| a) prehliadku |
| 1. vykonal výrobca, ktorý si jej vykonávanie vyhradil v prevádzkových pokynoch alebo ho o jej vykonanie požiadal vlastník (správca) nehnuteľnosti alebo nájomca nehnuteľnosti, alebo |
| 2. vykonala osoba zodpovedná za údržbu požiarneho uzáveru, pričom žiadnu časť vykonávania prehliadky si v prevádzkových pokynoch nevyhradil výrobca požiarneho uzáveru, a |
| b) prehliadkou sa okrem overenia funkčnosti súčastí požiarneho uzáveru, ktoré boli predmetom preventívnej údržby alebo opravy, overila aj vybavenosť požiarneho uzáveru, jeho funkčnosť a zabezpečenie energie alebo hasiacej látky, ak sa ich dodávka požaduje. |
| (8) Ak bol požiarny uzáver |
| a) zaťažený požiarom alebo |
| b) prevádzkovaný |
| 1. spôsobom nespĺňajúcim podmienky uvedené v odseku 1, |
| 2. spôsobom iným ako obvyklým na prevádzkovanie požiarneho uzáveru alebo |
| 3. v prostredí nespĺňajúcom parametre prostredia vymedzené v prevádzkových pokynoch alebo prostredí inom ako obvyklom na prevádzkovanie požiarneho uzáveru, pred začatím ďalšieho prevádzkovania musí mať bez zbytočného odkladu po optimalizácii spôsobu prevádzkovania uzáveru alebo po optimalizácii prostredia na prevádzkovanie uzáveru zabezpečenú preventívnu údržbu požiarneho uzáveru vrátane prehliadky po preventívnej údržbe požiarneho uzáveru. |
| (9) Konštrukcia požiarneho uzáveru sa nesmie meniť oproti stavu, v ktorom sa inštaloval, a z požiarneho uzáveru sa nemôže odstrániť žiadna jeho súčasť a ani sa žiadna súčasť nemôže pridať na požiarny uzáver oproti stavu, v ktorom sa inštaloval; to neplatí, ak so zmenou konštrukcie požiarneho uzáveru, s pridaním súčasti na požiarny uzáver alebo s odobratím súčasti z požiarneho uzáveru súhlasil výrobca požiarneho uzáveru a súhlas je vydaný na základe schválenia autorizovanou osobou, ak sa jej konanie vyžadovalo podľa osobitného predpisu.20) |
| (10) Na požiarnom uzávere nesmie byť mechanickým zásahom alebo elektrickým zásahom vyradená z činnosti žiadna súčasť požiarneho uzáveru. |
| (11) Ak požiarny uzáver z dôvodu neodstrániteľnej poruchy musí byť nahradený iným požiarnym uzáverom, nahradený požiarny uzáver musí mať najmenej rovnaké vlastnosti, ako uvádza riešenie protipožiarnej bezpečnosti stavby alebo sprievodná dokumentácia k pôvodnému požiarnemu uzáveru. Spôsoby dosiahnutia splnenia požiadaviek na rovnaké vlastnosti alebo priaznivejšie vlastnosti nahradeného požiarneho uzáveru, ako mal pôvodný požiarny uzáver, sú uvedené v § 12 ods. 16 až 20. |
| (12) Ak súčasť požiarneho uzáveru musí byť nahradená inou súčasťou pri údržbe požiarneho uzáveru a |
| a) existuje výrobca požiarneho uzáveru alebo súčasti, ktorá má byť nahradená, musí sa použiť súčasť od rovnakého výrobcu a s rovnakými vlastnosťami, ako mala pôvodná súčasť, |
| b) neexistuje výrobca požiarneho uzáveru alebo súčasti alebo výrobca prestal pôsobiť v danej oblasti, musí sa použiť súčasť od výrobcu s rovnakým predmetom činnosti, ako mal výrobca pôvodnej súčasti, a vlastnosti nahradenej súčasti musia byť najmenej také, ako mala pôvodná súčasť. |
| § 10 |
| Akcieschopnosť |
| (1) Za akcieschopný sa považuje požiarny uzáver, ktorý spĺňa tieto podmienky: |
| a) bol uvedený na trh podľa osobitného predpisu,20) |
| b) bol inštalovaný |
| 1. podľa vyhlásenia o zhode a podľa prevádzkových pokynov, |
| 2. v súlade s riešením protipožiarnej bezpečnosti stavby, ak sa riešenie vyžadovalo, |
| c) má, ak sa požaduje, |
| 1. zabezpečenú dodávku hasiacej látky v rozsahu uvedenom v § 4 ods. 4, ak ide o dvere požiarne odolné alebo dvere kombinované, |
| 2. zabezpečenú dodávku energií, |
| 3. inštalované zatváracie zariadenie alebo ovládací mechanizmus a tie spĺňajú požiadavku uvedenú v § 5 ods. 3, |
| 4. inštalovaný koordinátor a ten spĺňa požiadavky uvedené v § 5 ods. 6 a 8, |
| 5. inštalovaný bezpečnostný mechanizmus |
| 5a. a ten spĺňa požiadavku uvedenú v § 6 ods. 1, |
| 5b. vrátane systému na uvoľnenie poistného zariadenia bezpečnostného mechanizmu a ten spĺňa požiadavku uvedenú v § 6 ods. 5 písm. a), |
| 6. inštalované separačné zariadenie, ktoré odstraňuje z priestoru pohybu pohyblivej konštrukcie dopravníkového uzáveru mechanického dopravníkového systému sypký alebo tuhý dopravovaný materiál v čase pred začatím zatvárania pohyblivej konštrukcie alebo v čase jej zatvárania, |
| 7. označenie |
| 7a. miesta inštalácie, ktoré slúži na únik podľa § 7 ods. 2, |
| 7b. miesta inštalácie podľa § 7 ods. 5, |
| d) vstupný uzáver na ovládanie požiarneho uzáveru uvedeného v § 2 písm. a) v bode 1 neovplyvňuje použiteľnosť bezpečnostného mechanizmu, |
| e) otváranie alebo uzatváranie jeho pohyblivej konštrukcie, |
| 1. ak ide o jej neautomatický režim pohybu, |
| 1a. spĺňa požiadavky uvedené v 9 ods. 2, |
| 1b. nevyžaduje zvýšenú ľudskú silu na prekonanie odporu proti pohybu |
| 1ba. vplyvom zdeformovaných súčastí, skorodovaných súčastí alebo neudržiavaných súčastí, |
| 1bb. vplyvom mechanickej prekážky umiestnenej v priestore jej zatvárania, |
| 2. ak ide o automatický režim pohybu, nie je spomalené poruchami uvedenými v bode 1b, |
| f) pohyb |
| 1. jeho pohyblivej konštrukcie pri uzatváraní je v intervale rýchlosti predpísanom výrobcom, |
| 2. jeho súčastí nie je obmedzovaný ich deformáciou, koróziou, nesprávnou údržbou alebo mechanickou prekážkou v priestore ich pohybu, |
| g) nemá poškodenie znižujúce jeho celistvosť, tesnosť proti prieniku dymu alebo inú očakávanú požiadavku identifikovateľné diagnostickou metódou alebo poznateľné voľným okom, |
| h) v čase prevádzkovania spĺňa požiadavky uvedené v § 9 ods. 9 až 12, |
| i) má vykonávanú údržbu výrobcom alebo osobou zodpovednou za údržbu v lehote a v rozsahu uvedených |
| 1. v prevádzkových pokynoch alebo |
| 2. v tejto vyhláške, |
| j) má vykonávanú kontrolu osobou s odbornou spôsobilosťou |
| 1. v rozsahu uvedenom v prevádzkových pokynoch, |
| 2. v rozsahu a v lehotách ustanovených v tejto vyhláške, |
| k) vyhradené technické zariadenie dodávajúce energiu na účel uvedený v písmene c) bode 2 má vykonané odborné prehliadky a odborné skúšky podľa osobitného predpisu,35) |
| l) automatické požiarnotechnické zariadenie zabezpečujúce dodávku hasiacej látky podľa písmena c) bodu 1 má vykonanú kontrolu v lehote podľa osobitného predpisu,36) |
| m) požiarnotechnické zariadenie ovládajúce požiarny uzáver má vykonanú kontrolu v lehote podľa osobitného predpisu.37) |
| (2) Za akcieschopný sa považuje aj požiarny uzáver, ktorý nespĺňa požiadavky uvedené v odseku 1, ak |
| a) ide o dôvod neakcieschopnosti, ktorý nemožno bez zbytočného odkladu odstrániť, do prevádzkového denníka bol vykonaný záznam podľa § 8 ods. 3 písm. e) a vlastník (správca) nehnuteľnosti alebo nájomca nehnuteľnosti preukázateľne uskutočnil postup na opätovné zabezpečenie akcieschopnosti požiarneho uzáveru, |
| b) na požiarnom uzávere sa vykonáva údržba, kontrola, odborné prehliadky alebo odborné skúšky vyhradených technických zariadení, alebo |
| c) sú vykonané náhradné opatrenia na zamedzenie šírenia požiaru prerokované s orgánom vykonávajúcim štátny požiarny dozor. |
| § 11 |
| Zabezpečenie pravidelnej kontroly |
| (1) Na požiarnom uzávere musí byť vykonávaná kontrola technologickým postupom a v rozsahu určenom v prevádzkových pokynoch a touto vyhláškou; ak prevádzkové pokyny neurčujú rozsah kontroly alebo technologický postup, postupuje sa podľa správnej technickej praxe. |
| (2) Kontrola požiarneho uzáveru sa vykonáva v rámci preventívnej protipožiarnej prehliadky, ak vlastník (správca) nehnuteľnosti alebo nájomca nehnuteľnosti, v ktorej je požiarny uzáver inštalovaný, neurčil vzhľadom na parametre prostredia, v ktorých sa požiarny uzáver prevádzkuje, kratšiu lehotu. |
| (3) Najmenší rozsah kontroly požiarneho uzáveru je uvedený v prílohe č. 5. |
|
|
| § 12 |
| Spoločné a prechodné ustanovenia |
| (1) Za požiarny uzáver podľa § 2 písm. a) bodu 5 sa považuje aj |
| a) požiarna opona oddeľujúca požiarny úsek javiska od požiarneho úseku hľadiska v divadle alebo v inom kultúrnom zariadení, |
| b) požiarny uzáver uvedený v § 4 ods. 6 alebo |
| c) vetracia mriežka s požiarnou odolnosťou v požiarne deliacej konštrukcii oddeľujúcej dva požiarne úseky. |
| (2) Za požiarny uzáver podľa tejto vyhlášky sa považuje požiarny uzáver, ktorý spĺňa súčasne tieto podmienky: |
| a) bol |
| 1. vyhotovený podľa doterajších predpisov alebo schválený podľa doterajších predpisov, ak sa schválenie na uvádzanie požiarneho uzáveru do obehu alebo na trh vyžadovalo; splnenie tejto podmienky je splnením požiadavky akcieschopnosti podľa § 10 ods. 1 písm. a) a písm. b) bodu 1, alebo |
| 2. určený, ak išlo o zmenu stavby podľa slovenskej technickej normy ako požiarny uzáver postupom uvedeným podľa slovenskej technickej normy38) alebo doterajšieho predpisu,39) |
| b) bol vybavený automatickým uzatváracím zariadením a bezpečnostným mechanizmom, ak sa vybavenie požadovalo podľa doterajšieho predpisu,40) |
| c) bol inštalovaný v stavbe v súlade s riešením protipožiarnej bezpečnosti stavby, ak sa riešenie protipožiarnej bezpečnosti stavby vyžadovalo. |
| (3) Ak ide o zmenu stavby, |
| a) ktorá je národnou kultúrnou pamiatkou, sú dvere s pamiatkovou hodnotou dverami požiarne odolnými |
| 1. typu EW 15 bez ďalšieho preukazovania aj jednokrídlové dvere alebo dvojkrídlové dvere s jednoplášťovým krídlom z oceľového plechu s hrúbkou najmenej 1 mm, |
| 2. typu EI2 aj drevené dvere s plným krídlom alebo s viacerými plnými krídlami a s polodrážkou, ak výpočet ich požiarnej odolnosti preukázal súlad s požiadavkou riešenia protipožiarnej bezpečnosti zmeny stavby. Vzťah pre výpočet požiarnej odolnosti drevených dverí s plným krídlom alebo s viacerými plnými krídlami a s polodrážkou je uvedený v prílohe č. 6, |
| b) podľa slovenskej technickej normy,38) ktorej riešenie protipožiarnej bezpečnosti sa nevyžadovalo alebo ktorej protipožiarna bezpečnosť bola riešená podľa predpisov platných do 31. marca 1977, požiarne odolnými dverami sú dvere uvedené v písmene a). |
| (4) Požiadavka na inštalovanie zatváracieho zariadenia podľa § 5 ods. 1 písm. a) sa nevzťahuje na dvere požiarne odolné uvedené v odseku 3 písm. a) s pamiatkovou hodnotou v stavbe, ktorá je národnou kultúrnou pamiatkou. |
| (5) Za označenie miesta inštalácie |
| a) dverí požiarne odolných, dverí dymotesných a dverí kombinovaných, |
| b) okna požiarne odolného, okna dymotesného a okna kombinovaného, |
| c) oddeľujúcej konštrukcie, |
| d) klapky požiarne odolnej, klapky dymotesnej a klapky kombinovanej, |
| e) dopravníkového uzáveru, |
| podľa § 7 ods. 5 a 9 sa považuje aj nápis POŽIARNY UZÁVER vyhotovený podľa doterajšieho predpisu41) a umiestnený na požiarnom uzávere alebo v jeho tesnej blízkosti pred nadobudnutím účinnosti tejto vyhlášky. |
| (6) Za označenie únikového východu podľa § 7 ods. 2 a 4 ako miesta úniku na únikovej ceste, ktorým je trvalý otvor v požiarne deliacej konštrukcii uzatváraný pohyblivou konštrukciou dverí požiarne odolných, dverí dymotesných a dverí kombinovaných, sa považuje aj nápis ÚNIKOVÝ VÝCHOD vyhotovený podľa doterajšieho predpisu42) a umiestnený na požiarnom uzávere alebo v jeho tesnej blízkosti pred nadobudnutím účinnosti tejto vyhlášky. |
| (7) Za sprievodné údaje požiarneho uzáveru podľa § 7 ods. 1 sa považuje aj označenie požiarneho uzáveru podľa doterajšieho predpisu43) umiestnené na požiarnom uzávere pred nadobudnutím účinnosti tejto vyhlášky. |
| (8) Za prevádzkové pokyny podľa § 8 ods. 1 písm. b) sa považujú aj prevádzkové pokyny vyhotovené prevádzkovateľom požiarneho uzáveru podľa doterajšieho predpisu.44) |
| (9) Za prevádzkový denník podľa § 8 ods. 1 písm. c) a za vedenie prevádzkového denníka podľa § 8 ods. 2 až 7 sa považuje aj prevádzkový denník podľa doterajšieho predpisu45) a jeho vedenie podľa doterajšieho predpisu.46) |
| (10) Za vykonanie kontroly požiarneho uzáveru podľa § 11 inštalovaného pred nadobudnutím účinnosti tejto vyhlášky sa považuje aj vykonanie bežnej údržby požiarneho uzáveru technikom požiarnej ochrany podľa doterajšieho predpisu.47) |
| (11) Za vykonanie preventívnej údržby požiarneho uzáveru podľa § 9 ods. 5 inštalovaného pred nadobudnutím účinnosti tejto vyhlášky sa považuje aj vykonanie prevádzkovej údržby požiarneho uzáveru osobou na vykonávanie prevádzkovej údržby a opráv požiarnych uzáverov podľa doterajšieho predpisu.48) |
| (12) Údržbou a kontrolou bezpečnostného mechanizmu a vstupného uzáveru (ďalej len „otvárací systém“) inštalovaného na dverách bez požiarnej odolnosti na únikovej ceste sú úkony uvedené v § 2 písm. h) a i). |
| (13) Otvárací systém podľa odseku 12 |
| a) musí mať certifikát alebo vyhlásenie o zhode a prevádzkové pokyny uvedené v § 8 ods. 1 písm. a) a b); to neplatí pre otvárací systém inštalovaný na dverách bez požiarnej odolnosti na únikovej ceste pred nadobudnutím účinnosti tejto vyhlášky, |
| b) musí mať vykonávanú údržbu |
| 1. osobou uvedenou v § 9 ods. 5, |
| 2. podľa § 9 ods. 4, |
| 3. v lehotách podľa § 9 ods. 6, pričom na vykonanie ďalšej prehliadky po prehliadke otváracieho systému po jeho preventívnej údržbe alebo oprave sa vzťahuje § 9 ods. 7 písm. a), |
| c) nesmie mať zmenenú konštrukciu oproti stavu, v ktorom sa inštaloval, a nemožno z neho odstrániť žiadnu súčasť a ani žiadna súčasť nemôže byť pridaná oproti stavu, v ktorom sa inštaloval; to neplatí, ak so zmenou konštrukcie alebo s pridaním súčasti alebo s odobratím súčasti z otváracieho systému súhlasil výrobca a súhlas bol vydaný na základe schválenia autorizovanou osobou, ak sa jej konanie vyžadovalo podľa osobitného predpisu, |
| d) môže byť z dôvodu neodstrániteľnej poruchy nahradený iba iným otváracím systémom spĺňajúcim najmenej rovnaké vlastnosti, aké mal pôvodný otvárací systém, |
| e) nemôže byť vyradený z činnosti mechanickým zásahom alebo elektrickým zásahom, ak by otváranie dverí, na ktorých je inštalovaný, bolo sťažené alebo znemožnené. |
| (14) Ak v prevádzkových pokynoch k otváraciemu systému určil jeho výrobca úkony údržby a nevyhradil si ich realizáciu, vlastník (správca) nehnuteľnosti alebo nájomca nehnuteľnosti, v ktorej je otvárací systém inštalovaný, zabezpečí preukázateľne školenie osoby zodpovednej za jeho údržbu. Ak výrobca otváracieho systému nevykonáva školenie osoby zodpovednej za jeho údržbu, vlastník (správca) nehnuteľnosti alebo nájomca nehnuteľnosti, v ktorej je otvárací systém inštalovaný, zabezpečí preukázateľne oboznámenie osoby zodpovednej za jeho údržbu s prevádzkovými pokynmi. |
| (15) Ak bol otvárací systém prevádzkovaný spôsobom uvedeným v § 9 ods. 8 písm. a) alebo b), vlastník (správca) nehnuteľnosti alebo nájomca nehnuteľnosti pred začatím jeho prevádzkovania, ktorému predchádzal požiar, bez zbytočného odkladu po optimalizácii spôsobu jeho prevádzkovania alebo po optimalizácii prostredia na jeho prevádzkovanie zabezpečí preventívnu údržbu otváracieho systému vrátane prehliadky po preventívnej údržbe otváracieho systému. |
| (16) Inštalovaný požiarny uzáver brániaci šíreniu tepla schválený podľa predpisu pred nadobudnutím platnosti slovenskej technickej normy upravujúcej stanovenie požiarnej odolnosti požiarnych uzáverov platnej do 30. júna 2004 vrátane, ak sa schválenie vyžadovalo, alebo skúšaný podľa slovenskej technickej normy upravujúcej stanovenie požiarnej odolnosti požiarnych uzáverov platnej do 30. júna 2004 vrátane s označením PB alebo EI podľa tejto normy môže byť nahradený požiarnym uzáverom podľa prílohy č. 4 bodu 1. |
| (17) Inštalovaný požiarny uzáver obmedzujúci šírenie tepla schválený podľa predpisu pred nadobudnutím platnosti slovenskej technickej normy upravujúcej stanovenie požiarnej odolnosti požiarnych uzáverov platnej do 30. júna 2004, ak sa schválenie vyžadovalo, alebo skúšaný podľa slovenskej technickej normy upravujúcej stanovenie požiarnej odolnosti požiarnych uzáverov platnej do 30. júna 2004 s označením PO alebo EW podľa tejto normy môže byť nahradený požiarnym uzáverom podľa prílohy č. 4 bodu 2. |
| (18) Inštalovaný požiarny uzáver tesný proti prieniku dymu schválený podľa predpisu pred nadobudnutím platnosti slovenskej technickej normy upravujúcej stanovenie požiarnej odolnosti požiarnych uzáverov platnej do 30. júna 2004, ak sa schválenie vyžadovalo, alebo skúšaný podľa slovenskej technickej normy upravujúcej stanovenie požiarnej odolnosti požiarnych uzáverov platnej do 30. júna 2004 s označením K alebo S podľa tejto normy môže byť nahradený požiarnym uzáverom podľa prílohy č. 4 bodu 3. |
| (19) Odseky 16 až 18 sa nevzťahujú na oddeľujúcu konštrukciu, ktorou je požiarna opona. |
| (20) Požiarna opona schválená podľa predpisu platného pred nadobudnutím platnosti technickej normy,49) ak sa schválenie vyžadovalo, alebo vyhotovená podľa technickej normy49) a schválená, ak sa schválenie vyžadovalo, ktorá |
| a) bráni šíreniu tepla, môže byť nahradená požiarnou oponou typu EI, |
| b) obmedzuje šírenie tepla, môže byť nahradená požiarnou oponou typu EW. |
| (21) Ak súčasť otváracieho systému sa musí nahradiť inou súčasťou pri údržbe otváracieho systému a |
| a) existuje výrobca otváracieho systému alebo súčasti, ktorá má byť nahradená, musí sa použiť súčasť od rovnakého výrobcu a s rovnakými vlastnosťami, aké mala pôvodná súčasť, |
| b) neexistuje výrobca otváracieho systému alebo súčasti alebo výrobca prestal pôsobiť v danej oblasti, musí sa použiť súčasť od výrobcu s rovnakým predmetom činnosti, aký mal výrobca pôvodnej súčasti, a vlastnosti nahradenej súčasti musia byť najmenej také, aké mala pôvodná súčasť. |
| § 13 |
| Táto vyhláška sa nevzťahuje na výrobky pred inštaláciou do stavby, ktoré boli vyrobené alebo uvedené na trh |
| a) v niektorom z členských štátov Európskej únie, |
| b) v niektorom zo štátov Európskeho združenia voľného obchodu, ktoré sú súčasne zmluvnou stranou dohody o Európskom hospodárskom priestore, alebo |
| c) v Turecku. |
| § 14 |
| Táto vyhláška bola prijatá v súlade s právne záväzným aktom Európskych spoločenstiev a s osobitnými predpismi o poskytovaní informácií v oblasti technických noriem a technických predpisov.50) |
| § 15 |
| Zrušuje sa vyhláška Ministerstva vnútra Slovenskej republiky č. 285/2001 Z. z., ktorou sa určujú vlastnosti požiarnych uzáverov, podmienky ich prevádzkovania a zabezpečenia ich pravidelnej kontroly. |
| § 16 |
| Účinnosť |
| Táto vyhláška nadobúda účinnosť 1. januára 2009. |
|
|
| Robert Kaliňák v. r. |
|
|
| Príloha č. 1 k vyhláške č. 478/2008 Z. z. |
| Príklady inštalácie klapky požiarne odolnej, klapky dymotesnej a klapky kombinovanej do trvalého otvoru v požiarne deliacej konštrukcii, na požiarne deliacu konštrukciu alebo do potrubia s požiarnou odolnosťou vetracieho systému zaisťujúceho dodávku alebo výmenu vzduchu |
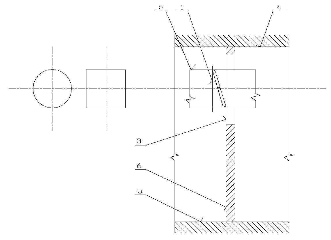
| Nákres č. 1. Príklad inštalácie klapky požiarne odolnej, klapky dymotesnej a klapky kombinovanej do trvalého otvoru v požiarne deliacej konštrukcii |
| .png)
|
| 1 klapka požiarne odolná, klapka dymotesná alebo klapka kombinovaná |
| 2. vzduchotechnické potrubie |
| 3. izolácia prestupu klapky vyznačenej v pozícii 1 zvislou požiarne deliacou konštrukciou |
| 4. požiarne deliaca konštrukcia – strop |
| 5. požiarne deliaca konštrukcia – podlaha |
| 6. požiarne deliaca konštrukcia – stena |
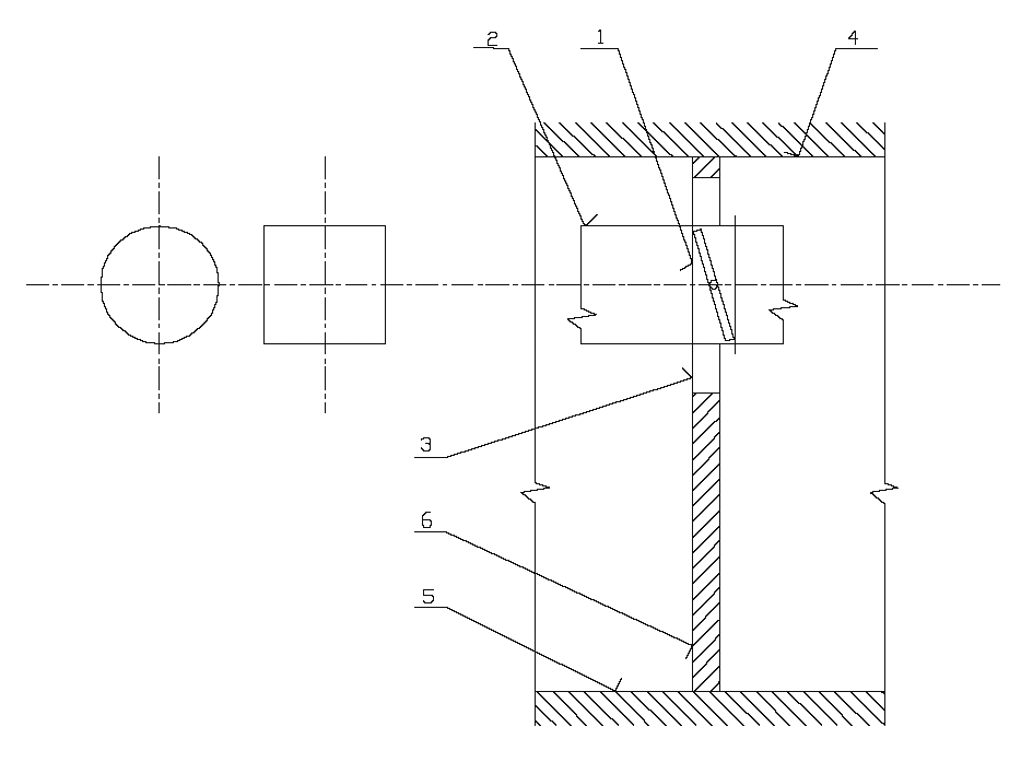
| Nákres č. 2. Príklad inštalácie klapky požiarne odolnej, klapky dymotesnej a klapky kombinovanej na požiarne deliacu konštrukciu – stenu |
| .png)
|
| 1. klapka požiarne odolná, klapka dymotesná alebo klapka kombinovaná |
| 2. vzduchotechnické potrubie |
| 3. izolácia prestupu klapky vyznačenej v pozícii 1 zvislou požiarne deliacou konštrukciou |
| 4. požiarne deliaca konštrukcia – strop |
| 5. požiarne deliaca konštrukcia – podlaha |
| 6. požiarne deliaca konštrukcia – stena |
| Nákres č. 3. Príklad inštalácie klapky požiarne odolnej, klapky dymotesnej a klapky kombinovanej do vzduchotechnického potrubia s požiarnou odolnosťou vetracieho systému zaisťujúceho dodávku alebo výmenu vzduchu |
| .png)
|
| 1. klapka požiarne odolná, klapka dymotesná alebo klapka kombinovaná |
| 2. vzduchotechnické potrubie |
| 3. izolácia prestupu klapky vyznačenej v pozícii 1 zvislou požiarne deliacou konštrukciou |
| 4. požiarne deliaca konštrukcia – strop |
| 5. požiarne deliaca konštrukcia – podlaha |
| 6. požiarne deliaca konštrukcia – stena |
| 7. obklad vzduchotechnického potrubia |
| 8. záves vzduchotechnického potrubia |
| Príloha č. 2 k vyhláške č. 478/2008 Z. z. |
| Typy požiarnych uzáverov a predpisy pre klasifikáciu požiarnych uzáverov do tried požiarnych uzáverov |
| | Poradové číslo | Požiarny uzáver | Typ
požiarneho
uzáveru | Predpis pre klasifikáciu
požiarnych uzáverov do tried požiarnych uzáverov | | 1. | DVERE
OKREM
DVERÍ
V POLOŽKE
2 | požiarne odolné | brániace šíreniu tepla | EI1
EI2 | slovenská technická norma 1) | | obmedzujúce šírenie tepla | EW | | brániace prenosu plameňa | E | | dymotesné | Sm
Sa | | kombinované | brániace šíreniu tepla a prieniku dymu | EI1 Sa
EI2 Sa
EI1 Sm
EI2 Sm | | obmedzujúce šírenie tepla a brániace prieniku dymu | EW Sa
EW Sm | brániace prenosu plameňa
a prieniku dymu | E Sa
E Sm | | 2. | DVERE
VÝŤAHOVEJ
ŠACHTY | brániace šíreniu tepla | EI | slovenská technická norma,3) ak skúška požiarnej odolnosti bola vykonaná podľa slovenskej technickej normy3) | | obmedzujúce šírenie tepla | EW | | brániace prenosu plameňa | E | | brániace šíreniu tepla | EI1
EI | Slovenská technická norma,1) ak skúška požiarnej odolnosti bola vykonaná podľa slovenskej technickej normy4) | | obmedzujúce šírenie tepla | EW | | brániace prenosu plameňa | E | 3.
| OKNO | požiarne odolné
| brániace šíreniu tepla | EI1
EI2 | slovenská technická norma 1) | | obmedzujúce šírenie tepla | EW | | brániace prenosu plameňa | E | | dymotesné | Sm
Sa | | kombinované | brániace šíreniu tepla a prieniku dymu | EI1 Sa
EI2 Sa
EI1 Sm
EI2 Sm | obmedzujúce
šírenie tepla a brániace prieniku dymu | EW Sa
EW Sm | | brániace prenosu plameňa a prieniku dymu | E Sa
E Sm | | 4. | KLAPKA | požiarne odolná | brániaca šíreniu tepla | EI | slovenská technická norma 2) | | obmedzujúca šírenie tepla | EW | | | brániaca prenosu plameňa | E | slovenská technická norma 2) | | dymotesná | S | |
kombinovaná
| brániaca šíreniu tepla a prieniku dymu |
EI S | slovenská technická norma 2) | | brániaca prenosu plameňa a prieniku dymu | E S | | 5. | DOPRAV-
NÍKOVÝ
UZÁVER | brániaci šíreniu tepla | EI
EI1
EI2 | slovenská technická norma 1) | | obmedzujúci šírenie tepla | EW | | brániaci prenosu plameňa | E | |
| 1) STN 13501-2 Klasifikácia požiarnych charakteristík stavebných výrobkov a prvkov stavieb. Časť 2: Klasifikácia využívajúca údaje zo skúšok požiarnej odolnosti (okrem ventilačných zariadení). |
| 2) STN 13501-3 Klasifikácia požiarnych charakteristík stavebných výrobkov a prvkov stavieb. Časť 3: Klasifikácia využívajúca údaje zo skúšok požiarnej odolnosti výrobkov a prvkov používaných v prevádzkových zariadeniach stavieb. Potrubia s požiarnou odolnosťou a požiarne klapky. |
| 3) STN EN 81-58 Bezpečnostné pravidlá na konštrukciu a montáž výťahov. Prehliadky a skúšky. Časť 58: Skúšanie požiarnej odolnosti šachtových dverí. |
| 4) STN EN 1634-1 Skúšanie požiarnej odolnosti a tesnosti proti prieniku zostáv dverí a uzáverov, otváracích okien a prvkov stavebného kovania. Časť 1: Skúšanie požiarnej odolnosti zostáv dverí, uzáverov a otváracích okien. |
| Príloha č. 3 k vyhláške č. 478/2008 Z. z. |
| Piktogram na označenie miesta inštalácie klapky požiarne odolnej, klapky dymotesnej a klapky kombinovanej |
| .png)
|
| Rozmery sú uvedené v milimetroch. |
| Príloha č. 4 k vyhláške č. 478/2008 Z. z. |
| Spôsoby dosiahnutia splnenia požiadaviek na rovnaké vlastnosti alebo priaznivejšie vlastnosti nahradeného požiarneho uzáveru, aké mal pôvodný požiarny uzáver |
| 1. Požiarny uzáver uvedený v § 12 ods. 16 môže byť nahradený, ak ide o |
| a) dvere, dverami typu EI1, EI2, EI1 Sa, EI1 Sm, EI2 Sa alebo EI2 Sm, |
| b) okno, oknom typu EI, EI Sa alebo EI Sm, |
| c) klapku, klapkou typu EI alebo EI S, |
| d) poklop, poklopom typu EI alebo EI S, |
| e) uzáver otvoru dopravníkového systému, uzáverom dopravníkového systému typu EI, EI1 alebo EI2, |
| f) iný požiarny uzáver, ako je uvedené v písmenách a) až e), oddeľujúcou konštrukciou typu EI alebo EI S s rovnakou funkciou, akú má nahrádzaný požiarny uzáver. |
| 2. Požiarny uzáver uvedený v § 12 ods. 17 môže byť nahradený, ak ide o |
| a) dvere, dverami typu EW, EW Sa alebo EW Sm, |
| b) okno, oknom typu EW, EW Sa alebo EW Sm, |
| c) klapku, klapkou typu EI alebo EI S, |
| d) poklop, poklopom typu EW alebo EW S, |
| e) uzáver otvoru dopravníkového systému, uzáverom dopravníkového systému typu EW, |
| f) iný požiarny uzáver, ako je uvedené v písmenách a) až e), oddeľujúcou konštrukciou typu EW alebo EW S s rovnakou funkciou, akú má nahrádzaný požiarny uzáver. |
| 3. Požiarny uzáver uvedený v § 12 ods. 18 môže byť nahradený, ak ide o |
| a) dvere, dverami typu Sm, EI1 Sm, EI2 Sm alebo EW Sm, |
| b) okno, oknom typu Sm, EI Sm alebo EW Sm, |
| c) klapku, klapkou typu S alebo EI S, |
| d) poklop, poklopom typu S, EI S alebo EW S, |
| e) iný požiarny uzáver, ako je uvedený v písmenách a) až d), oddeľujúcou konštrukciou typu S, EI S alebo EW S s rovnakou funkciou, akú má nahrádzaný požiarny uzáver. |
| Príloha č. 5 k vyhláške č. 478/2008 Z. z. |
| Najmenší rozsah kontroly požiarneho uzáveru |
| 1. Vizuálnou prehliadkou požiarneho uzáveru sa overuje |
| a) vybavenosť požiarneho uzáveru vrátane jeho neporušenosti, |
| b) úplnosť označenia miesta inštalácie požiarneho uzáveru, |
| c) súlad typu inštalovaného požiarneho uzáveru s návrhom typu požiarneho uzáveru v riešení protipožiarnej bezpečnosti stavby, ak sa riešenie vyžadovalo. |
| 2. Skúškou funkčnosti požiarneho uzáveru bez použitia technickej podpory sa overuje |
| a) ľahký chod pohyblivej konštrukcie požiarneho uzáveru pri jej zatváraní alebo otváraní, |
| b) ľahký chod zatváracieho zariadenia a úplné uzatvorenie požiarneho uzáveru, ak ide o požiarny uzáver uvedený v § 2 písm. a) v bodoch 1, 2, 4 a 5, ovládacieho zariadenia a úplné uzatvorenie požiarneho uzáveru, |
| c) ľahký chod koordinátora zatvárania a správne poradie zatvárania krídiel požiarneho uzáveru, ak ide o požiarny uzáver uvedený v § 2 písm. a) v bodoch 1 a 2, |
| d) ľahký chod bezpečnostného mechanizmu, ak ide o dvere s požiarnou odolnosťou, dvere tesné proti prieniku dymu alebo dvere s požiarnou odolnosťou a tesné proti prieniku dymu, |
| e) ľahký chod spúšťacieho mechanizmu alebo ovládacieho mechanizmu, ak ide požiarny uzáver uvedený v § 2 písm. a) bode 3, |
| f) odstránenie dopravovaného predmetu separačným zariadením, ak ide o požiarne uzávery uvedené v § 2 písm. a) bode 4, |
| g) dodávka energie alebo hasiacej látky, ak sa požaduje, |
| h) činnosť optickej signalizácie alebo zvukovej signalizácie, ak je časťou požiarneho uzáveru a oznamuje zmenu stavu požiarneho uzáveru. |
| Príloha č. 6 k vyhláške č. 478/2008 Z. z. |
| Vzťah pre výpočet požiarnej odolnosti drevených dverí s plným krídlom alebo s viacerými plnými krídlami a s polodrážkou |
| .png)
|
| kde – Op je požiarna odolnosť posudzovaných drevených dverí, |
| – d je hrúbka plného dreva v milimetroch meraná v mieste najväčšieho oslabenia krídla posudzovaných dverí. |
| Poznámky pod čiarou |
| 1) § 12 zákona č. 221/2006 Z. z. o výkone väzby. |
| 2) § 18 zákona č. 475/2005 Z. z. o výkone trestu odňatia slobody a o zmene a doplnení niektorých zákonov. |
| 3) Zákon č. 652/2004 Z. z. o orgánoch štátnej správy v colníctve a o zmene a doplnení niektorých zákonov. |
| 4) Zákon č. 215/2004 Z. z. o ochrane utajovaných skutočností a o zmene a doplnení niektorých zákonov v znení neskorších predpisov. |
| 5) Zákon č. 199/2004 Z. z. Colný zákon a o zmene a doplnení niektorých zákonov v znení neskorších predpisov. |
| 6) § 42 zákona Národnej rady Slovenskej republiky č. 171/1993 Z. z. o Policajnom zbore. |
| 7) Vyhláška Ministerstva vnútra Slovenskej republiky č. 532/2006 Z. z. o podrobnostiach na zabezpečenie stavebnotechnických požiadaviek a technických podmienok zariadení civilnej ochrany. |
| 8) Nariadenie vlády Slovenskej republiky č. 576/2002 Z. z., ktorým sa ustanovujú podrobnosti o technických požiadavkách a postupoch posudzovania zhody na tlakové zariadenie a ktorým sa mení a dopĺňa nariadenie vlády Slovenskej republiky č. 400/1999 Z. z., ktorým sa ustanovujú podrobnosti o technických požiadavkách na ostatné určené výrobky v znení neskorších predpisov v znení nariadenia vlády Slovenskej republiky č. 329/2003 Z. z. |
| 9) Nariadenie vlády Slovenskej republiky č. 117/2001 Z. z., ktorým sa ustanovujú podrobnosti o technických požiadavkách a postupoch posudzovania zhody zariadení a ochranných systémov určených na použitie v prostredí s nebezpečenstvom výbuchu v znení nariadenia vlády Slovenskej republiky č. 296/2002 Z. z. |
| 10) § 2 ods. 1 písm. b) zákona č. 314/2001 Z. z. o ochrane pred požiarmi. |
| 11) STN EN 1125 Stavebné kovanie. Panikové východové uzávery ovládané horizontálnym držadlom. Požiadavky a skúšobné metódy. |
| 12) STN EN 179 Stavebné kovanie. Núdzové východové uzávery ovládané kľučkou alebo tlačidlom. Požiadavky a skúšobné metódy. |
| 13) § 9 zákona č. 314/2001 Z. z. |
| 14) STN EN 13501-1 Klasifikácia požiarnych charakteristík stavebných výrobkov a prvkov stavieb. Časť 1: Klasifikácia využívajúca údaje zo skúšok reakcie na oheň. |
| 15) Napríklad STN EN 13501-2 Klasifikácia požiarnych charakteristík stavebných výrobkov a prvkov stavieb. Časť 2: Klasifikácia využívajúca údaje zo skúšok požiarnej odolnosti (okrem ventilačných zariadení), STN EN 13501-3 Klasifikácia požiarnych charakteristík stavebných výrobkov a prvkov stavieb. Časť 3: Klasifikácia využívajúca údaje zo skúšok požiarnej odolnosti výrobkov a prvkov používaných v prevádzkových zariadeniach stavieb. Potrubia s požiarnou odolnosťou a požiarne klapky, STN EN 81-58 Bezpečnostné pravidlá na konštrukciu a montáž výťahov. Prehliadky a skúšky. Časť 58: Skúšanie požiarnej odolnosti šachtových dverí. |
| 16) STN EN 14600 Dvere a otváracie okná s požiarnou odolnosťou alebo tesné proti prieniku dymu. Požiadavky a klasifikácia. |
| 17) Napríklad STN EN 1634-1 Skúšanie požiarnej odolnosti a tesnosti proti prieniku zostáv dverí a uzáverov, otváracích okien a prvkov stavebného kovania. Časť 1: Skúšanie požiarnej odolnosti zostáv dverí, uzáverov a otváracích okien, STN EN 1366-2 Skúšanie požiarnej odolnosti prevádzkových zariadení. Časť 2: Požiarne klapky, STN EN 1366-7 Skúšanie požiarnej odolnosti prevádzkových zariadení. Časť 7: Dopravníkové systémy a ich uzávery. |
| 18) Napríklad STN EN 1634-3 Skúšanie požiarnej odolnosti a tesnosti proti prieniku zostáv dverí a uzáverov, otváracích okien a prvkov stavebného kovania. Časť 3: Skúšanie tesnosti proti dymu zostáv dverí a uzáverov, STN EN 1366-2 Skúšanie požiarnej odolnosti prevádzkových zariadení. Časť 2: Požiarne klapky. |
| 19) Vyhláška Ministerstva vnútra Slovenskej republiky č. 699/2004 Z. z. o zabezpečení stavieb vodou na hasenie požiarov. |
| 20) Zákon č. 90/1998 Z. z. o stavebných výrobkoch v znení neskorších predpisov. |
| 21) STN EN 12519 Okná a dvere. Terminológia. |
| 22) STN EN 1158 Stavebné kovanie. Zariadenia na koordináciu zatvárania dverí. Požiadavky a skúšobné metódy. |
| 23) STN EN 1366-7 Skúšanie požiarnej odolnosti prevádzkových zariadení. Časť 7: Dopravníkové systémy a ich uzávery. |
| 24) STN EN 1366-2 Skúšanie požiarnej odolnosti prevádzkových zariadení. Časť 2: Požiarne klapky. |
| 25) § 1 ods. 1 písm. e) vyhlášky Ministerstva vnútra Slovenskej republiky č. 94/2004 Z. z., ktorou sa ustanovujú technické požiadavky na protipožiarnu bezpečnosť pri výstavbe a pri užívaní stavieb. |
| 26) § 2 písm. b) bod 14 zákona č. 656/2004 Z. z. o energetike a o zmene niektorých zákonov. |
| 27) § 2 písm. c) bod 33 zákona č. 656/2004 Z. z. |
| 28) Zákon Národnej rady Slovenskej republiky č. 279/1993 Z. z. o školských zariadeniach v znení neskorších predpisov. |
| 29) § 91 vyhlášky č. 94/2004 Z. z. |
| 30) STN EN 1155 Stavebné kovanie. Elektricky ovládané zariadenia nastavujúce otvorenie otočných dverí. Požiadavky a skúšobné metódy. |
| 31) Vyhláška č. 94/2004 Z. z. |
| 32) § 4 ods. 1 písm. a) vyhlášky Ministerstva výstavby a regionálneho rozvoja Slovenskej republiky č. 158/2004 Z. z., ktorou sa ustanovujú skupiny stavebných výrobkov s určenými systémami preukazovania zhody a podrobnosti o používaní značiek zhody v znení vyhlášky č. 119/2006 Z. z. |
| 33) Nariadenie vlády Slovenskej republiky č. 387/2006 Z. z. o požiadavkách na zaistenie bezpečnostného a zdravotného označenia pri práci. |
| 34) § 4 písm. g) zákona č. 314/2001 Z. z.
§ 24 ods. 1 písm. m) vyhlášky Ministerstva vnútra Slovenskej republiky č. 121/2002 Z. z. o požiarnej prevencii. |
| 35) § 14 zákona č. 124/2006 Z. z. o bezpečnosti a ochrane zdravia pri práci a o zmene a doplnení niektorých zákonov. |
| 36) Vyhláška Ministerstva vnútra Slovenskej republiky č. 169/2006 Z. z. o konkrétnych vlastnostiach stabilného hasiaceho zariadenia a polostabilného hasiaceho zariadenia a o podmienkach ich prevádzkovania a zabezpečenia ich pravidelnej kontroly. |
| 37) Vyhláška Ministerstva vnútra Slovenskej republiky č. 726/2002 Z. z., ktorou sa ustanovujú vlastnosti elektrickej požiarnej signalizácie, podmienky jej prevádzkovania a zabezpečenia jej pravidelnej kontroly.
Vyhláška č. 169/2006 Z. z. |
| 38) STN 73 0834 Požiarna bezpečnosť stavieb. Zmeny stavieb. |
| 39) § 4 ods. 3 vyhlášky Ministerstva vnútra Slovenskej republiky č. 285/2001 Z. z., ktorou sa určujú vlastnosti požiarnych uzáverov, podmienky ich prevádzkovania a zabezpečenia ich pravidelnej kontroly. |
| 40) § 15 ods. 4 vyhlášky č. 285/2001 Z. z. |
| 41) § 11 ods. 1. vyhlášky č. 285/2001 Z. z. |
| 42) § 11 ods. 2 vyhlášky č. 285/2001 Z. z. |
| 43) § 12 ods. 2 písm. d) a príloha č. 2 k vyhláške č. 285/2001 Z. z. |
| 44) § 12 ods. 1 písm. c) vyhlášky č. 285/2001 Z. z. |
| 45) § 12 ods. 1 písm. d) vyhlášky č. 285/2001 Z. z. |
| 46) § 12 ods. 4 vyhlášky č. 285/2001 Z. z. |
| 47) § 13 ods. 3 vyhlášky č. 285/2001 Z. z. |
| 48) § 13 ods. 4 vyhlášky č. 285/2001 Z. z. |
| 49) STN 73 0831 Požiarna bezpečnosť stavieb. Zhromažďovacie priestory. |
| 50) Smernica Európskeho parlamentu a Rady 98/34/ES z 22. júna 1998 o postupe pri poskytovaní informácií v oblasti technických noriem a predpisov v platnom znení.
Zákon č. 264/1999 Z. z. o technických požiadavkách na výrobky a o posudzovaní zhody a o zmene a doplnení niektorých zákonov v znení neskorších predpisov. |